GM Service Manual Online
For 1990-2009 cars only
Makes
🢒
Chevrolet
🢒
2005
🢒
SSR
🢒 Door Ajar Switches
Door Ajar Switches
Door Ajar Switches
Master Electrical Component List
Interior Lighting Systems Description and Operation
Control Module References
Interior Lights
Data Link Connector Schematics
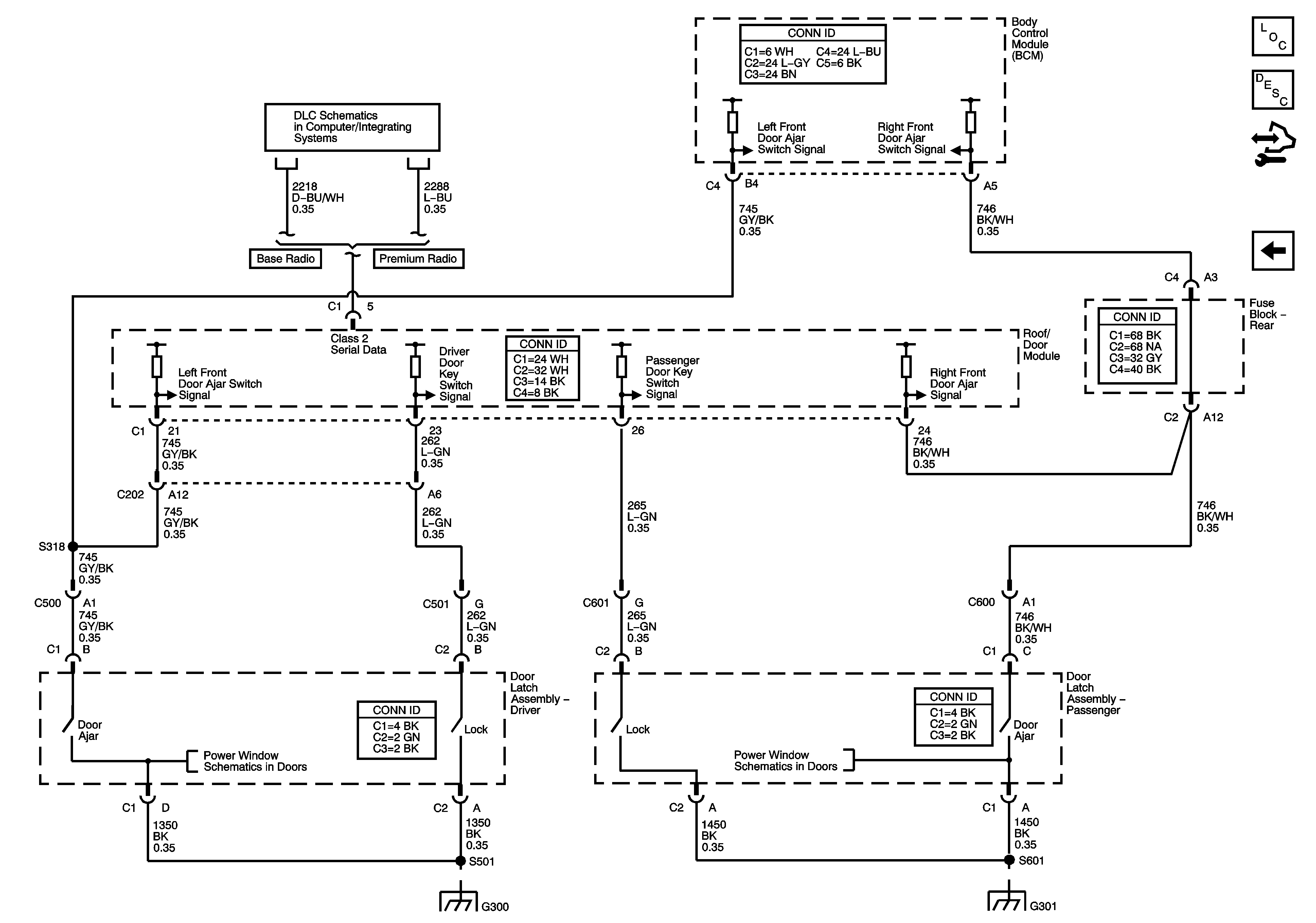
Door Latch Window Indexing and Ajar Switch Signals
Door Latch Window Indexing and Ajar Switch Signals
G300
G301, G302