GM Service Manual Online
For 1990-2009 cars only

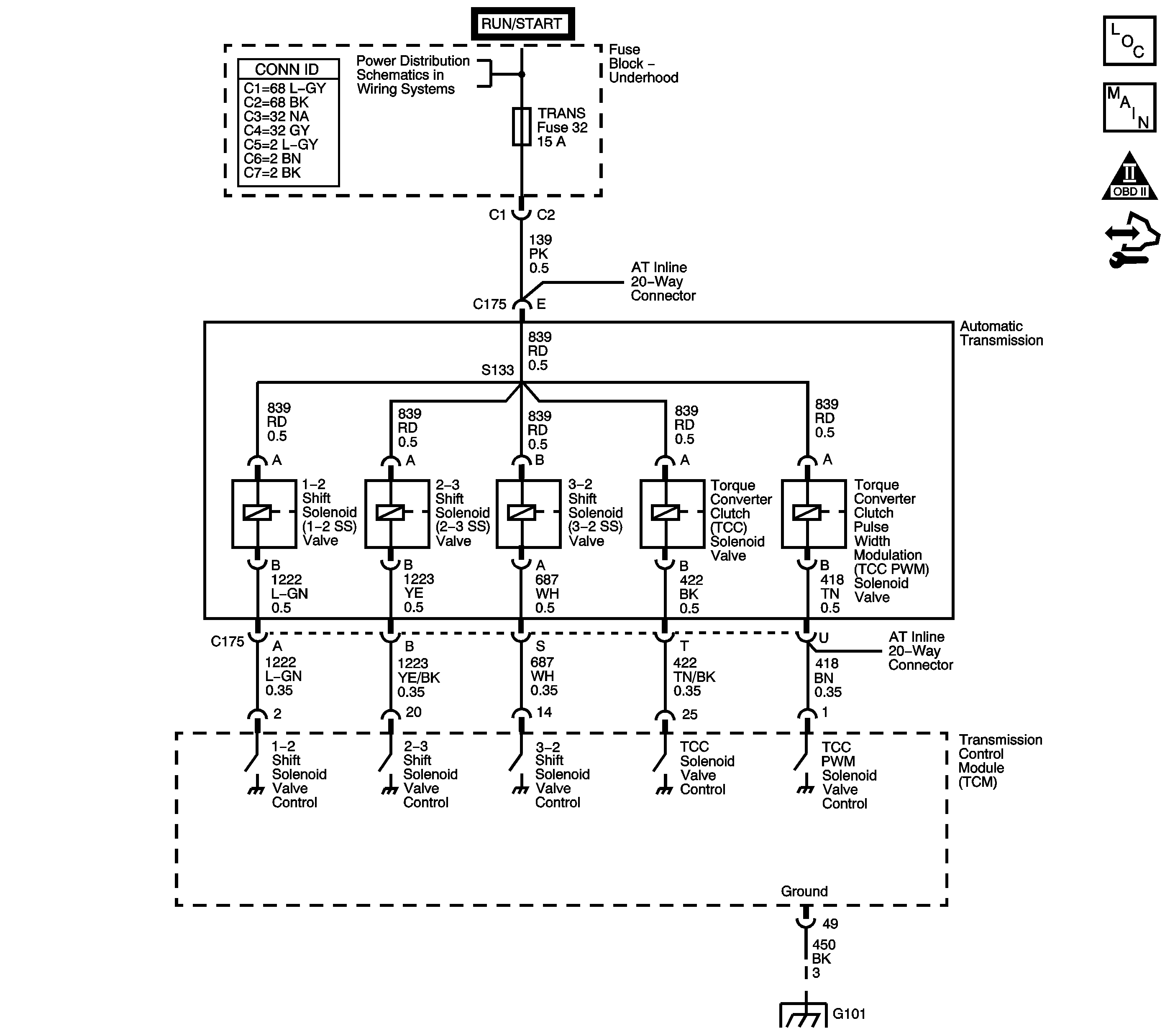
Object Number: 1540784  Size: LF
Master Electrical Component List
Automatic Transmission Controls Schematics
OBD II Symbol Description Notice
Control Module References

Circuit Description

The 3-2 shift solenoid (SS) valve is a normally-closed, 3-port, ON/OFF device that controls the 3-2 downshift. The solenoid attaches to the control valve body within the transmission. The solenoid receives voltage through the ignition voltage circuit. The transmission control module (TCM) controls the solenoid by providing a ground path on the 3-2 shift solenoid valve control circuit. During a 3-2 downshift, the 2-4 band applies as the 3-4 clutch releases. The TCM varies the timing between the 3-4 clutch release and the 2-4 band apply depending on the vehicle speed and throttle position.

When the TCM detects a continuous short to voltage in the 3-2 shift solenoid valve control circuit, then DTC P0788 sets. DTC P0788 is a type A DTC.

DTC Descriptor

This diagnostic procedure supports the following DTC:

DTC P0788 3-2 Shift Solenoid (SS) Control Circuit High Voltage

Conditions for Running the DTC

    • The system voltage is 10-18 volts.
    • The engine speed is greater than 450 RPM for 5 seconds.
    • The engine is not in fuel cutoff.

Conditions for Setting the DTC

DTC P0788 sets if the TCM commands the solenoid ON and the voltage feedback remains high, B+.

Action Taken When the DTC Sets

    • The transmission control module (TCM) requests the engine control module (ECM) to illuminate the malfunction indicator lamp (MIL).
    • The TCM commands third gear.
    • The TCM commands maximum line pressure.
    • The TCM freezes transmission adaptive functions.
    • At the time of the first failure, the TCM records the operating conditions when the Conditions for Setting the DTC are met. The TCM stores this information as a Failure Record.
    • At the time of the second failure, the ECM records the operating conditions when the Conditions for Setting the DTC are met. The ECM stores this information as a Freeze Frame.
    • The TCM stores DTC P0788 in TCM history during the second consecutive trip in which the Conditions for Setting the DTC are met.

Conditions for Clearing the DTC

    • The ECM turns OFF the MIL after the 4th consecutive drive trip in which the TCM does not send a MIL illumination request.
    • A scan tool can clear the DTC.
    • The TCM clears the DTC from TCM history if the vehicle completes 40 warm-up cycles without a non-emission related diagnostic fault occurring.
    • The TCM cancels the DTC default actions when the ignition is OFF long enough in order to power down the TCM.

DTC P0788

Step

Action

Values

Yes

No

1

Did you perform the Diagnostic System Check - Vehicle?

--

Go to Step 2

Go to Diagnostic System Check - Vehicle

2

  1. Install a scan tool.
  2. Turn ON the ignition, with the engine OFF.
  3. Important: Before clearing the DTC, use the scan tool in order to record the Freeze Frame and Failure Records. Using the Clear Info function erases the Freeze Frame and Failure Records from the transmission control module (TCM).

  4. Record the DTC Freeze Frame and Failure Records.
  5. With a scan tool, command the 3-2 Sol. ON.

Does the 3-2 Sol. CKT status parameter display OK?

--

Go to Testing for Intermittent Conditions and Poor Connections

Go to Step 3

3

  1. Turn OFF the ignition.
  2. Disconnect the AT inline 20-way connector, additional DTCs may set.
  3. Install the J 44152 Jumper Harness (20 pins) on the engine side of the AT inline 20-way connector.
  4. Turn ON the ignition, with the engine OFF.
  5. Using the J 35616 GM Terminal Test Kit, connect a test lamp from 3-2 shift solenoid valve control circuit of the J 44152 to ground.

Refer to Automatic Transmission Inline 20-Way Connector End View .

Does the test lamp illuminate?

--

Go to Step 6

Go to Step 4

4

  1. Install the J 44152 on the transmission side of the AT inline 20-way connector.
  2. Using the DMM and J 35616 , measure the resistance between the ignition voltage and 3-2 shift solenoid valve control circuits of the J 44152 .

Refer to Automatic Transmission Inline 20-Way Connector End View .

Does the resistance measure less than the specified value?

20 ohms

Go to Step 5

Go to Step 7

5

  1. Disconnect the AT internal wiring harness assembly from the 3-2 SS valve.
  2. Measure the resistance of the 3-2 SS valve.

Does the resistance measure less than the specified value?

20 ohms

Go to Step 8

Go to Step 7

6

Test the control circuit of the 3-2 SS valve for a short to voltage between the TCM and the AT inline 20-way connector.

Refer to Circuit Testing and Wiring Repairs .

Did you find and correct the condition?

--

Go to Step 10

Go to Step 9

7

Replace the AT internal wiring harness.

Refer to Torque Converter Clutch Pulse Width Modulation Solenoid, Torque Converter Clutch Solenoid, and Wiring Harness .

Did you complete the replacement?

--

Go to Step 10

--

8

Replace the 3-2 SS valve.

Refer to Control and Shift Solenoids Replacement .

Did you complete the replacement?

--

Go to Step 10

--

9

Replace the TCM.

Refer to Control Module References for replacement, setup, and programming.

Did you complete the replacement?

--

Go to Step 10

--

10

Perform the following procedure in order to verify the repair:

  1. Select DTC.
  2. Select Clear Info.
  3. Drive the vehicle in D4 and ensure the following conditions are met:
  4. • The TCM commands the 3-2 SS valve ON and the 3-2 Sol. CKT status parameter displays OK.
    • The TCM commands the 3-2 SS valve OFF and the 3-2 Sol. CKT status parameter displays OK.
    • All conditions are met for 5 seconds.
  5. Select Specific DTC.
  6. Enter DTC P0788.

Has the test run and passed?

--

Go to Step 11

Go to Step 2

11

With the scan tool, observe the stored information, capture info, and DTC Info.

Does the scan tool display any DTCs that you have not diagnosed?

--

Go to Diagnostic Trouble Code (DTC) List - Vehicle

System OK