GM Service Manual Online
For 1990-2009 cars only
Makes
🢒
Chevrolet
🢒
2006
🢒
SSR
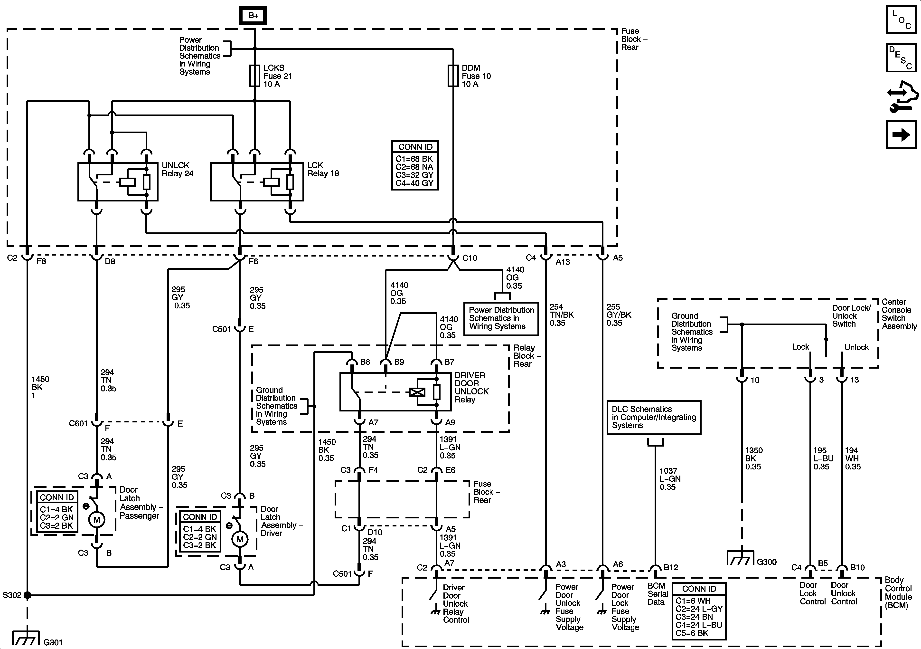
🢒 Power Door Locks
Power Door Locks
Power Door Locks
Master Electrical Component List
Power Door Locks Description and Operation
Control Module References
Door Ajar and Indicator
B+ Bus - Rear Fuse Block
AMP, DDM, RKE Fuses, and ROOF-DOOR MOD, ROOF-PUMP, and SEATSCircuit Breakers
G301, G302
Data Link Connector Schematics
G300
G301, G302
G300