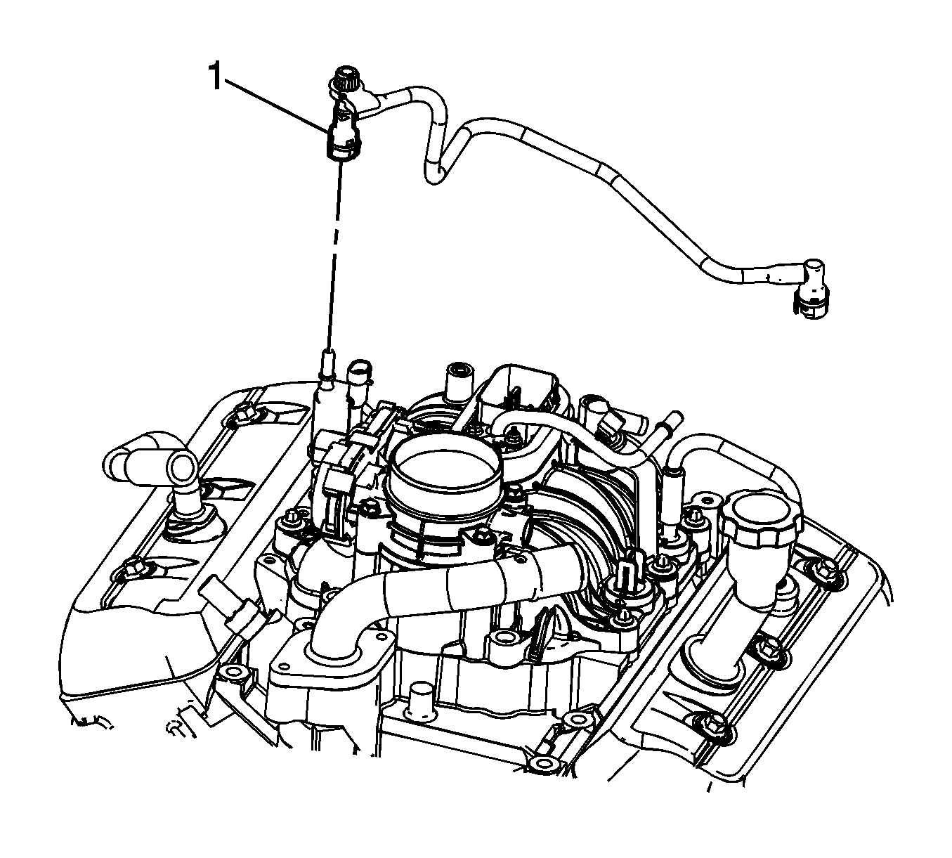
Important: Clean the evaporative emission (EVAP) line connection and surrounding areas before disconnecting in order to avoid possible EVAP system contamination.