GM Service Manual Online
For 1990-2009 cars only

Exhaust Muffler Replacement 1500 Series w/4.3L, 4.8L, 5.3L, 6.0L

Removal Procedure


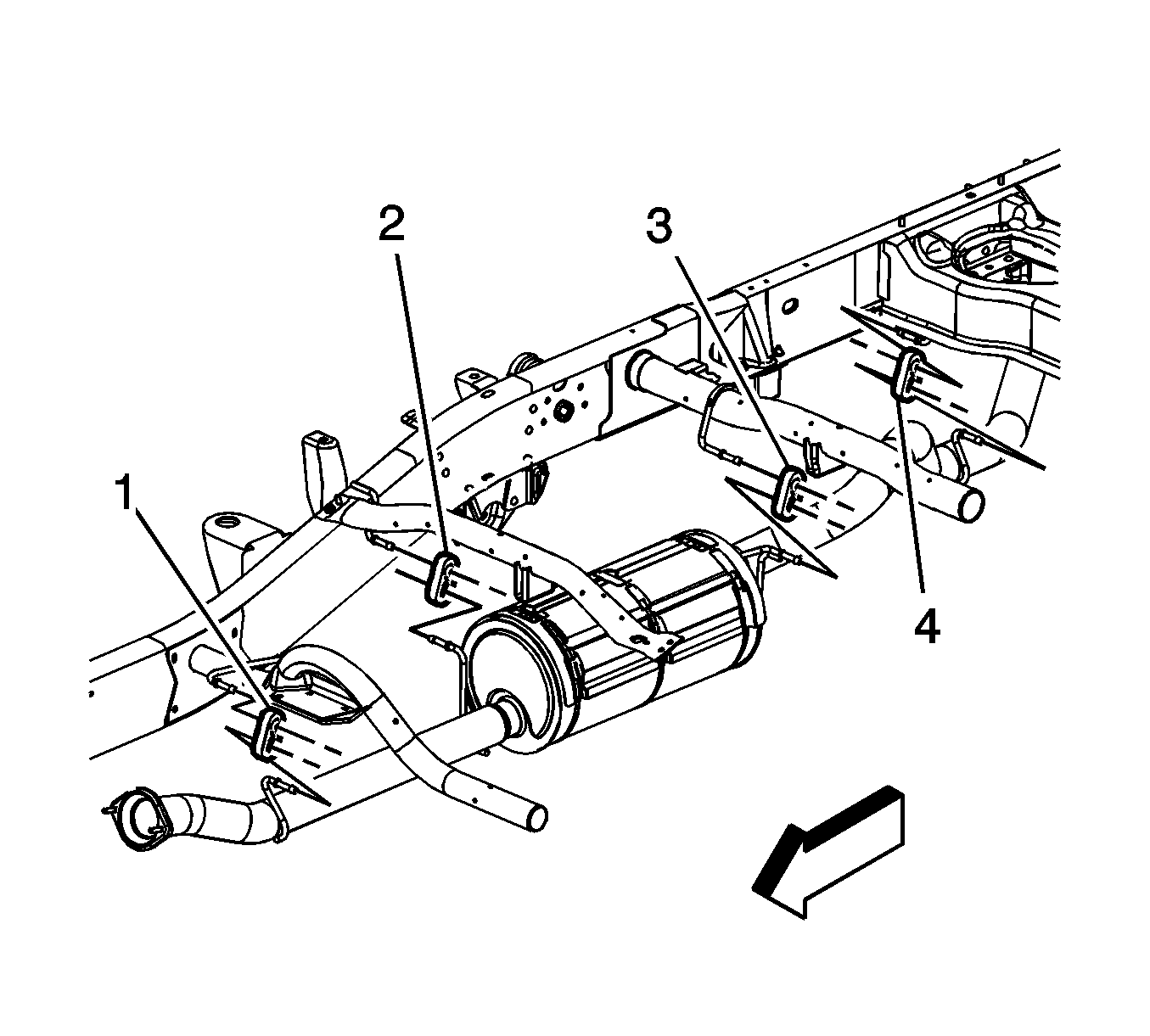
    Object Number: 1708705  Size: SH
  1. Raise and suitably support the vehicle. Refer to Lifting and Jacking the Vehicle .
  2. Lower the spare tire.
  3. Remove the catalytic converter to exhaust muffler nuts.

  4. Object Number: 1856672  Size: SH
  5. If equipped with a 4.8L engine, perform the following steps, otherwise proceed to step 7.
  6. Lubricate the 3 insulators where the muffler assembly hangers are inserted in order to ease removal.
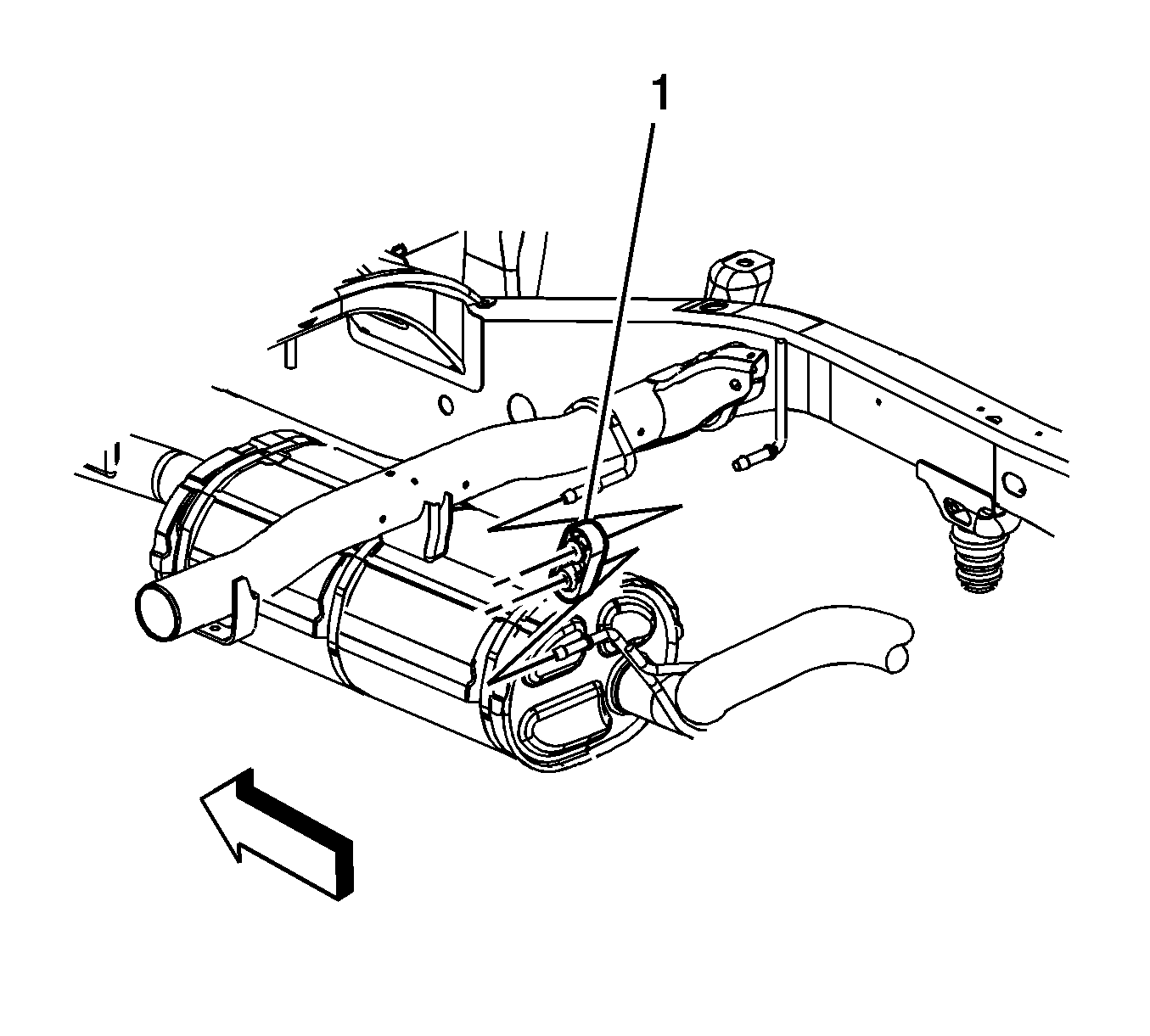
  7. With the aid of an assistant, remove the insulators (1, 2) from the front and rear muffler assembly hangers.

  8. Object Number: 1856675  Size: SH
  9. Remove the insulator (1) from the intermediate muffler assembly hanger and remove the muffler assembly.

  10. Object Number: 1856677  Size: SH
  11. If equipped with a 5.3L, or a 6.0L engine, perform the following steps.
  12. Lubricate the 3 insulators where the muffler assembly hangers are inserted in order to ease removal.
  13. With the aid of an assistant, remove the insulators (1, 2) from the front and rear muffler assembly hangers.

  14. Object Number: 1856679  Size: SH

    Notice: During removal or installation, do not over extend the flex couple as internal damage may occur.

  15. Remove the insulators (1) from the intermediate muffler assembly hangers and remove the muffler assembly. Pull the muffler assembly rearward until the flange is able to clear the front frame crossmember, and remove the muffler toward the front of the vehicle.

Installation Procedure


    Object Number: 1856672  Size: SH
  1. If equipped with a 4.8L engine, perform the following steps, otherwise proceed to step 6.
  2. Lubricate the 3 insulators where the muffler assembly hangers are inserted in order to ease installation.
  3. Notice: During removal or installation, do not over extend the flex couple as internal damage may occur.

  4. With the aid of an assistant, position and install the muffler assembly.
  5. Install the insulators (1, 2) to the front and rear muffler assembly hangers.

  6. Object Number: 1856675  Size: SH
  7. Install the insulator (1) to the intermediate muffler assembly hanger.

  8. Object Number: 1856677  Size: SH
  9. If equipped with a 5.3L, or a 6.0L engine, perform the following steps.
  10. Lubricate the 3 insulators where the muffler assembly hangers are inserted in order to ease installation.
  11. With the aid of an assistant, position and install the muffler assembly.
  12. Install the insulators (1, 2) to the front and rear muffler assembly hangers.

  13. Object Number: 1856679  Size: SH
  14. Install the insulator (1) to the intermediate muffler assembly hanger.
  15. Notice: Refer to Fastener Notice in the Preface section.


    Object Number: 1708705  Size: SH
  16. Install the catalytic converter to exhaust muffler nuts.
  17. Tighten
    Tighten the nuts to 45 N·m (33 lb ft).

  18. Return the spare tire to the original position.
  19. Lower the vehicle.

Exhaust Muffler Replacement 2500/3500 Series w/6.0L

Removal Procedure


    Object Number: 692548  Size: SH
  1. Raise and suitably support the vehicle. Refer to Lifting and Jacking the Vehicle .
  2. Remove the spare tire, if necessary.
  3. Install adjustable jack stands under the rear axle, if necessary.
  4. If equipped with a 8.6 or a 9.5 inch ring gear, remove the rear axle vent hose from the rear axle, if necessary.
  5. Remove the vent hose swivel clip from the rear brake crossover pipe, if necessary.

  6. Object Number: 695038  Size: SH
  7. If equipped with a 10.5 inch ring gear, remove the rear axle vent hose from the rear axle, if necessary.
  8. Remove the vent hose swivel clip from the rear brake crossover pipe, if necessary.

  9. Object Number: 665315  Size: SH
  10. Remove the rear shock absorber lower bolts and nuts, if necessary.
  11. Lower the rear axle using the adjustable jack stands, if necessary.

  12. Object Number: 1708979  Size: SH
  13. Remove the muffler to catalytic converter nuts.

  14. Object Number: 1856703  Size: SH
  15. If the vehicle is a non heavy duty (HD), perform the following steps, otherwise proceed to step 14:
  16. Lubricate the 4 insulators where the muffler assembly hangers are inserted in order to ease removal.
  17. With the aid of an assistant, remove the insulators (1-4) from the front, intermediate, and rear muffler assembly hangers and remove the muffler assembly.

  18. Object Number: 1856702  Size: SH
  19. If the vehicle is a heavy duty (HD) perform the following steps:
  20. Lubricate the 3 insulators where the muffler assembly hangers are inserted in order to ease removal.
  21. With the aid of an assistant, remove the insulators (1-3) from the front, intermediate, and rear muffler assembly hangers and remove the muffler assembly.

Installation Procedure


    Object Number: 1856703  Size: SH
  1. If the vehicle is a non HD, perform the following steps, otherwise proceed to step 5:
  2. Lubricate the 4 insulators where the muffler assembly hangers are inserted in order to ease installation.
  3. With the aid of an assistant, position and install the muffler assembly.
  4. Install the insulators (1-4) to the front, intermediate, and rear muffler assembly hangers.

  5. Object Number: 1856702  Size: SH
  6. If the vehicle is a HD, perform the following steps:
  7. Lubricate the 3 insulators where the muffler assembly hangers are inserted in order to ease installation.
  8. With the aid of an assistant, position and install the muffler assembly.
  9. Install the insulators (1-3) to the front, intermediate, and rear muffler assembly hangers.
  10. Notice: Refer to Fastener Notice in the Preface section.


    Object Number: 1708979  Size: SH
  11. Install the catalytic converter to exhaust muffler nuts.
  12. Tighten
    Tighten the nuts to 45 N·m (33 lb ft).


    Object Number: 665315  Size: SH
  13. Raise the rear axle using the adjustable jack stands, if necessary.
  14. Install the rear shock absorber lower bolts and nuts, if necessary.
  15. Tighten
    Tighten the bolts to 95 N·m (70 lb ft).


    Object Number: 695038  Size: SH
  16. If equipped with a 10.5 inch ring gear, install the rear axle vent hose to the rear axle, if necessary.
  17. Connect the vent hose swivel clip to the rear brake crossover pipe, if necessary.

  18. Object Number: 692548  Size: SH
  19. If equipped with a 8.6 or a 9.5 inch ring gear, install the rear axle vent hose to the rear axle, if necessary.
  20. Install the vent hose swivel clip to the rear brake crossover pipe, if necessary.
  21. Remove the adjustable jack stands from under the rear axle, if necessary.
  22. Install the spare tire, if necessary.
  23. Lower the vehicle.

Exhaust Muffler Replacement 2500/3500 - Cab/Chassis w/6.0L

Removal Procedure


    Object Number: 692548  Size: SH
  1. Raise and suitably support the vehicle. Refer to Lifting and Jacking the Vehicle .
  2. Remove the spare tire, if necessary.
  3. Install adjustable jack stands under the rear axle, if necessary.
  4. If equipped with a 8.6 or a 9.5 inch ring gear, remove the rear axle vent hose from the rear axle, if necessary.
  5. Remove the vent hose swivel clip from the rear brake crossover pipe, if necessary.

  6. Object Number: 695038  Size: SH
  7. If equipped with a 10.5 inch ring gear, remove the rear axle vent hose from the rear axle, if necessary.
  8. Remove the vent hose swivel clip from the rear brake crossover pipe, if necessary.

  9. Object Number: 665315  Size: SH
  10. Remove the rear shock absorber lower bolts and nuts, if necessary.
  11. Lower the rear axle using the adjustable jack stands, if necessary.

  12. Object Number: 1856230  Size: SH
  13. Remove the exhaust muffler to exhaust manifold pipe nuts (1).
  14. Loosen the exhaust muffler clamp (3).
  15. Remove the heated oxygen sensor (HO2S). Refer to Heated Oxygen Sensor Replacement - Bank 2 Sensor 2.

  16. Object Number: 1856704  Size: SH
  17. Lubricate the 4 insulators where the muffler assembly hangers are inserted in order to ease removal.
  18. With the aid of an assistant, remove the insulators (1-4) from the front, intermediate, and rear muffler assembly hangers and remove the muffler assembly.

Installation Procedure


    Object Number: 1856704  Size: SH
  1. Lubricate the 4 insulators where the muffler assembly hangers are inserted in order to ease installation.
  2. With the aid of an assistant, position and install the muffler assembly.
  3. Install the insulators (1-4) to the front, intermediate, and rear muffler assembly hangers.

  4. Object Number: 1856230  Size: SH
  5. Install the HO2S. Refer to Heated Oxygen Sensor Replacement - Bank 2 Sensor 2.
  6. Notice: Refer to Fastener Notice in the Preface section.

  7. Tighten the exhaust muffler clamp (3).
  8. Tighten
    Tighten the nuts to 47 N·m (35 lb ft).

  9. Install the exhaust muffler to exhaust manifold pipe nuts (1).
  10. Tighten
    Tighten the nuts to 45 N·m (33 lb ft).


    Object Number: 665315  Size: SH
  11. Raise the rear axle using the adjustable jack stands, if necessary.
  12. Install the rear shock absorber lower bolts and nuts, if necessary.
  13. Tighten
    Tighten the bolts to 95 N·m (70 lb ft).


    Object Number: 695038  Size: SH
  14. If equipped with a 10.5 inch ring gear, install the rear axle vent hose to the rear axle, if necessary.
  15. Connect the vent hose swivel clip to the rear brake crossover pipe, if necessary.

  16. Object Number: 692548  Size: SH
  17. If equipped with a 8.6 or a 9.5 inch ring gear, install the rear axle vent hose to the rear axle, if necessary.
  18. Install the vent hose swivel clip to the rear brake crossover pipe, if necessary.
  19. Remove the adjustable jack stands from under the rear axle, if necessary.
  20. Install the spare tire, if necessary.
  21. Lower the vehicle.

Exhaust Muffler Replacement 1500 Series w/6.2L

Removal Procedure


    Object Number: 692548  Size: SH
  1. Raise and suitably support the vehicle. Refer to Lifting and Jacking the Vehicle .
  2. Remove the spare tire, if necessary.
  3. Install adjustable jack stands under the rear axle, if necessary.
  4. If equipped with a 8.6 or a 9.5 inch ring gear, remove the rear axle vent hose from the rear axle, if necessary.
  5. Remove the vent hose swivel clip from the rear brake crossover pipe, if necessary.

  6. Object Number: 695038  Size: SH
  7. If equipped with a 10.5 inch ring gear, remove the rear axle vent hose from the rear axle, if necessary.
  8. Remove the vent hose swivel clip from the rear brake crossover pipe, if necessary.

  9. Object Number: 665315  Size: SH
  10. Remove the rear shock absorber lower bolts and nuts, if necessary.
  11. Lower the rear axle using the adjustable jack stands, if necessary.

  12. Object Number: 1708705  Size: SH
  13. Remove the catalytic converter to muffler nuts.

  14. Object Number: 1856810  Size: SH
  15. Lubricate the 5 insulators where the muffler assembly hangers are inserted in order to ease removal.
  16. With the aid of an assistant, remove the insulators (1-3) from the front, intermediate and rear muffler assembly hangers.

  17. Object Number: 1856812  Size: SH
  18. Remove the insulator (1) from the tail pipe hanger and remove the muffler assembly.

Installation Procedure


    Object Number: 1856812  Size: SH
  1. Lubricate the 5 insulators where the muffler assembly hangers are inserted in order to ease installation.
  2. With the aid of an assistant, position and install the muffler assembly.
  3. Install the insulator (1) to the rear tail pipe hanger.

  4. Object Number: 1856810  Size: SH
  5. Install the insulators (1-3) to the front, intermediate, and rear muffler assembly hangers.
  6. Notice: Refer to Fastener Notice in the Preface section.


    Object Number: 1708705  Size: SH
  7. Install the catalytic converter to muffler nuts.
  8. Tighten
    Tighten the nuts to 45 N·m (33 lb ft).


    Object Number: 665315  Size: SH
  9. Raise the rear axle using the adjustable jack stands, if necessary.
  10. Install the rear shock absorber lower bolts and nuts, if necessary.
  11. Tighten
    Tighten the bolts to 95 N·m (70 lb ft).


    Object Number: 695038  Size: SH
  12. If equipped with a 10.5 inch ring gear, install the rear axle vent hose to the rear axle, if necessary.
  13. Connect the vent hose swivel clip to the rear brake crossover pipe, if necessary.

  14. Object Number: 692548  Size: SH
  15. If equipped with a 8.6 or a 9.5 inch ring gear, install the rear axle vent hose to the rear axle, if necessary.
  16. Install the vent hose swivel clip to the rear brake crossover pipe, if necessary.
  17. Remove the adjustable jack stands from under the rear axle, if necessary.
  18. Install the spare tire, if necessary.
  19. Lower the vehicle.

Exhaust Muffler Replacement 6.6L

Removal Procedure


    Object Number: 1875701  Size: SH
  1. Raise and suitably support the vehicle. Refer to Lifting and Jacking the Vehicle .
  2. Remove the spare tire, if necessary.
  3. Install adjustable jack stands under the rear axle, if necessary.
  4. Remove the rear axle vent hose from the rear axle, if necessary.
  5. Remove the vent hose swivel clip from the rear brake crossover pipe, if necessary.

  6. Object Number: 665315  Size: SH
  7. Remove the rear shock absorbers lower bolts and nuts, if necessary.
  8. Lower the rear axle using the adjustable jack stands, if necessary.

  9. Object Number: 1875440  Size: SH
  10. Remove the exhaust muffler to exhaust particulate filter nuts (1).
  11. With the aid of an assistant, support the exhaust muffler.

  12. Object Number: 1875627  Size: SH
  13. Remove the exhaust muffler hangers from the exhaust insulators (1).

  14. Object Number: 1875628  Size: SH
  15. Remove the exhaust muffler. (2500/3500 crew cab shown, regular/extended cabs similar).
  16. Remove and discard the exhaust particulate filter to muffler gasket.

Installation Procedure


    Object Number: 1875628  Size: SH
  1. Install a NEW gasket onto the exhaust muffler studs.
  2. Install the exhaust muffler to the particulate filter.
  3. With the aid of an assistant, support the exhaust muffler.

  4. Object Number: 1875627  Size: SH
  5. Install the exhaust muffler hangers to the exhaust insulators (1).
  6. Notice: Refer to Fastener Notice in the Preface section.


    Object Number: 1875440  Size: SH
  7. Install the exhaust muffler to exhaust particulate filter nuts (1).
  8. Tighten
    Tighten the nuts to 45 N·m (33 lb ft).


    Object Number: 665315  Size: SH
  9. Raise the rear axle using the adjustable jack stands, if necessary.
  10. Install the rear shock absorbers lower bolts and nuts, if necessary.
  11. Tighten
    Tighten the bolts to 95 N·m (70 lb ft).


    Object Number: 1875701  Size: SH
  12. Install the rear axle vent hose to the rear axle, if necessary.
  13. Connect the vent hose swivel clip to the rear brake crossover pipe, if necessary.
  14. Remove the adjustable jack stands from under the rear axle, if necessary.
  15. Install the spare tire, if necessary.
  16. Lower the vehicle.