GM Service Manual Online
For 1990-2009 cars only
Makes
🢒
Chevrolet
🢒
2007
🢒
Silverado - 2WD
🢒
Diagnostic Navigation
🢒
Vehicle Diagnostic Information
🢒 OnStar Schematics
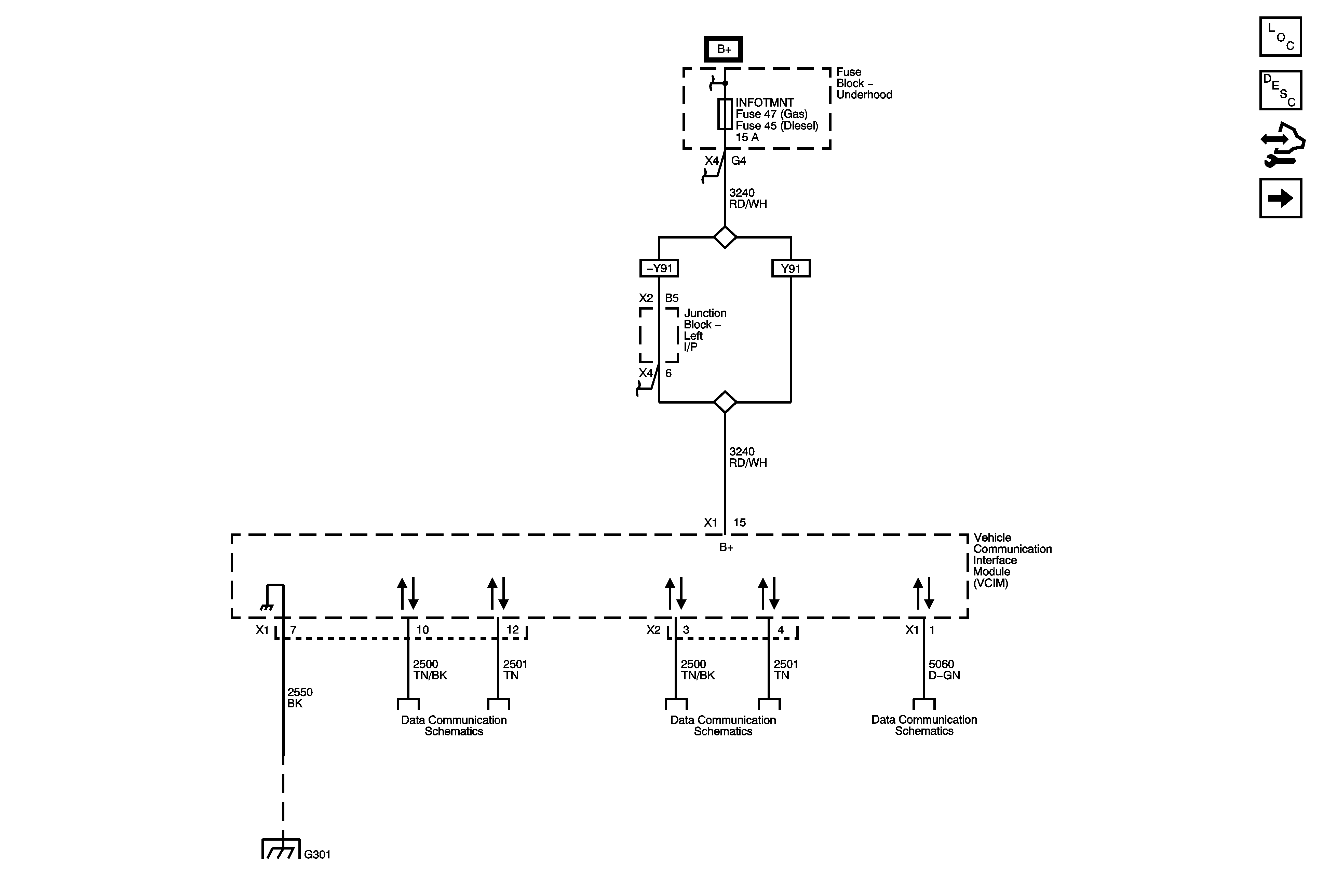
Figure
1:
Module Power, Ground and Serial Data
Master Electrical Component List
OnStar Description and Operation
Control Module References
Communication Signals and Controls
AMP, ELEC RUN BOARD, ESC/ALC EXH, EXP/PTO, INFOTMNT, and TREC Fuses
High Speed Bus - 1 of 3
High Speed Bus - 1 of 3
Low Speed Bus - 1 of 3
G301
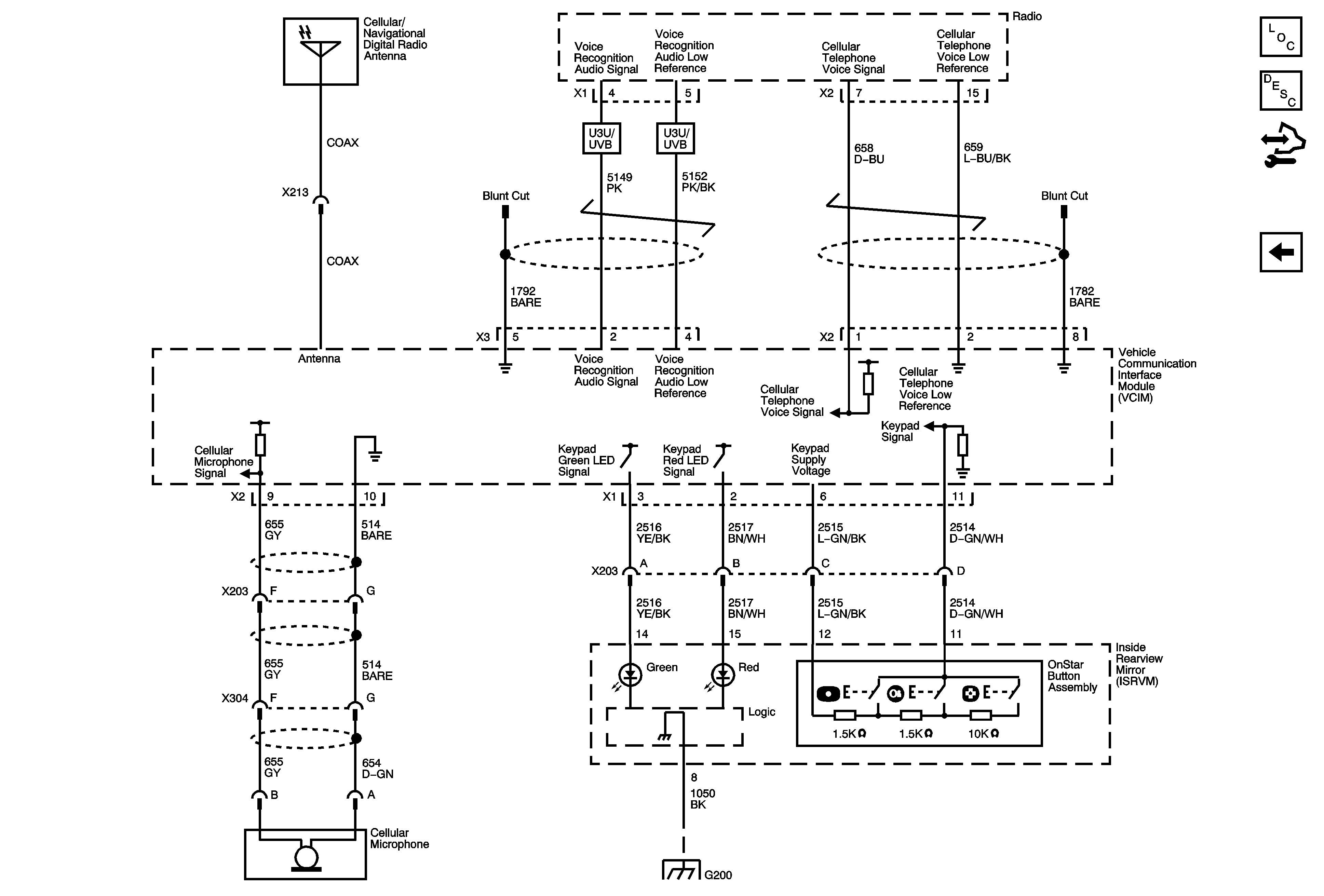
Figure
2:
Communication Signals and Controls
Master Electrical Component List
OnStar Description and Operation
Control Module References
Module Power, Ground and Serial Data
G200 1 of 2