GM Service Manual Online
For 1990-2009 cars only
Makes
🢒
Chevrolet
🢒
2007
🢒
Silverado - 2WD
🢒
Body Systems
🢒
Adjustable Pedals
🢒 Adjustable Pedal Schematics
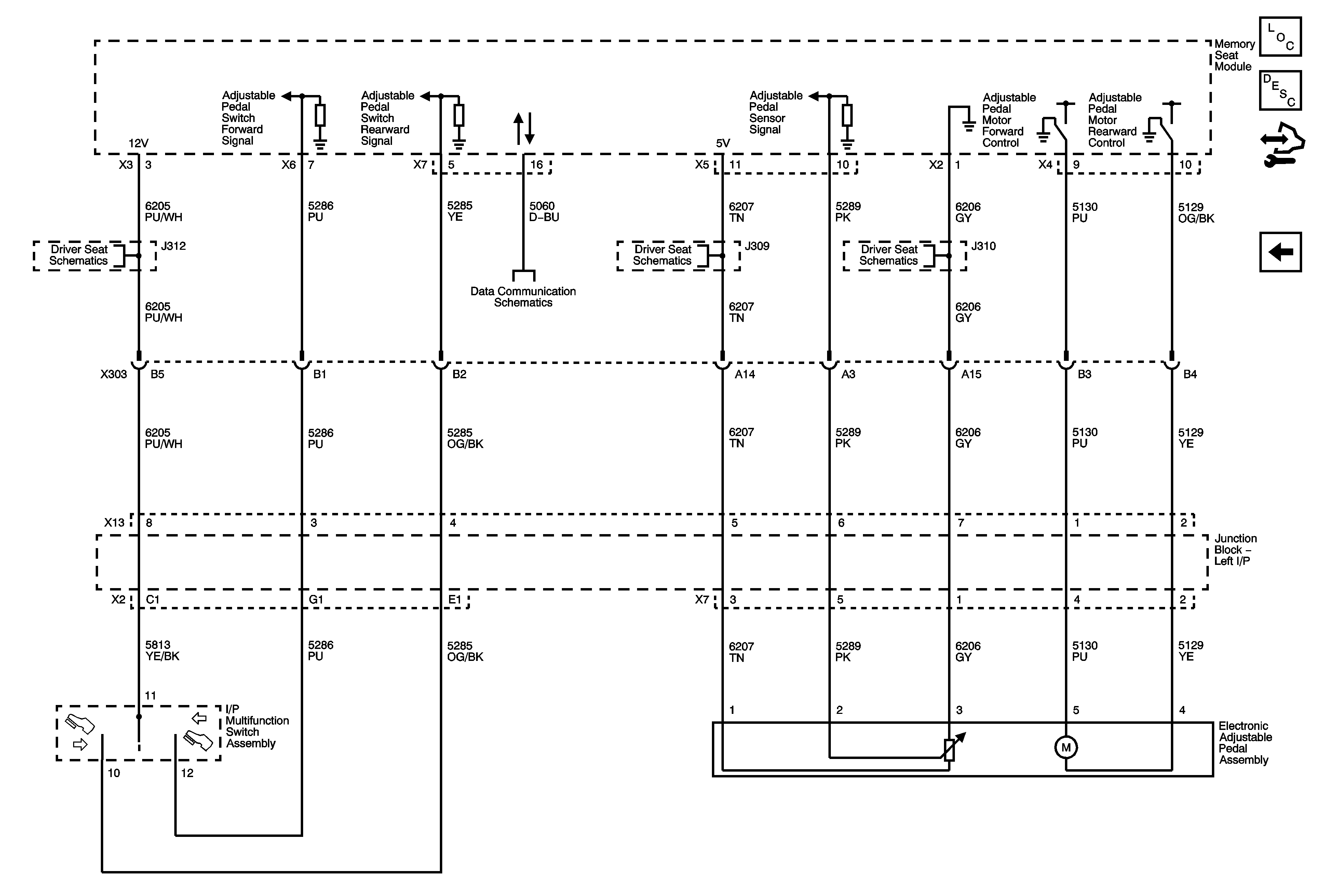
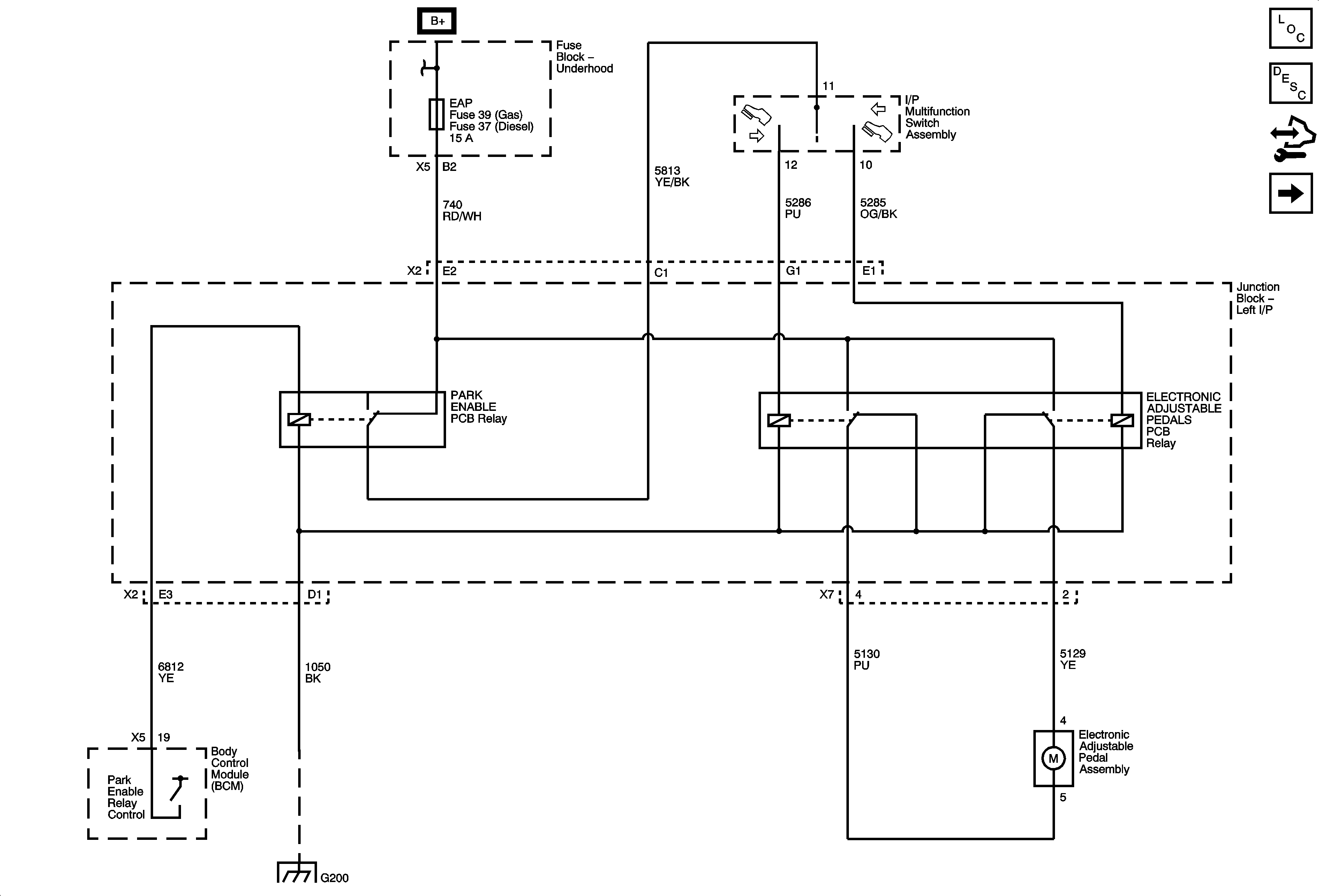
Figure
1:
-AN3
Master Electrical Component List
Adjustable Pedals Description and Operation (w/o Memory)
Control Module References
AN3
AIRBAG BATT, ALC COMP, EAP, LGM, SEO B1 and SEO B2 Fuses
G200 1 of 2
Figure
2:
AN3
Master Electrical Component List
Adjustable Pedals Description and Operation (with Memory)
Control Module References
-AN3
Seat Adjuster Switches (AN3)
Motors and Position Sensors (AN3)
Motors and Position Sensors (AN3)
Low Speed Bus - 3 of 3