GM Service Manual Online
For 1990-2009 cars only

Tools Required

    • J 44247 Internal Wiring Harness Installer
    • J 44257 Main Wiring Harness Connector Remover

Removal Procedure


    Object Number: 659284  Size: SH

    Caution: Unless directed otherwise, the ignition and start switch must be in the OFF or LOCK position, and all electrical loads must be OFF before servicing any electrical component. Disconnect the negative battery cable to prevent an electrical spark should a tool or equipment come in contact with an exposed electrical terminal. Failure to follow these precautions may result in personal injury and/or damage to the vehicle or its components.

  1. Disconnect the external wiring harness from the transmission main connector. Use J 44257 if the connector is not easily accessible.
  2. Remove the oil pan and transmission internal oil filter. Refer to Oil Pan Replacement.
  3. Important: The transmission main connector is actually one end of the internal harness that protrudes through the transmission case.


    Object Number: 659022  Size: SH
  4. Place a 30 mm (1 3/16 in) 12-point deep socket or box-end (2) over the connector (1).
  5. Push inward on the socket or wrench to release the retainer feet that attach the connector (1) to the transmission case.
  6. Remove the wrench. Push inward on the electrical connector to separate it from the transmission case. This allows the internal wiring harness to remain with the control valve assembly when removed.

  7. Object Number: 1633286  Size: SH
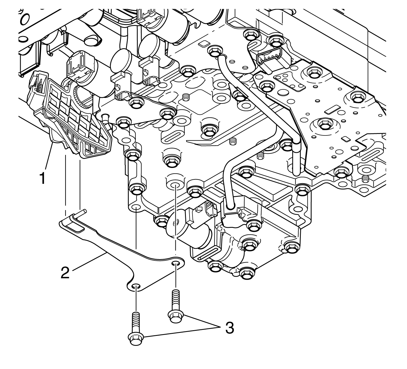
  8. Remove the 2 detent spring bolts (3). Remove the detent spring assembly (2).
  9. Disconnect the internal wiring harness from the detent lever/IMS assembly.

  10. Object Number: 1633290  Size: SH

    Important: As the control valve assembly is removed, be careful not to lose the manual selector valve pin or allow the manual selector valve to slide out of the control valve assembly.

  11. Remove 10 of the 11 bolts at locations marked (1) and 4 bolts at locations marked (2). Support the control valve assembly, about 10 pounds, and remove the last bolt marked (1).

  12. Object Number: 1633292  Size: SH
  13. Lower the control valve assembly (1) to clear the locating pins (2) in the transmission case.

  14. Object Number: 1633293  Size: SH
  15. Move the control valve assembly (4) sideways to disengage pin (1) in the manual selector valve (2) from the slot in detent lever (3). Remove the control valve assembly (4).

Installation Procedure


    Object Number: 1633294  Size: SH
  1. Move the control valve assembly (4) into position under the transmission case. Engage the pin (1) in the manual selector valve (2) into the slot in the detent lever (3).

  2. Object Number: 1633292  Size: SH
  3. Align control valve assembly (1) with the locating pins (2) in the transmission case. Seat the control valve assembly against the transmission case and hold the position.

  4. Object Number: 1633290  Size: SH
  5. Install one bolt marked (1) to hold the control valve assembly in place.
  6. Notice: Use the correct fastener in the correct location. Replacement fasteners must be the correct part number for that application. Fasteners requiring replacement or fasteners requiring the use of thread locking compound or sealant are identified in the service procedure. Do not use paints, lubricants, or corrosion inhibitors on fasteners or fastener joint surfaces unless specified. These coatings affect fastener torque and joint clamping force and may damage the fastener. Use the correct tightening sequence and specifications when installing fasteners in order to avoid damage to parts and systems.

  7. Reinstall the remaining 10 bolts marked (1) and 4 bolts marked (2) that fasten the control valve assembly to the transmission case.
  8. Tighten
    Tighten the bolts to 12 N·m (108 lb in).


    Object Number: 1633296  Size: SH
  9. Push the transmission main connector outward through the hole in the transmission case until the retaining feet on the connector are nearing the locked position.

  10. Object Number: 1633298  Size: SH
  11. Use the J 44247 to complete the seating of the retaining feet that lock the connector (1) into the transmission case.

  12. Object Number: 1633286  Size: SH
  13. Install the detent spring assembly (2) onto the control valve assembly. Confirm that the roller of the detent spring assembly rests on the detent lever (1).
  14. Attach the IMS connector on the internal harness to the IMS.
  15. Install 2 detent spring bolts (3).
  16. Tighten
    Tighten the bolts to 12 N·m (108 lb in).

  17. Install the oil pan and transmission internal oil filter. Refer to Oil Pan Replacement.
  18. Connect the external wiring harness to the transmission main connector.
  19. Important: The FastLearn, adapt, procedure must be performed. This can be done in 1 step using a scan tool. If this procedure is not done, the TCM adaptive values will be at the settings that it learned for the old components and will be in slow adaptive mode. Under these conditions, it will take an unacceptably long time for the adaptive values to converge to levels suitable for the new transmission.

  20. Perform the FastLearn procedure. Refer to FastLearn Procedure.