Important: Individual pressure switches cannot be replaced. When any pressure switch needs replacing, the entire assembly must be replaced.
Important: The modulated main pressure (MAIN MOD) solenoid has been removed for clarity.
Caution: Unless directed otherwise, the ignition and start switch must be in the OFF or LOCK position, and all electrical loads must be OFF before servicing any electrical component. Disconnect the negative battery cable to prevent an electrical spark should a tool or equipment come in contact with an exposed electrical terminal. Failure to follow these precautions may result in personal injury and/or damage to the vehicle or its components.
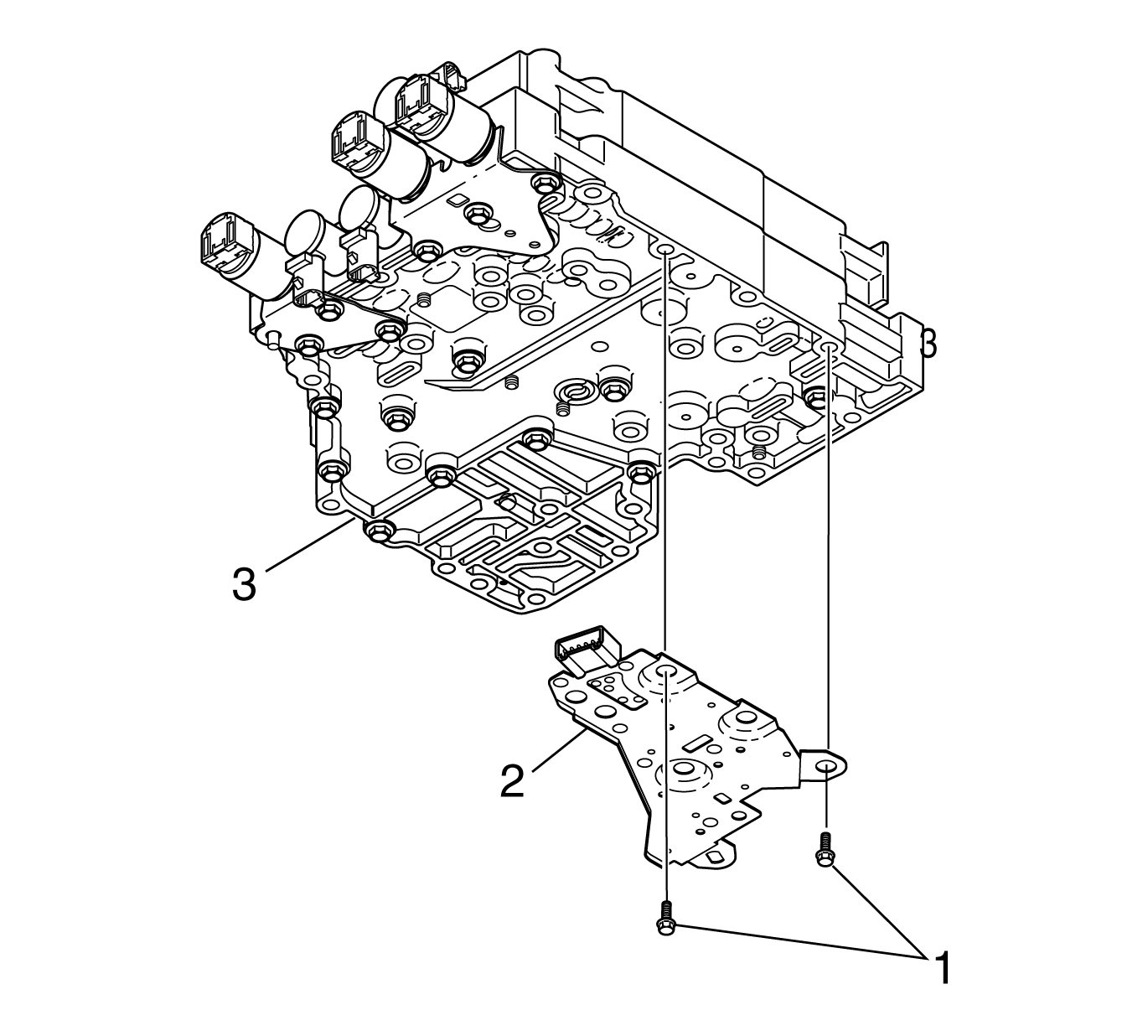
Notice: Use the correct fastener in the correct location. Replacement fasteners must be the correct part number for that application. Fasteners requiring replacement or fasteners requiring the use of thread locking compound or sealant are identified in the service procedure. Do not use paints, lubricants, or corrosion inhibitors on fasteners or fastener joint surfaces unless specified. These coatings affect fastener torque and joint clamping force and may damage the fastener. Use the correct tightening sequence and specifications when installing fasteners in order to avoid damage to parts and systems.
Tighten
Torque the bolts to 12 N·m (108 lb in).
Important: The FastLearn, adapt, procedure must be performed. This can be done in 1 step using a scan tool. If this procedure is not done, the TCM adaptive values will be at the settings that it learned for the old components and will be in slow adaptive mode. Under these conditions, it will take an unacceptably long time for the adaptive values to converge to levels suitable for the new transmission.