GM Service Manual Online
For 1990-2009 cars only

Power Steering Gear Inlet Pipe/Hose Replacement Gas Without Hydroboost


Object Number: 1737928  Size: SF

Callout

Component Name

Preliminary Procedure

Remove the engine shield. Refer to Engine Shield Replacement.

1

Power Steering Gear Inlet Hose Fitting

Notice: Refer to Fastener Notice in the Preface section.

Procedure

  1. Remove as much power steering fluid from the power steering fluid reservoir as possible.
  2. Place drain pans under the vehicle as needed.

Tighten
32 N·m (24 lb ft)

2

Power Steering Gear Inlet Hose Retaining Plate Bolt

Tighten
12 N·m (106 lb in)

3

Power Steering Gear Inlet Hose

Notice: Refer to Power Steering Hose Disconnected Notice in the Preface section.

Procedure

  1. Use the remover/installer J 44586 to replace the steering gear seals if necessary.
  2. Fill and bleed the power steering system. Refer to Power Steering System Bleeding.

Tip

    • Note the routing of the power steering gear inlet hose to ensure proper installation.
    • Keep all open connections in the power steering system clean and free of debris.

Special Tools

J 44586 Power Steering Gear Oil Seal Remover/Installer

Power Steering Gear Inlet Pipe/Hose Replacement Gas With Hydroboost

Removal Procedure

  1. Install drain pans under the vehicle as needed.

  2. Object Number: 1861488  Size: SH

    Notice: Do not start the vehicle with any power steering gear inlet or outlet hoses disconnected. When disconnected, plug or cap all openings of components. Failure to do so could result in contamination or loss of power steering fluid and damage to the system.

    Important: Note the routing of the power steering gear inlet hose before removal. It MUST be routed correctly upon installation.

  3. Remove the power steering gear inlet hose (2) from the power brake booster (1).
  4. Remove the power steering gear inlet hose (2) from the power steering gear.
  5. Remove the power steering gear inlet hose (2) from the vehicle.

Installation Procedure

    Notice: The inlet and outlet hoses must not be twisted during installation. Do not bend or distort the inlet or outlet hoses to make installation easier. Failure to follow these procedures could result in component damage.


    Object Number: 1861488  Size: SH

    Important: The power steering gear inlet hose cannot be routed between the brake lines and the power brake booster during installation.

  1. Route the power steering gear inlet hose in the same position it was in prior to removal.
  2. Install the power steering gear inlet hose (2) to the power brake booster (1) and hand tighten only. Rotate the power steering gear inlet hose clockwise until the it contacts the power brake booster housing and then hold it in position while tightening it to the fitting specification.
  3. Notice: Refer to Fastener Notice in the Preface section.

  4. Install the power steering gear inlet hose (2) to the power steering gear.
  5. Tighten
    Tighten the fittings to 32 N·m (24 lb ft).

  6. Clean any excess fluid from the vehicle and remove the drain pans.
  7. Fill and bleed the power steering system. Refer to Power Steering System Bleeding.

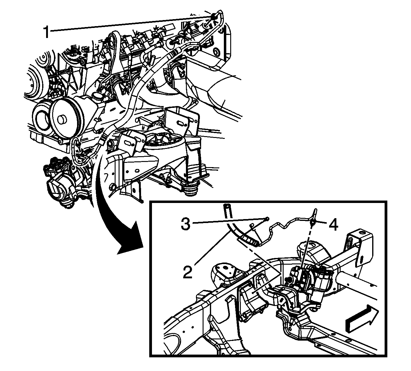
Power Steering Gear Inlet Pipe/Hose Replacement Diesel

Removal Procedure

  1. Place drain pans under the vehicle as needed.

  2. Object Number: 1891219  Size: SH
  3. Disconnect the power steering gear inlet hose (1) from the power brake booster.
  4. Remove the power steering gear inlet hose clip bolt (3).
  5. Disconnect the power steering gear inlet hose (4) from the steering gear.
  6. Remove the power steering gear inlet hose (2) from the vehicle.

Installation Procedure

    Notice: Refer to Fastener Notice in the Preface section.


    Object Number: 1891219  Size: SH
  1. Install the power steering gear inlet hose (2) to the vehicle.
  2. Connect the power steering gear inlet hose (4) to the steering gear.
  3. Tighten
    Tighten the fitting to 32 N·m (24 lb ft).

  4. Install the power steering gear inlet hose clip bolt (3).
  5. Tighten
    Tighten the bolt to 12 N·m (106 lb in).

  6. Connect the power steering gear inlet hose (1) to the power brake booster.
  7. Tighten
    Tighten the fitting to 32 N·m (24 lb ft).

  8. Clean any excess power steering fluid from the vehicle and remove the drain pans.
  9. Fill and bleed the power steering system. Refer to Power Steering System Bleeding.