GM Service Manual Online
For 1990-2009 cars only

Object Number: 1809056  Size: MF

Callout

Component Name

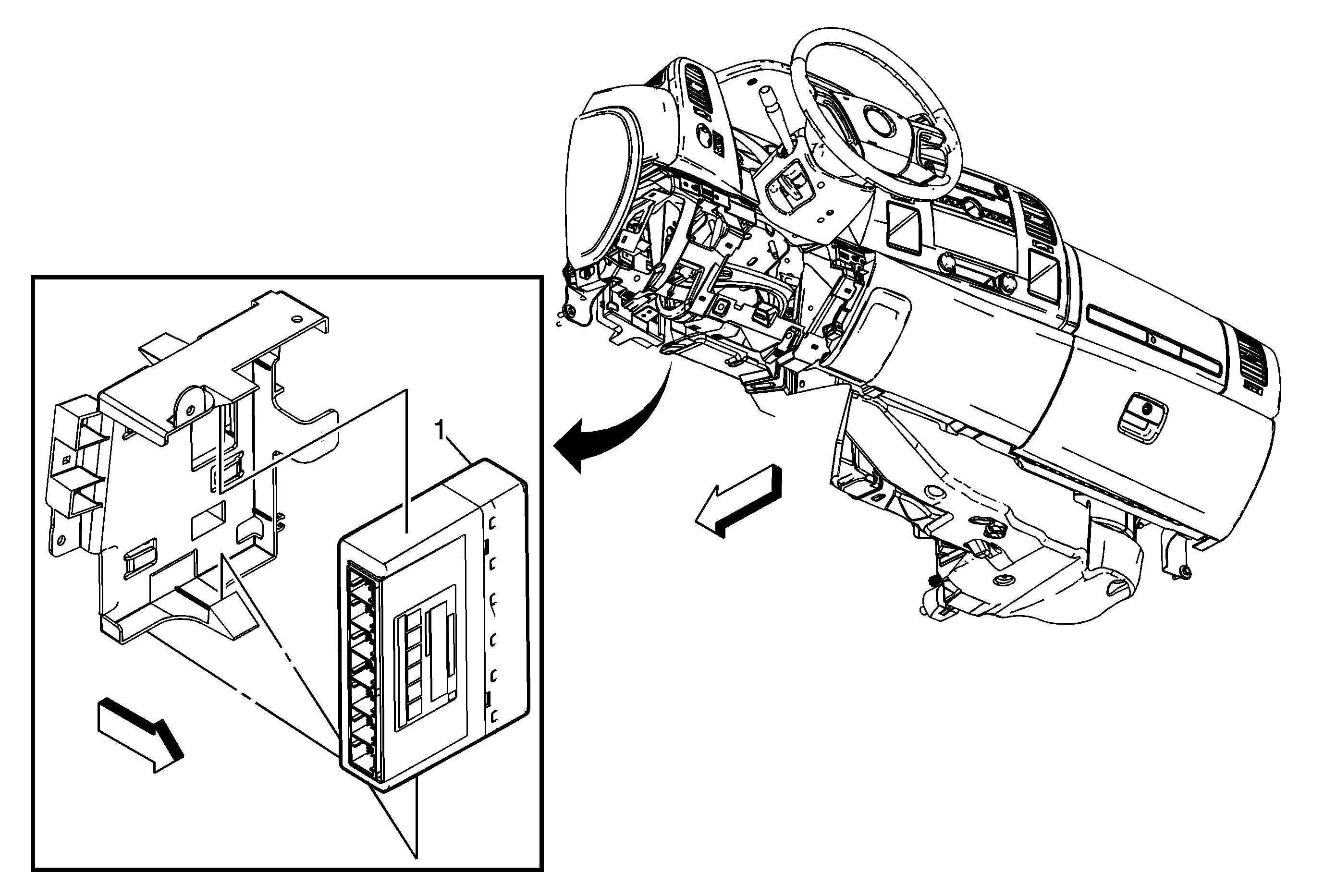
Preliminary Procedure

Remove the knee bolster. Refer to Knee Bolster Replacement

1

Body Control Module

Tip

  1. Remove the BCM cover.
  2. Disconnect the electrical connectors.
  3. Press on the tabs to release the body control module.
  4. If a replacement module is installed, program the module. Refer to Control Module References .