GM Service Manual Online
For 1990-2009 cars only
Makes
🢒
Chevrolet
🢒
2007
🢒
Silverado - 2WD
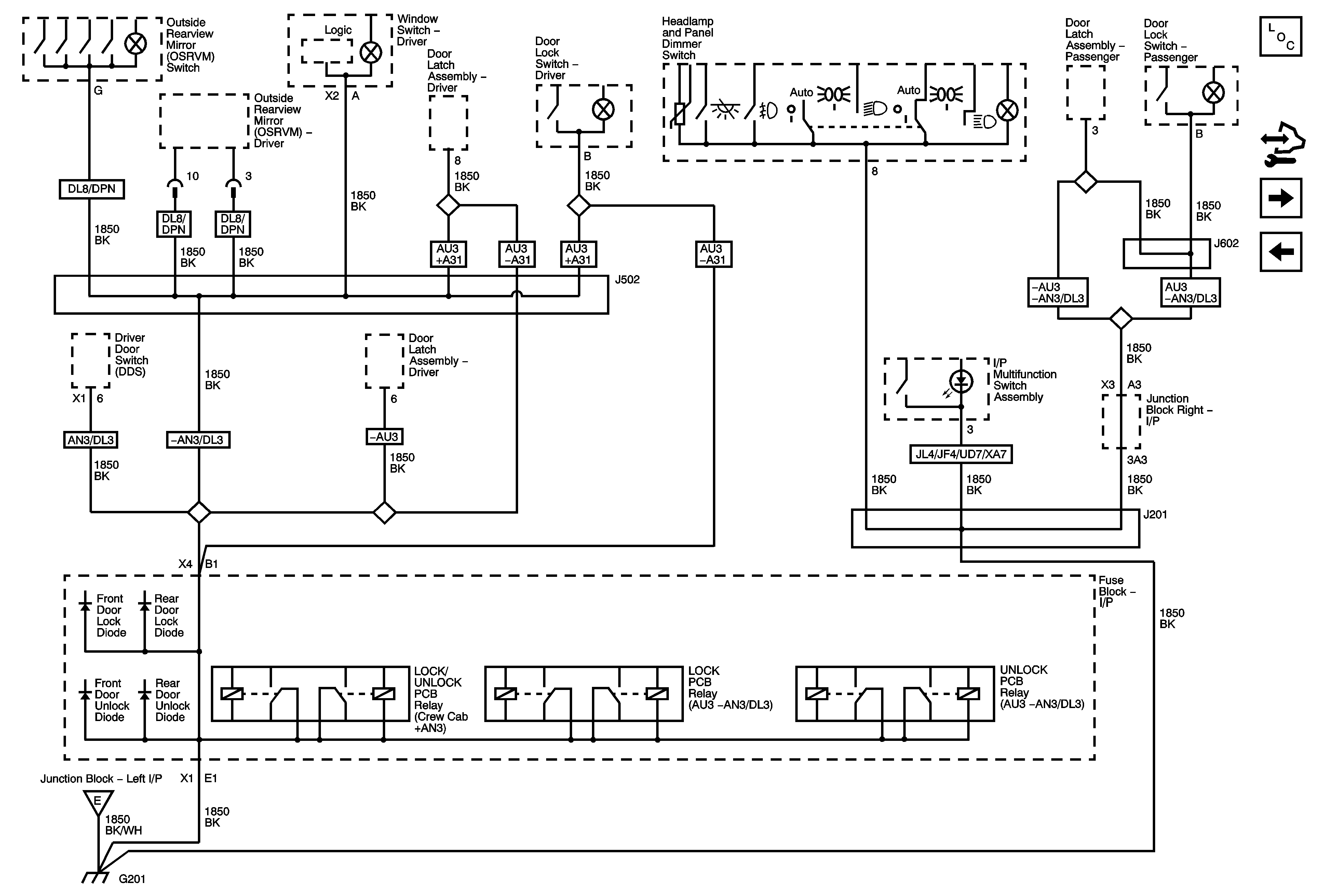
🢒 G201 1 of 2
G201 1 of 2
G201 1 of 2
Master Electrical Component List
Control Module References
G201 2 of 2
G200 2 of 2
G201 2 of 2