GM Service Manual Online
For 1990-2009 cars only
Makes
🢒
Chevrolet
🢒
2007
🢒
Silverado - 2WD
🢒 G300
G300
G300
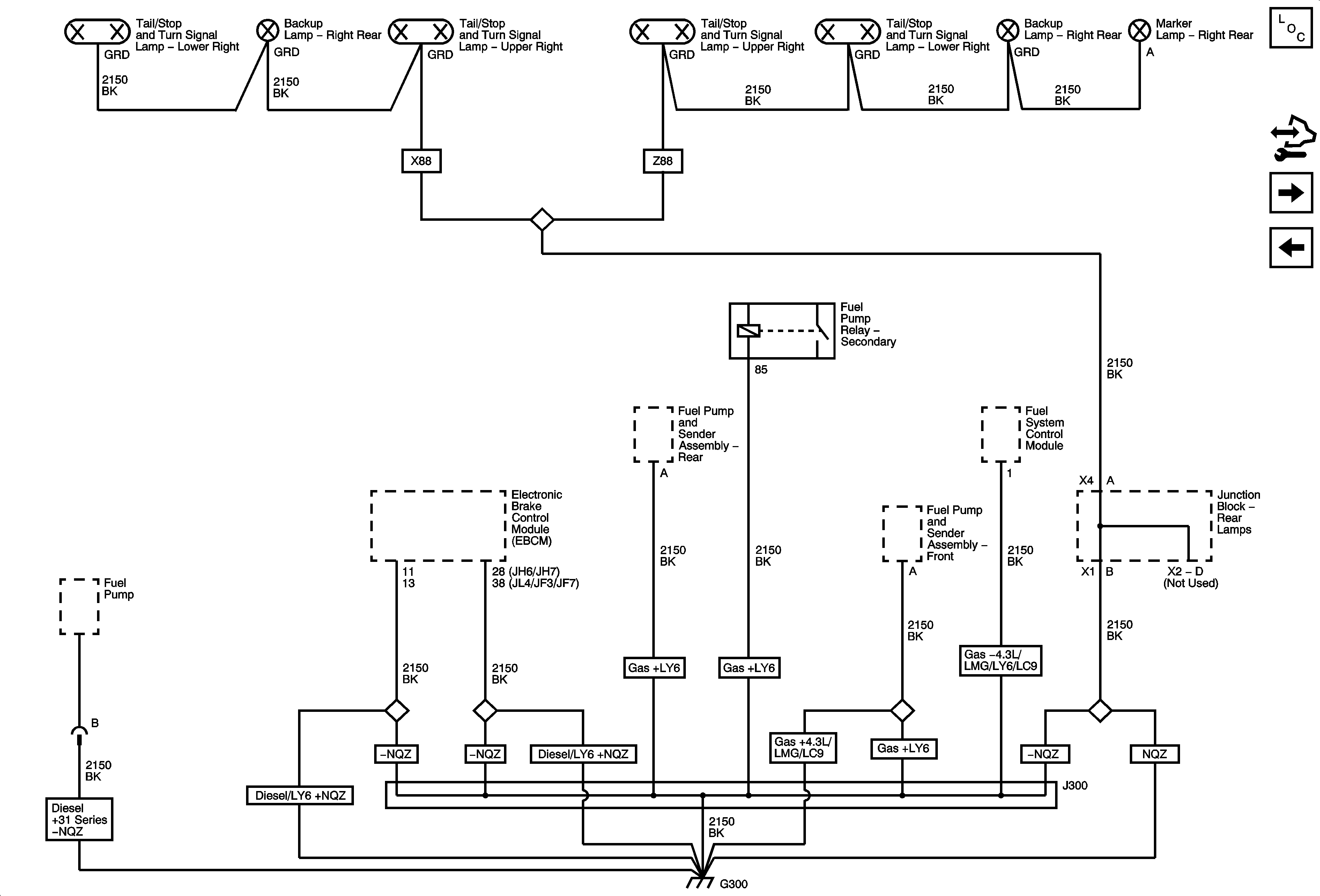
Master Electrical Component List
Control Module References
G301
G201 2 of 2