GM Service Manual Online
For 1990-2009 cars only
Makes
🢒
Chevrolet
🢒
2007
🢒
Silverado - 2WD
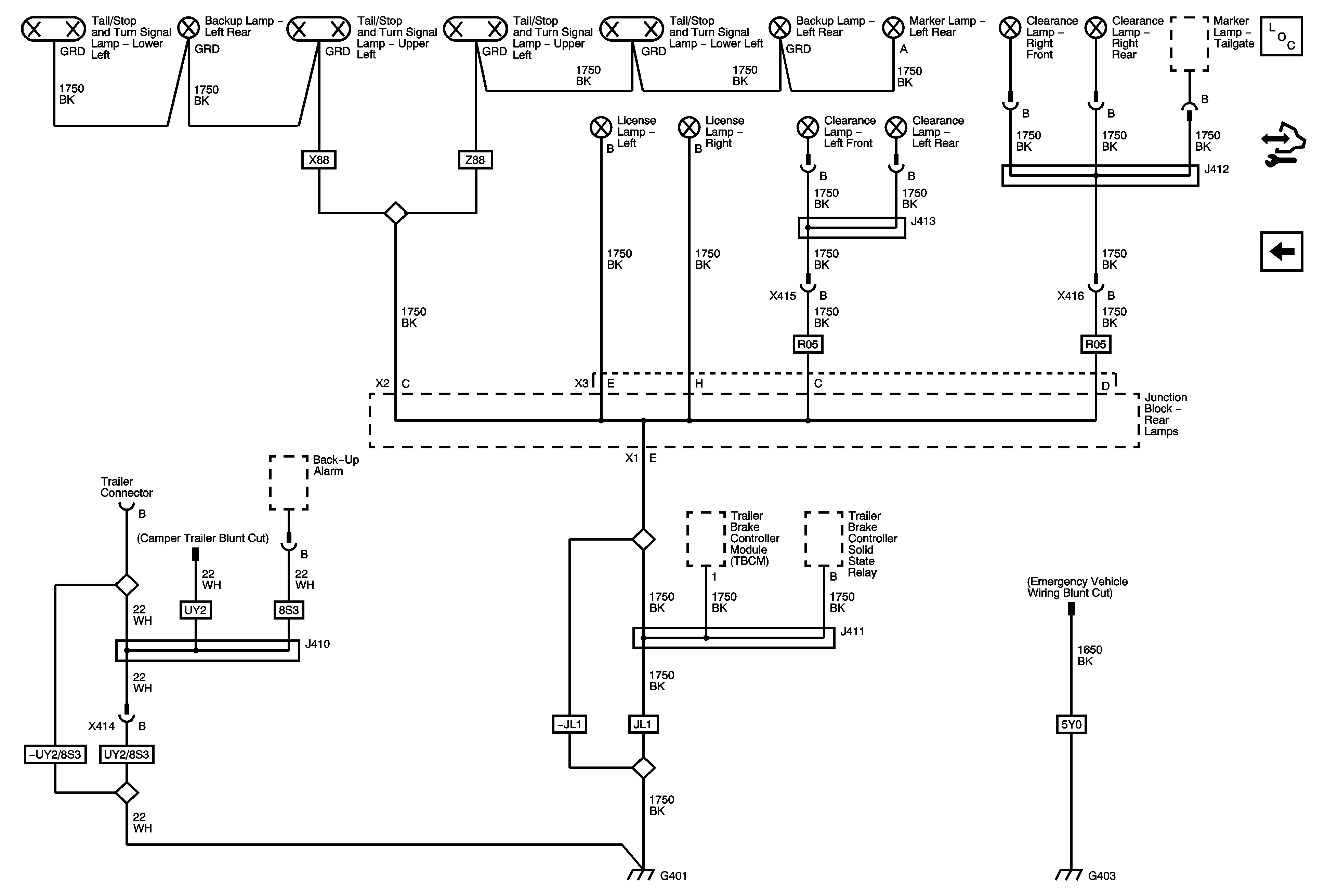
🢒 G401 and G403
G401 and G403
G401 and G403
Master Electrical Component List
Control Module References
G303, G304, G305 and G307