GM Service Manual Online
For 1990-2009 cars only
Makes
🢒
Chevrolet
🢒
2007
🢒
Silverado - 2WD
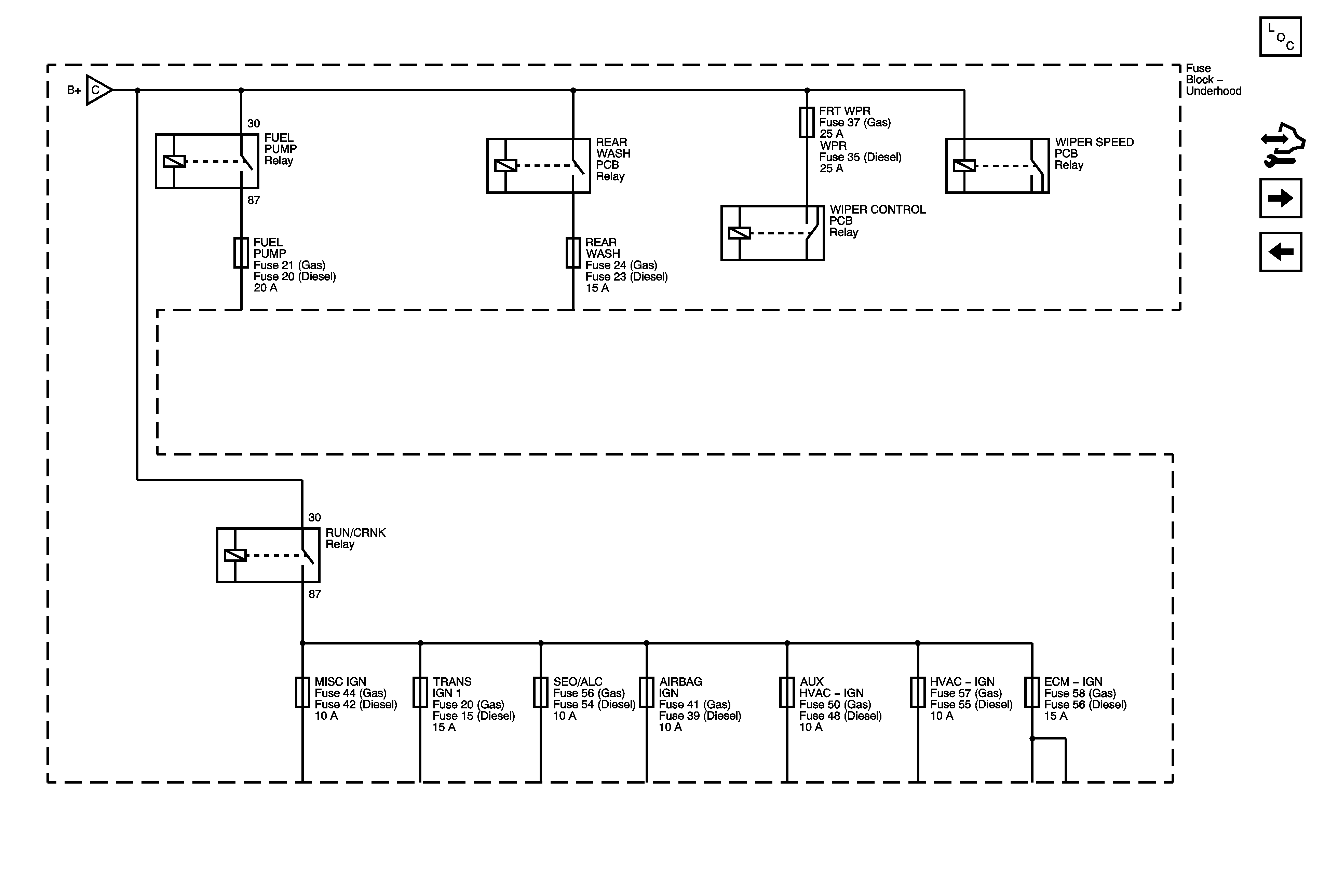
🢒 B+ Bus - 3 of 3
B+ Bus - 3 of 3
B+ Bus - 3 of 3
Master Electrical Component List
Control Module References
AUX PWR, AUX PWR 2, LBEC 1, PDM and REAR WPR Fuses
B+ Bus - 2 of 3
B+ Bus - 2 of 3