GM Service Manual Online
For 1990-2009 cars only
Makes
🢒
Chevrolet
🢒
2007
🢒
Silverado - 2WD
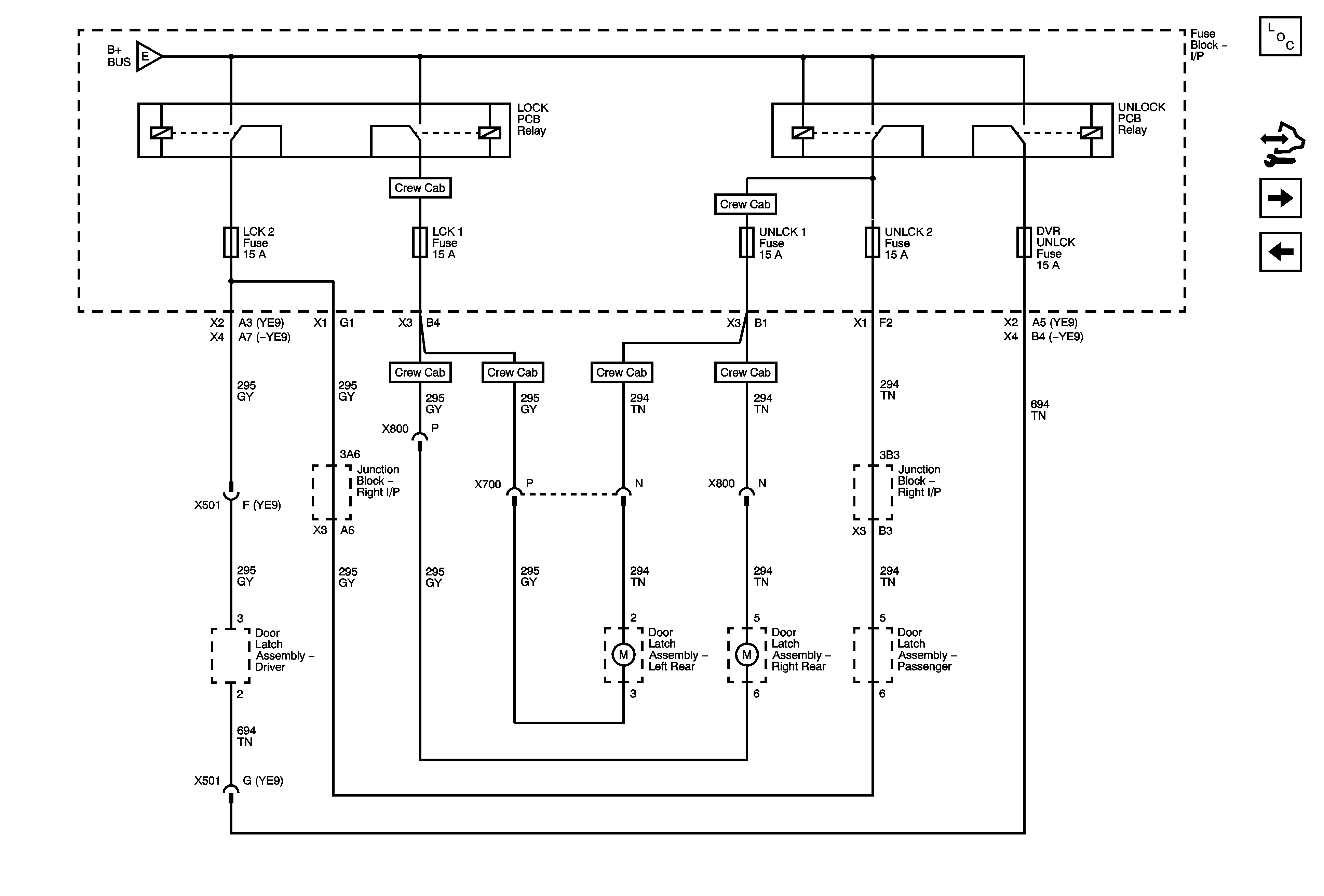
🢒 DVR UNLCK, LCK 1, LCK 2, UNLCK 1 and UNLCK 2 Fuses AU3 -AN3/DL3
DVR UNLCK, LCK 1, LCK 2, UNLCK 1 and UNLCK 2 Fuses AU3 -AN3/DL3
DVR UNLCK, LCK 1, LCK 2, UNLCK 1 and UNLCK 2 Fuses (AU3 -AN3/DL3)
Master Electrical Component List
Control Module References
BCM, COOLED SEATS, CTSY, DDM, DIM, DSM, LBEC 2, PWR MIR, REAR HVAC and RT STOP TRN Fuses
LCK 1 and UNLCK 1 Fuses Crew Cab +AN3
IS LPS, LT STOP TRN, OBS DET, REAR SEAT and STOP LAMPS Fuses, LT DR Circuit Breaker