GM Service Manual Online
For 1990-2009 cars only
Makes
🢒
Chevrolet
🢒
2007
🢒
Silverado - 2WD
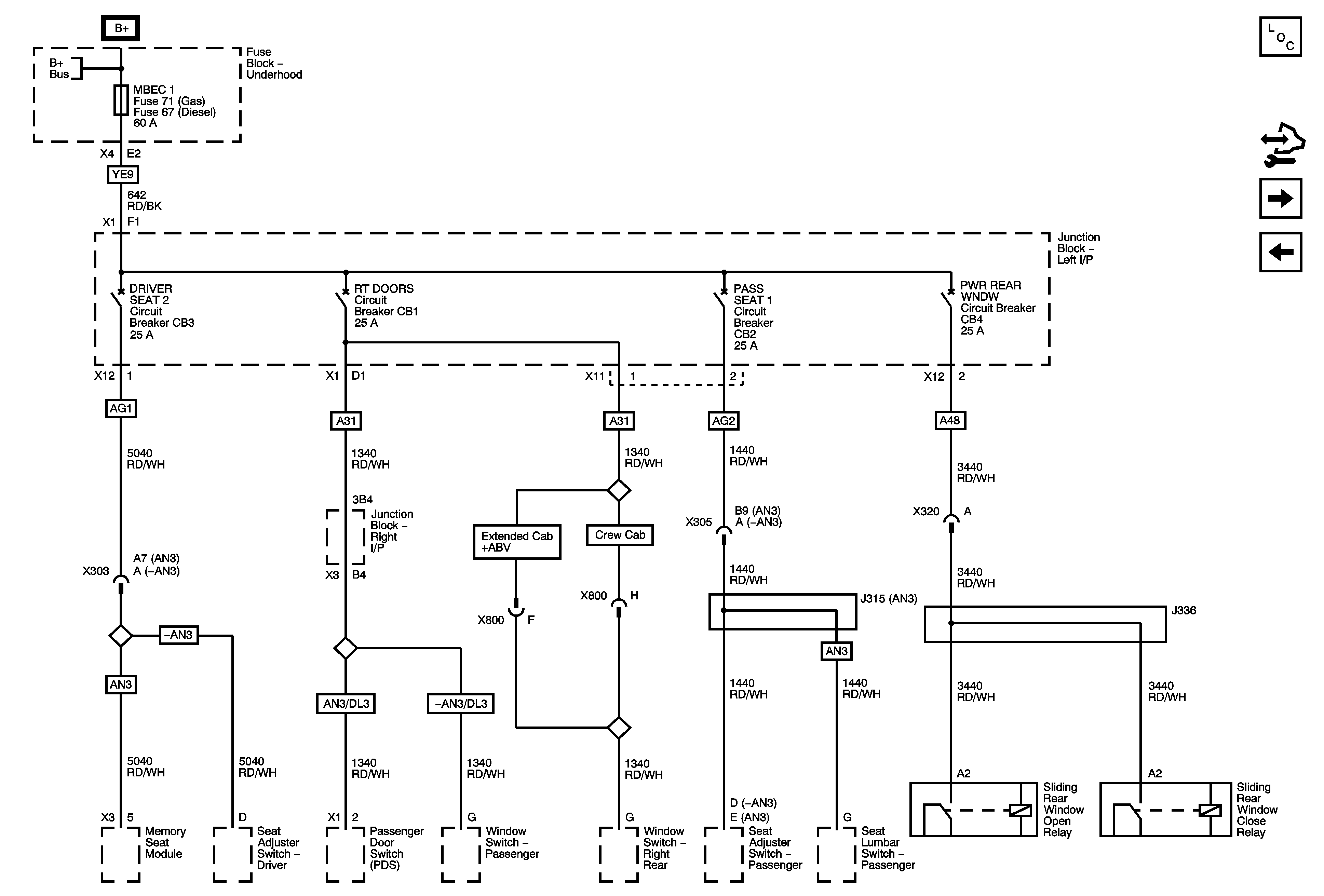
🢒 MBEC 1 Fuse and DRIVER SEAT 2, PASS SEAT 1, PWR REAR WNDW and RT DOORS Circuit Breakers
MBEC 1 Fuse and DRIVER SEAT 2, PASS SEAT 1, PWR REAR WNDW and RT DOORS Circuit Breakers
MBEC1 Fuse, DRIVER SEAT 2, PASS SEAT 1, PWR REAR WNDW and RT DOORS Circuit Breakers
Master Electrical Component List
Control Module References
ECM-BATT, HDLP WASH, HVAC BATT, IPC, LTR, S/ROOF and TCM-BATT Fuses
BCM, COOLED SEATS, CTSY, DDM, DIM, DSM, LBEC 2, PWR MIR, REAR HVAC and RT STOP TRN Fuses
B+ Bus - 1 of 3