GM Service Manual Online
For 1990-2009 cars only
Makes
🢒
Chevrolet
🢒
2007
🢒
Silverado - 2WD
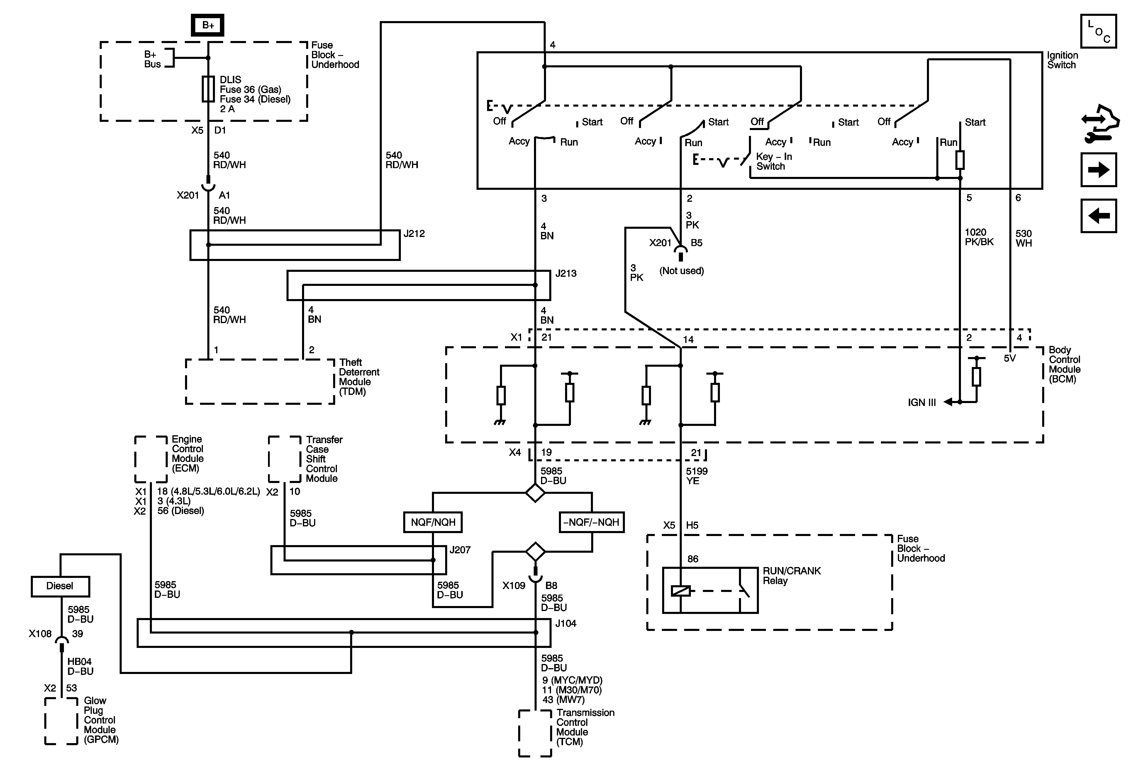
🢒 DLIS Fuse and Ignition Switch
DLIS Fuse and Ignition Switch
DLIS Fuse and Ignition Switch
Master Electrical Component List
Control Module References
PWR/TRN BUS - ECM/THROT CONT and ENG Fuses
AIRBAG BATT, ALC COMP, EAP, LGM, SEO B1 and SEO B2 Fuses
B+ Bus - 1 of 3