GM Service Manual Online
For 1990-2009 cars only
Makes
🢒
Chevrolet
🢒
2007
🢒
Silverado - 2WD
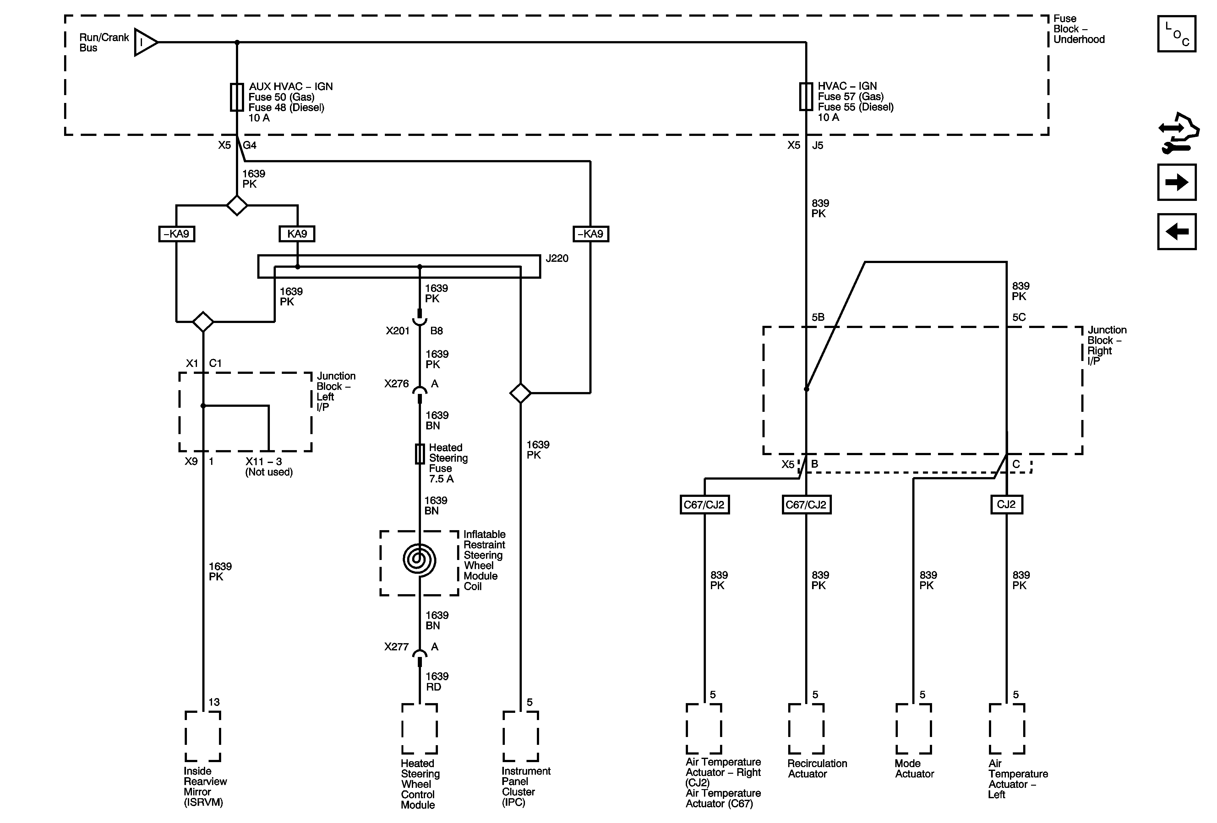
🢒 RUN/CRANK BUS - AUX HVAC- IGN and HVAC-IGN Fuses
RUN/CRANK BUS - AUX HVAC- IGN and HVAC-IGN Fuses
RUN/CRANK BUS - AUX HVAC-IGN and HVAC-IGN Fuses
Master Electrical Component List
Control Module References
CHMSL, TRLR BCK/UP, TRLR STOP LT, TRLR STOP RT and VEH BCK/UP Fuses
RUN/CRANK BUS - ECM-IGN and TRANS IGN 1 Fuses
RUN/CRANK BUS - ECM-IGN and TRANS IGN 1 Fuses