GM Service Manual Online
For 1990-2009 cars only
Makes
🢒
Chevrolet
🢒
2007
🢒
Silverado - 2WD
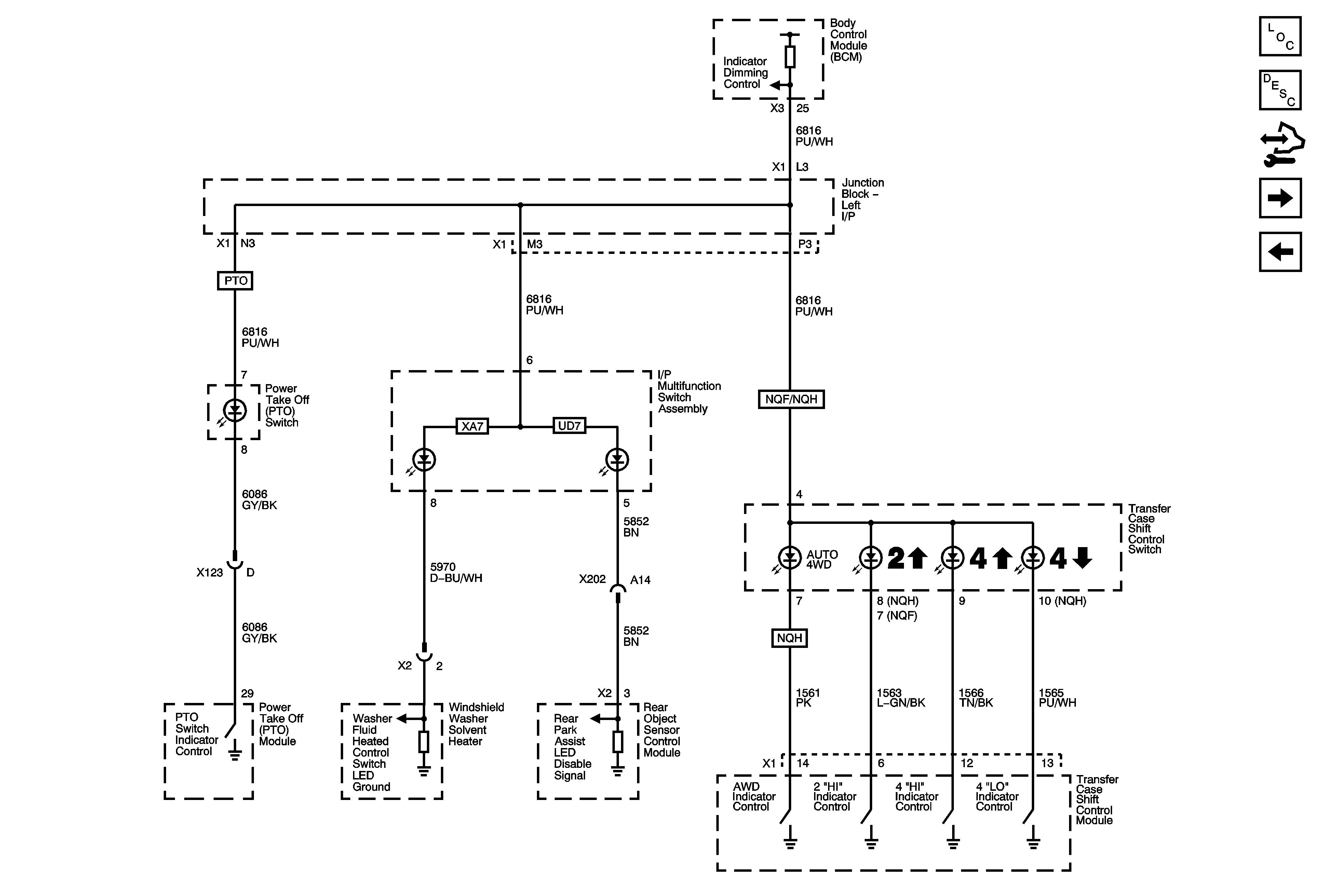
🢒 LED Dimming 3 of 3
LED Dimming 3 of 3
LED Dimming 3 of 3
Master Electrical Component List
Interior Lighting Systems Description and Operation
Control Module References
I/P Bulb Dimming 1 of 2
LED Dimming 2 of 3