GM Service Manual Online
For 1990-2009 cars only
Makes
🢒
Chevrolet
🢒
2007
🢒
Silverado - 2WD
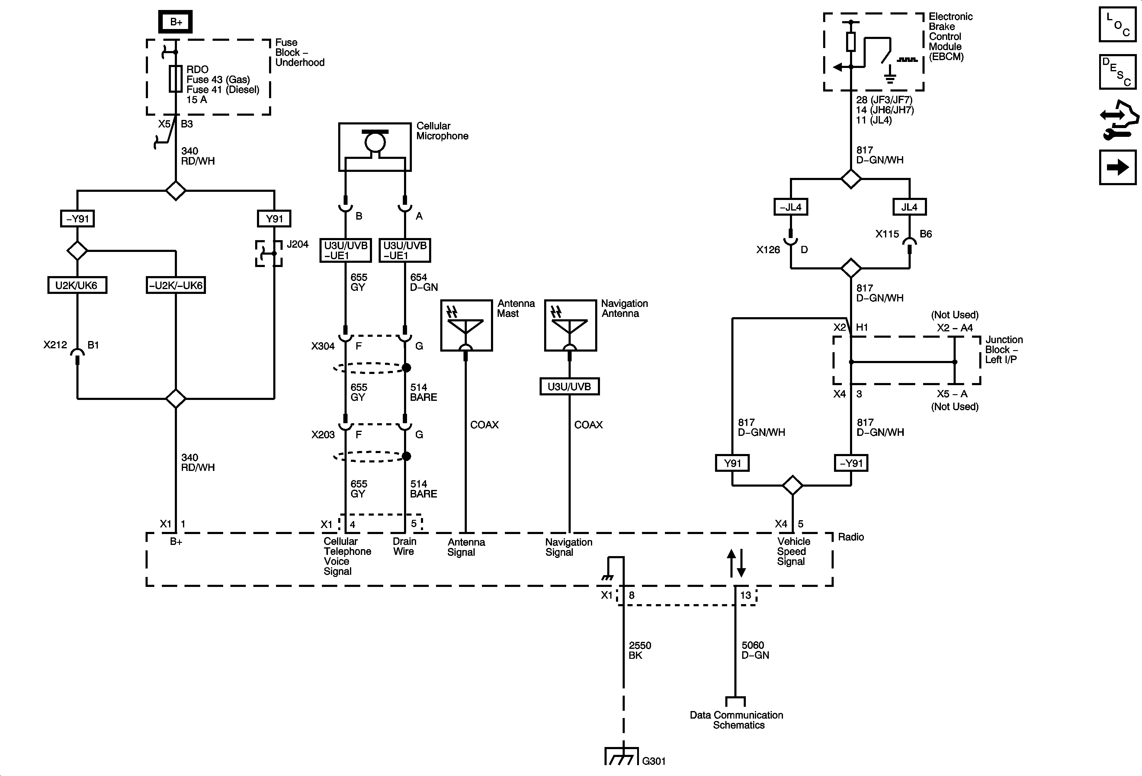
🢒 Radio Power, Ground and Serial Data
Radio Power, Ground and Serial Data
Radio Power, Ground and Serial Data
Master Electrical Component List
Radio/Audio System Description and Operation
Control Module References
Amplifier (UQA) and Rear Seat Audio (UK6) Power, Ground and Serial Data
FSCM, ITBC and RDO Fuses
G301
Low Speed Bus - 1 of 3