GM Service Manual Online
For 1990-2009 cars only
Makes
🢒
Chevrolet
🢒
2007
🢒
Silverado - 2WD
🢒 SPO Theft
SPO Theft
SPO Theft
Master Electrical Component List
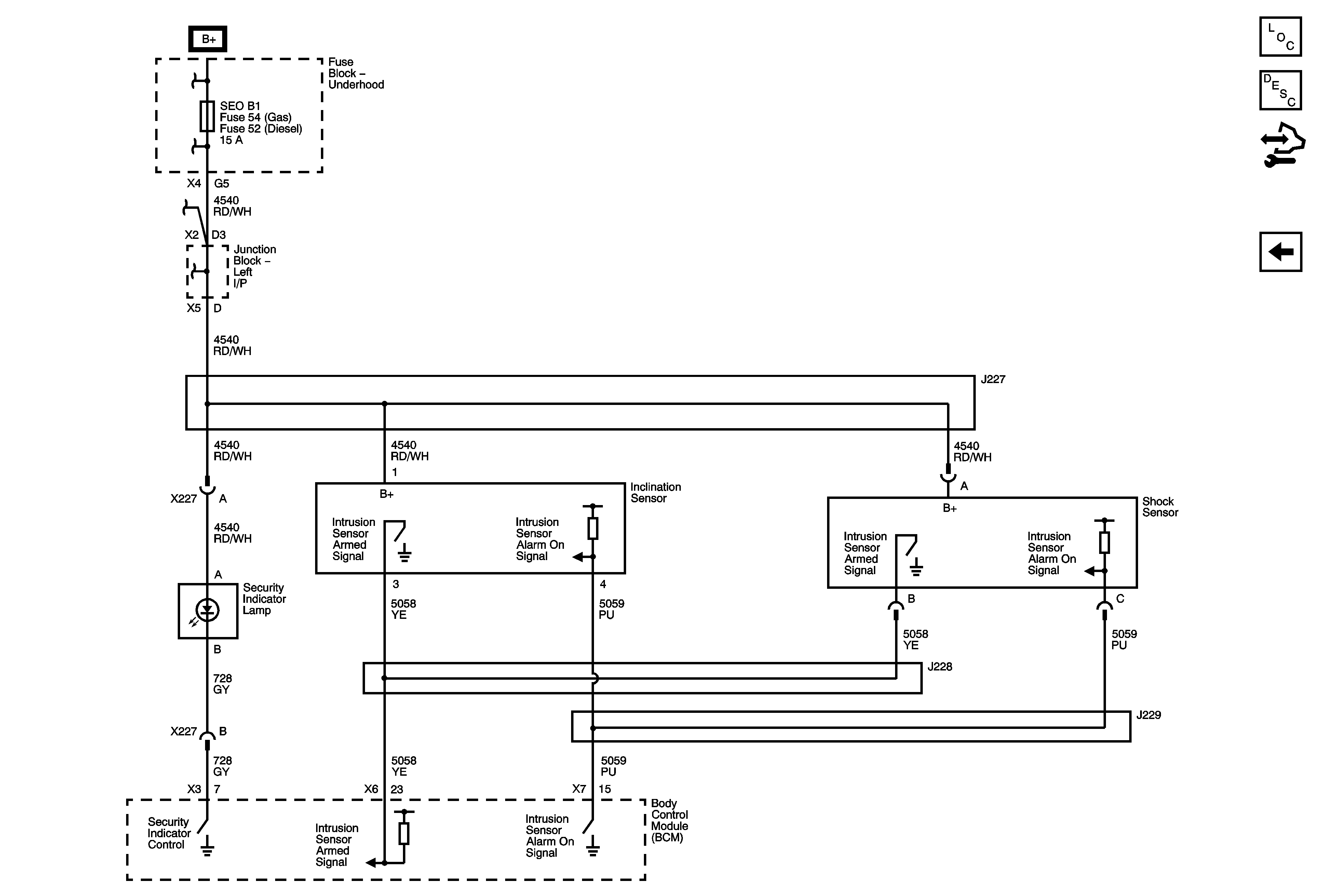
Content Theft Deterrent (CTD) Description and Operation
Control Module References
Content Theft Defferent
AIRBAG BATT, ALC COMP, EAP, LGM, SEO B1 and SEO B2 Fuses