GM Service Manual Online
For 1990-2009 cars only
Makes
🢒
Chevrolet
🢒
2008
🢒
Silverado - 2WD
🢒
Diagnostic Navigation
🢒
Vehicle Diagnostic Information
🢒 Door Lock/Indicator Schematics
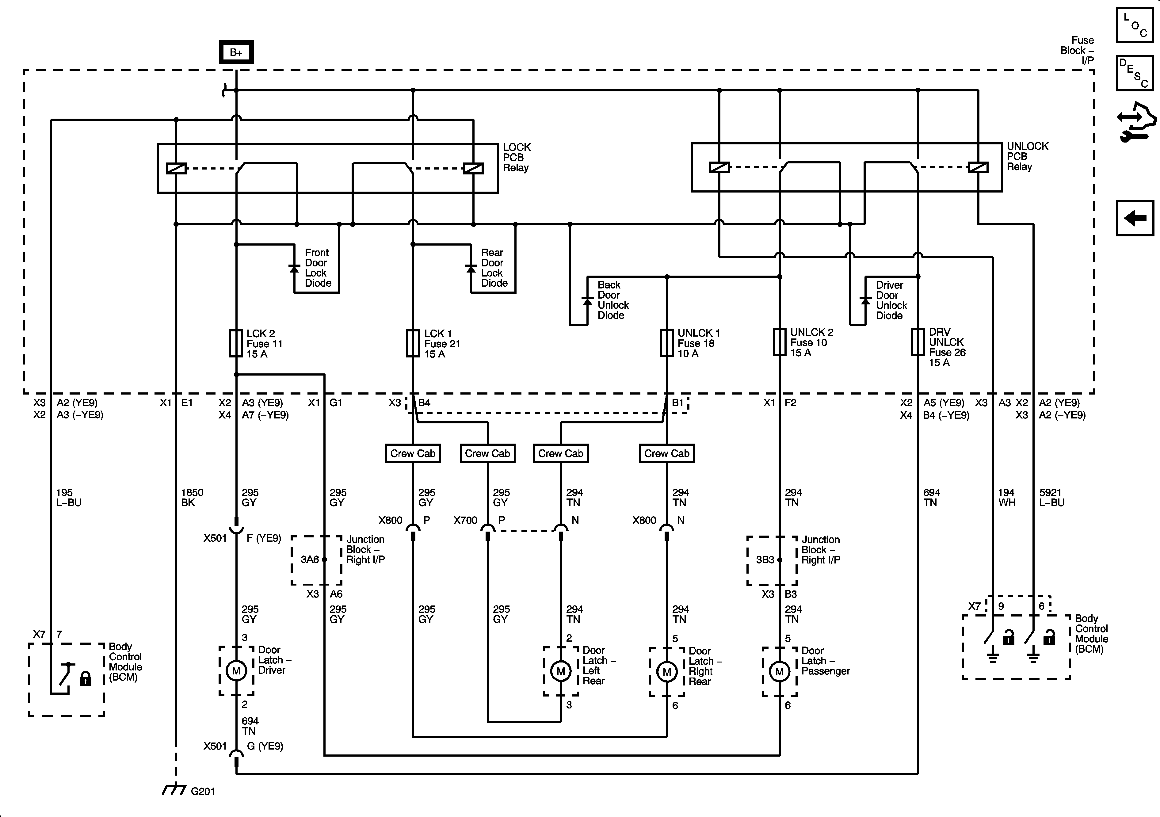
Figure
1:
Door Lock Controls and Front Door Locks (AN3/DL3)
Master Electrical Component List
Power Door Locks Description and Operation
Control Module References
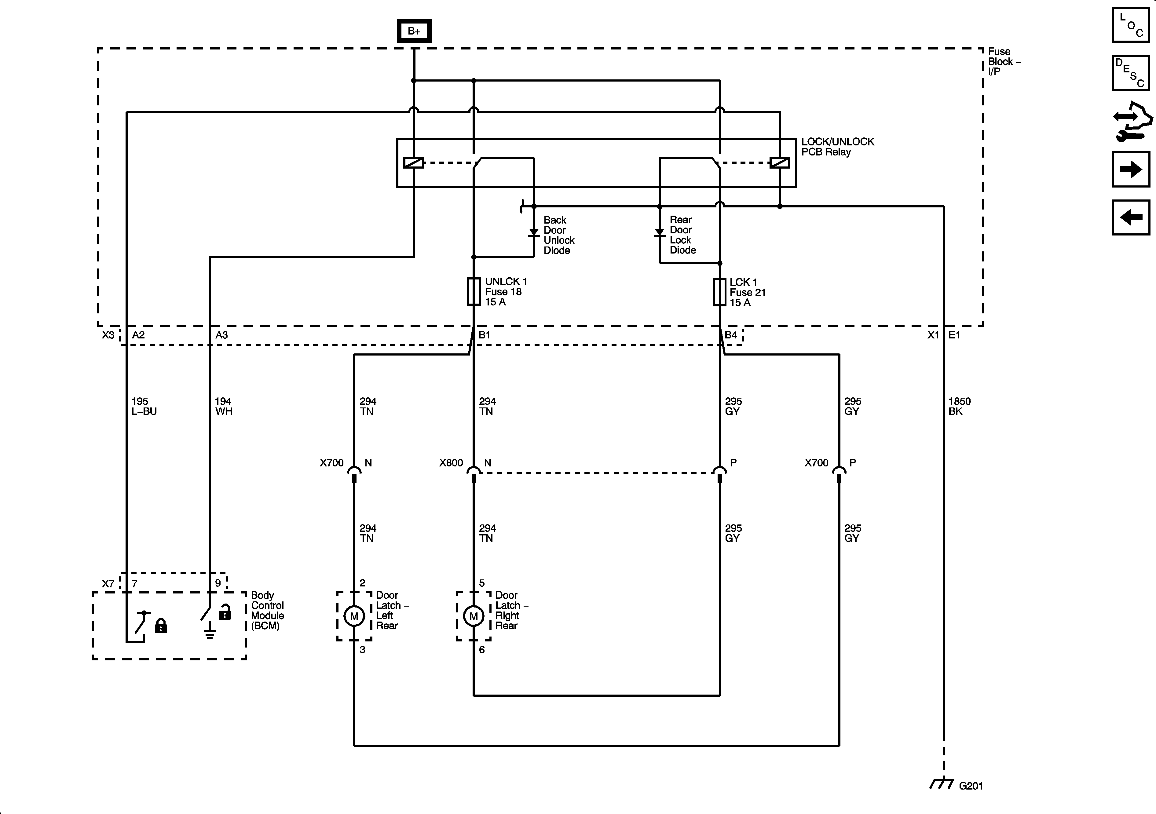
Rear Door Locks (Crew Cab with AN3)
Figure
2:
Rear Door Locks (Crew Cab with AN3)
Master Electrical Component List
Power Door Locks Description and Operation
Control Module References
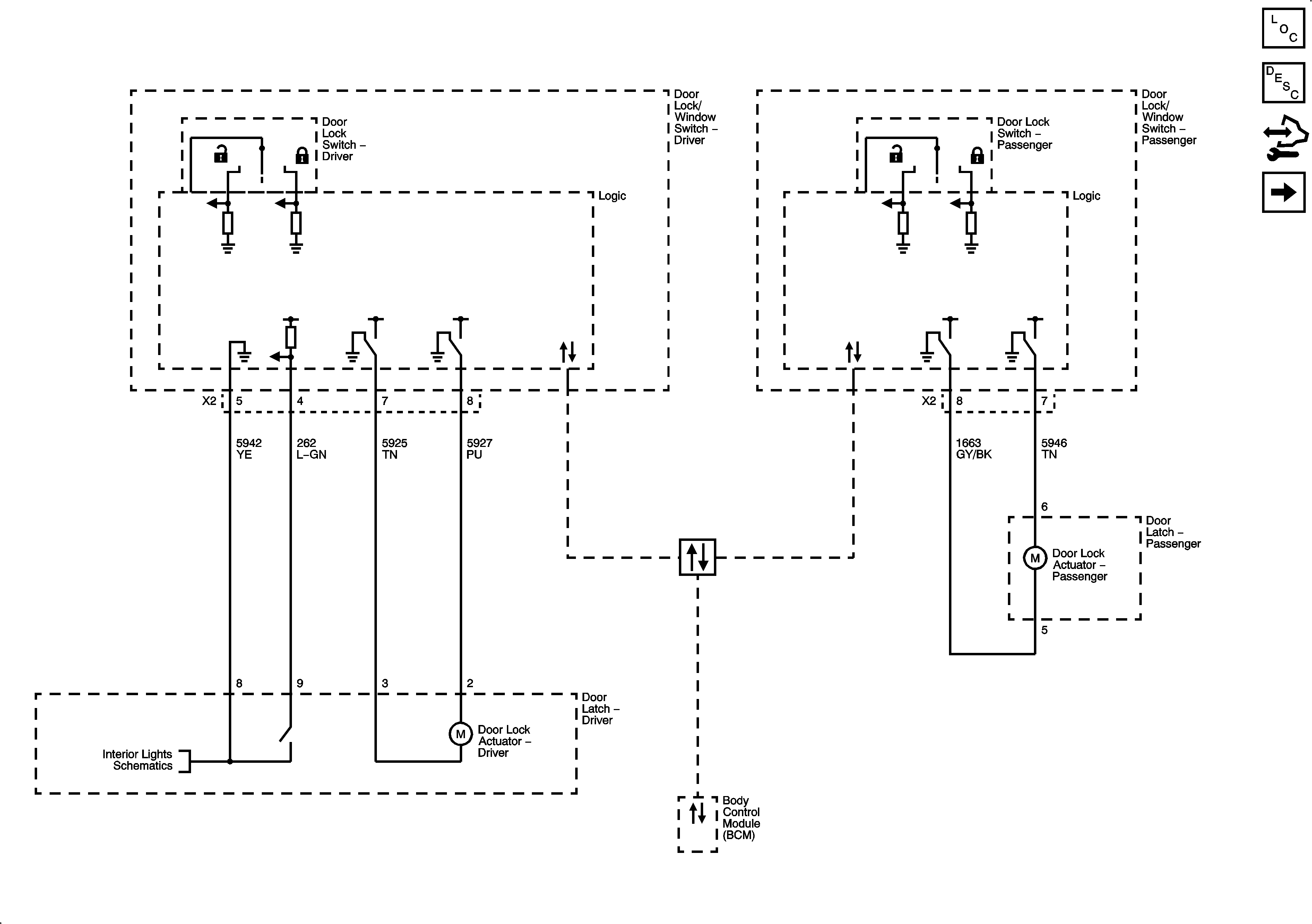
Door Lock Controls (AU3 without AN3/DL3)
Door Lock Controls and Front Door Locks (AN3/DL3)
Figure
3:
Door Lock Controls (AU3 without AN3/DL3)
Master Electrical Component List
Power Door Locks Description and Operation
Control Module References
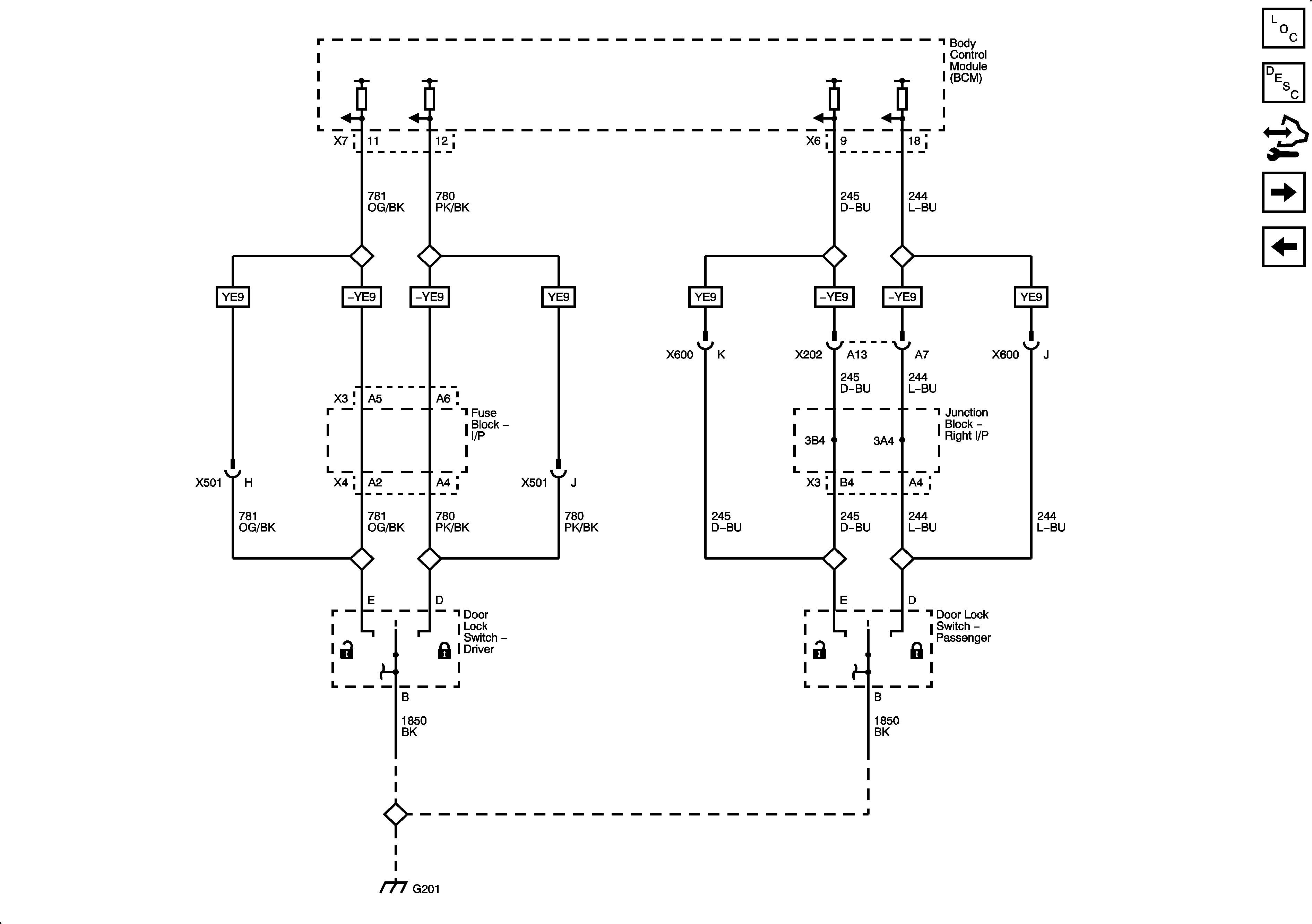
Door Lock Motors (AU3 without AN3/DL3)
Rear Door Locks (Crew Cab with AN3)
Figure
4:
Door Lock Motors (AU3 without AN3/DL3)
Master Electrical Component List
Power Door Locks Description and Operation
Control Module References
Door Lock Controls (AU3 without AN3/DL3)