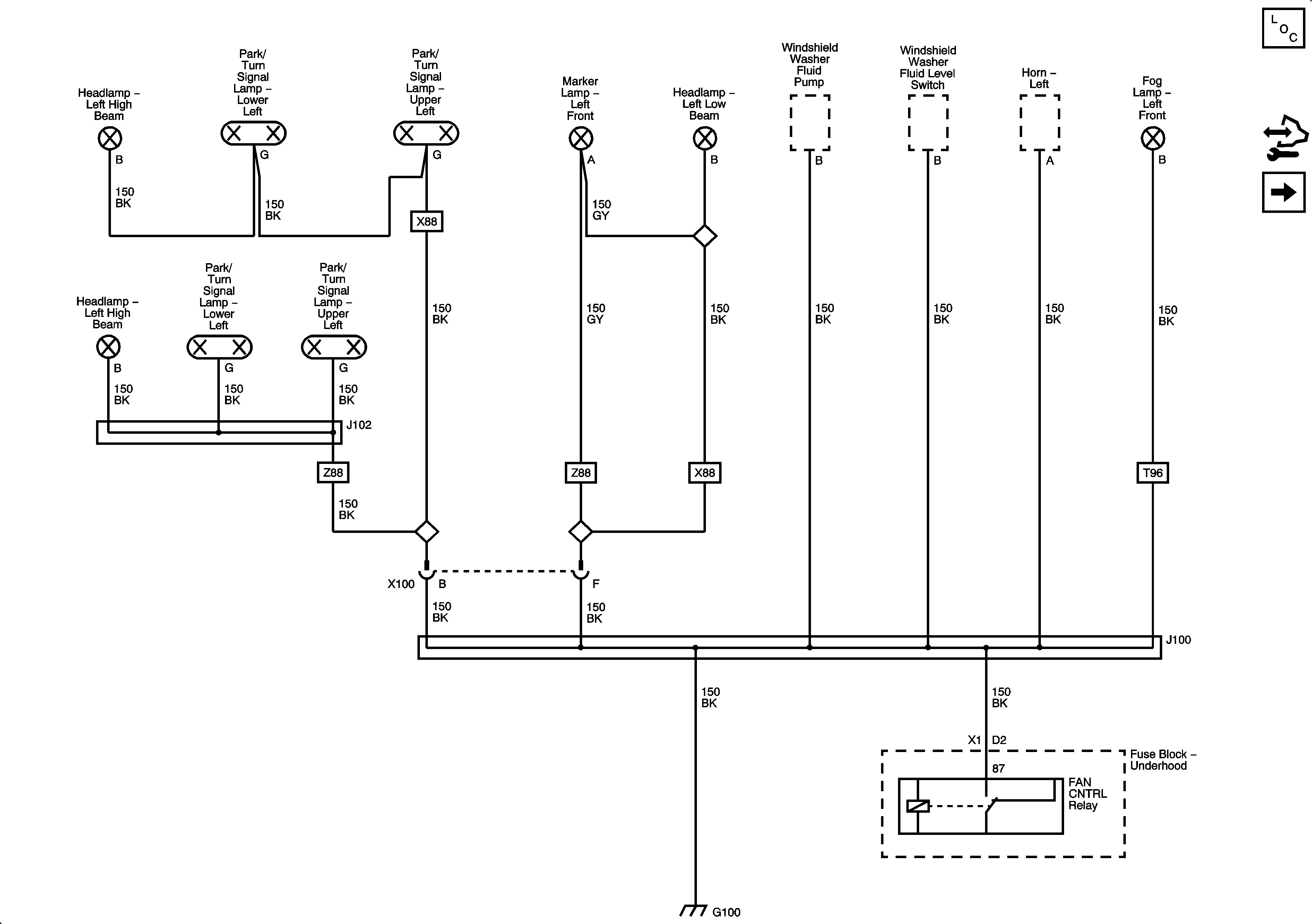
| Figure 1: |
G100
|
| Figure 2: |
G101
|
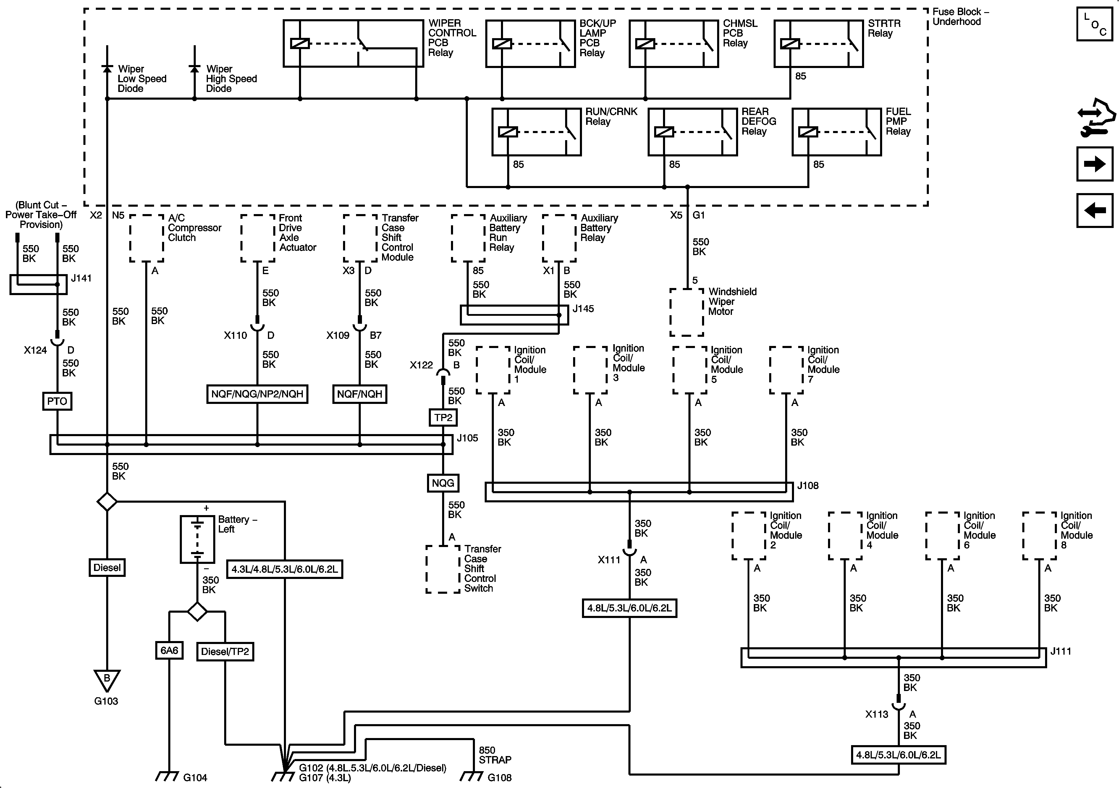
| Figure 3: |
G102, G107 (4.3L), G104 and G108
|
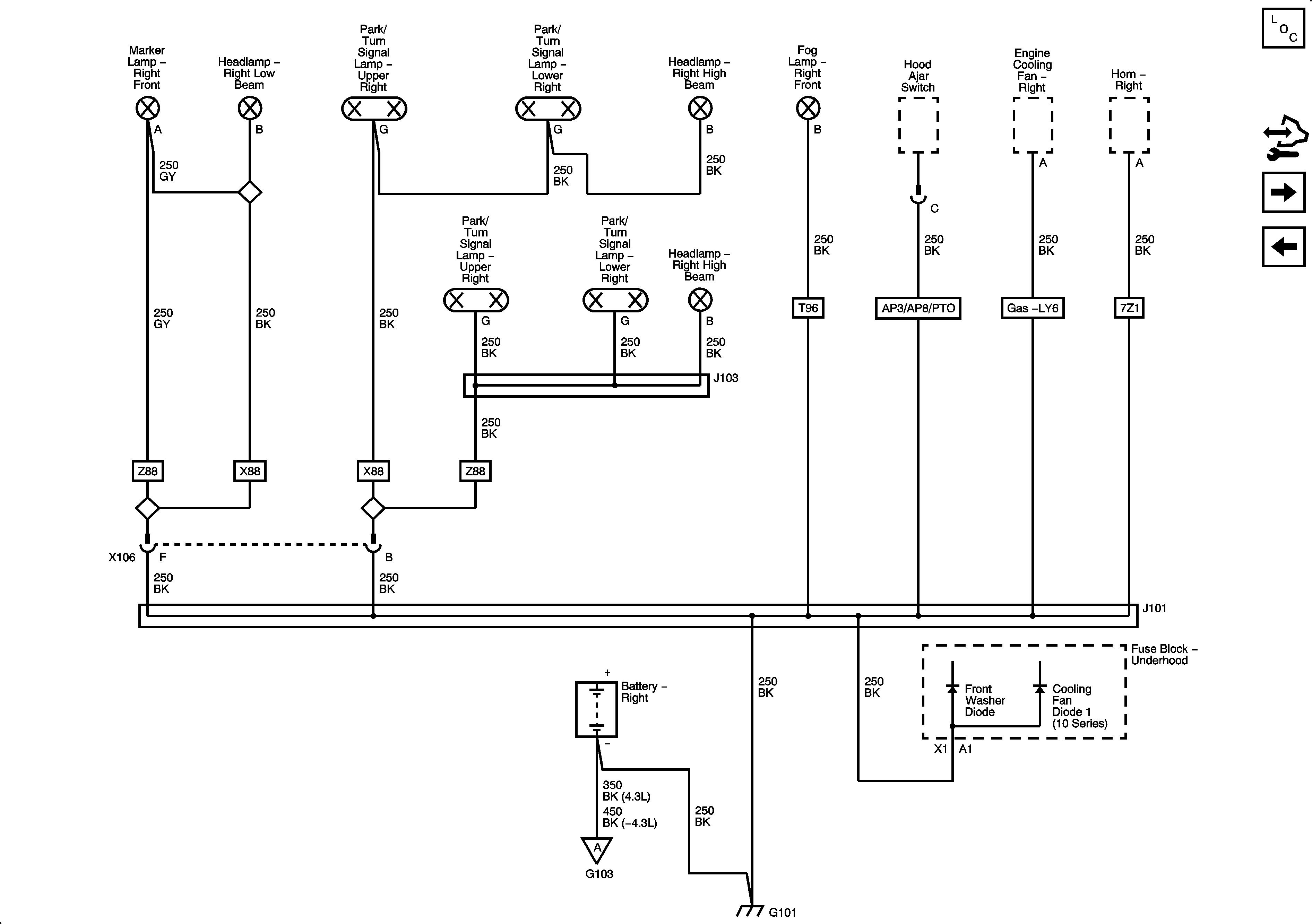
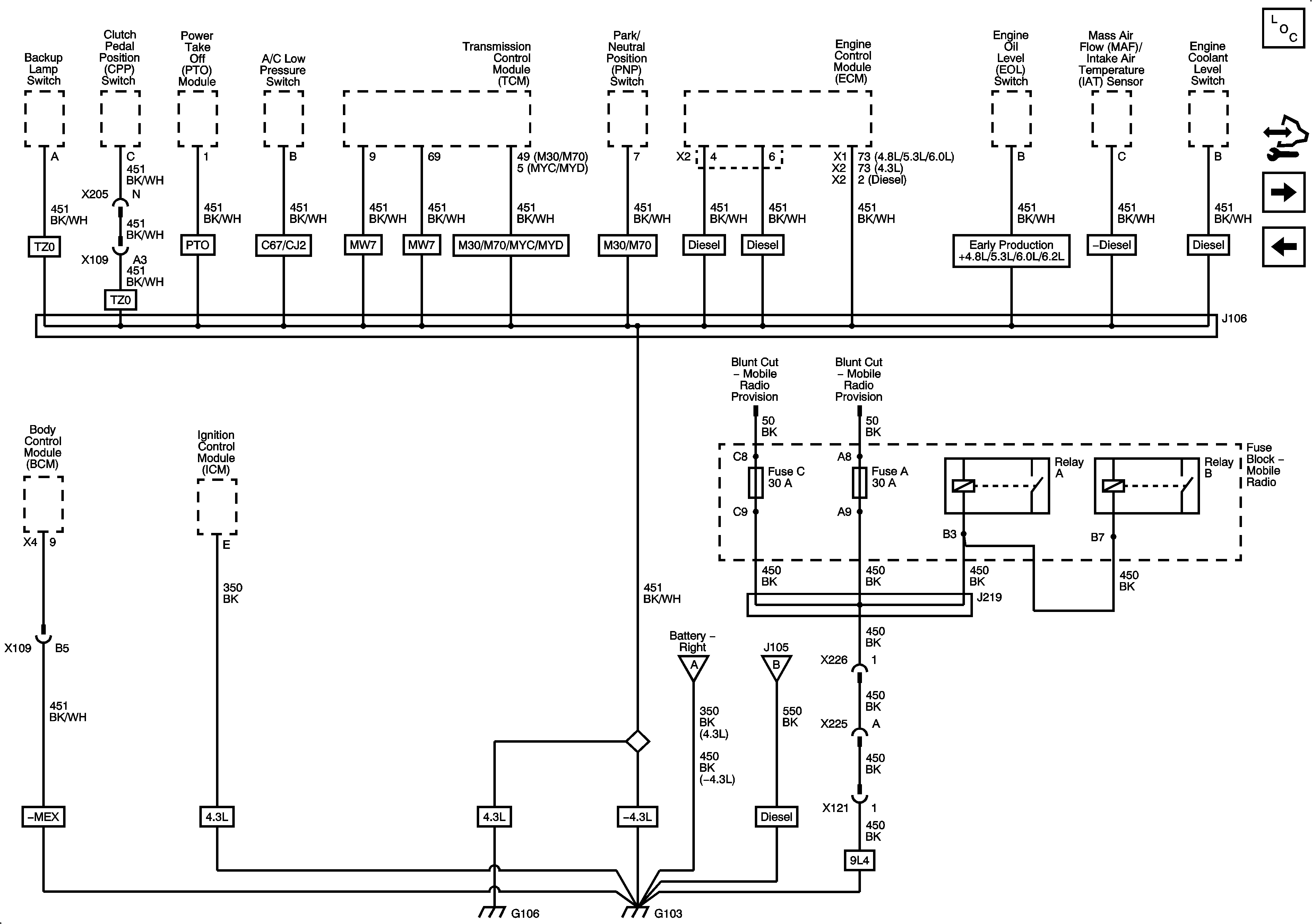
| Figure 4: |
G106 (4.3L) and G103
|
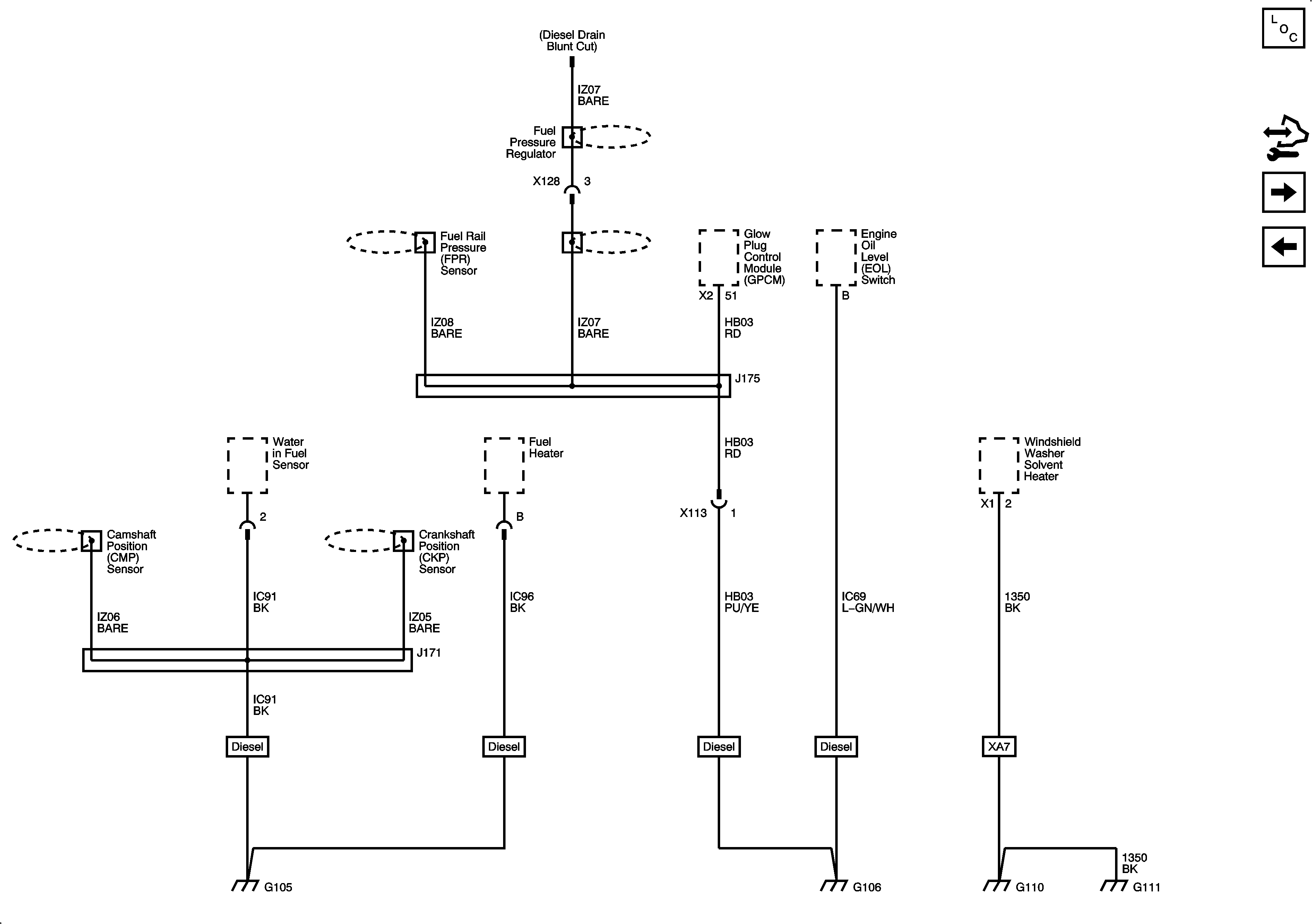
| Figure 5: |
G106 (Diesel) , G105, G110 and G111
|
| Figure 6: |
G200 1 of 2
|
| Figure 7: |
G200 2 of 2
|
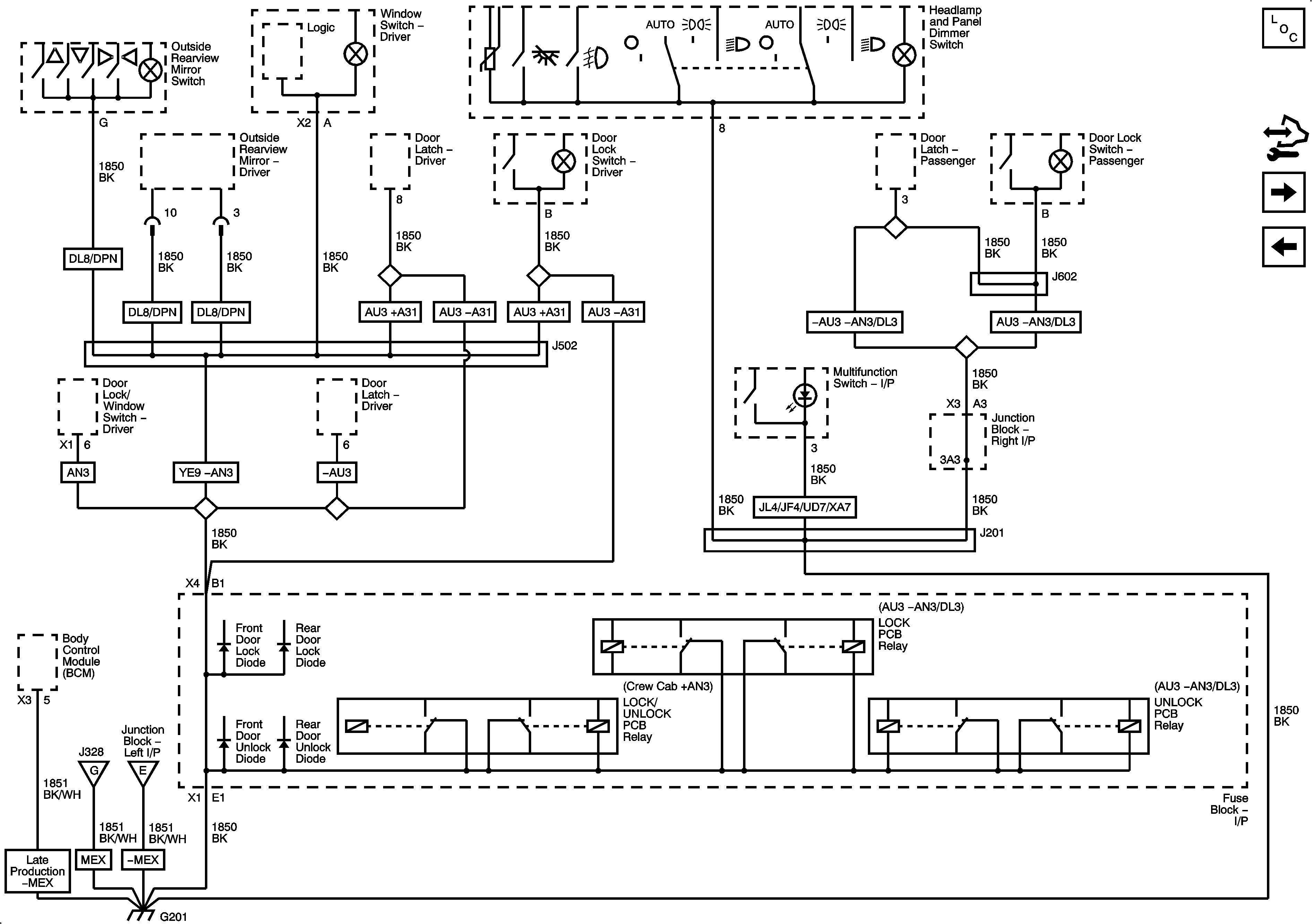
| Figure 8: |
G201 1 of 3
|
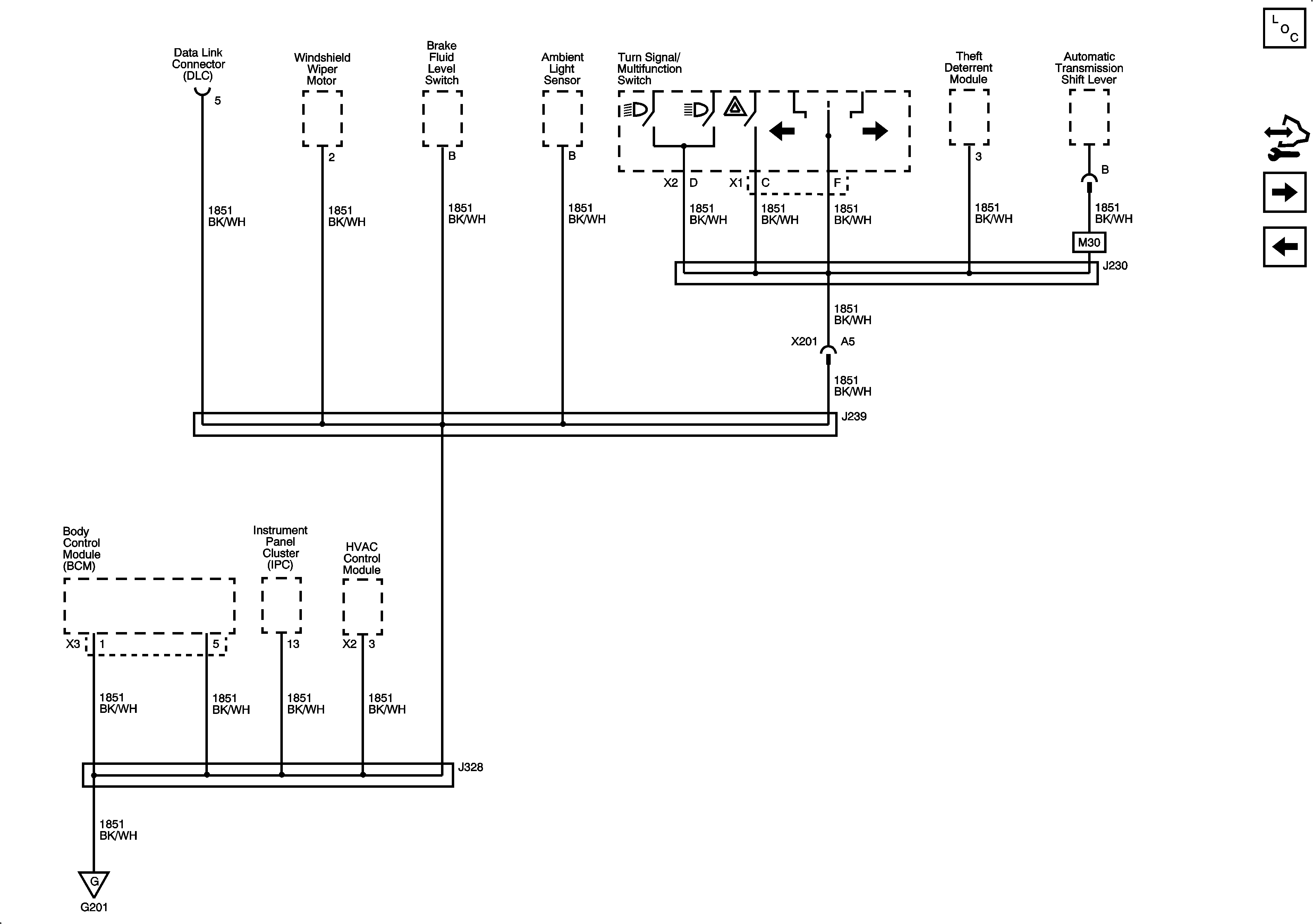
| Figure 9: |
G201 2 of 3 (except MEX)
|
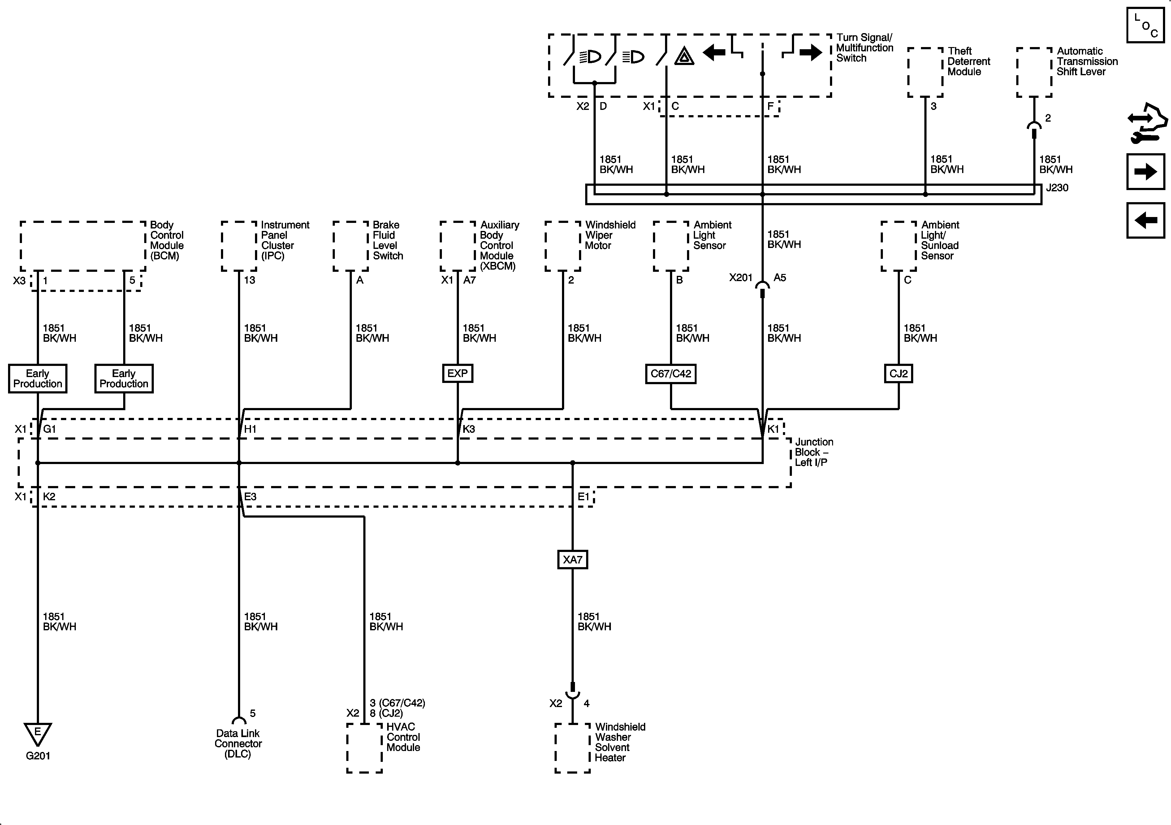
| Figure 10: |
G201 3 of 3 (MEX)
|
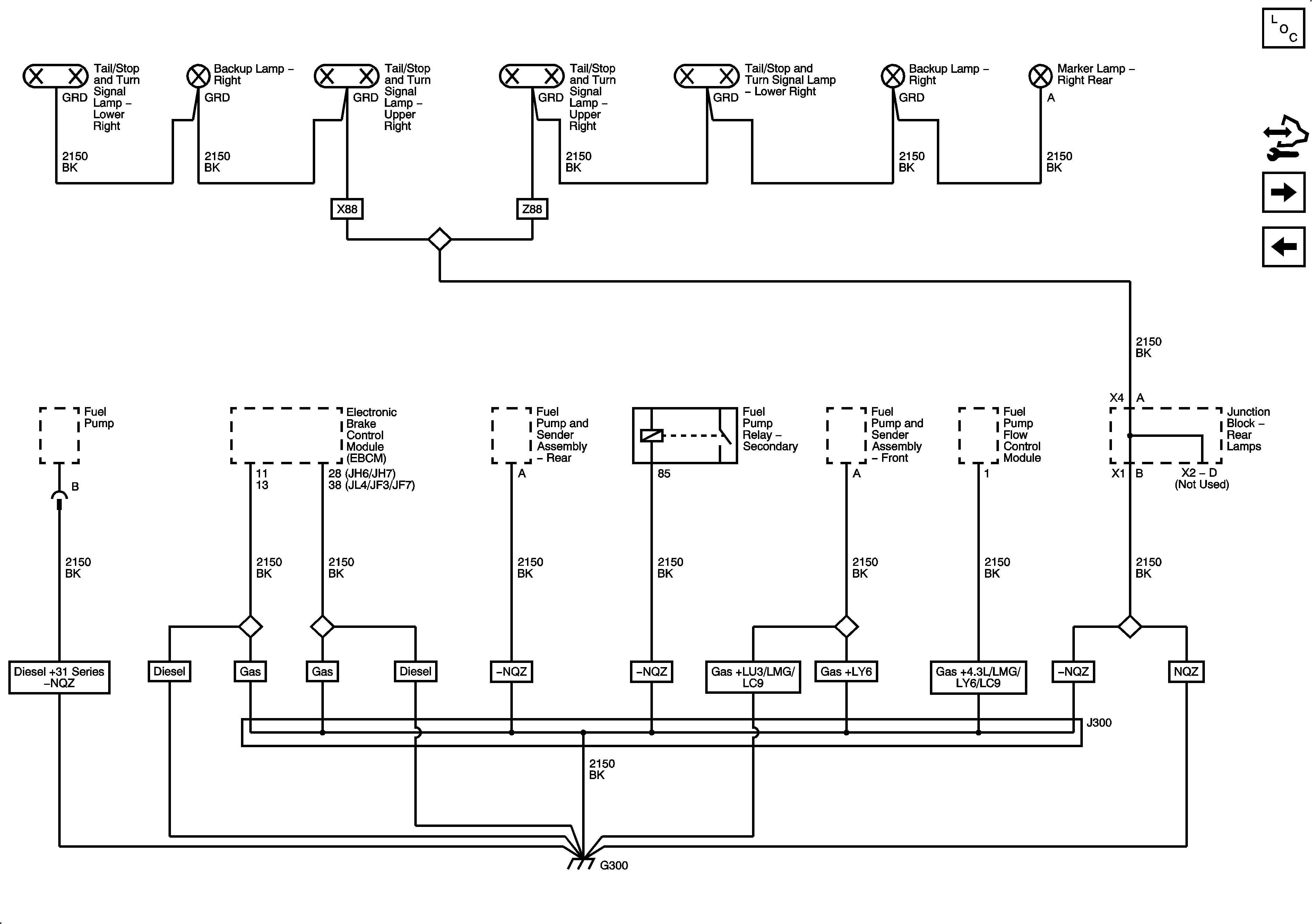
| Figure 11: |
G300
|
| Figure 12: |
G301
|
| Figure 13: |
G302
|
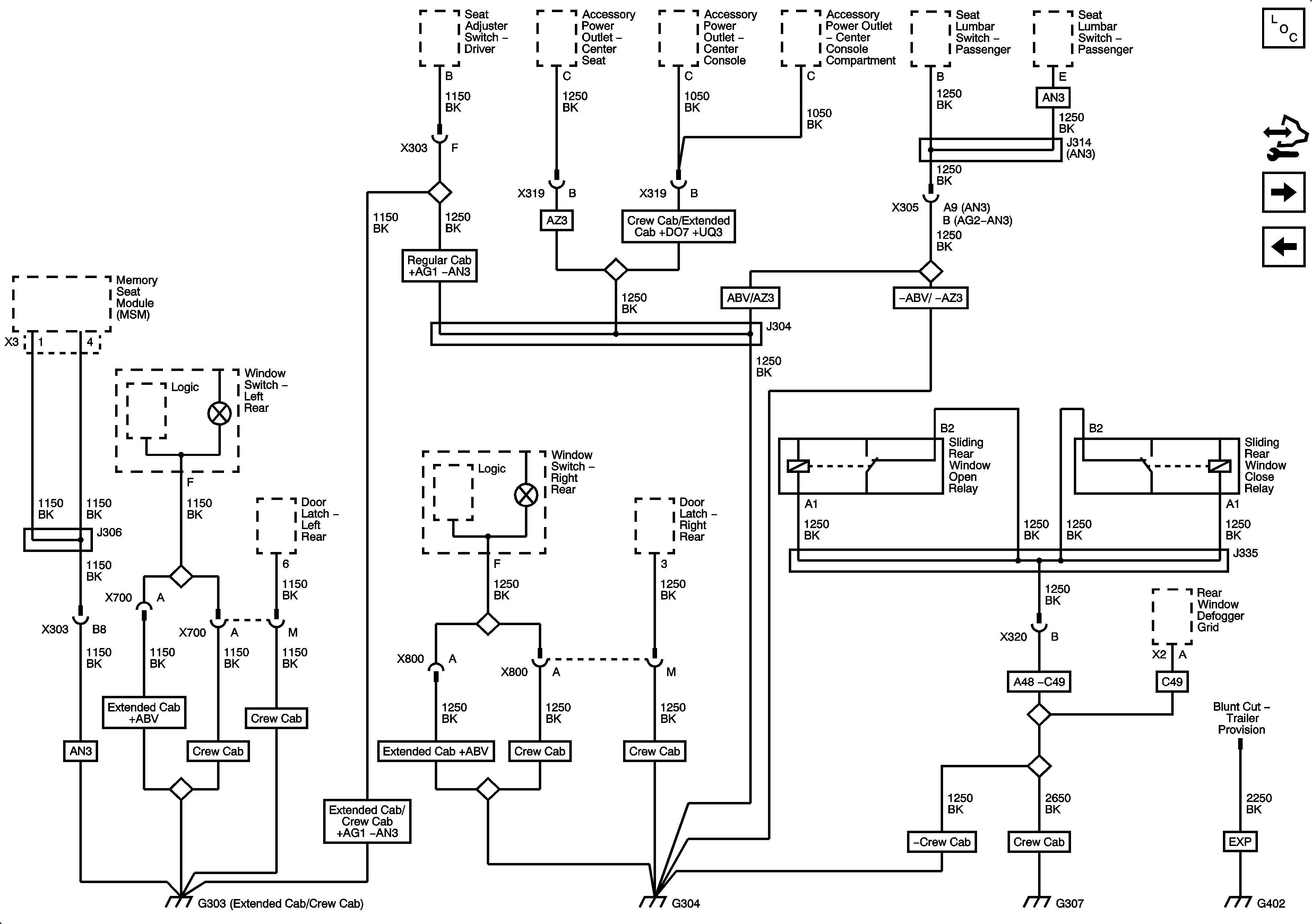
| Figure 14: |
G303, G304, G305 and G307
|
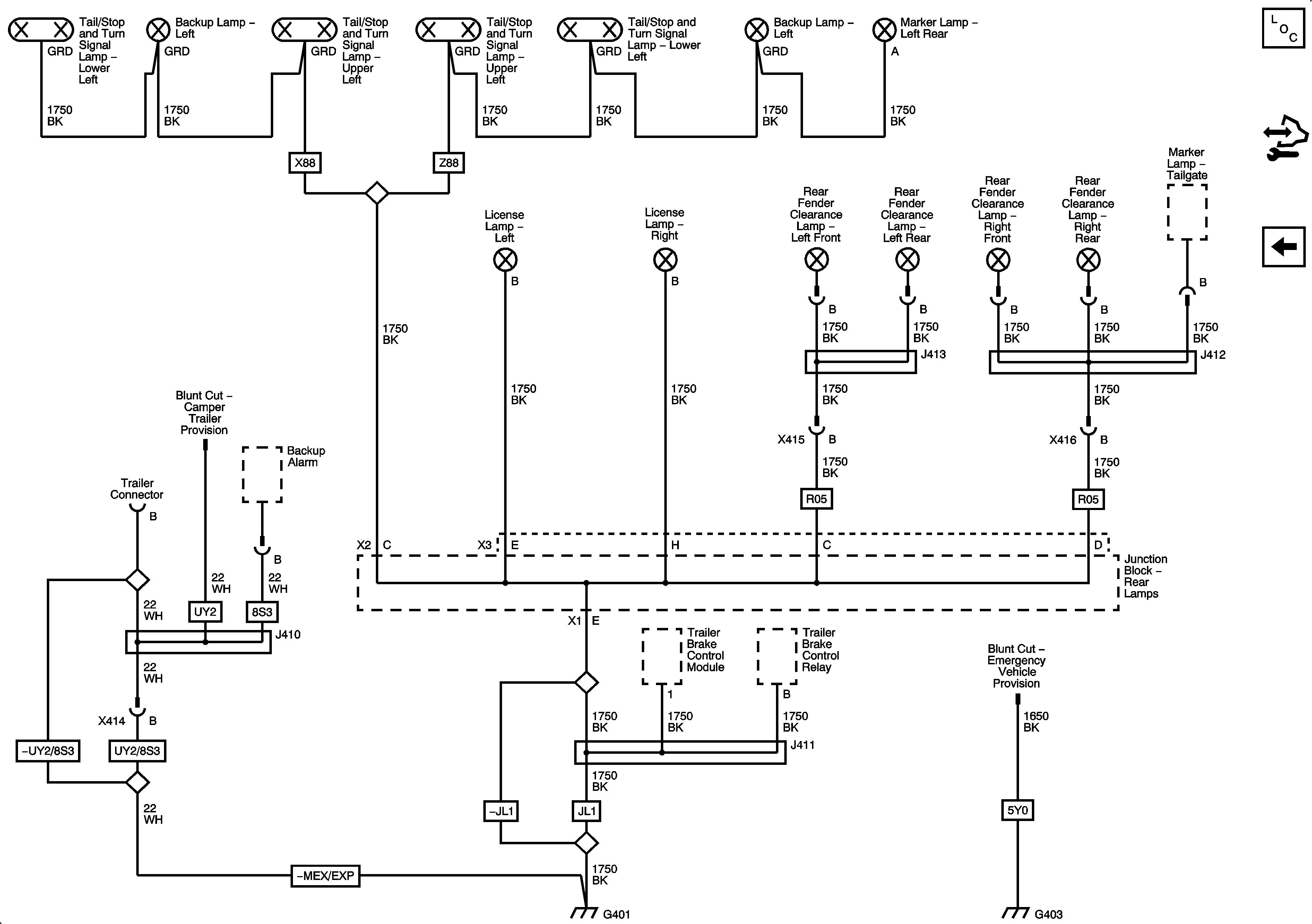
| Figure 15: |
G401 and G403
|