GM Service Manual Online
For 1990-2009 cars only
Makes
🢒
Chevrolet
🢒
2008
🢒
Silverado - 2WD
🢒
Diagnostic Navigation
🢒
Vehicle Diagnostic Information
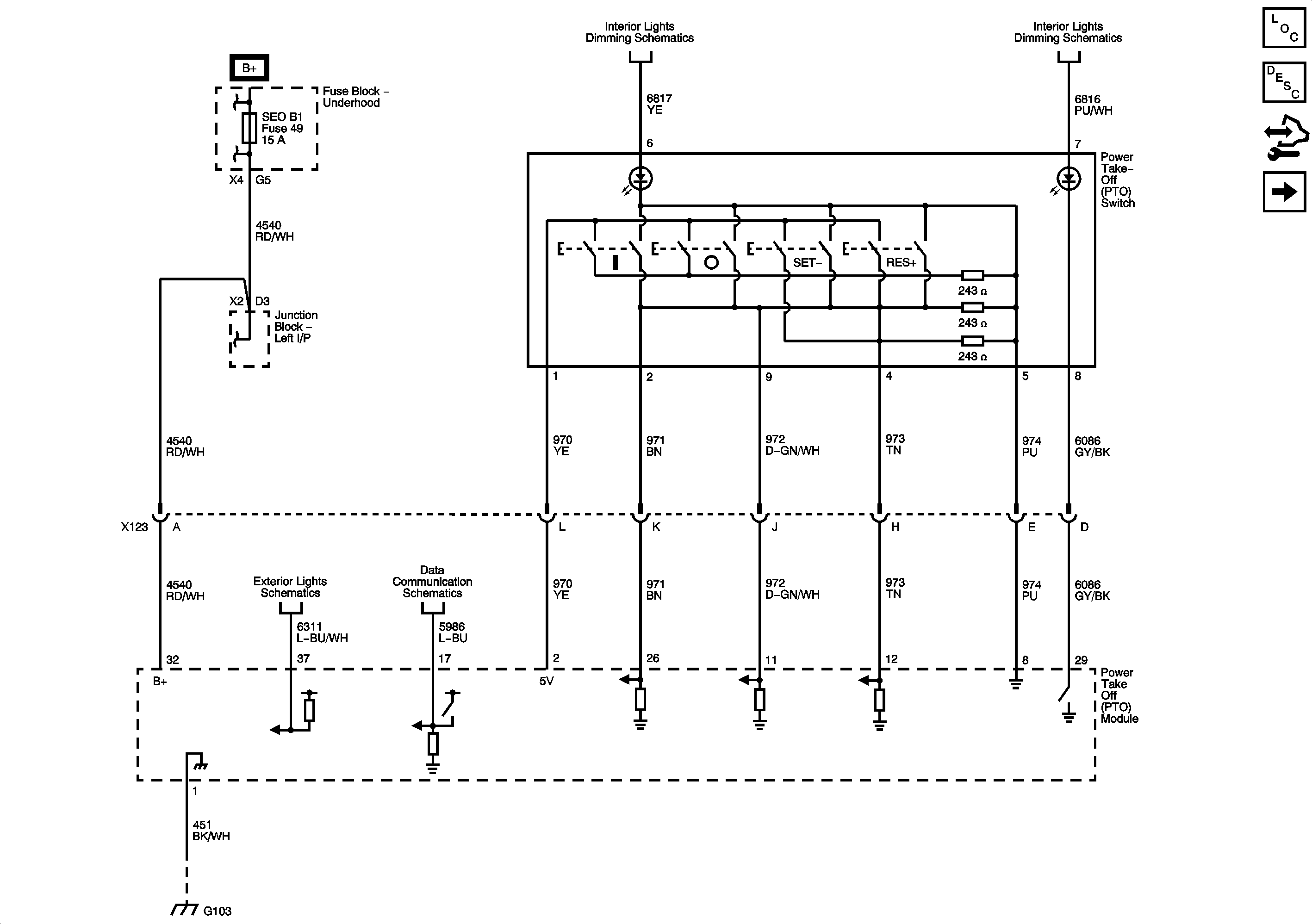
🢒 Power Take-Off (PTO) Schematics
Figure
1:
Switch Controls
Master Electrical Component List
Power Take-Off (PTO) Description and Operation
Control Module References
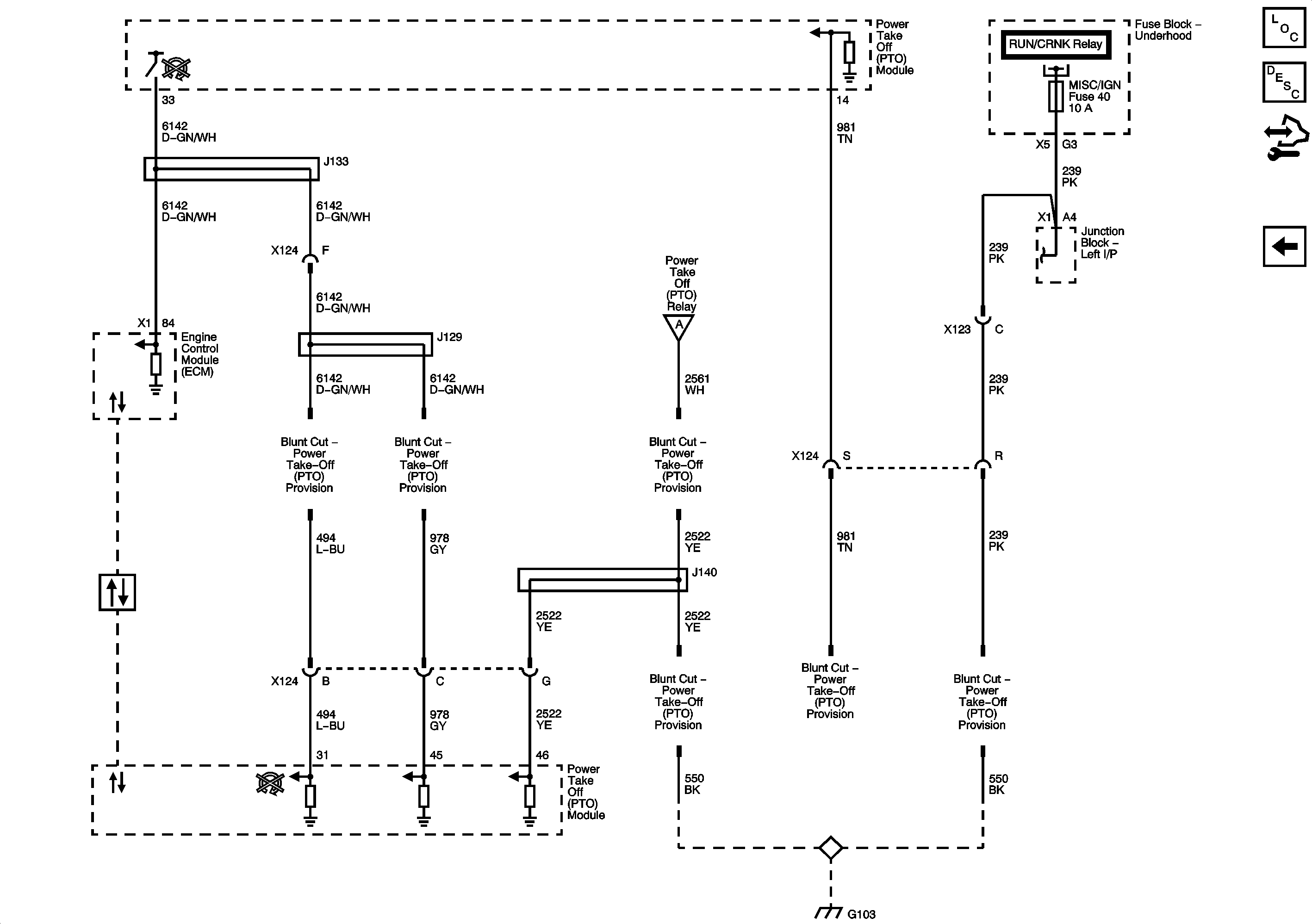
Wiring Provisions - 1 of 2
Figure
2:
Wiring Provisions - 1 of 2
Master Electrical Component List
Power Take-Off (PTO) Description and Operation
Control Module References
Wiring Provisions - 2 of 2
Switch Controls
Figure
3:
Wiring Provisions - 2 of 2
Master Electrical Component List
Power Take-Off (PTO) Description and Operation
Control Module References
Wiring Provisions - 1 of 2