GM Service Manual Online
For 1990-2009 cars only
Makes
🢒
Chevrolet
🢒
2008
🢒
Silverado - 2WD
🢒
Diagnostic Navigation
🢒
Vehicle Diagnostic Information
🢒 Automatic Transmission Controls Schematics
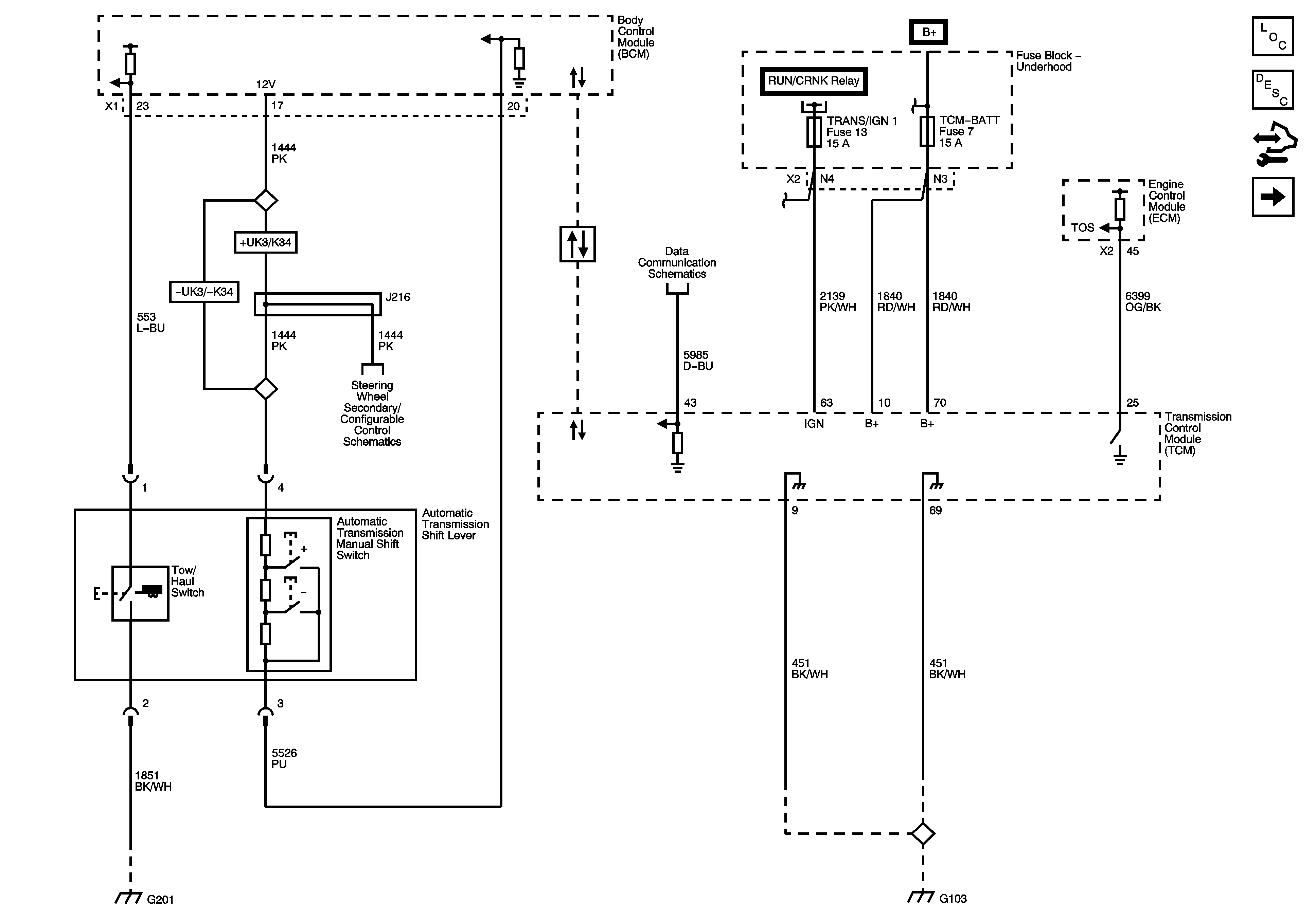
Figure
1:
Power, Ground, Driver Shift Request Switch, Tow/Haul Switch and Serial Data
Master Electrical Component List
Electronic Component Description
Control Module References
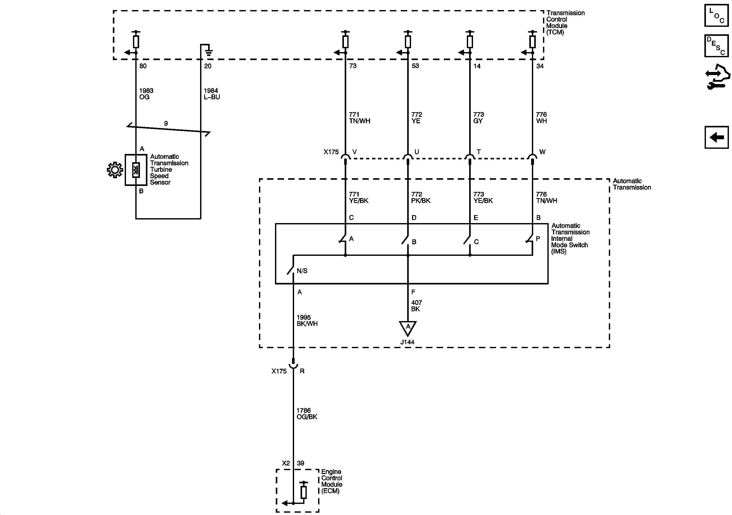
Shift Solenoids, PCS2, Torque Signals and Speed Sensors
Figure
2:
Shift Solenoids, PCS2, Torque Signals and Speed Sensors
Master Electrical Component List
Electronic Component Description
Control Module References
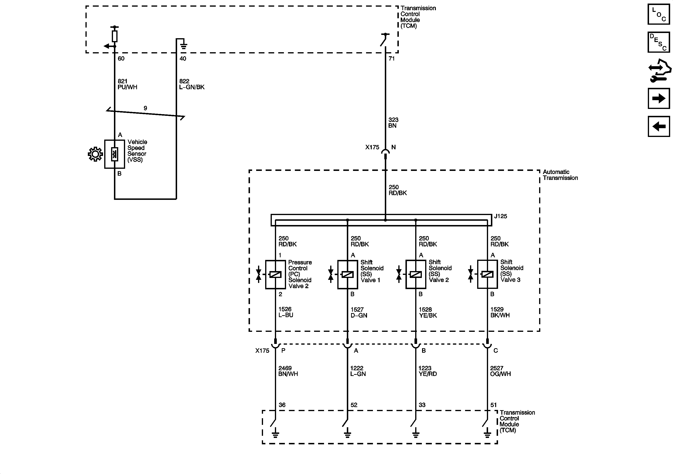
Fluid Pressure Switches, PCS1, TCC PCS, Mod Main Solenoid and FTP Sensor
Power, Ground, Driver Shift Request Switch, Tow/Haul Switch and Serial Data
Figure
3:
Fluid Pressure Switches, PCS1, TCC PCS, Mod Main Solenoid, and FTP Sensor
Master Electrical Component List
Electronic Component Description
Control Module References
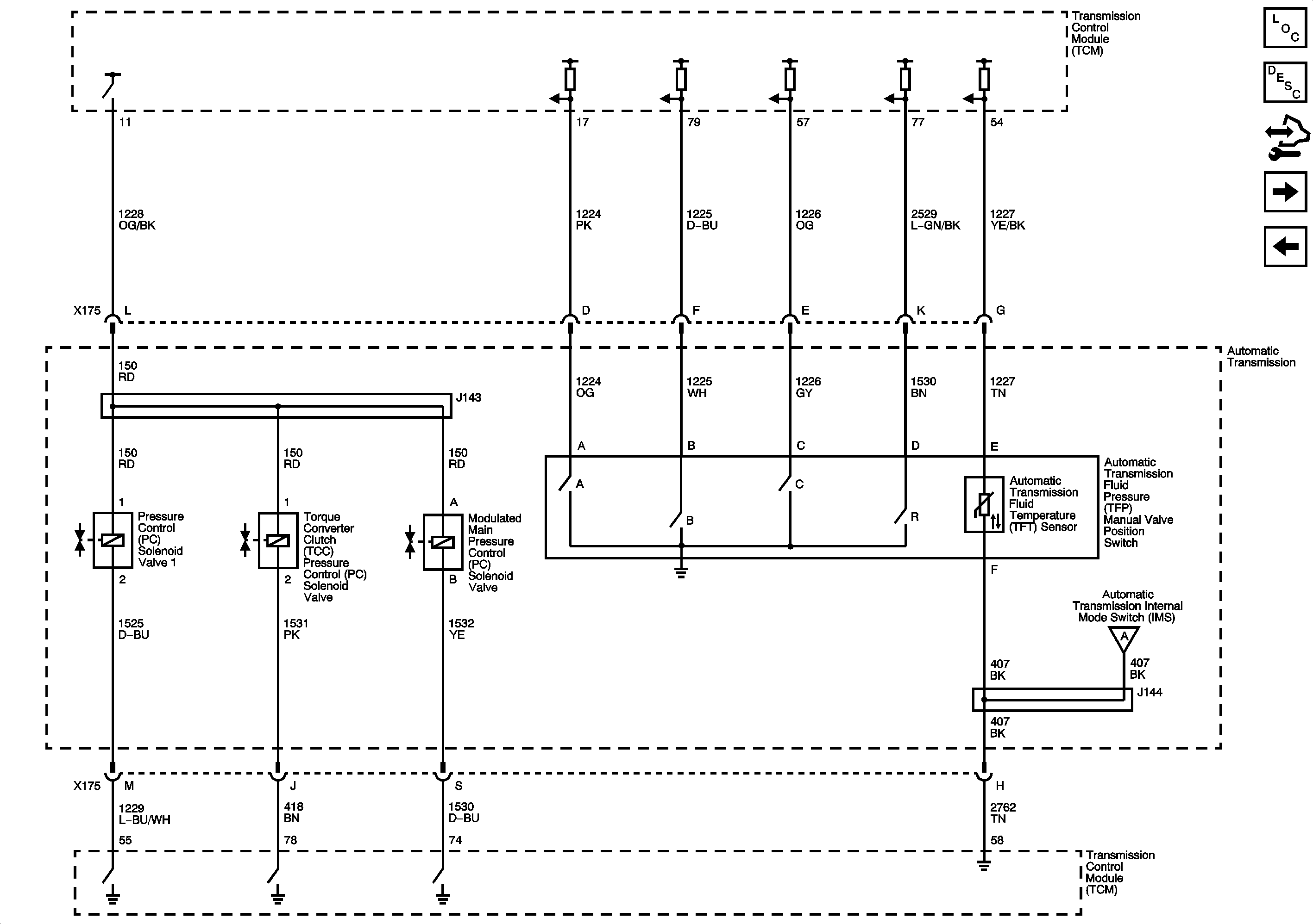
Internal Mode Switch (IMS) and Speed Sensors
Shift Solenoids, PCS2, Torque Signals and Speed Sensors
Figure
4:
Internal Mode Switch (IMS) and Speed Sensors
Master Electrical Component List
Electronic Component Description
Control Module References
Fluid Pressure Switches, PCS1, TCC PCS, Mod Main Solenoid and FTP Sensor