GM Service Manual Online
For 1990-2009 cars only
Figure 1:

Wiper Controls


Object Number: 1915081  Size: FS
Master Electrical Component List
Wiper/Washer System Description and Operation
Control Module References
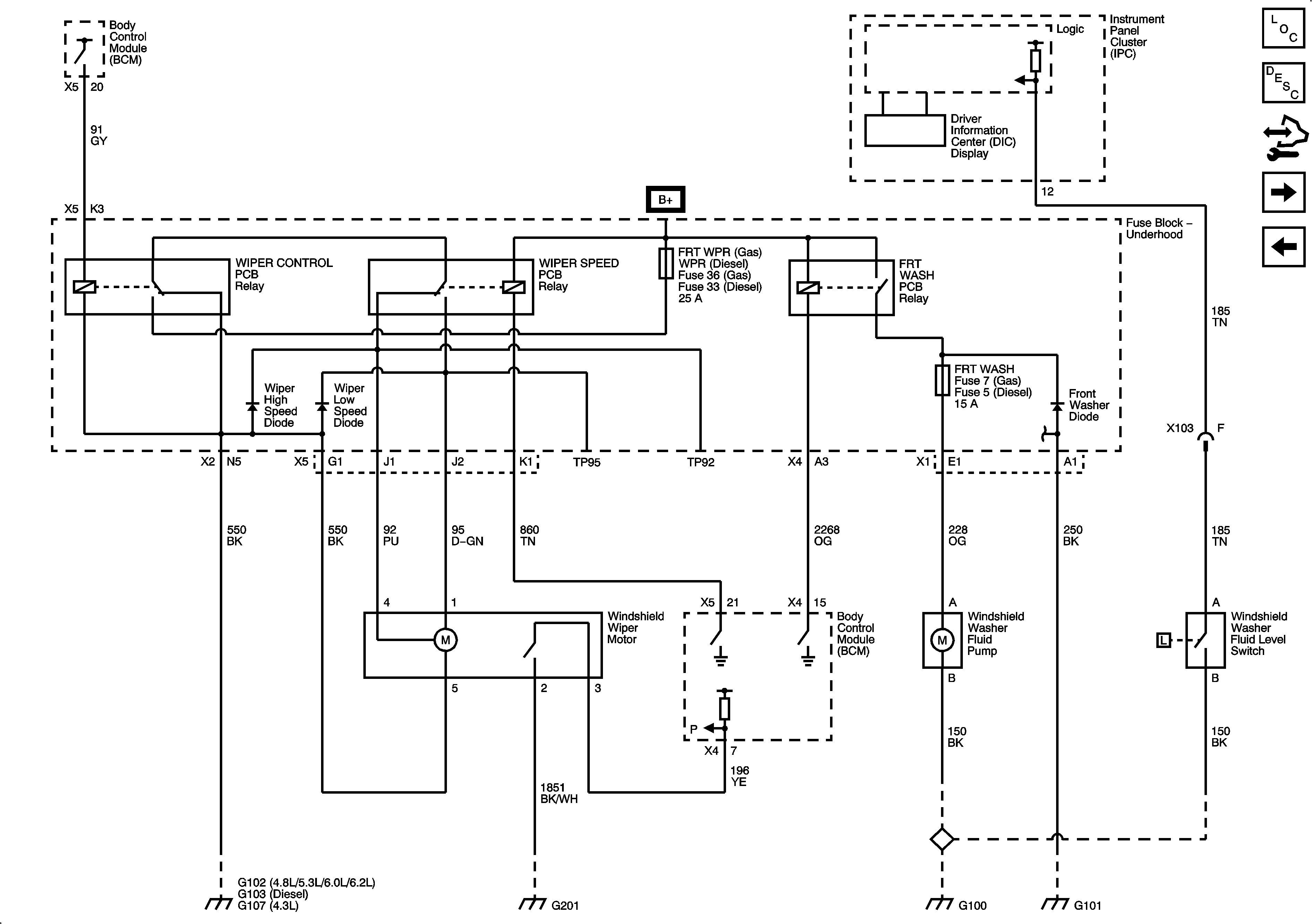
Wiper and Washer Motor Control
Figure 2:

Wiper and Washer Motor Control


Object Number: 1915086  Size: FS
Master Electrical Component List
Wiper/Washer System Description and Operation
Control Module References
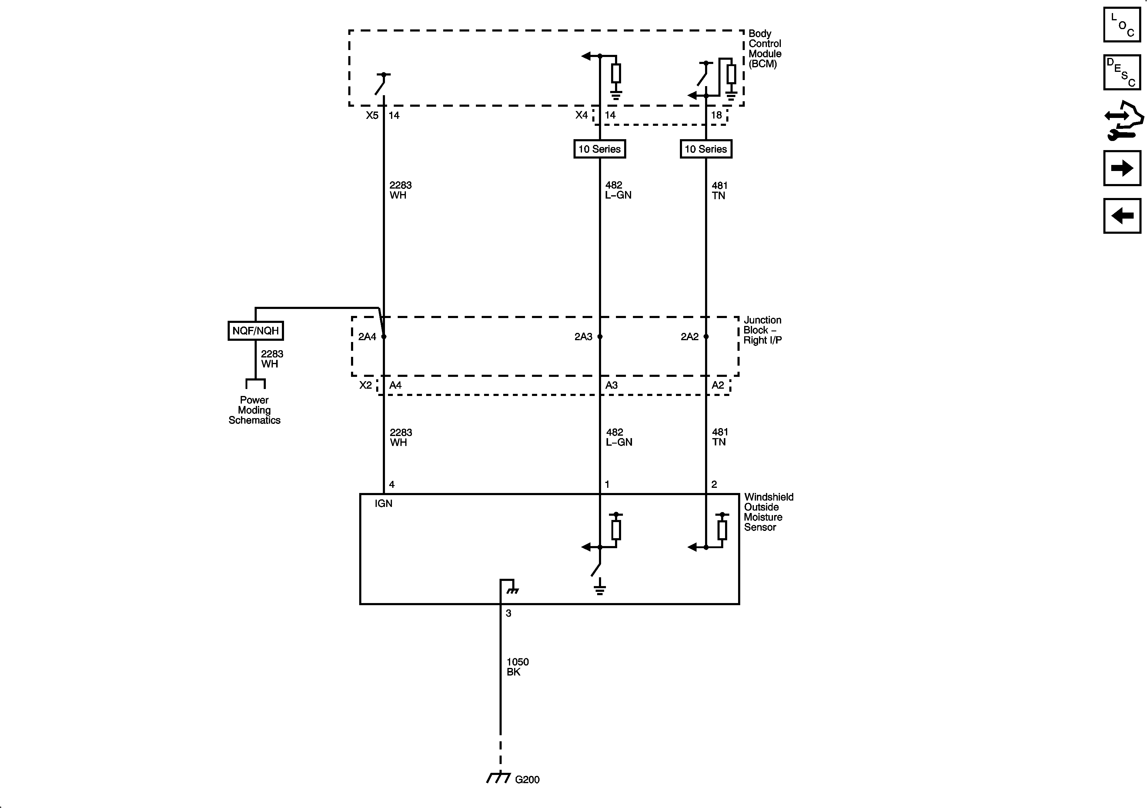
Outside Moisture Sensor (CE1)
Wiper Controls
Figure 3:

Outside Moisture Sensor (CE1)


Object Number: 1915091  Size: FS
Master Electrical Component List
Wiper/Washer System Description and Operation
Control Module References
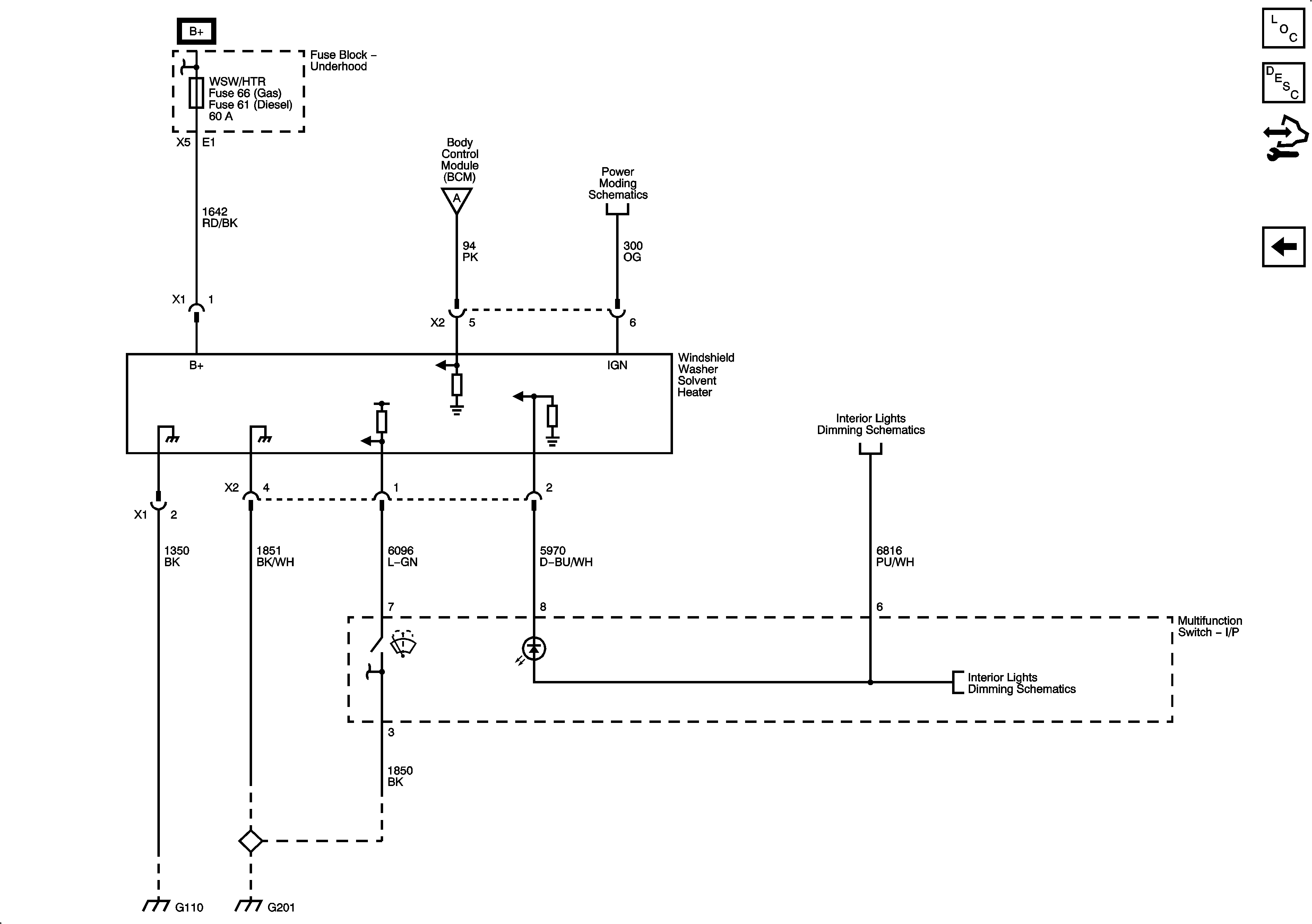
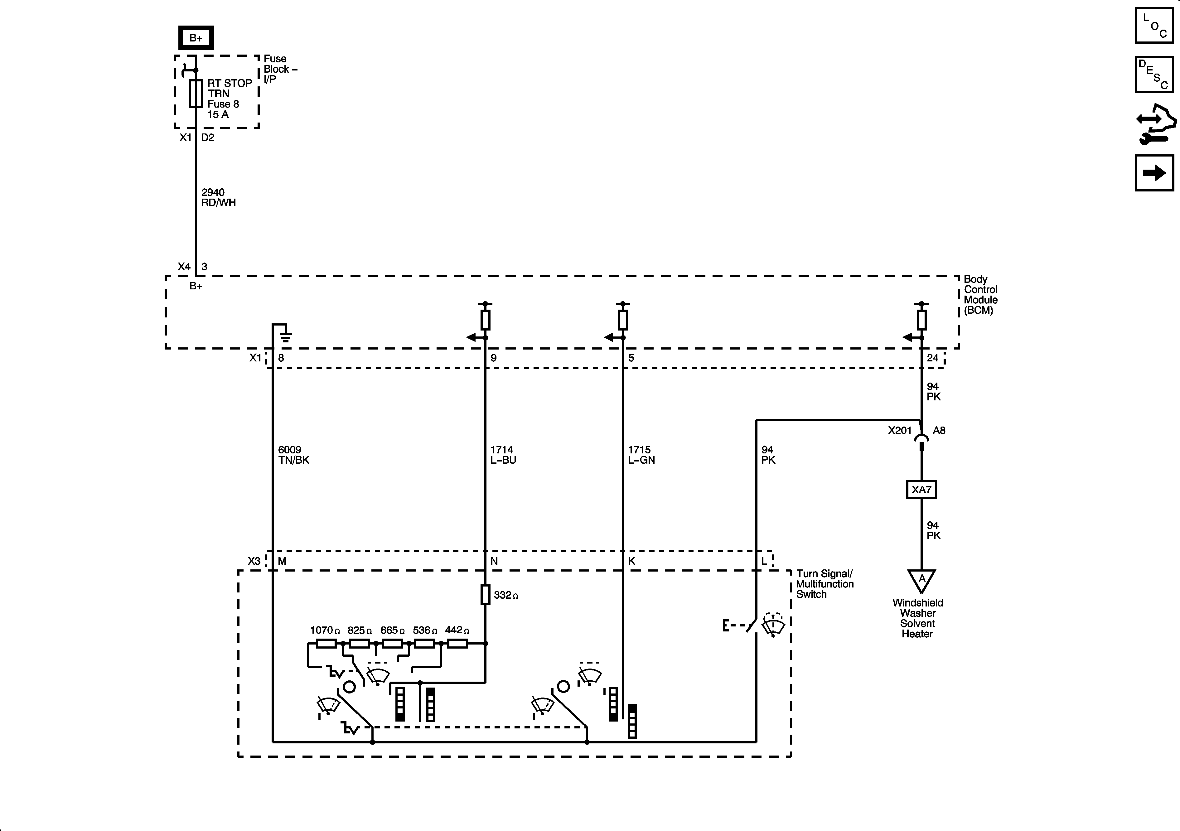
Heated Washer (XA7)
Wiper and Washer Motor Control
Figure 4:

Heated Washers (XA7)


Object Number: 1915094  Size: FS
Master Electrical Component List
Wiper/Washer System Description and Operation
Control Module References
Outside Moisture Sensor (CE1)