GM Service Manual Online
For 1990-2009 cars only
Makes
🢒
Chevrolet
🢒
2008
🢒
Silverado - 2WD
🢒
Driver Information and Entertainment
🢒
Cellular, Entertainment, and Navigation
🢒 OnStar Schematics
Figure
1:
Module Power, Ground and Serial Data
Master Electrical Component List
SIR System Description and Operation
Control Module References
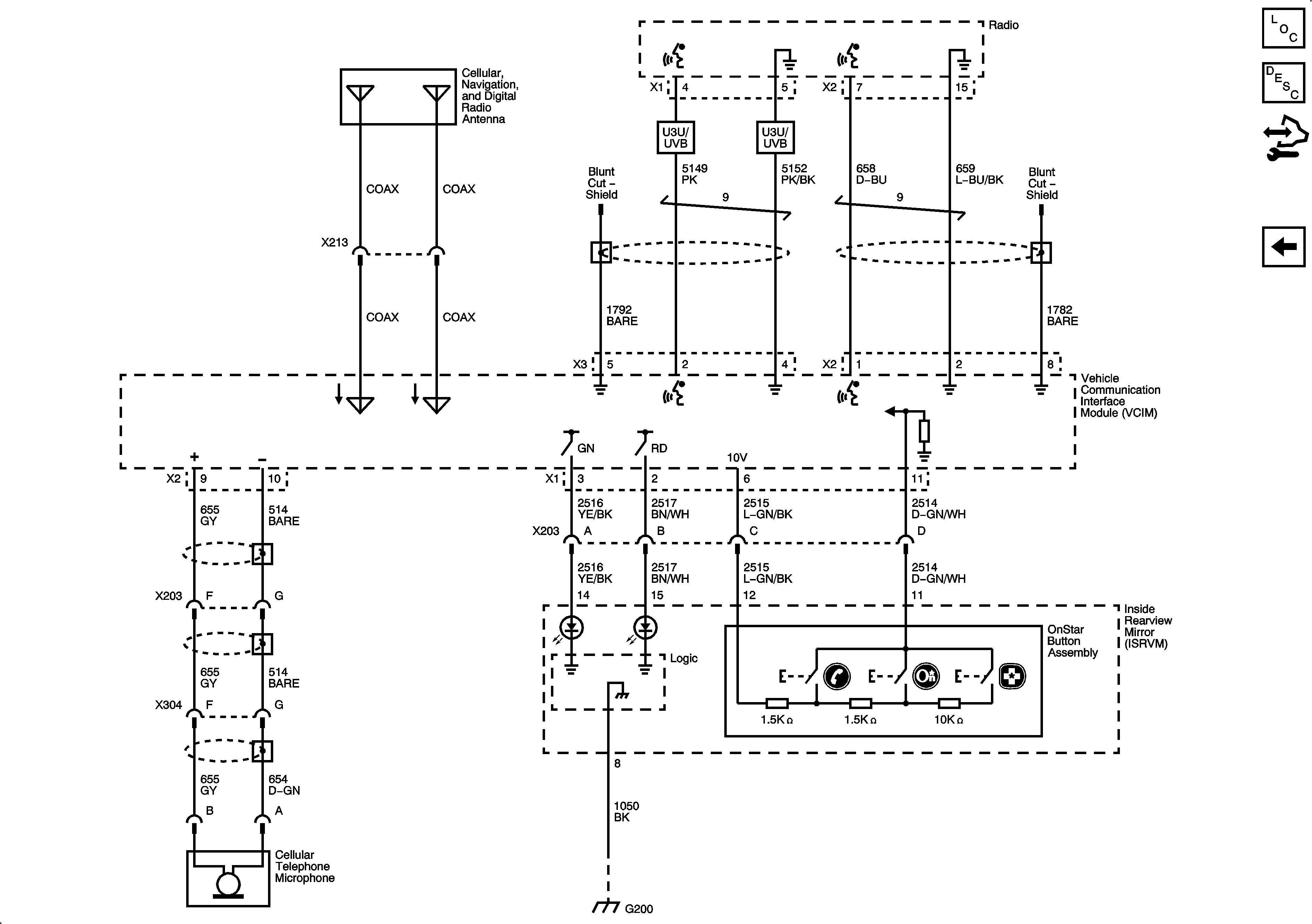
Communication Signals and Controls
Figure
2:
Communication Signals and Controls
Master Electrical Component List
SIR System Description and Operation
Control Module References
Module Power, Ground and Serial Data