GM Service Manual Online
For 1990-2009 cars only
Makes
🢒
Chevrolet
🢒
2008
🢒
Silverado - 2WD
🢒
Driver Information and Entertainment
🢒
Displays and Gages
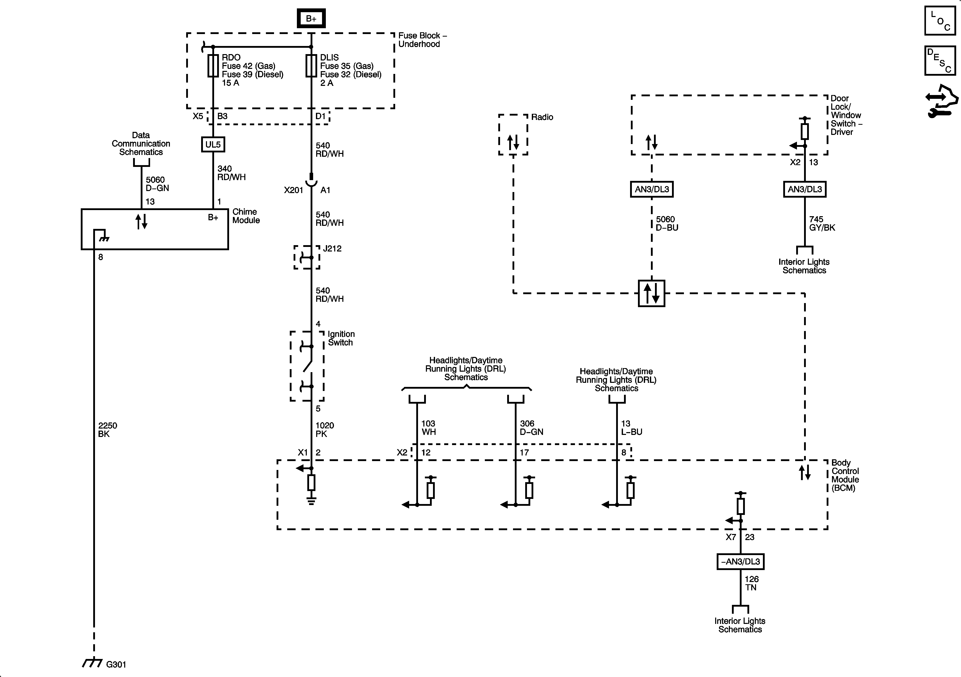
🢒 Audible Warnings Schematics
Master Electrical Component List
Audible Warnings Description and Operation
Control Module References