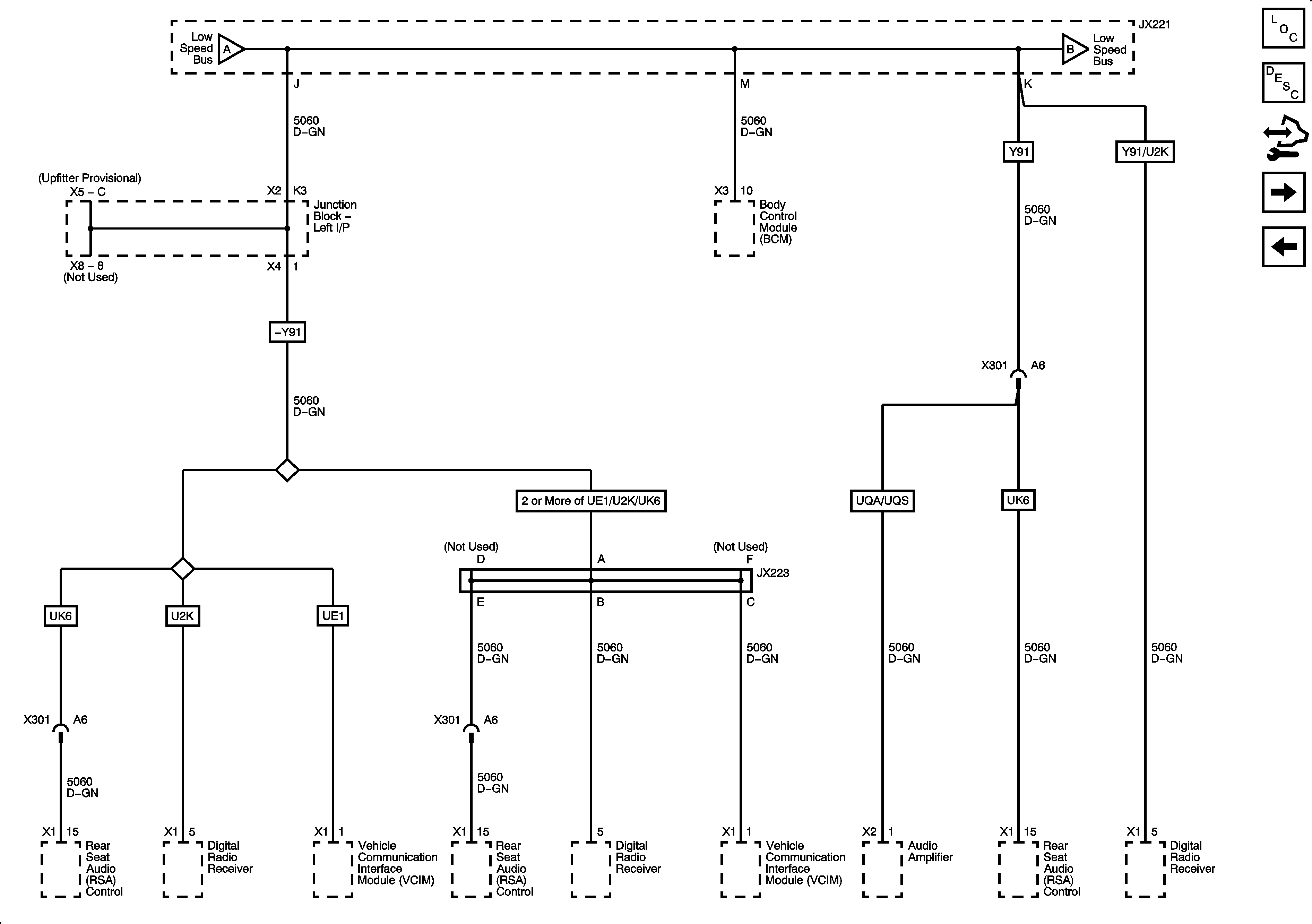
| Figure 1: |
Low Speed Bus - 1 of 3
|
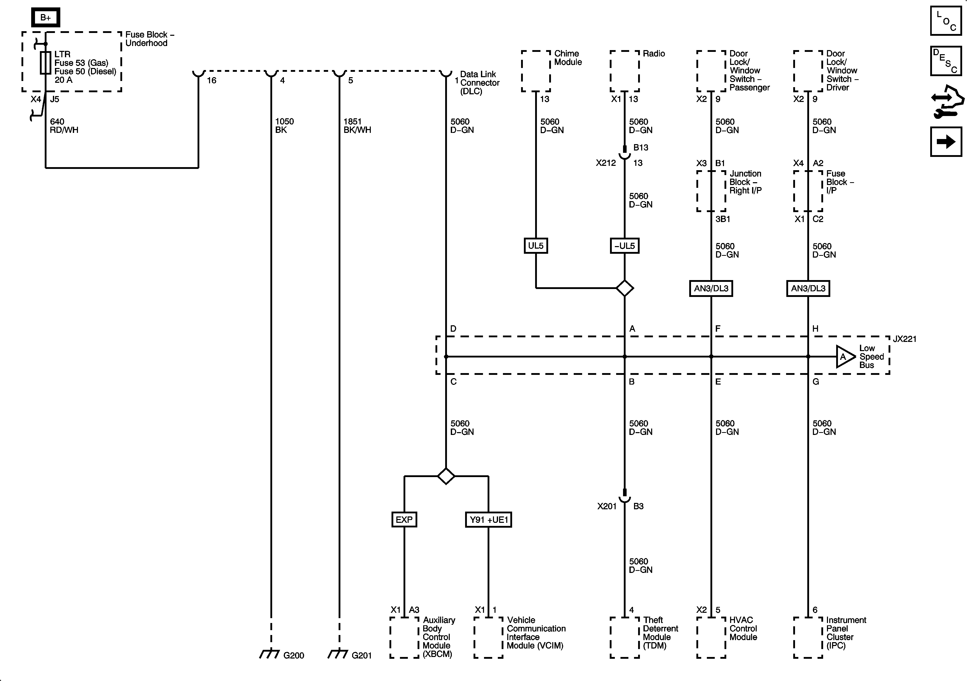
| Figure 2: |
Low Speed Bus - 2 of 3
|
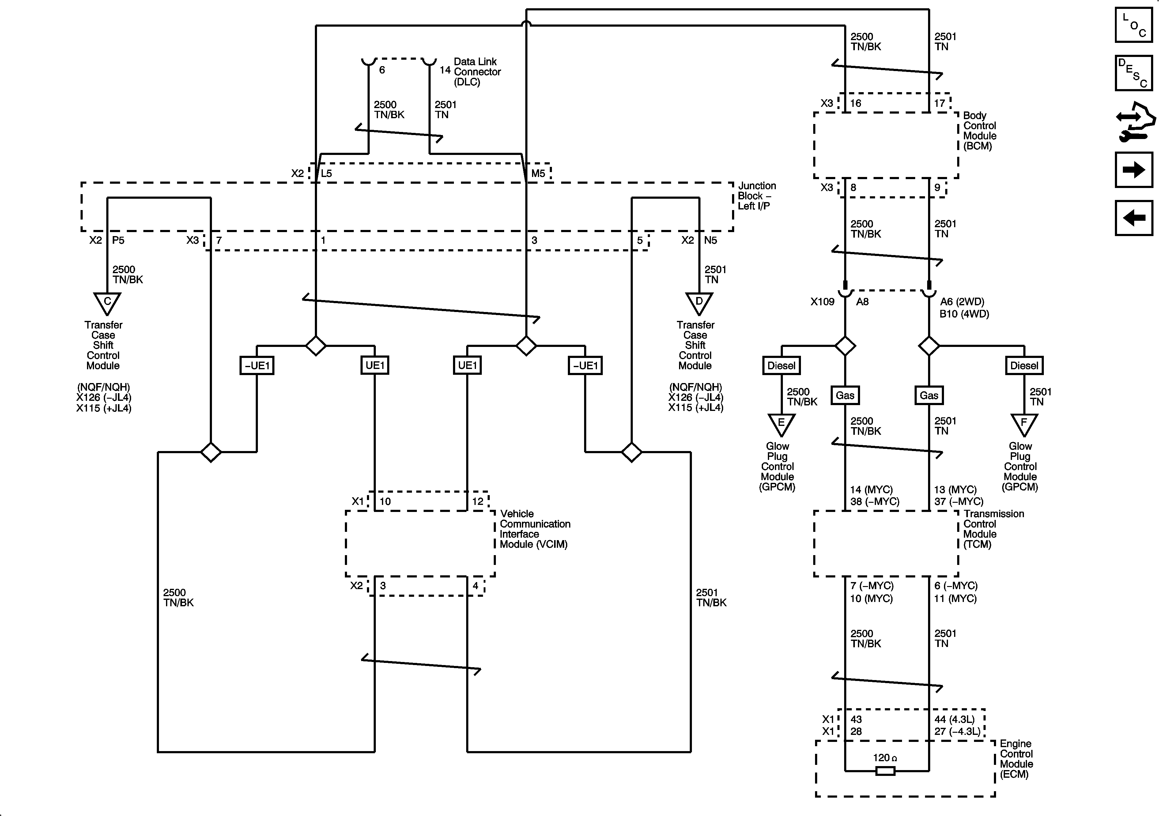
| Figure 3: |
Low Speed Bus - 3 of 3
|
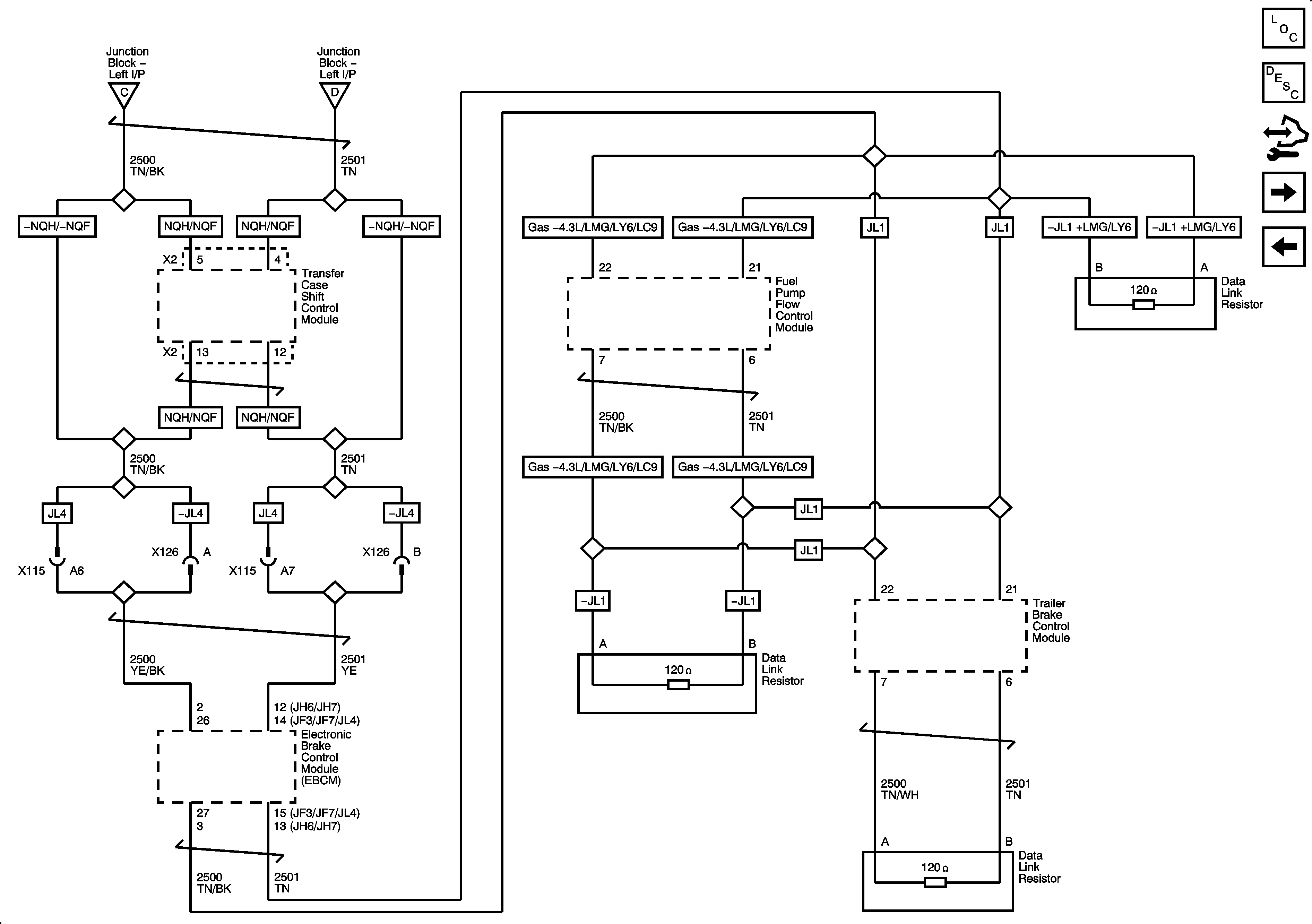
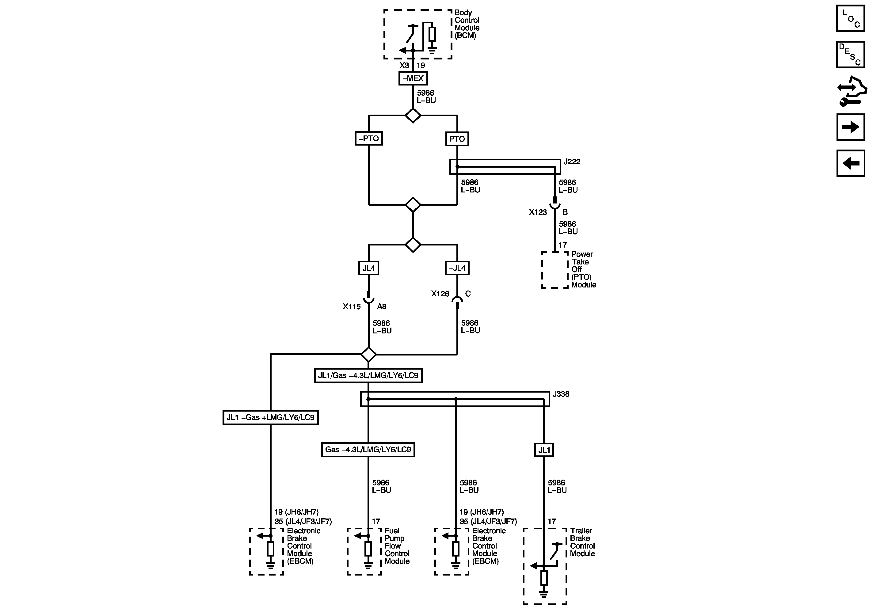
| Figure 4: |
High Speed Bus - 1 of 4 (except MEX)
|
| Figure 5: |
High Speed Bus - 2 of 4 (except MEX)
|
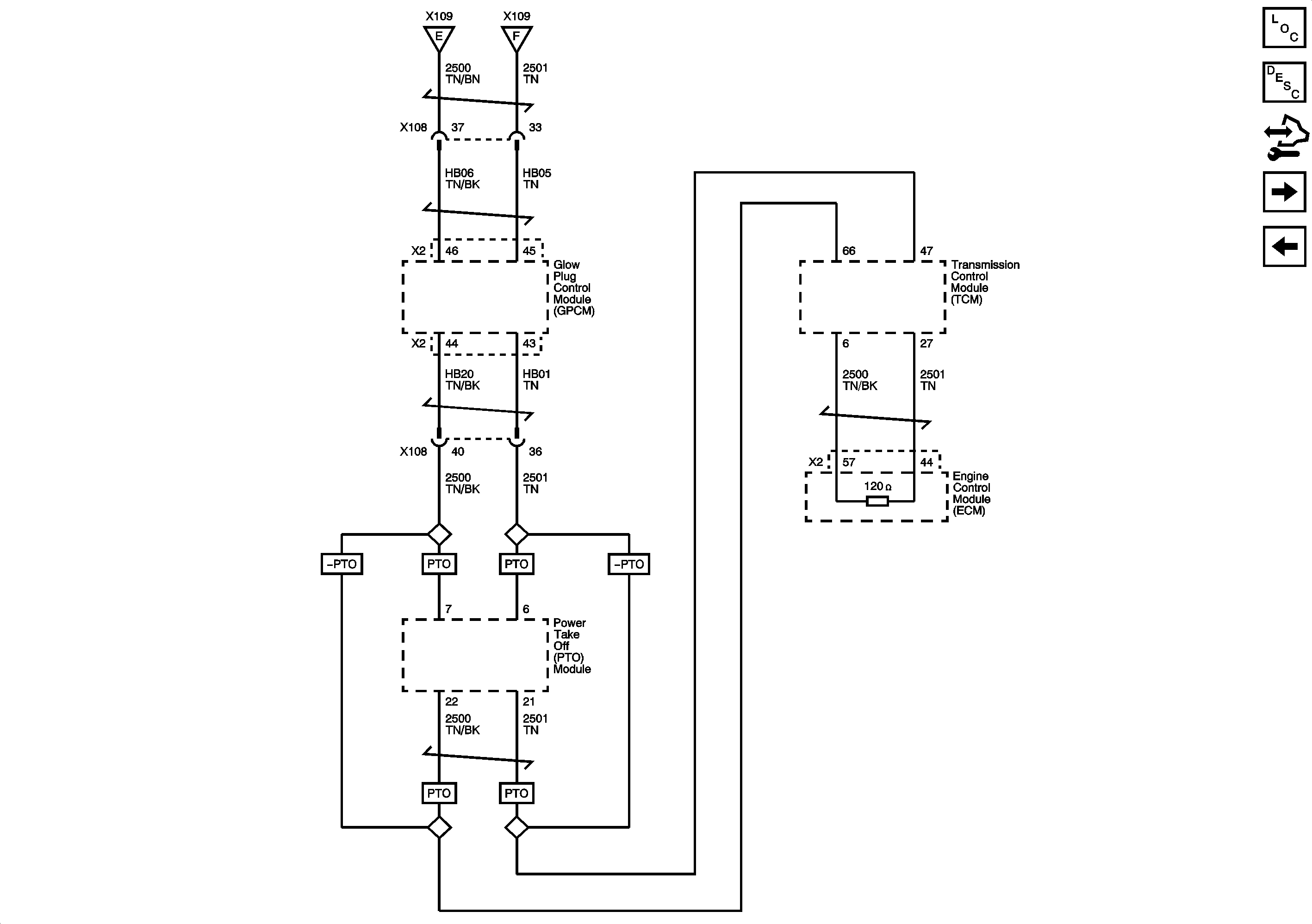
| Figure 6: |
High Speed Bus - 3 of 4 (Diesel)
|
| Figure 7: |
High Speed Bus - 4 of 4 (MEX)
|
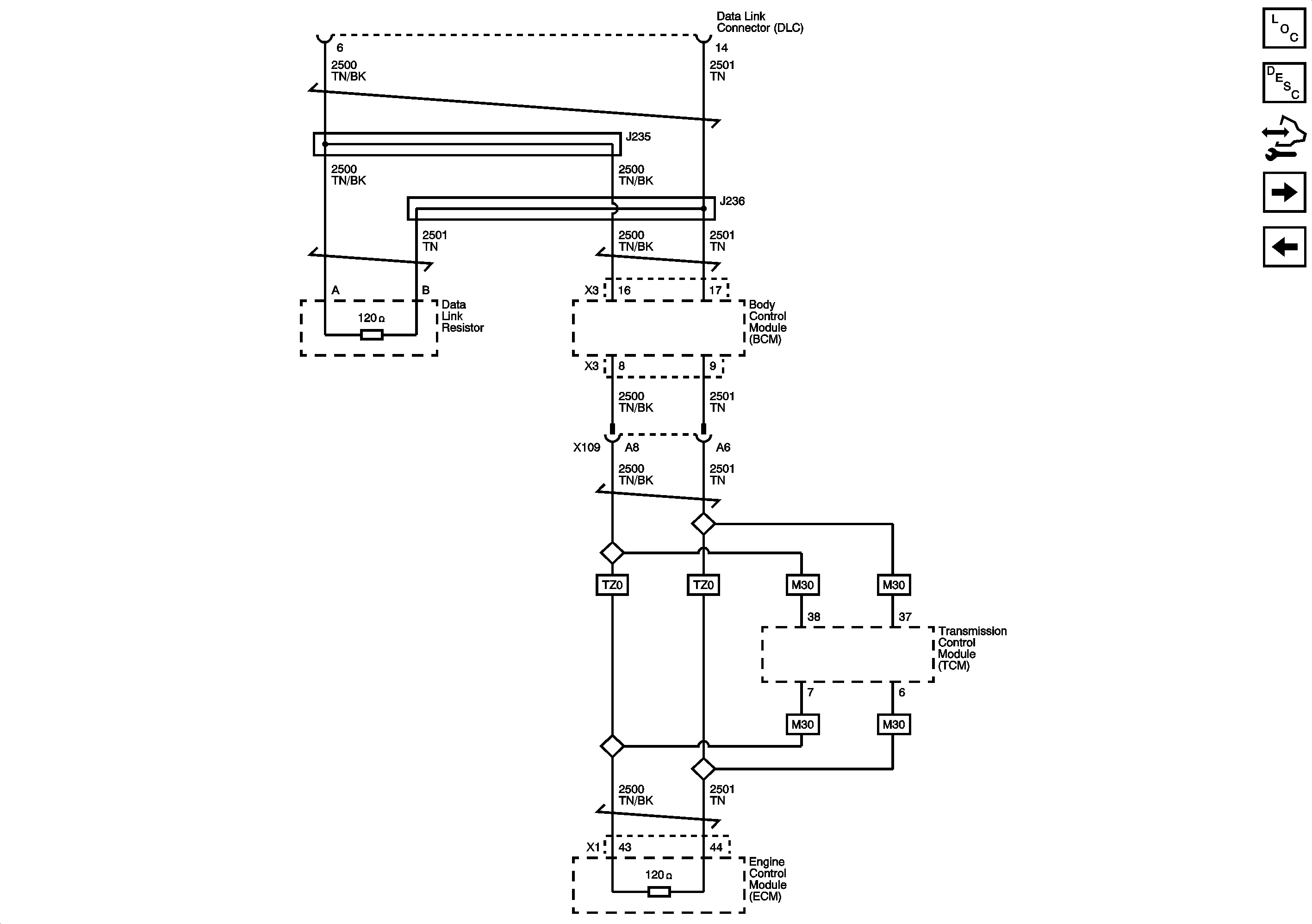
| Figure 8: |
Serial Data Communication Enable
|
| Figure 9: |
Accessory Wakeup Serial Data
|