GM Service Manual Online
For 1990-2009 cars only
Figure 1:

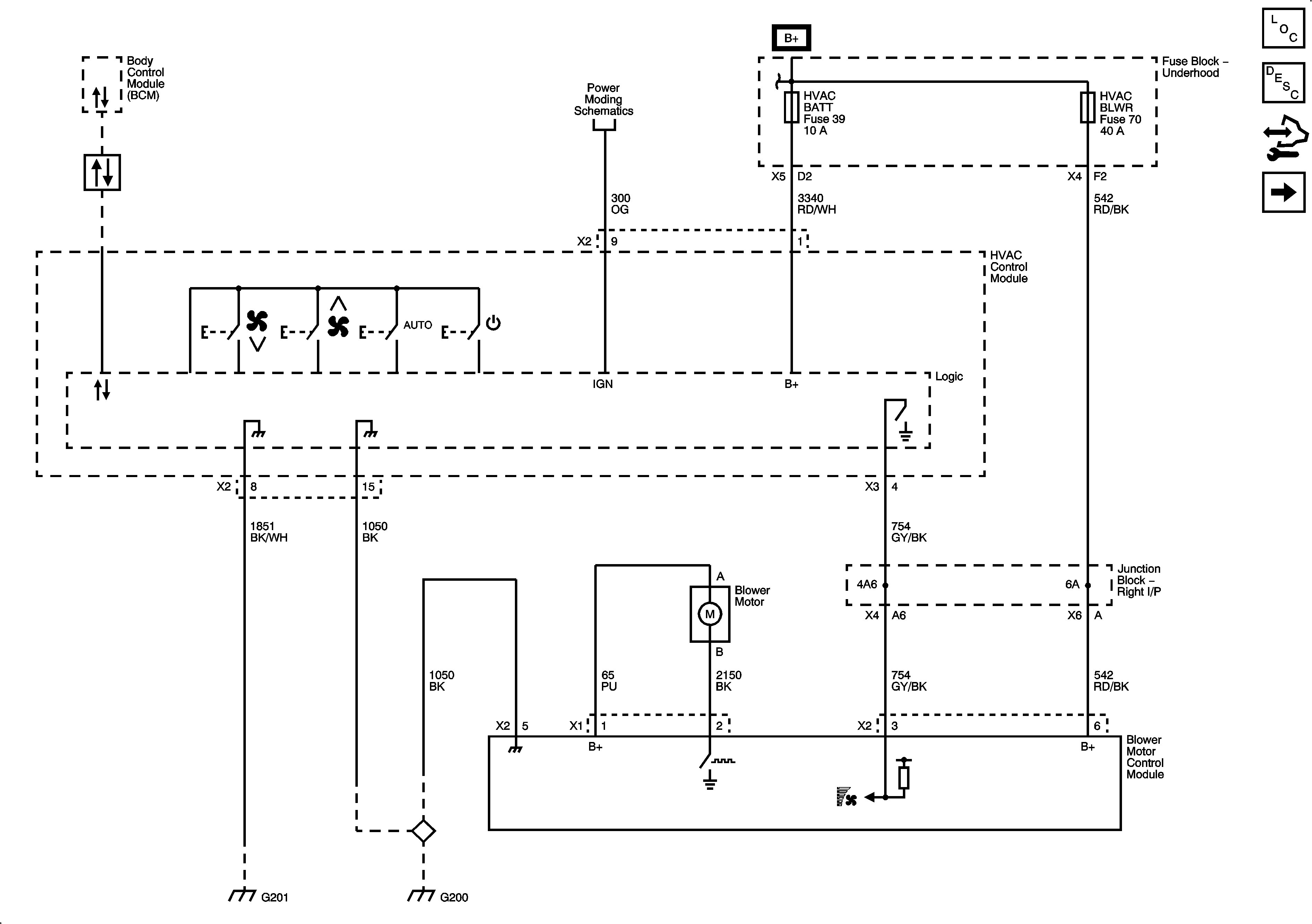
Module Power, Ground, Serial Data and Blower Controls


Object Number: 1915379  Size: FS
Master Electrical Component List
Air Temperature Description and Operation
Control Module References
Mode Controls
Figure 2:

Mode Controls


Object Number: 1915382  Size: FS
Master Electrical Component List
Air Delivery Description and Operation
Control Module References
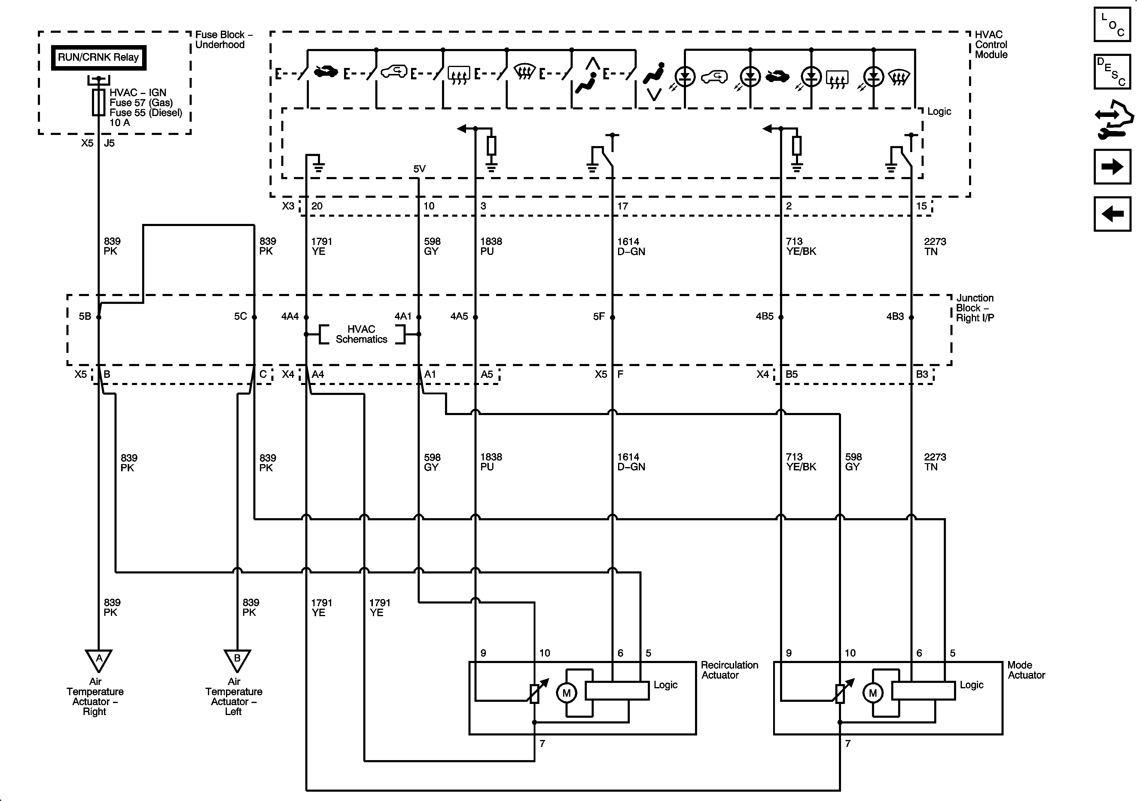
Temperature Controls
Module Power, Ground, Serial Data and Blower Controls
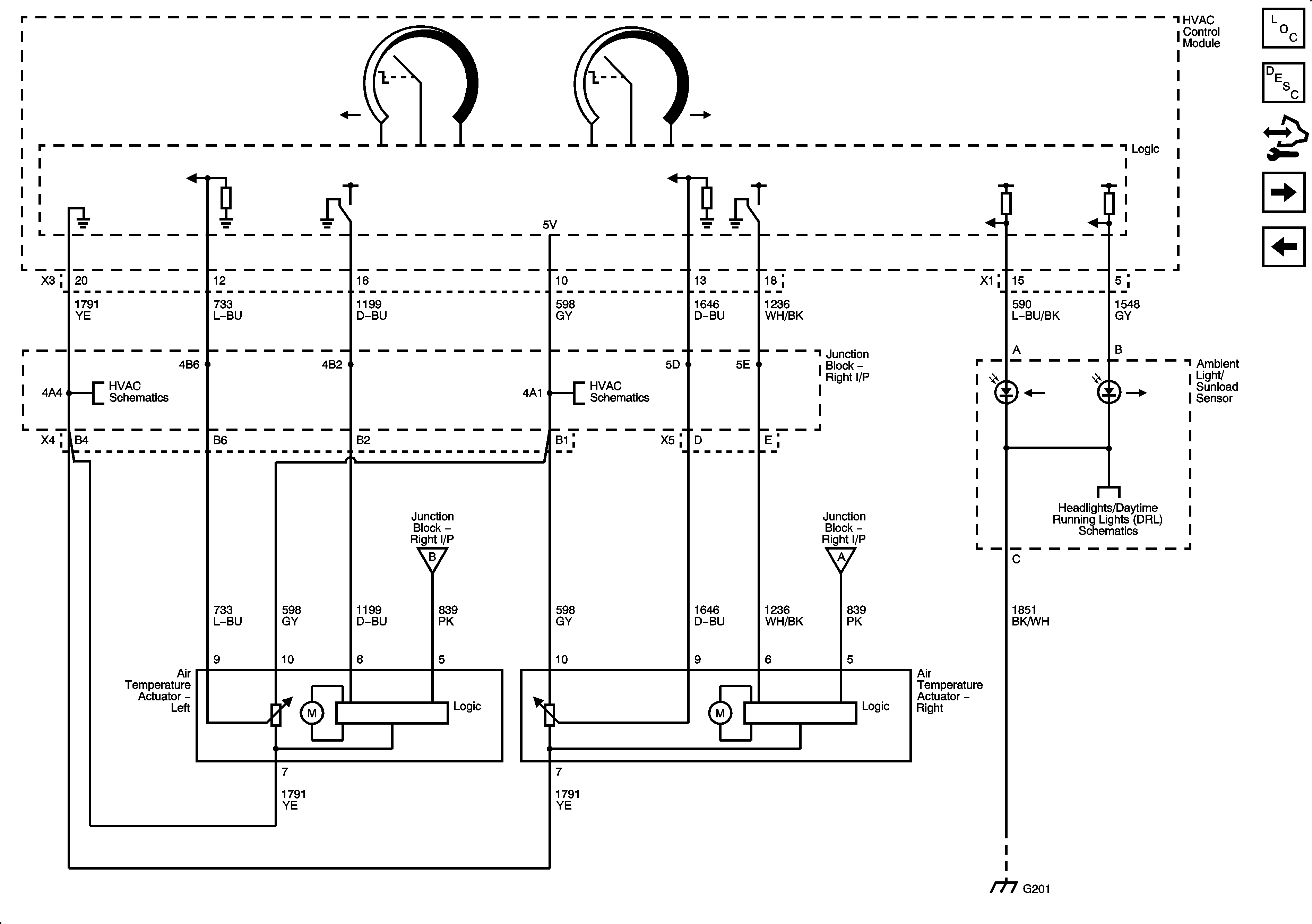
Figure 3:

Temperature Controls


Object Number: 1915384  Size: FS
Master Electrical Component List
Air Temperature Description and Operation
Control Module References
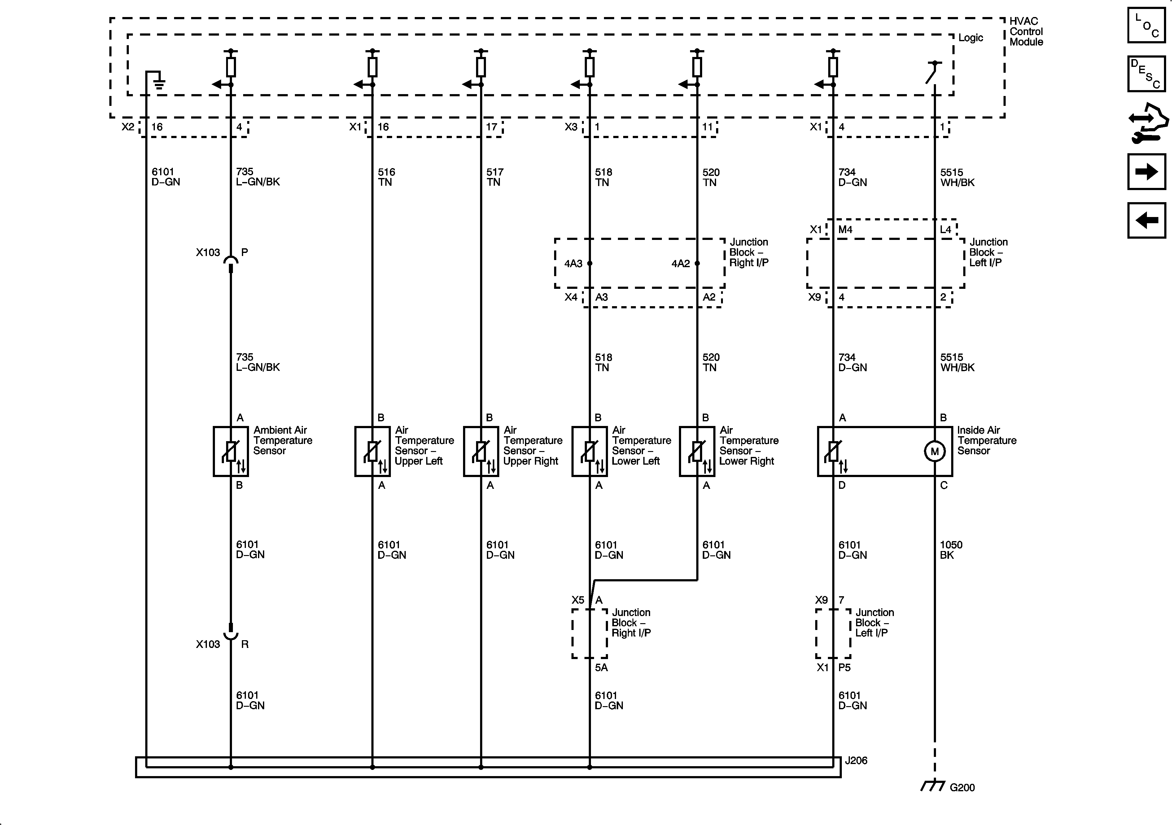
Temperature Sensors
Mode Controls
Figure 4:

Temperature Sensors


Object Number: 1915386  Size: FS
Master Electrical Component List
Air Temperature Description and Operation
Control Module References
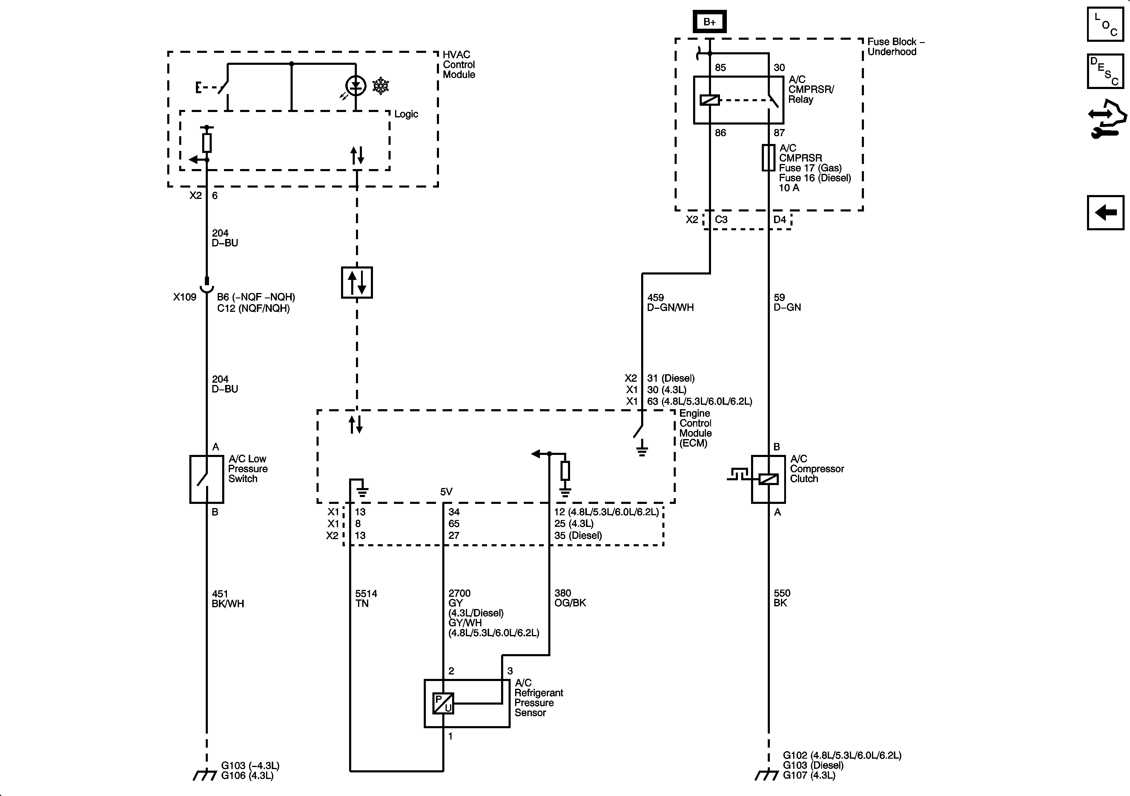
A/C Compressor Controls
Temperature Controls
Figure 5:

A/C Compressor Controls


Object Number: 1915388  Size: FS
Master Electrical Component List
Air Temperature Description and Operation
Control Module References
Temperature Sensors