GM Service Manual Online
For 1990-2009 cars only
Figure 1:

Module Power, Ground, Serial Data and Front Sensors


Object Number: 1916802  Size: FS
Master Electrical Component List
SIR System Description and Operation
Control Module References
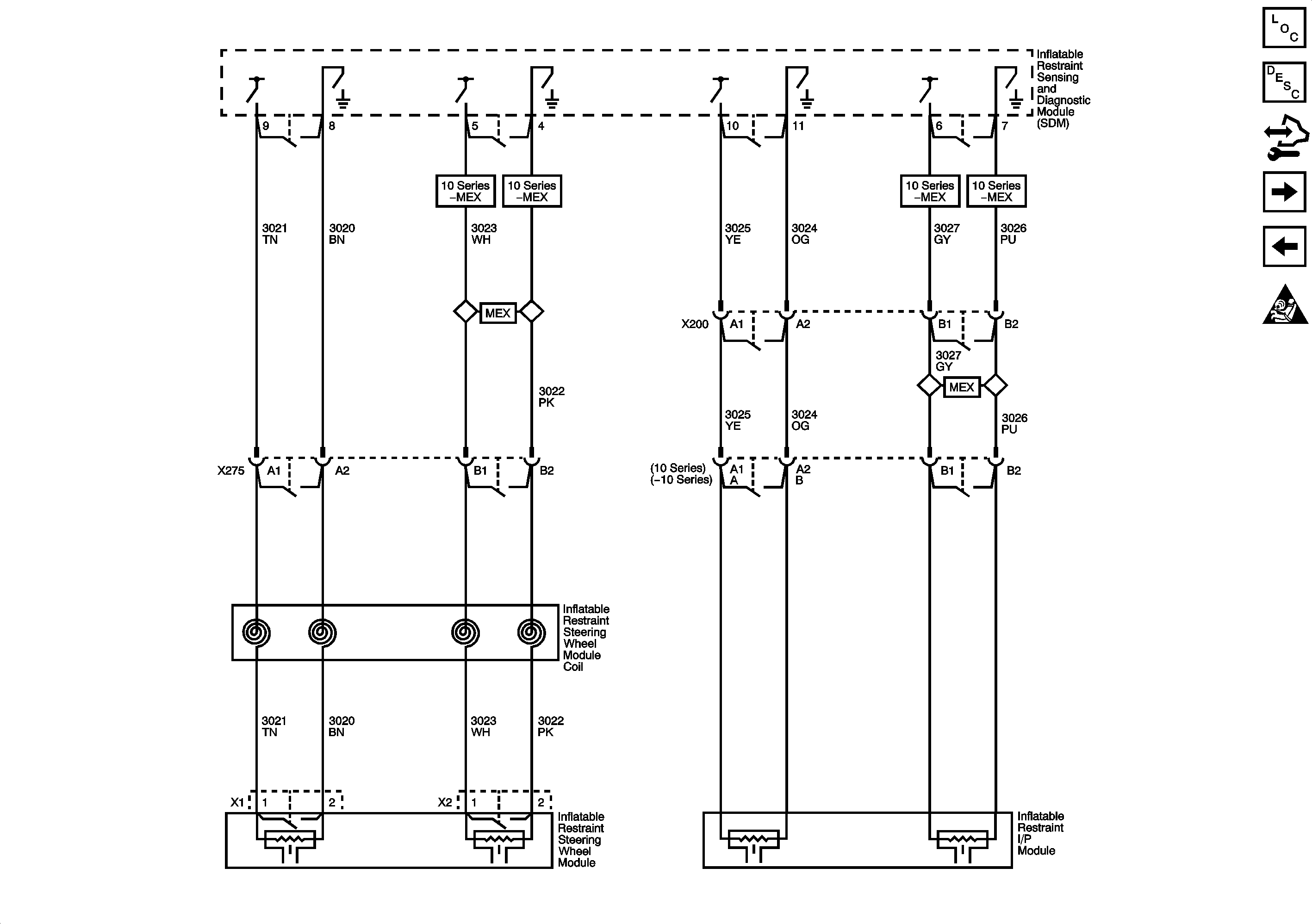
Steering Wheel and I/P Module
Figure 2:

Steering Wheel and I/P Module


Object Number: 1916807  Size: FS
Master Electrical Component List
SIR System Description and Operation
Control Module References
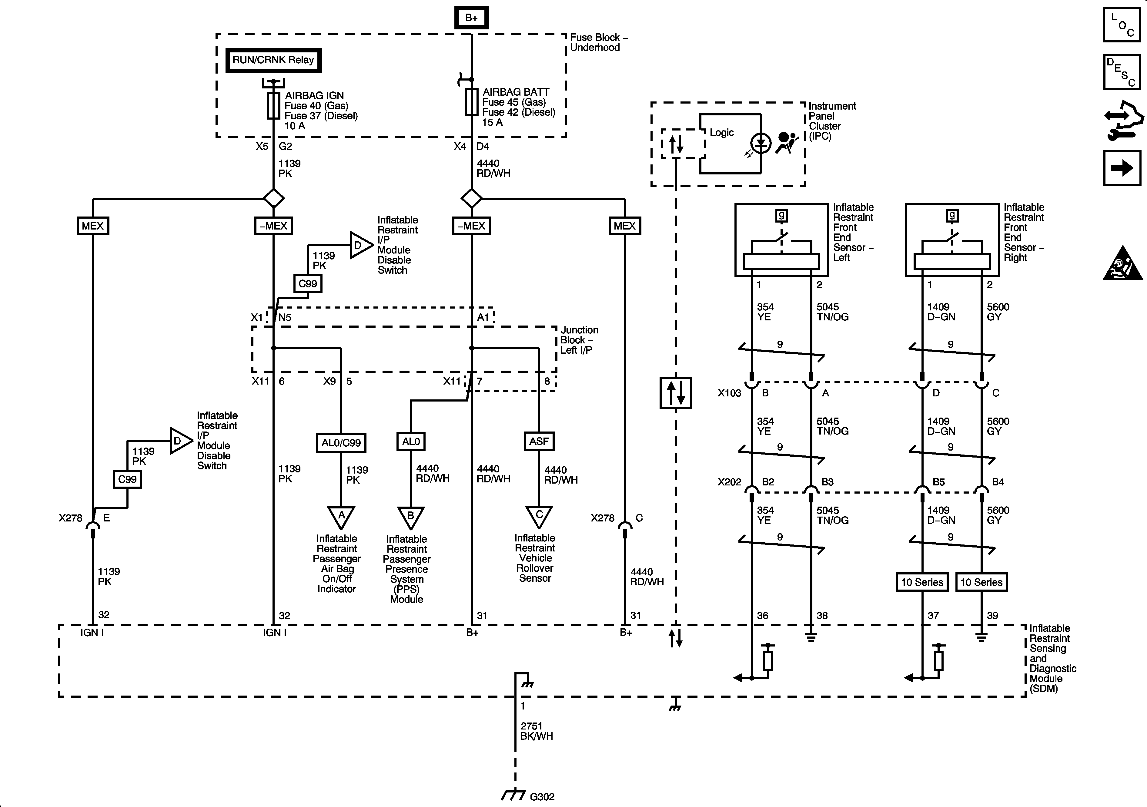
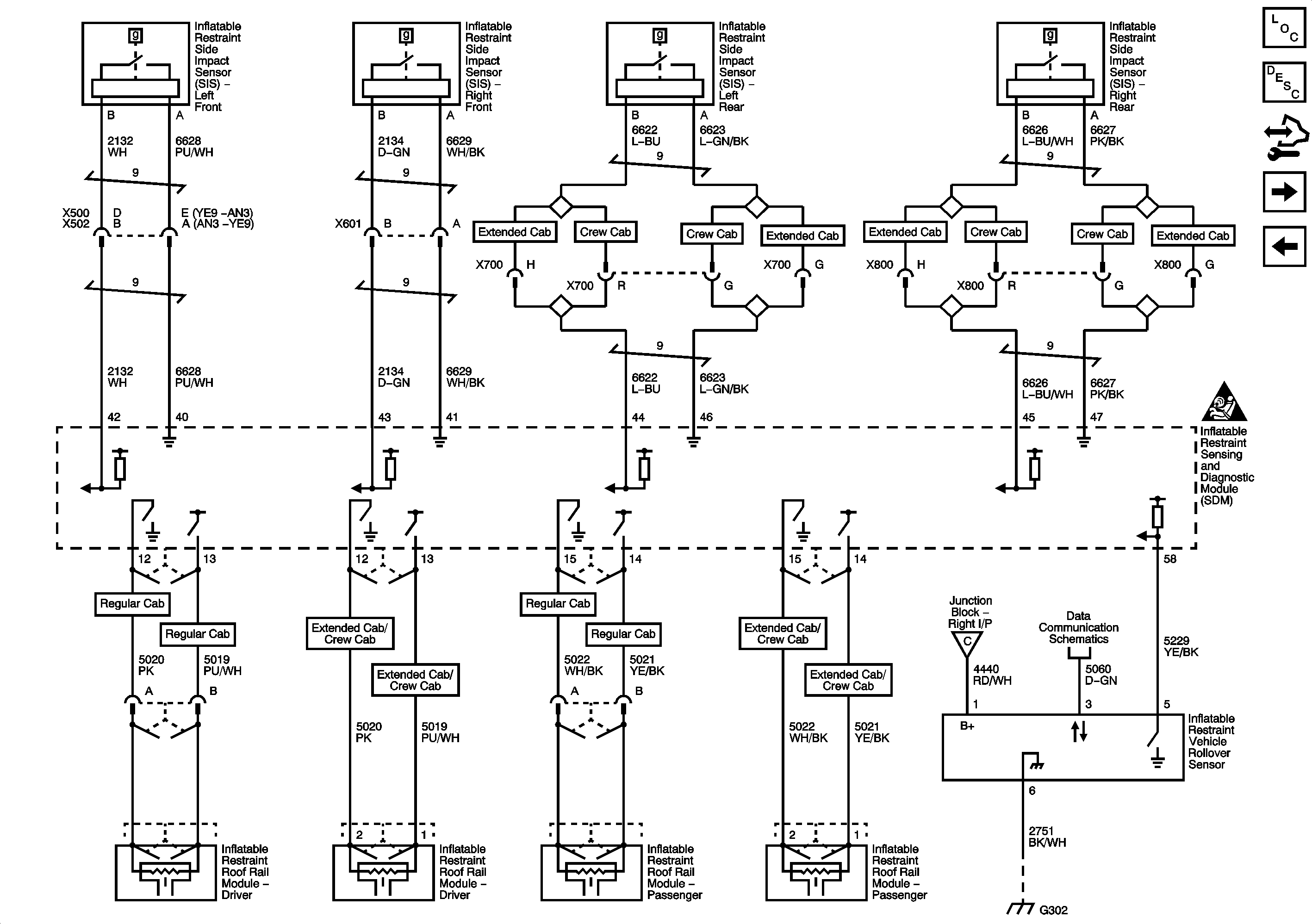
Side Impact Modules and Sensors (ASF)
Module Power, Ground, Serial Data and Front Sensors
Figure 3:

Side Impact Modules and Sensors (ASF)


Object Number: 1916809  Size: FS
Master Electrical Component List
SIR System Description and Operation
Control Module References
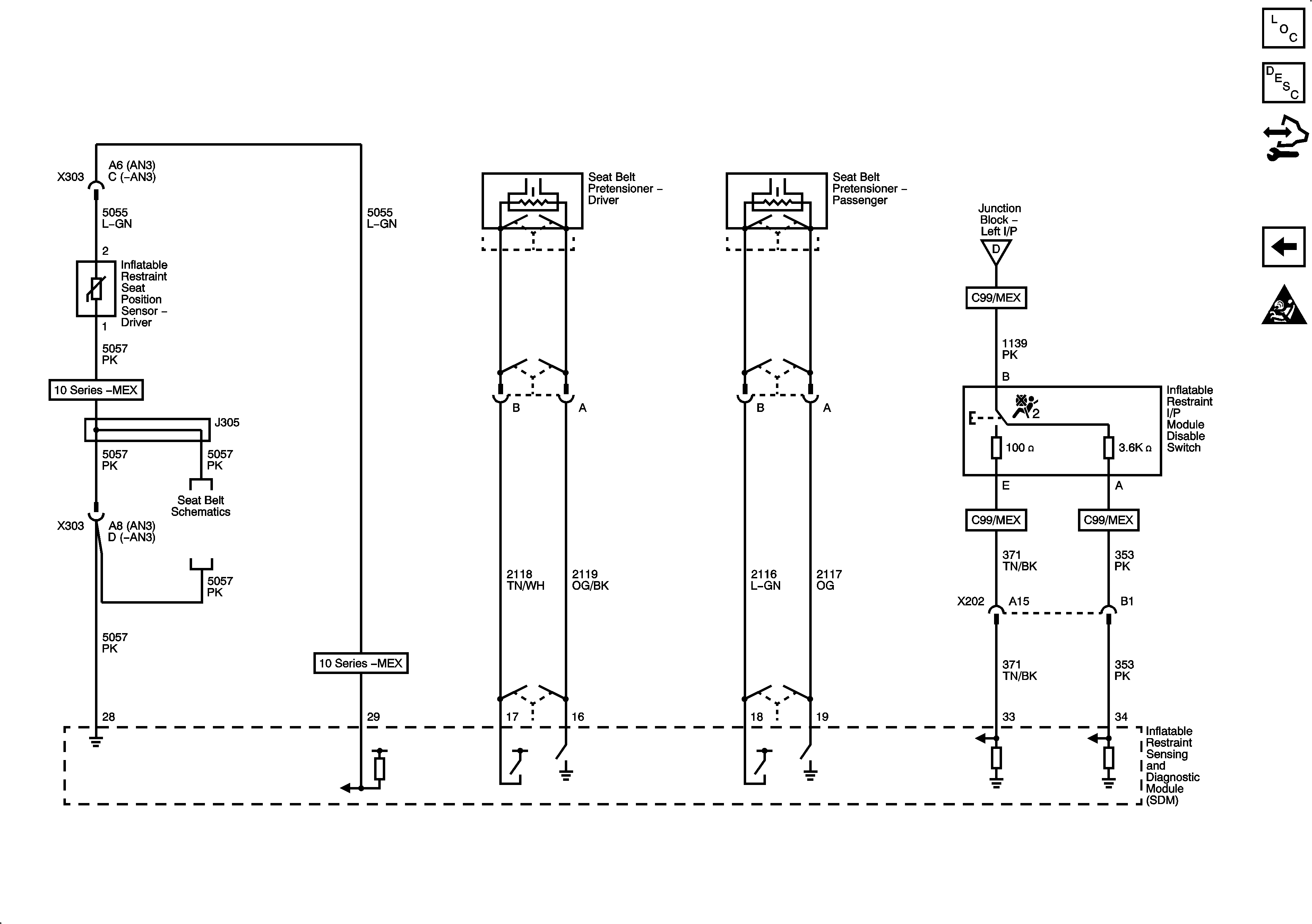
Passenger Presence System 1 of 2
Steering Wheel and I/P Module
Figure 4:

Passenger Presence System 1 of 2


Object Number: 1916811  Size: FS
Master Electrical Component List
SIR System Description and Operation
Control Module References
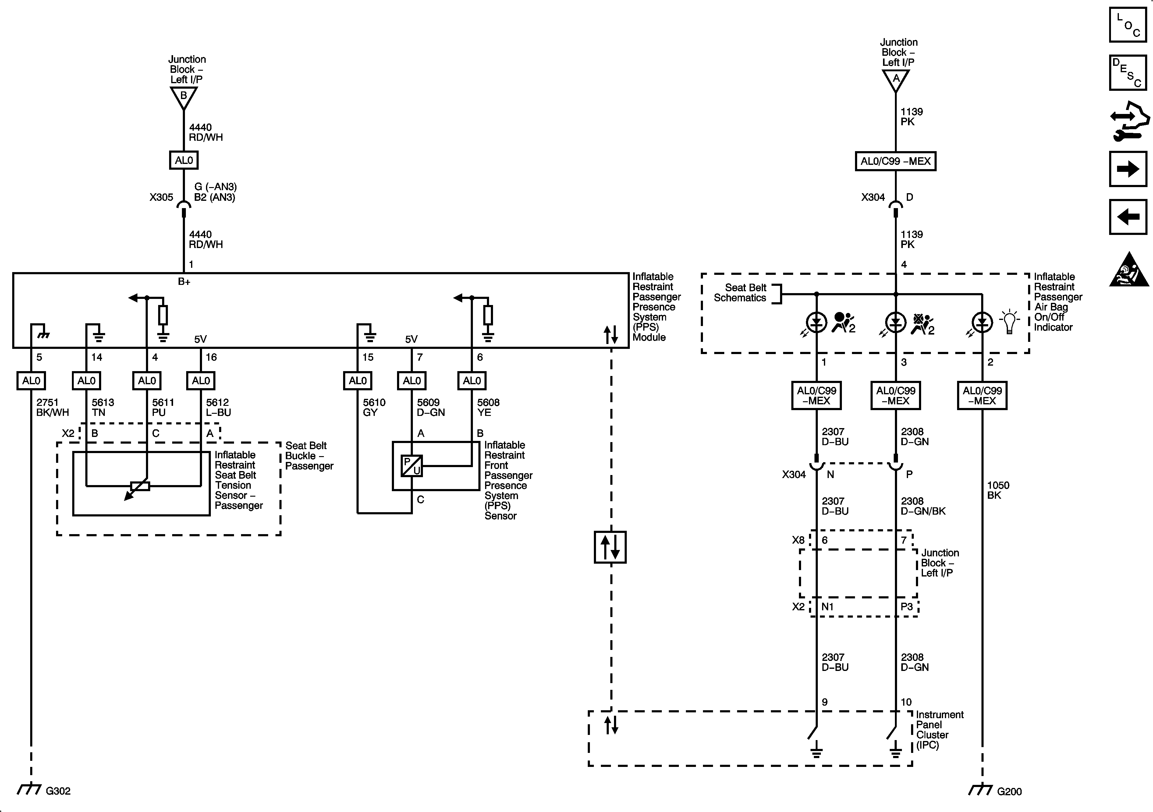
Passenger Presence System 2 of 2
Side Impact Modules and Sensors (ASF)
Figure 5:

Passenger Presence System 2 of 2


Object Number: 1916813  Size: FS
Master Electrical Component List
SIR System Description and Operation
Control Module References
Passenger Presence System 1 of 2