GM Service Manual Online
For 1990-2009 cars only

Fuel Tank Replacement 15 Reg Cab w/26 Gal Tank

Removal Procedure

Important: Clean the fuel and evaporative emission (EVAP) connections and surrounding areas prior to disconnecting the lines in order to avoid possible system contamination.


    Object Number: 1854337  Size: SH
  1. Relieve the fuel system pressure. Refer to Fuel Pressure Relief.
  2. Drain the fuel tank. Refer to Fuel Tank Draining.
  3. Remove the fuel tank fill pipe. Refer to Fuel Tank Filler Pipe Replacement.
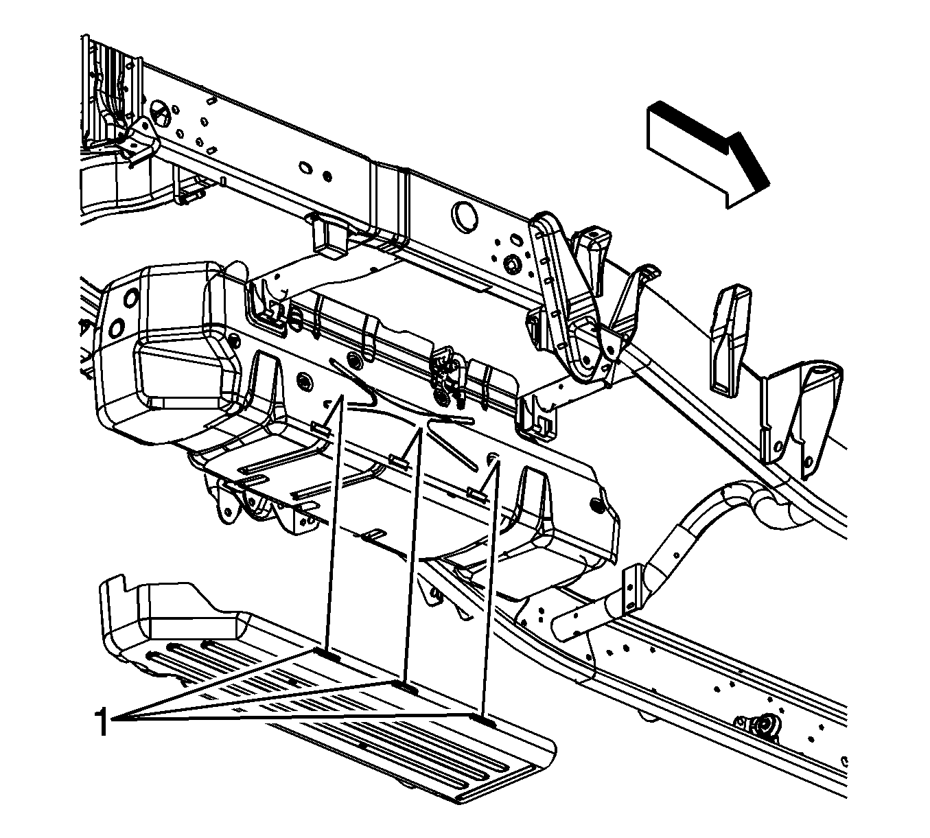
  4. Disconnect the fuel tank fuel feed (1) and EVAP (2) line quick connect fittings from the chassis lines. Refer to Plastic Collar Quick Connect Fitting Service.
  5. Cap the fuel and EVAP lines in order to prevent possible system contamination.

  6. Object Number: 1854542  Size: SH
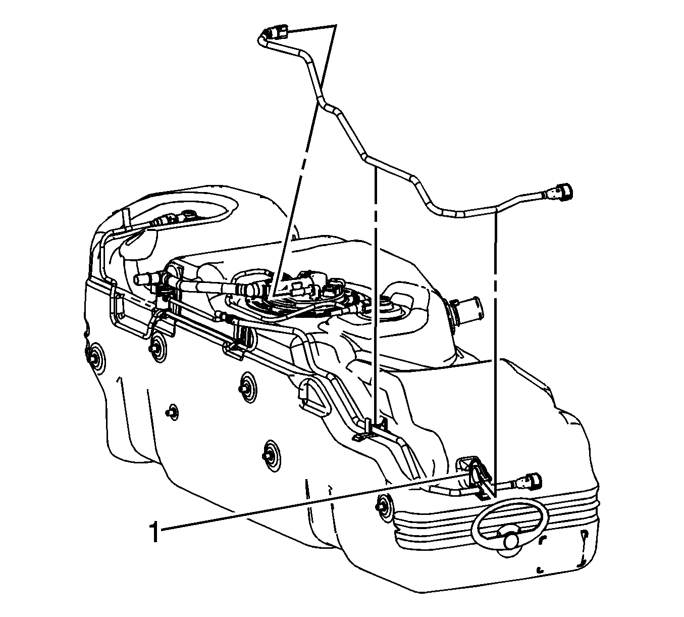
  7. Remove the EVAP canister vent solenoid pipe clip (1) from the frame crossmember.
  8. Disconnect the EVAP canister pipe quick connect fitting (2) from the fuel tank EVAP pipe. Refer to Plastic Collar Quick Connect Fitting Service.
  9. Disconnect the EVAP canister vent solenoid pipe quick connect fitting (3) from the EVAP canister. Refer to Plastic Collar Quick Connect Fitting Service.
  10. Disconnect the chassis wiring harness electrical connector from the EVAP canister vent solenoid.
  11. Remove the chassis wiring harness clip from the fuel tank shield.

  12. Object Number: 1854543  Size: SH
  13. Insert a small flat bladed tool between the EVAP canister vent solenoid and the fuel tank bracket, disengaging the retainer (1).
  14. Slide the EVAP canister vent solenoid off the bracket towards the passenger side of the vehicle.
  15. Position and secure the EVAP canister vent solenoid out of the way.

  16. Object Number: 1854455  Size: SH
  17. Place a suitable adjustable jack under the fuel tank.
  18. Remove the fuel tank strap bolts.
  19. Remove the fuel tank straps.
  20. Important: When lowering the tank, ensure that the fill neck on the tank does not get hung up on the chassis wiring harness.

  21. Lower the fuel tank half way.
  22. Disconnect the chassis wiring harness clip at the frame crossmember.
  23. Lower the fuel tank until the electrical connections are accessible.

  24. Object Number: 1854422  Size: SH
  25. Disconnect the chassis wiring harness electrical connector from the fuel tank pressure sensor.
  26. Disconnect the chassis wiring harness electrical connector from the fuel tank module.
  27. Completely lower the fuel tank.
  28. With the aid of an assistant, place the fuel tank in a suitable work area.
  29. If replacing the fuel tank proceed to the next step, otherwise proceed to step 10 in the installation procedure.

  30. Object Number: 1854481  Size: SH
  31. Remove the fuel tank shield push on retainers.
  32. Remove the fuel tank shield.

  33. Object Number: 1854498  Size: SH
  34. Disconnect the fuel feed pipe quick connect fitting from the fuel tank module. Refer to Plastic Collar Quick Connect Fitting Service.
  35. Remove the fuel feed pipe from the fuel tank clip (1).

  36. Object Number: 1854507  Size: SH
  37. Remove the EVAP canister purge pipe from the fuel tank clip (1).

  38. Object Number: 1854508  Size: SH
  39. Disconnect the EVAP rear pipe quick connect fittings from the rollover valve and the fuel tank module. Refer to Plastic Collar Quick Connect Fitting Service.
  40. Remove the EVAP rear pipe from the fuel tank clips (1 and 2).

  41. Object Number: 1854510  Size: SH
  42. Disconnect the small EVAP rear pipe quick connect fittings from the rollover valve and the fuel tank module. Refer to Plastic Collar Quick Connect Fitting Service.
  43. Remove the fuel tank module. Refer to Fuel Tank Fuel Pump Module Replacement.

Installation Procedure


    Object Number: 1854510  Size: SH
  1. Install the fuel tank module. Refer to Fuel Tank Fuel Pump Module Replacement.
  2. Position and connect the small EVAP rear pipe quick connect fittings to the rollover valve and the fuel tank module. Refer to Plastic Collar Quick Connect Fitting Service.

  3. Object Number: 1854508  Size: SH
  4. Position and connect the EVAP rear pipe quick connect fittings to the rollover valve and the fuel tank module. Refer to Plastic Collar Quick Connect Fitting Service.
  5. Install the EVAP rear pipe to the fuel tank clips (1 and 2).

  6. Object Number: 1854507  Size: SH
  7. Install the EVAP canister purge pipe to the fuel tank clip (1).

  8. Object Number: 1854498  Size: SH
  9. Position and connect the fuel feed pipe quick connect fitting to the fuel tank module. Refer to Plastic Collar Quick Connect Fitting Service.
  10. Install the fuel feed pipe to the fuel tank clip (1).

  11. Object Number: 1854481  Size: SH
  12. Position and install the fuel tank shield.
  13. Install the fuel tank shield push on retainers.

  14. Object Number: 1854422  Size: SH
  15. With the aid of an assistant, place the fuel tank in a the adjustable jack.
  16. Raise the fuel tank until the electrical connections can be made.
  17. Connect the chassis wiring harness electrical connector to the fuel tank module.
  18. Connect the chassis wiring harness electrical connector from the fuel pressure sensor.
  19. Completely raise the fuel tank into position.
  20. Notice: Refer to Fastener Notice in the Preface section.


    Object Number: 1854455  Size: SH
  21. Install the fuel tank straps.
  22. Install the fuel tank strap bolts.
  23. Tighten
    Tighten the bolts to 40 N·m (30 lb ft).

  24. Remove the adjustable jack from under the fuel tank.

  25. Object Number: 1854543  Size: SH
  26. Unsecure and position the EVAP canister vent solenoid to the fuel tank.
  27. Slide the EVAP canister vent solenoid onto the bracket towards the driver side of the vehicle.
  28. Ensure that the EVAP canister vent solenoid engages the fuel tank bracket retainer (1).

  29. Object Number: 1854542  Size: SH
  30. Connect the EVAP canister vent solenoid pipe quick connect fitting (3) to the EVAP canister. Refer to Plastic Collar Quick Connect Fitting Service.
  31. Connect the EVAP canister pipe quick connect fitting (2) to the fuel tank EVAP pipe. Refer to Plastic Collar Quick Connect Fitting Service.
  32. Install the EVAP canister vent solenoid pipe clip (1) to the frame crossmember.
  33. Connect the chassis wiring harness electrical connector to the EVAP canister vent solenoid.
  34. Install the chassis wiring harness clip to the fuel tank shield.

  35. Object Number: 1854337  Size: SH
  36. Remove the caps from the fuel and EVAP lines.
  37. Connect the fuel tank fuel feed (1) and EVAP (2) line quick connect fittings to the chassis lines. Refer to Plastic Collar Quick Connect Fitting Service.
  38. Install the fuel tank fill pipe. Refer to Fuel Tank Filler Pipe Replacement.
  39. Refill the fuel tank.
  40. Install the fuel cap.
  41. Connect the negative battery cable. Refer to Battery Negative Cable Disconnection and Connection.
  42. Perform the following procedure in order to inspect for leaks:
  43. 32.1. Turn the ignition ON, with the engine OFF, for 2 seconds.
    32.2. Turn the ignition OFF for 10 seconds.
    32.3. Turn the ignition ON, with the engine OFF.
    32.4. Inspect for fuel leaks.

Fuel Tank Replacement 25 Ext/Crew Cab w/26 gal Tank

Removal Procedure

Important: Clean the fuel and evaporative emission (EVAP) connections and surrounding areas prior to disconnecting the lines in order to avoid possible system contamination.


    Object Number: 1854337  Size: SH
  1. Relieve the fuel system pressure. Refer to Fuel Pressure Relief.
  2. Drain the fuel tank. Refer to Fuel Tank Draining.
  3. Remove the fuel tank fill pipe. Refer to Fuel Tank Filler Pipe Replacement.
  4. Disconnect the fuel tank fuel feed (1) and EVAP (2) line quick connect fittings from the chassis lines. Refer to Plastic Collar Quick Connect Fitting Service.
  5. Cap the fuel and EVAP lines in order to prevent possible system contamination.

  6. Object Number: 1854542  Size: SH
  7. Remove the EVAP canister vent solenoid pipe clip (1) from the frame crossmember.
  8. Disconnect the EVAP canister pipe quick connect fitting (2) from the fuel tank EVAP pipe. Refer to Plastic Collar Quick Connect Fitting Service.
  9. Disconnect the EVAP canister vent solenoid pipe quick connect fitting (3) from the EVAP canister. Refer to Plastic Collar Quick Connect Fitting Service.
  10. Disconnect the chassis wiring harness electrical connector from the EVAP canister vent solenoid.
  11. Remove the chassis wiring harness clip from the fuel tank shield.

  12. Object Number: 1854543  Size: SH
  13. Insert a small flat bladed tool between the EVAP canister vent solenoid and the fuel tank bracket, disengaging the retainer (1).
  14. Slide the EVAP canister vent solenoid off the bracket towards the passenger side of the vehicle.
  15. Position and secure the EVAP canister vent solenoid out of the way.

  16. Object Number: 1854455  Size: SH
  17. Place a suitable adjustable jack under the fuel tank.
  18. Remove the fuel tank strap bolts.
  19. Remove the fuel tank straps.
  20. Important: When lowering the tank, ensure that the fill neck on the tank does not get hung up on the chassis wiring harness.

  21. Lower the fuel tank half way.
  22. Disconnect the chassis wiring harness clip at the frame crossmember.
  23. Lower the fuel tank until the electrical connections are accessible.

  24. Object Number: 1854422  Size: SH
  25. Disconnect the chassis wiring harness electrical connector from the fuel tank pressure sensor.
  26. Disconnect the chassis wiring harness electrical connector from the fuel tank module.
  27. Completely lower the fuel tank.
  28. With the aid of an assistant, place the fuel tank in a suitable work area.
  29. If replacing the fuel tank proceed to the next step, otherwise proceed to step 10 in the installation procedure.

  30. Object Number: 1854481  Size: SH
  31. Remove the fuel tank shield push on retainers.
  32. Remove the fuel tank shield.

  33. Object Number: 1854498  Size: SH
  34. Disconnect the fuel feed pipe quick connect fitting from the fuel tank module. Refer to Plastic Collar Quick Connect Fitting Service.
  35. Remove the fuel feed pipe from the fuel tank clip (1).

  36. Object Number: 1854507  Size: SH
  37. Remove the EVAP canister purge pipe from the fuel tank clip (1).

  38. Object Number: 1854508  Size: SH
  39. Disconnect the EVAP rear pipe quick connect fittings from the rollover valve and the fuel tank module. Refer to Plastic Collar Quick Connect Fitting Service.
  40. Remove the EVAP rear pipe from the fuel tank clips (1 and 2).

  41. Object Number: 1854510  Size: SH
  42. Disconnect the small EVAP rear pipe quick connect fittings from the rollover valve and the fuel tank module. Refer to Plastic Collar Quick Connect Fitting Service.
  43. Remove the fuel tank module. Refer to Fuel Tank Fuel Pump Module Replacement.

Installation Procedure


    Object Number: 1854510  Size: SH
  1. Install the fuel tank module. Refer to Fuel Tank Fuel Pump Module Replacement.
  2. Position and connect the small EVAP rear pipe quick connect fittings to the rollover valve and the fuel tank module. Refer to Plastic Collar Quick Connect Fitting Service.

  3. Object Number: 1854508  Size: SH
  4. Position and connect the EVAP rear pipe quick connect fittings to the rollover valve and the fuel tank module. Refer to Plastic Collar Quick Connect Fitting Service.
  5. Install the EVAP rear pipe to the fuel tank clips (1 and 2).

  6. Object Number: 1854507  Size: SH
  7. Install the EVAP canister purge pipe to the fuel tank clip (1).

  8. Object Number: 1854498  Size: SH
  9. Position and connect the fuel feed pipe quick connect fitting to the fuel tank module. Refer to Plastic Collar Quick Connect Fitting Service.
  10. Install the fuel feed pipe to the fuel tank clip (1).

  11. Object Number: 1854481  Size: SH
  12. Position and install the fuel tank shield.
  13. Install the fuel tank shield push on retainers.

  14. Object Number: 1854422  Size: SH
  15. With the aid of an assistant, place the fuel tank in a the adjustable jack.
  16. Raise the fuel tank until the electrical connections can be made.
  17. Connect the chassis wiring harness electrical connector to the fuel tank module.
  18. Connect the chassis wiring harness electrical connector from the fuel pressure sensor.
  19. Completely raise the fuel tank into position.
  20. Notice: Refer to Fastener Notice in the Preface section.


    Object Number: 1854455  Size: SH
  21. Install the fuel tank straps.
  22. Install the fuel tank strap bolts.
  23. Tighten
    Tighten the bolts to 40 N·m (30 lb ft).

  24. Remove the adjustable jack from under the fuel tank.

  25. Object Number: 1854543  Size: SH
  26. Unsecure and position the EVAP canister vent solenoid to the fuel tank.
  27. Slide the EVAP canister vent solenoid onto the bracket towards the driver side of the vehicle.
  28. Ensure that the EVAP canister vent solenoid engages the fuel tank bracket retainer (1).

  29. Object Number: 1854542  Size: SH
  30. Connect the EVAP canister vent solenoid pipe quick connect fitting (3) to the EVAP canister. Refer to Plastic Collar Quick Connect Fitting Service.
  31. Connect the EVAP canister pipe quick connect fitting (2) to the fuel tank EVAP pipe. Refer to Plastic Collar Quick Connect Fitting Service.
  32. Install the EVAP canister vent solenoid pipe clip (1) to the frame crossmember.
  33. Connect the chassis wiring harness electrical connector to the EVAP canister vent solenoid.
  34. Install the chassis wiring harness clip to the fuel tank shield.

  35. Object Number: 1854337  Size: SH
  36. Remove the caps from the fuel and EVAP lines.
  37. Connect the fuel tank fuel feed (1) and EVAP (2) line quick connect fittings to the chassis lines. Refer to Plastic Collar Quick Connect Fitting Service.
  38. Install the fuel tank fill pipe. Refer to Fuel Tank Filler Pipe Replacement.
  39. Refill the fuel tank.
  40. Install the fuel cap.
  41. Connect the negative battery cable. Refer to Battery Negative Cable Disconnection and Connection.
  42. Perform the following procedure in order to inspect for leaks:
  43. 32.1. Turn the ignition ON, with the engine OFF, for 2 seconds.
    32.2. Turn the ignition OFF for 10 seconds.
    32.3. Turn the ignition ON, with the engine OFF.
    32.4. Inspect for fuel leaks.

Fuel Tank Replacement 15 Ext/Crew Cab w/26 gal Tank

Removal Procedure

Important: Clean the fuel and evaporative emission (EVAP) connections and surrounding areas prior to disconnecting the lines in order to avoid possible system contamination.


    Object Number: 1501882  Size: SH
  1. Relieve the fuel system pressure. Refer to Fuel Pressure Relief.
  2. Drain the fuel tank. Refer to Fuel Tank Draining.
  3. Remove the fuel tank shield bolts, if equipped.

  4. Object Number: 1853724  Size: SH
  5. Remove the fuel tank shield from the fuel tank shield tabs (1), if equipped.

  6. Object Number: 1854683  Size: SH
  7. Disconnect the fuel tank fuel feed line quick connect fitting (1) from the chassis line. Refer to Plastic Collar Quick Connect Fitting Service.
  8. Disconnect the fuel tank EVAP line quick connect fitting (3) from the EVAP canister. Refer to Plastic Collar Quick Connect Fitting Service.
  9. Cap the fuel and EVAP lines in order to prevent possible system contamination.

  10. Object Number: 1854455  Size: SH
  11. Place a suitable adjustable jack under the fuel tank.
  12. Remove the fuel tank strap bolts.
  13. Remove the fuel tank straps.
  14. Important: When lowering the tank, ensure that the fill neck on the tank does not get hung up on the chassis wiring harness.

  15. Lower the fuel tank half way.
  16. 11.1. Loosen the fuel fill pipe clamp at the fuel tank.
    11.2. Separate the fuel fill pipe from the fuel tank.
  17. Disconnect the chassis wiring harness clip at the frame crossmember.
  18. Lower the fuel tank until the electrical connections are accessible.

  19. Object Number: 1854685  Size: SH
  20. Disconnect the chassis wiring harness electrical connector from the fuel tank pressure sensor.
  21. Disconnect the chassis wiring harness electrical connector from the fuel tank module.
  22. Completely lower the fuel tank.
  23. With the aid of an assistant, place the fuel tank in a suitable work area.
  24. If replacing the fuel tank proceed to the next step, otherwise proceed to step 10 in the installation procedure.

  25. Object Number: 1854687  Size: SH
  26. Remove the fuel tank shield push on retainers.
  27. Remove the fuel tank shield.

  28. Object Number: 1854688  Size: SH
  29. Disconnect the fuel feed pipe quick connect fitting from the fuel tank module. Refer to Plastic Collar Quick Connect Fitting Service.
  30. Remove the fuel feed pipe from the fuel tank clips (1).

  31. Object Number: 1854689  Size: SH
  32. Disconnect the EVAP pipe quick connect fitting from the fuel tank module. Refer to Plastic Collar Quick Connect Fitting Service.
  33. Remove the EVAP pipe from the fuel tank clips (1).

  34. Object Number: 1854690  Size: SH
  35. Disconnect the EVAP pipe quick connect fittings from the rollover valve and the fuel tank module. Refer to Plastic Collar Quick Connect Fitting Service.
  36. Remove the EVAP pipe from the fuel tank clips (1 and 2).
  37. Remove the fuel tank module. Refer to Fuel Tank Fuel Pump Module Replacement.

Installation Procedure


    Object Number: 1854690  Size: SH
  1. Install the fuel tank module. Refer to Fuel Tank Fuel Pump Module Replacement.
  2. Position and connect the EVAP pipe quick connect fittings to the rollover valve and the fuel tank module. Refer to Plastic Collar Quick Connect Fitting Service.
  3. Install the EVAP pipe to the fuel tank clips (1 and 2).

  4. Object Number: 1854689  Size: SH
  5. Position and connect the EVAP pipe quick connect fitting to the fuel tank module. Refer to Plastic Collar Quick Connect Fitting Service.
  6. Install the EVAP pipe to the fuel tank clips (1).

  7. Object Number: 1854688  Size: SH
  8. Position and connect the fuel feed pipe quick connect fitting to the fuel tank module. Refer to Plastic Collar Quick Connect Fitting Service.
  9. Install the fuel feed pipe to the fuel tank clips (1).

  10. Object Number: 1854687  Size: SH
  11. Position and install the fuel tank shield.
  12. Install the fuel tank shield push on retainers.

  13. Object Number: 1854685  Size: SH
  14. With the aid of an assistant, place the fuel tank in a the adjustable jack.
  15. Raise the fuel tank until the electrical connections can be made.
  16. Connect the chassis wiring harness electrical connector to the fuel tank module.
  17. Connect the chassis wiring harness electrical connector from the fuel pressure sensor.
  18. Completely raise the fuel tank into position.

  19. Object Number: 1854455  Size: SH
  20. Install the fuel tank straps.
  21. Notice: Refer to Fastener Notice in the Preface section.

  22. Install the fuel tank strap bolts.
  23. Tighten
    Tighten the bolts to 40 N·m (30 lb ft).

  24. Remove the adjustable jack from under the fuel tank.

  25. Object Number: 1854683  Size: SH
  26. Remove the caps from the fuel and EVAP lines.
  27. Connect the fuel tank EVAP line quick connect fitting (3) to the EVAP canister. Refer to Plastic Collar Quick Connect Fitting Service.
  28. Connect the fuel tank fuel feed line quick connect fitting (1) to the chassis line. Refer to Plastic Collar Quick Connect Fitting Service.

  29. Object Number: 1853724  Size: SH
  30. Position and install the fuel tank shield onto the fuel tank shield tabs (1), if equipped.

  31. Object Number: 1501882  Size: SH
  32. Install the fuel tank shield bolts, if equipped.
  33. Tighten
    Tighten the bolts to 18 N·m (13 lb ft).

  34. Refill the fuel tank.
  35. Install the fuel cap.
  36. Connect the negative battery cable. Refer to Battery Negative Cable Disconnection and Connection.
  37. Perform the following procedure in order to inspect for leaks:
  38. 26.1. Turn the ignition ON, with the engine OFF, for 2 seconds.
    26.2. Turn the ignition OFF for 10 seconds.
    26.3. Turn the ignition ON, with the engine OFF.
    26.4. Inspect for fuel leaks.

Fuel Tank Replacement 15/25 Reg/Ext/Crew Cab w/34 gal Tank

Removal Procedure

Important: Clean the fuel and evaporative emission (EVAP) connections and surrounding areas prior to disconnecting the lines in order to avoid possible system contamination.


    Object Number: 626413  Size: SH
  1. Relieve the fuel system pressure. Refer to Fuel Pressure Relief.
  2. Drain the fuel tank. Refer to Fuel Tank Draining.
  3. Remove the fuel tank fill pipe. Refer to Fuel Tank Filler Pipe Replacement.
  4. Remove the fuel tank shield bolts, if equipped.

  5. Object Number: 1854937  Size: SH
  6. Remove the fuel tank shield from the fuel tank shield tabs (1), if equipped.

  7. Object Number: 1854924  Size: SH
  8. Remove the EVAP canister vent solenoid pipe clip (1) from the frame crossmember.
  9. Disconnect the EVAP canister pipe quick connect fitting (2) from the fuel tank EVAP pipe. Refer to Plastic Collar Quick Connect Fitting Service.
  10. Disconnect the EVAP canister vent solenoid pipe quick connect fitting (3) from the EVAP canister. Refer to Plastic Collar Quick Connect Fitting Service.
  11. Disconnect the chassis wiring harness electrical connector from the EVAP canister vent solenoid.
  12. Remove the chassis wiring harness clip from the fuel tank shield.

  13. Object Number: 1855688  Size: SH
  14. Disengage the retainer (1) securing the EVAP canister vent solenoid.
  15. Slide the EVAP canister vent solenoid off the bracket towards the passenger side of the vehicle.

  16. Object Number: 1854925  Size: SH
  17. Disconnect the fuel tank fuel feed line quick connect fitting (1) from the chassis line. Refer to Plastic Collar Quick Connect Fitting Service.
  18. Disconnect the fuel tank EVAP line quick connect fitting (2) from the EVAP canister. Refer to Plastic Collar Quick Connect Fitting Service.
  19. Cap the fuel and EVAP lines in order to prevent possible system contamination.

  20. Object Number: 1854455  Size: SH
  21. Place a suitable adjustable jack under the fuel tank.
  22. Remove the fuel tank strap bolts.
  23. Remove the fuel tank straps.
  24. Important: When lowering the tank, ensure that the fill neck on the tank does not get hung up on the chassis wiring harness.

  25. Lower the fuel tank half way.
  26. Disconnect the chassis wiring harness clip at the frame crossmember.
  27. Lower the fuel tank until the electrical connections are accessible.

  28. Object Number: 1854941  Size: SH
  29. Disconnect the chassis wiring harness electrical connector (1) from the fuel tank pressure sensor.
  30. Disconnect the chassis wiring harness electrical connector (2) from the fuel tank module.
  31. Completely lower the fuel tank.
  32. With the aid of an assistant, place the fuel tank in a suitable work area.
  33. If replacing the fuel tank proceed to the next step, otherwise proceed to step 9 in the installation procedure.

  34. Object Number: 1854926  Size: SH
  35. Remove the fuel tank shield push on retainers.
  36. Remove the fuel tank shield.

  37. Object Number: 1854927  Size: SH
  38. Disconnect the fuel feed pipe quick connect fitting from the fuel tank module. Refer to Plastic Collar Quick Connect Fitting Service.
  39. Remove the fuel feed pipe from the fuel tank clips (1).

  40. Object Number: 1854928  Size: SH
  41. Remove the EVAP pipe from the fuel tank clips (1).

  42. Object Number: 1854930  Size: SH
  43. Disconnect the EVAP pipe quick connect fittings from the rollover valve and the fuel tank module. Refer to Plastic Collar Quick Connect Fitting Service.
  44. Remove the EVAP pipe from the fuel tank clips (1).
  45. Remove the fuel tank module. Refer to Fuel Tank Fuel Pump Module Replacement.

Installation Procedure


    Object Number: 1854930  Size: SH
  1. Install the fuel tank module. Refer to Fuel Tank Fuel Pump Module Replacement.
  2. Position and connect the EVAP pipe quick connect fittings to the rollover valve and the fuel tank module. Refer to Plastic Collar Quick Connect Fitting Service.
  3. Install the EVAP pipe to the fuel tank clips (1).

  4. Object Number: 1854928  Size: SH
  5. Install the EVAP pipe to the fuel tank clips (1).

  6. Object Number: 1854927  Size: SH
  7. Position and connect the fuel feed pipe quick connect fitting to the fuel tank module. Refer to Plastic Collar Quick Connect Fitting Service.
  8. Install the fuel feed pipe to the fuel tank clips (1).

  9. Object Number: 1854926  Size: SH
  10. Position and install the fuel tank shield.
  11. Install the fuel tank shield push on retainers.

  12. Object Number: 1854941  Size: SH
  13. With the aid of an assistant, place the fuel tank in a the adjustable jack.
  14. Raise the fuel tank until the electrical connections can be made.
  15. Connect the chassis wiring harness electrical connector (2) to the fuel tank module.
  16. Connect the chassis wiring harness electrical connector (1) from the fuel pressure sensor.
  17. Completely raise the fuel tank into position.
  18. Notice: Refer to Fastener Notice in the Preface section.


    Object Number: 1854455  Size: SH
  19. Install the fuel tank straps.
  20. Install the fuel tank strap bolts.
  21. Tighten
    Tighten the bolts to 40 N·m (30 lb ft).

  22. Remove the adjustable jack from under the fuel tank.

  23. Object Number: 1854925  Size: SH
  24. Remove the caps from the fuel and EVAP lines.
  25. Connect the fuel tank EVAP line quick connect fitting (2) to the EVAP canister. Refer to Plastic Collar Quick Connect Fitting Service.
  26. Connect the fuel tank fuel feed line quick connect fitting (1) to the chassis line. Refer to Plastic Collar Quick Connect Fitting Service.

  27. Object Number: 1855688  Size: SH
  28. Slide the EVAP canister vent solenoid onto the bracket towards the driver side of the vehicle.
  29. Ensure that the retainer (1) is engaged, securing the EVAP canister vent solenoid.

  30. Object Number: 1854924  Size: SH
  31. Connect the EVAP canister vent solenoid pipe quick connect fitting (3) to the EVAP canister. Refer to Plastic Collar Quick Connect Fitting Service.
  32. Connect the EVAP canister pipe quick connect fitting (2) to the fuel tank EVAP pipe. Refer to Plastic Collar Quick Connect Fitting Service.
  33. Install the EVAP canister vent solenoid pipe clip (1) to the frame crossmember.
  34. Connect the chassis wiring harness electrical connector to the EVAP canister vent solenoid.
  35. Install the chassis wiring harness clip to the fuel tank shield.

  36. Object Number: 1854937  Size: SH
  37. Position and install the fuel tank shield onto the fuel tank shield tabs (1), if equipped.

  38. Object Number: 626413  Size: SH
  39. Install the fuel tank shield bolts, if equipped.
  40. Tighten
    Tighten the bolts to 18 N·m (13 lb ft).

  41. Install the fuel tank fill pipe. Refer to Fuel Tank Filler Pipe Replacement.
  42. Refill the fuel tank.
  43. Install the fuel cap.
  44. Connect the negative battery cable. Refer to Battery Negative Cable Disconnection and Connection.
  45. Perform the following procedure in order to inspect for leaks:
  46. 33.1. Turn the ignition ON, with the engine OFF, for 2 seconds.
    33.2. Turn the ignition OFF for 10 seconds.
    33.3. Turn the ignition ON, with the engine OFF.
    33.4. Inspect for fuel leaks.

Fuel Tank Replacement 35 Reg/Ext/Crew Cab w/34 gal Tank

Removal Procedure

Important: Clean the fuel and evaporative emission (EVAP) connections and surrounding areas prior to disconnecting the lines in order to avoid possible system contamination.


    Object Number: 626413  Size: SH
  1. Relieve the fuel system pressure. Refer to Fuel Pressure Relief.
  2. Drain the fuel tank. Refer to Fuel Tank Draining.
  3. Remove the fuel tank fill pipe. Refer to Fuel Tank Filler Pipe Replacement.
  4. Remove the fuel tank bolts, if equipped.

  5. Object Number: 1854937  Size: SH
  6. Remove the fuel tank shield from the fuel tank shield tabs (1), if equipped.

  7. Object Number: 1854924  Size: SH
  8. Remove the EVAP canister vent solenoid pipe clip (1) from the frame crossmember.
  9. Disconnect the EVAP canister pipe quick connect fitting (2) from the fuel tank EVAP pipe. Refer to Plastic Collar Quick Connect Fitting Service.
  10. Disconnect the EVAP canister vent solenoid pipe quick connect fitting (3) from the EVAP canister. Refer to Plastic Collar Quick Connect Fitting Service.
  11. Disconnect the chassis wiring harness electrical connector from the EVAP canister vent solenoid.
  12. Remove the chassis wiring harness clip from the fuel tank shield.

  13. Object Number: 1855688  Size: SH
  14. Disengage the retainer (1) securing the EVAP canister vent solenoid.
  15. Slide the EVAP canister vent solenoid off the bracket towards the passenger side of the vehicle.

  16. Object Number: 1854925  Size: SH
  17. Disconnect the fuel tank fuel feed line quick connect fitting (1) from the chassis line. Refer to Plastic Collar Quick Connect Fitting Service.
  18. Disconnect the fuel tank EVAP line quick connect fitting (2) from the EVAP canister. Refer to Plastic Collar Quick Connect Fitting Service.
  19. Cap the fuel and EVAP lines in order to prevent possible system contamination.

  20. Object Number: 1854455  Size: SH
  21. Place a suitable adjustable jack under the fuel tank.
  22. Remove the fuel tank strap bolts.
  23. Remove the fuel tank straps.
  24. Important: When lowering the tank, ensure that the fill neck on the tank does not get hung up on the chassis wiring harness.

  25. Lower the fuel tank half way.
  26. Disconnect the chassis wiring harness clip at the frame crossmember.
  27. Lower the fuel tank until the electrical connections are accessible.

  28. Object Number: 1854941  Size: SH
  29. Disconnect the chassis wiring harness electrical connector (1) from the fuel tank pressure sensor.
  30. Disconnect the chassis wiring harness electrical connector (2) from the fuel tank module.
  31. Completely lower the fuel tank.
  32. With the aid of an assistant, place the fuel tank in a suitable work area.
  33. If replacing the fuel tank proceed to the next step, otherwise proceed to step 9 in the installation procedure.

  34. Object Number: 1854926  Size: SH
  35. Remove the fuel tank shield push on retainers.
  36. Remove the fuel tank shield.

  37. Object Number: 1854927  Size: SH
  38. Disconnect the fuel feed pipe quick connect fitting from the fuel tank module. Refer to Plastic Collar Quick Connect Fitting Service.
  39. Remove the fuel feed pipe from the fuel tank clips (1).

  40. Object Number: 1854928  Size: SH
  41. Remove the EVAP pipe from the fuel tank clips (1).

  42. Object Number: 1854930  Size: SH
  43. Disconnect the EVAP pipe quick connect fittings from the rollover valve and the fuel tank module. Refer to Plastic Collar Quick Connect Fitting Service.
  44. Remove the EVAP pipe from the fuel tank clips (1).
  45. Remove the fuel tank module. Refer to Fuel Tank Fuel Pump Module Replacement.

Installation Procedure


    Object Number: 1854930  Size: SH
  1. Install the fuel tank module. Refer to Fuel Tank Fuel Pump Module Replacement.
  2. Position and connect the EVAP pipe quick connect fittings to the rollover valve and the fuel tank module. Refer to Plastic Collar Quick Connect Fitting Service.
  3. Install the EVAP pipe to the fuel tank clips (1).

  4. Object Number: 1854928  Size: SH
  5. Install the EVAP pipe to the fuel tank clips (1).

  6. Object Number: 1854927  Size: SH
  7. Position and connect the fuel feed pipe quick connect fitting to the fuel tank module. Refer to Plastic Collar Quick Connect Fitting Service.
  8. Install the fuel feed pipe to the fuel tank clips (1).

  9. Object Number: 1854926  Size: SH
  10. Position and install the fuel tank shield.
  11. Install the fuel tank shield push on retainers.

  12. Object Number: 1854941  Size: SH
  13. With the aid of an assistant, place the fuel tank in a the adjustable jack.
  14. Raise the fuel tank until the electrical connections can be made.
  15. Connect the chassis wiring harness electrical connector (2) to the fuel tank module.
  16. Connect the chassis wiring harness electrical connector (1) from the fuel pressure sensor.
  17. Completely raise the fuel tank into position.
  18. Notice: Refer to Fastener Notice in the Preface section.


    Object Number: 1854455  Size: SH
  19. Install the fuel tank straps.
  20. Install the fuel tank strap bolts.
  21. Tighten
    Tighten the bolts to 40 N·m (30 lb ft).

  22. Remove the adjustable jack from under the fuel tank.

  23. Object Number: 1854925  Size: SH
  24. Remove the caps from the fuel and EVAP lines.
  25. Connect the fuel tank EVAP line quick connect fitting (2) to the EVAP canister. Refer to Plastic Collar Quick Connect Fitting Service.
  26. Connect the fuel tank fuel feed line quick connect fitting (1) to the chassis line. Refer to Plastic Collar Quick Connect Fitting Service.

  27. Object Number: 1855688  Size: SH
  28. Slide the EVAP canister vent solenoid onto the bracket towards the driver side of the vehicle.
  29. Ensure that the retainer (1) is engaged, securing the EVAP canister vent solenoid.

  30. Object Number: 1854924  Size: SH
  31. Connect the EVAP canister vent solenoid pipe quick connect fitting (3) to the EVAP canister. Refer to Plastic Collar Quick Connect Fitting Service.
  32. Connect the EVAP canister pipe quick connect fitting (2) to the fuel tank EVAP pipe. Refer to Plastic Collar Quick Connect Fitting Service.
  33. Install the EVAP canister vent solenoid pipe clip (1) to the frame crossmember.
  34. Connect the chassis wiring harness electrical connector to the EVAP canister vent solenoid.
  35. Install the chassis wiring harness clip to the fuel tank shield.

  36. Object Number: 1854937  Size: SH
  37. Position and install the fuel tank shield onto the fuel tank shield tabs (1), if equipped.

  38. Object Number: 626413  Size: SH
  39. Install the fuel tank shield bolts, if equipped.
  40. Tighten
    Tighten the bolts to 18 N·m (13 lb ft).

  41. Install the fuel tank fill pipe. Refer to Fuel Tank Filler Pipe Replacement.
  42. Refill the fuel tank.
  43. Install the fuel cap.
  44. Connect the negative battery cable. Refer to Battery Negative Cable Disconnection and Connection.
  45. Perform the following procedure in order to inspect for leaks:
  46. 33.1. Turn the ignition ON, with the engine OFF, for 2 seconds.
    33.2. Turn the ignition OFF for 10 seconds.
    33.3. Turn the ignition ON, with the engine OFF.
    33.4. Inspect for fuel leaks.

Fuel Tank Replacement Auxiliary

Removal Procedure


    Object Number: 2100432  Size: SH
  1. Relieve the fuel system pressure. Refer to the Fuel Pressure Relief.
  2. Raise the vehicle. Refer to Lifting and Jacking the Vehicle.
  3. Drain the fuel tank. Refer to Fuel Tank Draining.
  4. Remove the fuel tank shield bolts (1) and the fuel tank shield (2)..

  5. Object Number: 2100438  Size: SH
  6. Loosen the fuel fill (1) and vent pipe (2) hose clamps.
  7. Disconnect the hoses.

  8. Object Number: 2100530  Size: SH
  9. With the aid of an assistant, support the fuel tank.
  10. Disconnect the evaporative emissions lines and the fuel lines. Refer to Metal Collar Quick Connect Fitting Service and Plastic Collar Quick Connect Fitting Service
  11. Disconnect the electrical connectors.
  12. Remove the fuel tank strap bolts (1) and the auxiliary fuel tank (2).
  13. Notice: Do not bend the fuel tank straps. Bending the fuel tank straps may damage the straps.

  14. Remove the fuel sender assembly from the fuel tank. Refer to Fuel Tank Fuel Pump Module Replacement.
  15. Cap the fuel and EVAP pipes in order to prevent possible fuel system contamination.

Installation Procedure


    Object Number: 2100530  Size: SH
  1. Install the fuel sender assembly to the fuel tank. Refer to Fuel Tank Fuel Pump Module Replacement.
  2. Remove the caps from the fuel and EVAP pipes.
  3. With the aid of an assistant, support and partially raise the fuel tank.
  4. Connect the electrical connectors.
  5. Connect the evaporative emissions lines and the fuel lines. Refer to Metal Collar Quick Connect Fitting Service and Plastic Collar Quick Connect Fitting Service
  6. With the aid of an assistant, support the auxiliary fuel tank.
  7. Install the auxiliary fuel tank (1).
  8. Notice: Refer to Fastener Notice in the Preface section.

  9. Install the fuel tank strap attaching bolts (2).
  10. Tighten
    Tighten the bolts to 40 N·m (30 lb ft).


    Object Number: 2100438  Size: SH
  11. Connect and tighten the fuel fill (1) and vent pipe (2) hose clamps.
  12. Tighten
    Tighten the hose clamps to 4 N·m (35 lb in).


    Object Number: 2100432  Size: SH
  13. Install the fuel tank shield (2) and the fuel tank shield bolts (1).
  14. Tighten
    Tighten the fuel tank shield to frame bolts to 18 N·m (13 lb ft)

  15. Refill the fuel tank.
  16. Install the fuel filler cap.
  17. Connect the negative battery cable. Refer to Battery Negative Cable Disconnection and Connection in Engine Electrical.
  18. Use the following procedure in order to inspect for leaks:
  19. 14.1. Turn ON the ignition, with the engine OFF, for 2 seconds.
    14.2. Turn OFF the ignition for 10 seconds.
    14.3. Turn ON the ignition, with the engine OFF.
    14.4. Inspect for fuel leaks.
  20. Install the intake manifold cover. Refer to Upper Intake Manifold Cover Replacement.