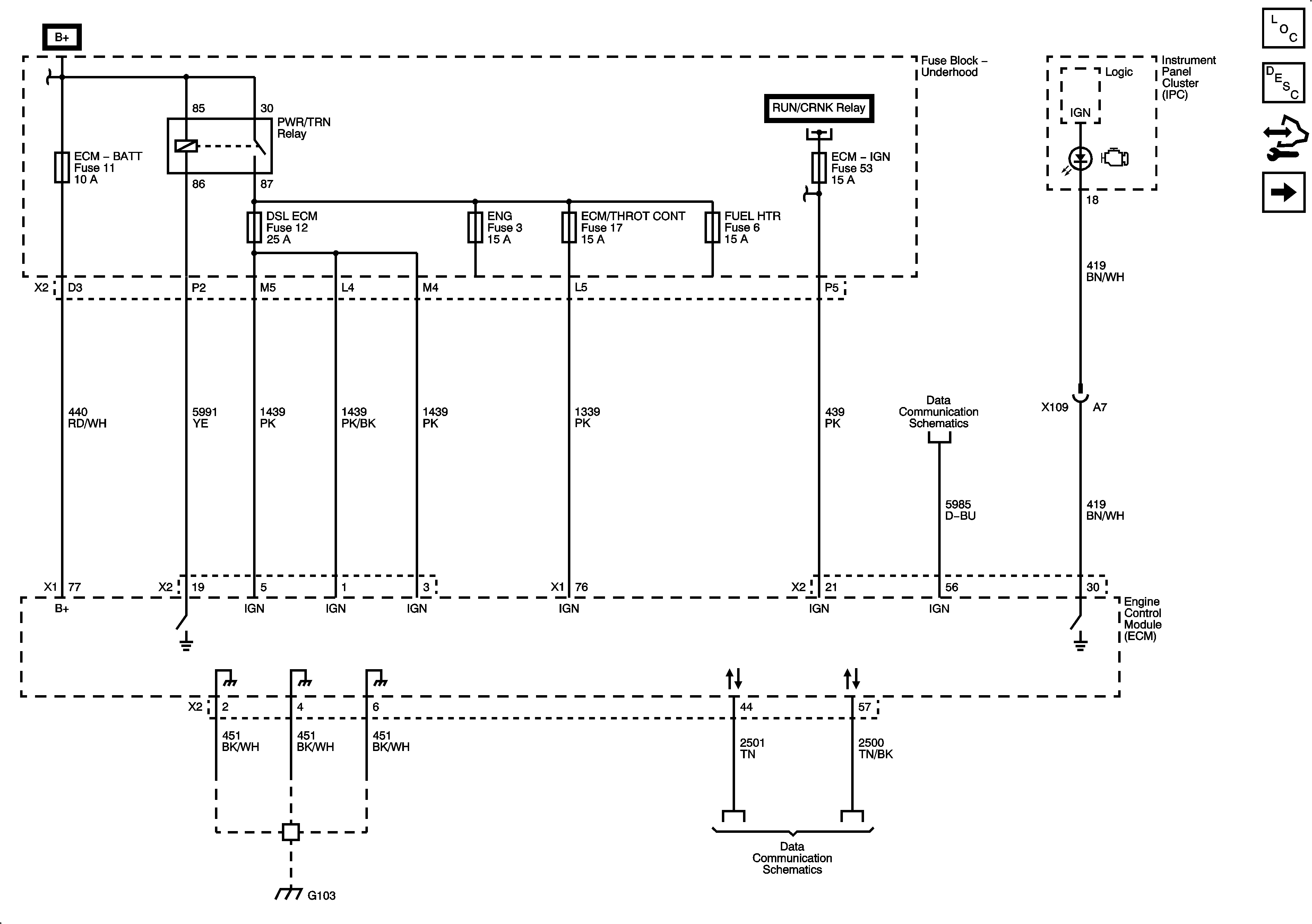
| Figure 1: |
Module Power, Ground, Serial Data and MIL
|
| Figure 2: |
Engine Data Sensors - 5-Volt and Low References - 1 of 2
|
| Figure 3: |
Engine Data Sensors - 5-Volt and Low References - 2 of 2
|
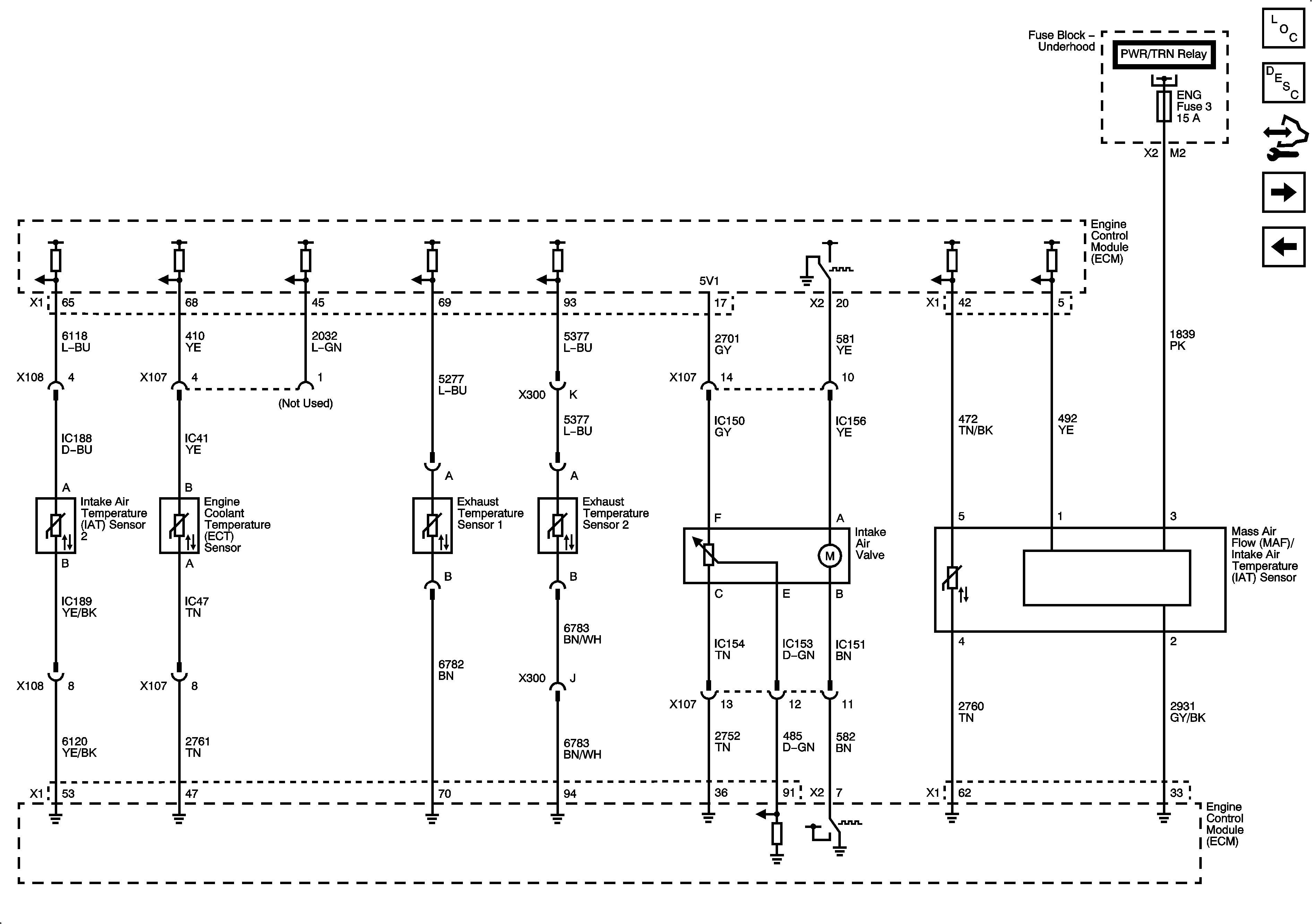
| Figure 4: |
Engine Data Sensors - Temperature and MAF
|
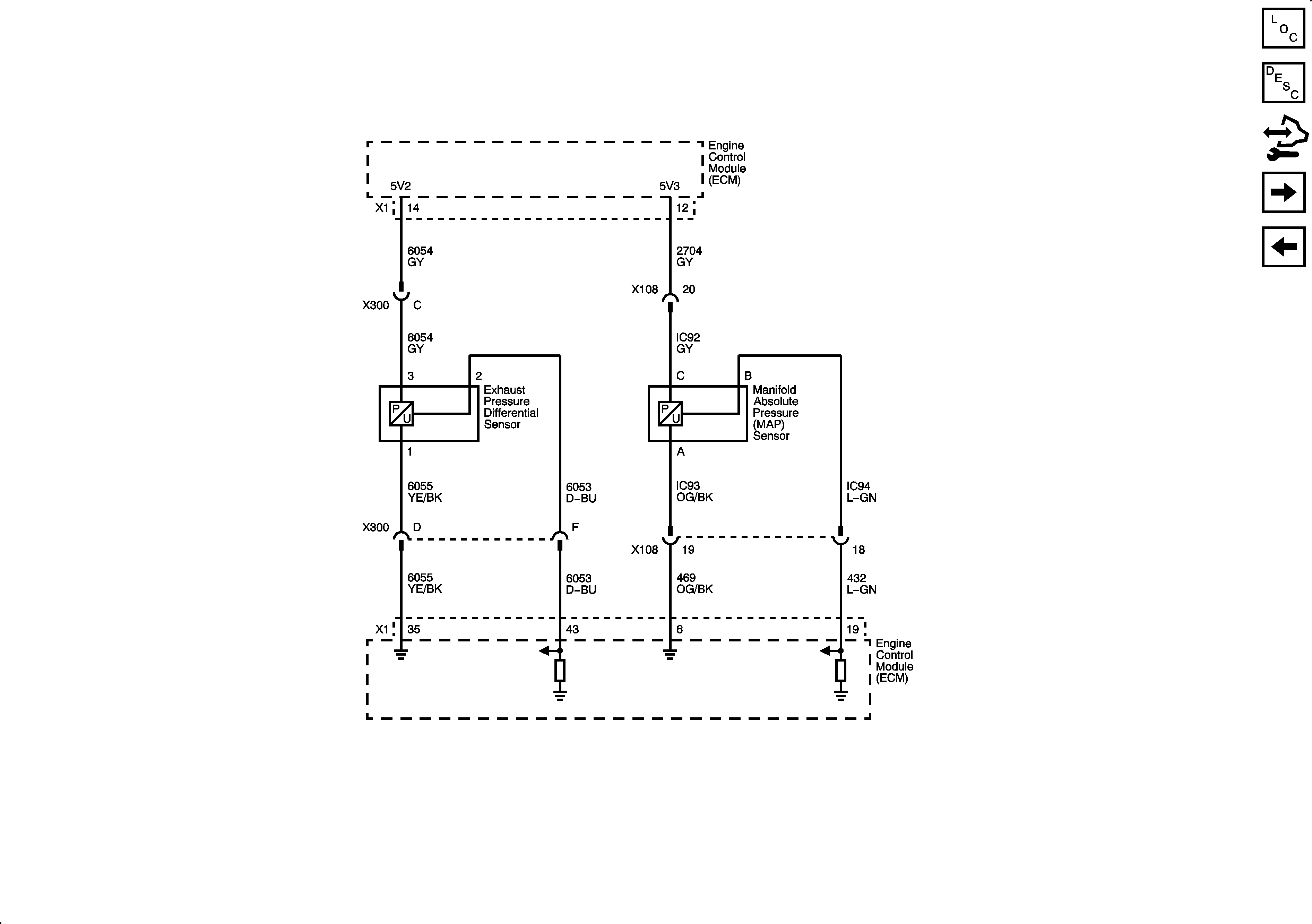
| Figure 5: |
Engine Data Sensors - Pressure
|
| Figure 6: |
EGR and Turbocharger Controls
|
| Figure 7: |
Pedal Position and Injector Timing
|
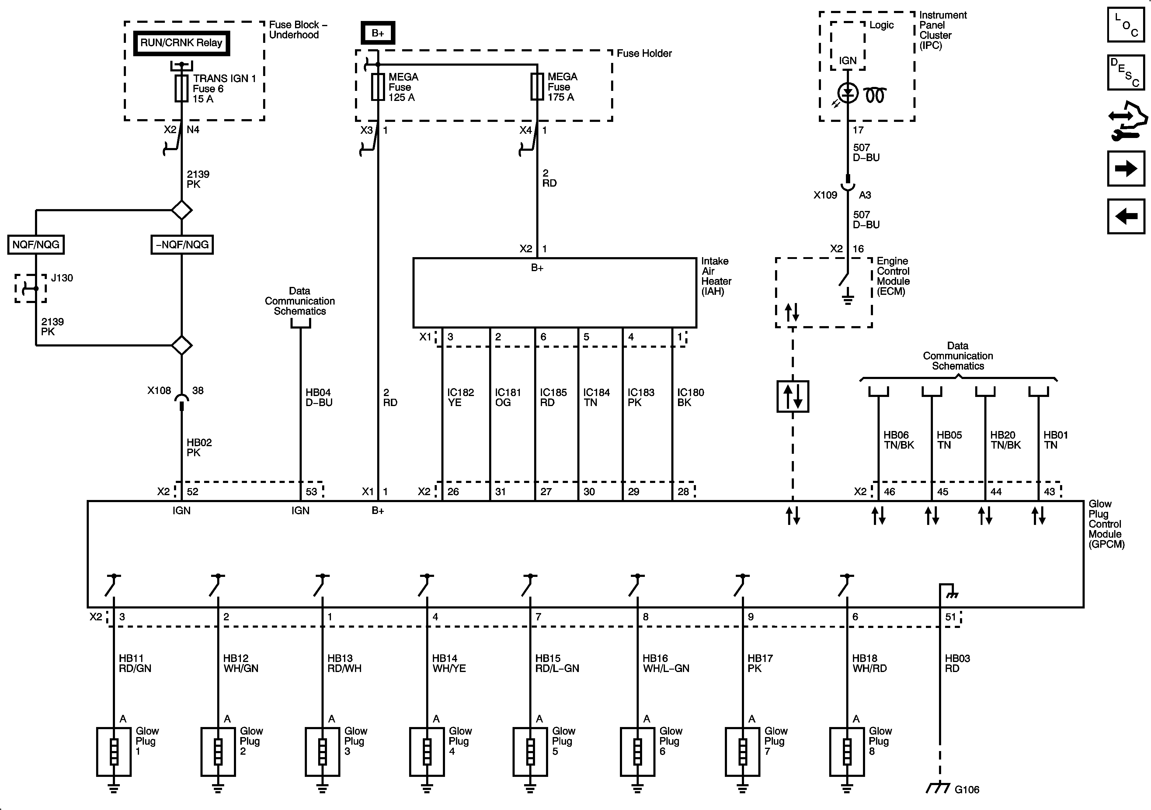
| Figure 8: |
Engine Data Sensors - Glow Plug Controls and Intake Air Heater
|
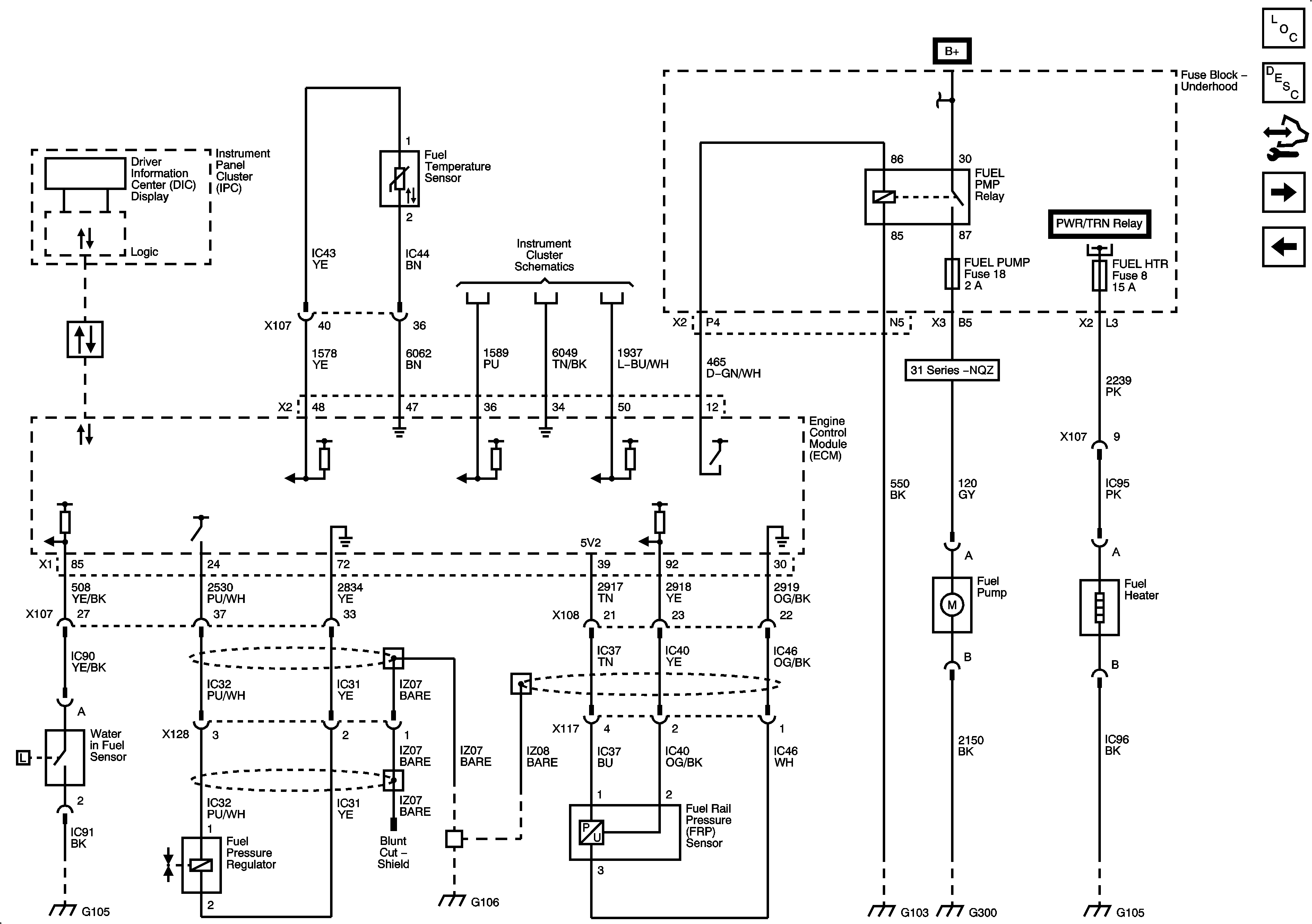
| Figure 9: |
Fuel Controls - Fuel Pump, Temperature and Pressure Controls
|
| Figure 10: |
Fuel Controls - Fuel Injectors
|
| Figure 11: |
Controlled/Monitored Subsystem References
|