GM Service Manual Online
For 1990-2009 cars only
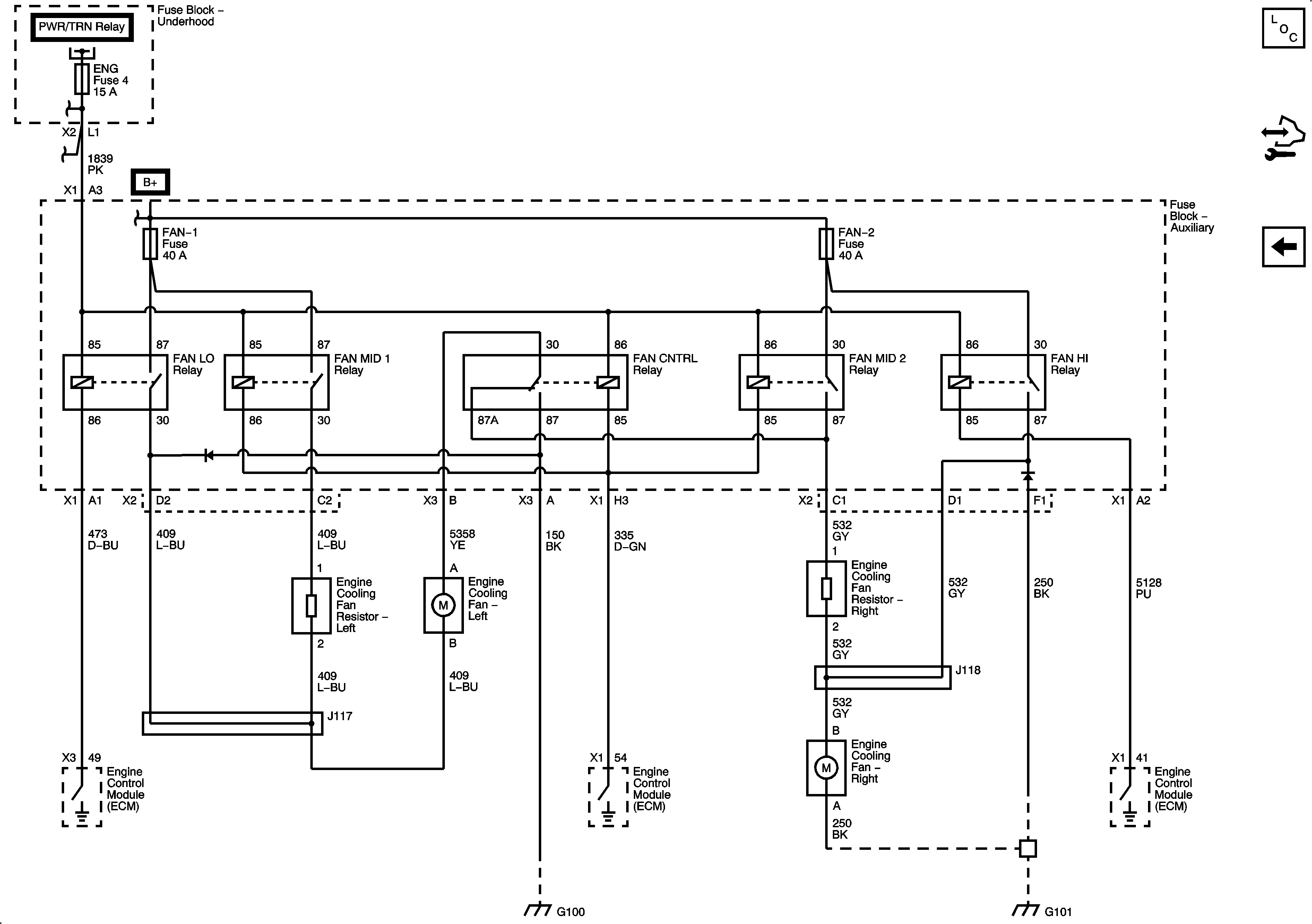
Figure 1:

Gas (Except HP2)


Object Number: 2064883  Size: FS
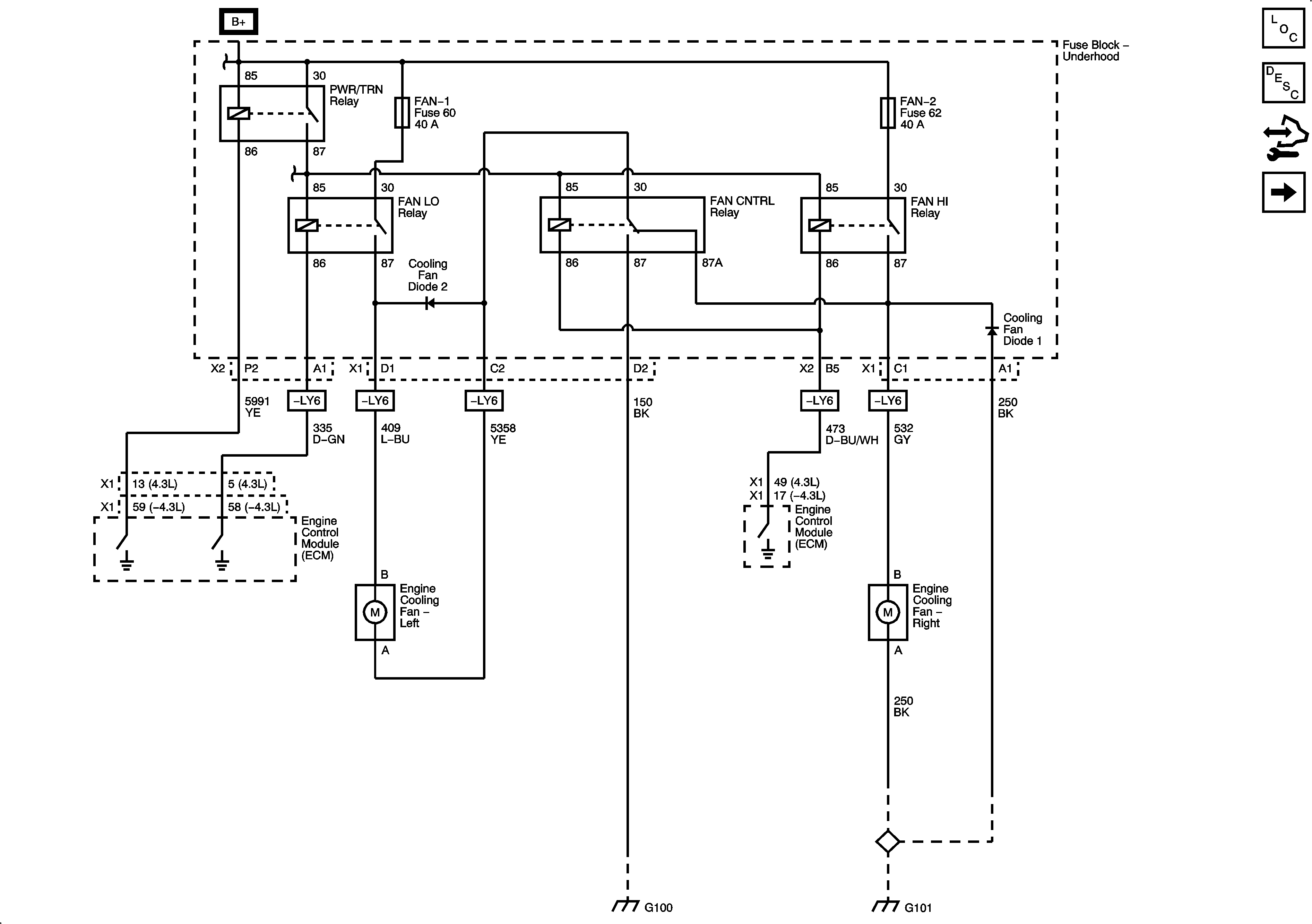
Figure 2:

Gas (HP2)


Object Number: 2161789  Size: FS
Figure 3:

Diesel


Object Number: 2064885  Size: FS