GM Service Manual Online
For 1990-2009 cars only

Starter Solenoid Cable Replacement With LU3

Removal Procedure


    Object Number: 1702800  Size: SH
  1. Disconnect the negative battery cable. Refer to Battery Negative Cable Disconnection and Connection.
  2. Remove the air cleaner outlet resonator. Refer to Air Cleaner Outlet Resonator Replacement.
  3. Remove the mega fuse cover.

  4. Object Number: 1702504  Size: SH
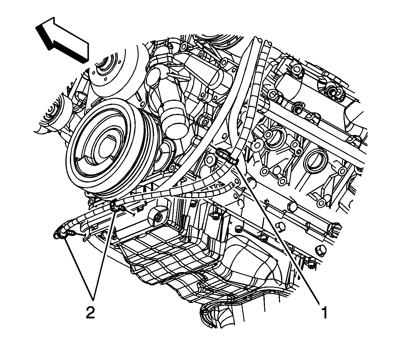
  5. Remove the starter solenoid cable nut (1) from the mega fuse stud.
  6. Remove the starter solenoid cable terminal (2) from the mega fuse stud.
  7. Open the starter solenoid cable cover at the positive battery terminal.
  8. Loosen the starter solenoid cable nut (5).
  9. Remove the starter solenoid cable from the positive battery terminal.
  10. Remove the starter solenoid cable clip (4) from the air conditioning (A/C) evaporator tube.

  11. Object Number: 1698082  Size: SH
  12. Raise and support the vehicle. Refer to Lifting and Jacking the Vehicle.
  13. Remove the oil pan skid plate bolts and plate, if equipped.

  14. Object Number: 1702990  Size: SH
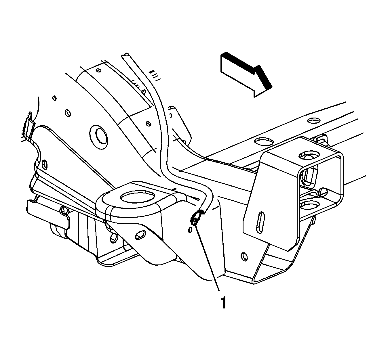
  15. Remove the starter solenoid cable clip (1) from the wheelhouse panel.
  16. Remove the starter solenoid cable clip bolt (2) from the frame.

  17. Object Number: 1699544  Size: SH
  18. Remove the starter solenoid cable nut (1) from the starter.
  19. Remove the starter solenoid cable (2) from the starter.
  20. Lower the vehicle.

  21. Object Number: 1877399  Size: SH
  22. Remove the starter solenoid cable from the vehicle.

Installation Procedure


    Object Number: 1877399  Size: SH
  1. Install the starter solenoid cable to the vehicle.

  2. Object Number: 1702504  Size: SH
  3. Install the starter solenoid cable to the positive battery terminal.
  4. Caution: Refer to Fastener Caution in the Preface section.

  5. Tighten the starter solenoid cable nut (5) to 5 N·m (44 lb in).
  6. Close the starter solenoid cable cover at the positive battery terminal.
  7. Install the starter solenoid cable terminal (2) to the mega fuse stud.
  8. Install the starter solenoid cable nut (1) to the mega fuse stud and tighten to 9 N·m (80 lb in).
  9. Install the starter solenoid cable clip (4) to the A/C evaporator tube.

  10. Object Number: 1702800  Size: SH
  11. Install the mega fuse cover.
  12. Raise the vehicle.

  13. Object Number: 1699544  Size: SH
  14. Install the starter solenoid cable (2) to the starter.
  15. Install the starter solenoid cable nut (1) to the starter and tighten to 9 N·m (80 lb in).

  16. Object Number: 1702990  Size: SH
  17. Position the starter solenoid cable clip to the frame and install the starter solenoid cable clip bolt (2).
  18. Install the starter solenoid cable clip (1) to the wheelhouse panel.

  19. Object Number: 1698082  Size: SH
  20. Position the oil pan skid plate and install the bolts and tighten to 28 N·m (21 lb ft).
  21. Lower the vehicle.
  22. Install the air cleaner outlet resonator. Refer to Air Cleaner Outlet Resonator Replacement.
  23. Connect the negative battery cable. Refer to Battery Negative Cable Disconnection and Connection.

Starter Solenoid Cable Replacement With V8 Engine

Removal Procedure


    Object Number: 1702800  Size: SH
  1. Disconnect the negative battery cable. Refer to Battery Negative Cable Disconnection and Connection.
  2. Remove the air cleaner outlet duct. Refer to Air Cleaner Resonator Outlet Duct Replacement.
  3. Remove the mega fuse cover.

  4. Object Number: 1702504  Size: SH
  5. Remove the starter solenoid cable nut (1) from the mega fuse stud.
  6. Remove the starter solenoid cable terminal (2) from the mega fuse stud.
  7. Open the starter solenoid cable cover at the positive battery terminal.
  8. Loosen the starter solenoid cable nut (5).
  9. Remove the starter solenoid cable from the positive battery terminal.
  10. Remove the starter solenoid cable clip (4) from the air conditioning (A/C) evaporator tube.

  11. Object Number: 1698082  Size: SH
  12. Raise and support the vehicle. Refer to Lifting and Jacking the Vehicle.
  13. For 1500 series vehicles, remove the oil pan skid plate bolts and plate.

  14. Object Number: 1698083  Size: SH
  15. For 2500 series vehicles, remove the front 2 oil pan skid plate bolts, loosen the rear 2 bolts and remove the skid plate.

  16. Object Number: 1702990  Size: SH
  17. Remove the starter solenoid cable clip (1) from the wheelhouse panel.
  18. Remove the starter solenoid cable clip bolt (2) from the frame.

  19. Object Number: 1699544  Size: SH
  20. Remove the starter solenoid cable nut (1) from the starter.
  21. Remove the starter solenoid cable (2) from the starter.
  22. Lower the vehicle.

  23. Object Number: 1702991  Size: SH
  24. Remove the starter solenoid cable from the vehicle.

Installation Procedure


    Object Number: 1702991  Size: SH
  1. Install the starter solenoid cable to the vehicle.

  2. Object Number: 1702504  Size: SH
  3. Install the starter solenoid cable to the positive battery terminal.
  4. Caution: Refer to Fastener Caution in the Preface section.

  5. Tighten the starter solenoid cable nut (5) to 5 N·m (44 lb in).
  6. Close the starter solenoid cable cover at the positive battery terminal.
  7. Install the starter solenoid cable terminal (2) to the mega fuse stud.
  8. Install the starter solenoid cable nut (1) to the mega fuse stud and tighten to 9 N·m (80 lb in).
  9. Install the starter solenoid cable clip (4) to the A/C evaporator tube.

  10. Object Number: 1702800  Size: SH
  11. Install the mega fuse cover.
  12. Raise the vehicle.

  13. Object Number: 1699544  Size: SH
  14. Install the starter solenoid cable (2) to the starter.
  15. Install the starter solenoid cable nut (1) to the starter and tighten to 9 N·m (80 lb in).

  16. Object Number: 1702990  Size: SH
  17. Position the starter solenoid cable clip to the frame and install the starter solenoid cable clip bolt (2).
  18. Install the starter solenoid cable clip (1) to the wheelhouse panel.

  19. Object Number: 1698083  Size: SH
  20. For 2500 series vehicles, install the oil pan skid plate and tighten the rear 2 bolts and install and tighten the front 2 bolts and tighten to 28 N·m (21 lb ft).

  21. Object Number: 1698082  Size: SH
  22. For 1500 series vehicles, install the oil pan skid plate and bolts and tighten to 28 N·m (21 lb ft).
  23. Lower the vehicle.
  24. Install the air cleaner outlet duct. Refer to Air Cleaner Resonator Outlet Duct Replacement.
  25. Connect the negative battery cable. Refer to Battery Negative Cable Disconnection and Connection.

Starter Solenoid Cable Replacement With LMM

Removal Procedure


    Object Number: 1873940  Size: SH
  1. Disconnect the negative battery cable. Refer to Battery Negative Cable Disconnection and Connection.
  2. Remove the air cleaner assembly. Refer to Air Cleaner Assembly Replacement.
  3. Open the starter solenoid cable positive battery post cover.
  4. Loosen the starter solenoid cable nut (1).
  5. Remove the starter solenoid cable from the battery positive post.

  6. Object Number: 1873941  Size: SH
  7. Open the starter solenoid cable positive battery post cover (1).
  8. Loosen the starter solenoid cable nut (2).
  9. Remove the starter solenoid cable (5) from the battery positive post.

  10. Object Number: 1874027  Size: SH
  11. Remove the starter solenoid cable clip (3) from the battery tray.
  12. Remove the starter solenoid cable clips (4) from the air conditioning (A/C) evaporator tube.

  13. Object Number: 1873916  Size: SH
  14. Remove the mega fuse cover.

  15. Object Number: 1874029  Size: SH
  16. Remove the starter solenoid cable to mega fuse nut (1).
  17. Remove the starter solenoid cable branch from the mega fuse stud.
  18. Remove the wheelhouse liner. Refer to Front Wheelhouse Liner Replacement - Right Side.

  19. Object Number: 1698083  Size: SH
  20. Remove the front 2 oil pan skid plate bolts, loosen the rear 2 bolts and remove the skid plate.

  21. Object Number: 1874031  Size: SH
  22. Remove the engine wiring harness clip (1) from the starter solenoid cable.
  23. Remove the engine wiring harness clips (2) from the starter solenoid cable channel.

  24. Object Number: 1874033  Size: SH
  25. Remove the starter solenoid cable bolt from the frame.
  26. Reposition the starter solenoid cable (1) from the frame.

  27. Object Number: 1874035  Size: SH
  28. Disconnect the coolant heater cord (1) from the coolant heater.

  29. Object Number: 1874037  Size: SH
  30. Remove the starter solenoid cable nut (6) from the starter.
  31. Remove the starter solenoid cable (7) from the starter.
  32. Remove the starter solenoid cable bolt (3) from the engine block.
  33. Reposition the starter solenoid cable terminal (2) from the engine wiring harness ground terminal (1).
  34. Remove the starter solenoid cable bracket nut (5) and bracket from the stud.
  35. Remove the starter solenoid cable clip bolt (4) from the frame.

  36. Object Number: 1874038  Size: SH
  37. Reposition the starter solenoid cable bracket (1) and remove the engine wiring harness from the rear clips on the bracket.

  38. Object Number: 1874040  Size: SH
  39. Remove the starter solenoid cable channel bolts (1).
  40. Lower the vehicle.

  41. Object Number: 1874042  Size: SH
  42. Remove the starter solenoid cable from the vehicle.

Installation Procedure


    Object Number: 1874042  Size: SH
  1. Install the starter solenoid cable to the vehicle.

  2. Object Number: 1873941  Size: SH
  3. Install the starter solenoid cable (5) to the battery positive post.
  4. Caution: Refer to Fastener Caution in the Preface section.

  5. Tighten the starter solenoid cable nut (2) to 5 N·m (44 lb in).
  6. Close the starter solenoid cable positive battery post cover (1).

  7. Object Number: 1873940  Size: SH
  8. Install the starter solenoid cable to the battery positive post.
  9. Tighten the starter solenoid cable nut (1) to 7.5 N·m (66 lb in).
  10. Close the starter solenoid cable positive battery post cover.
  11. Raise and suitably support the vehicle. Refer to Lifting and Jacking the Vehicle.

  12. Object Number: 1874040  Size: SH
  13. Position the starter solenoid cable to the oil pan and install the starter solenoid cable channel bolts (1) and tighten to 12 N·m (106 lb in).

  14. Object Number: 1874038  Size: SH
  15. Reposition the starter solenoid cable bracket (1) and install the engine wiring harness to the clips on the rear of the bracket.

  16. Object Number: 1874037  Size: SH
  17. Position the starter solenoid cable clip to the frame and install the bolt (4) and tighten to 12 N·m (106 lb in).
  18. Install the starter solenoid cable bracket onto the stud and install the nut (5) and tighten to 8 N·m (71 lb in).
  19. Position the engine wiring harness ground terminal (1) behind the starter solenoid cable terminal (2) and against the engine block.
  20. Install the starter solenoid cable bolt (3) to the engine block and tighten to 25 N·m (18 lb ft).
  21. Install the starter solenoid cable (7) onto the starter.
  22. Install the starter solenoid cable nut (6) to the starter and tighten to 9 N·m (80 lb in).

  23. Object Number: 1874035  Size: SH
  24. Connect the coolant heater cord (1) to the coolant heater.

  25. Object Number: 1874033  Size: SH
  26. Position the starter solenoid cable (1) to the frame.
  27. Install the starter solenoid cable bolt to the frame and tighten to 25 N·m (18 lb ft).

  28. Object Number: 1874031  Size: SH
  29. Install the engine wiring harness clip (1) to the starter solenoid cable.
  30. Install the engine wiring harness clips (2) to the starter solenoid cable channel.

  31. Object Number: 1698083  Size: SH
  32. Install the oil pan skid plate and tighten the rear 2 bolts and install and tighten the front 2 bolts and tighten to 28 N·m (21 lb ft).
  33. Install the wheelhouse liner. Refer to Front Wheelhouse Liner Replacement - Right Side.

  34. Object Number: 1874029  Size: SH
  35. Install the starter solenoid cable branch terminal to the mega fuse stud.
  36. Install the starter solenoid cable to mega fuse nut (1) and tighten to 9 N·m (80 lb in).

  37. Object Number: 1873916  Size: SH
  38. Install the mega fuse cover.

  39. Object Number: 1874027  Size: SH
  40. Install the starter solenoid cable clip (3) to the battery tray.
  41. Install the starter solenoid cable clips (4) to the A/C evaporator tube.
  42. Install the air cleaner assembly. Refer to Air Cleaner Assembly Replacement.
  43. Connect the negative battery cable. Refer to Battery Negative Cable Disconnection and Connection.

Starter Solenoid Cable Replacement With L9H and TP2

Removal Procedure


    Object Number: 1857176  Size: SH
  1. Disconnect the auxiliary battery negative cable. Refer to Battery Negative Cable Disconnection and Connection.
  2. Remove the air cleaner outlet duct. Refer to Air Cleaner Resonator Outlet Duct Replacement.
  3. Remove the mega fuse cover (3).

  4. Object Number: 1702504  Size: SH
  5. Open the starter solenoid cable cover at the positive battery terminal.
  6. Loosen the starter solenoid cable nut (5).
  7. Remove the starter solenoid cable from the positive battery terminal.
  8. Remove the starter solenoid cable clip (4) from the air conditioning (A/C) evaporator tube.

  9. Object Number: 1857420  Size: SH
  10. Remove the starter solenoid cable nut (1) from the mega fuse stud.
  11. Remove the starter solenoid cable terminal (2) from the mega fuse stud.

  12. Object Number: 1698083  Size: SH
  13. Raise and support the vehicle. Refer to Lifting and Jacking the Vehicle.
  14. Remove the front 2 oil pan skid plate bolts, loosen the rear 2 bolts and remove the skid plate.

  15. Object Number: 1702990  Size: SH
  16. Remove the starter solenoid cable clip (1) from the wheelhouse panel.
  17. Remove the starter solenoid cable clip bolt (2) from the frame.

  18. Object Number: 1699544  Size: SH
  19. Remove the starter solenoid cable nut (1) from the starter.
  20. Remove the starter solenoid cable (2) from the starter.
  21. Lower the vehicle.

  22. Object Number: 1702991  Size: SH
  23. Remove the starter solenoid cable from the vehicle.

Installation Procedure


    Object Number: 1702991  Size: SH
  1. Install the starter solenoid cable to the vehicle.

  2. Object Number: 1702504  Size: SH
  3. Install the starter solenoid cable to the positive battery terminal.
  4. Caution: Refer to Fastener Caution in the Preface section.

  5. Tighten the starter solenoid cable nut (5) to 5 N·m (44 lb in).
  6. Close the starter solenoid cable cover at the positive battery terminal.
  7. Install the starter solenoid cable clip (4) to the A/C evaporator tube.

  8. Object Number: 1857420  Size: SH
  9. Install the starter solenoid cable terminal (2) to the mega fuse stud.
  10. Install the starter solenoid cable nut (1) to the mega fuse stud and tighten to 9 N·m (80 lb in).

  11. Object Number: 1857176  Size: SH
  12. Install the mega fuse cover (3).
  13. Raise the vehicle.

  14. Object Number: 1699544  Size: SH
  15. Install the starter solenoid cable (2) to the starter.
  16. Install the starter solenoid cable nut (1) to the starter and tighten to 9 N·m (80 lb in).

  17. Object Number: 1702990  Size: SH
  18. Position the starter solenoid cable clip to the frame and install the starter solenoid cable clip bolt (2).
  19. Install the starter solenoid cable clip (1) to the wheelhouse panel.

  20. Object Number: 1698083  Size: SH
  21. Install the oil pan skid plate and tighten the rear 2 bolts and install and tighten the front 2 bolts and tighten to 28 N·m (21 lb ft).
  22. Lower the vehicle.
  23. Install the air cleaner outlet duct. Refer to Air Cleaner Resonator Outlet Duct Replacement.
  24. Connect the auxiliary battery negative cable. Refer to Battery Negative Cable Disconnection and Connection.