GM Service Manual Online
For 1990-2009 cars only
Makes
🢒
Chevrolet
🢒
2009
🢒
Silverado - 2WD
🢒
Diagnostic Navigation
🢒
Vehicle Diagnostic Information
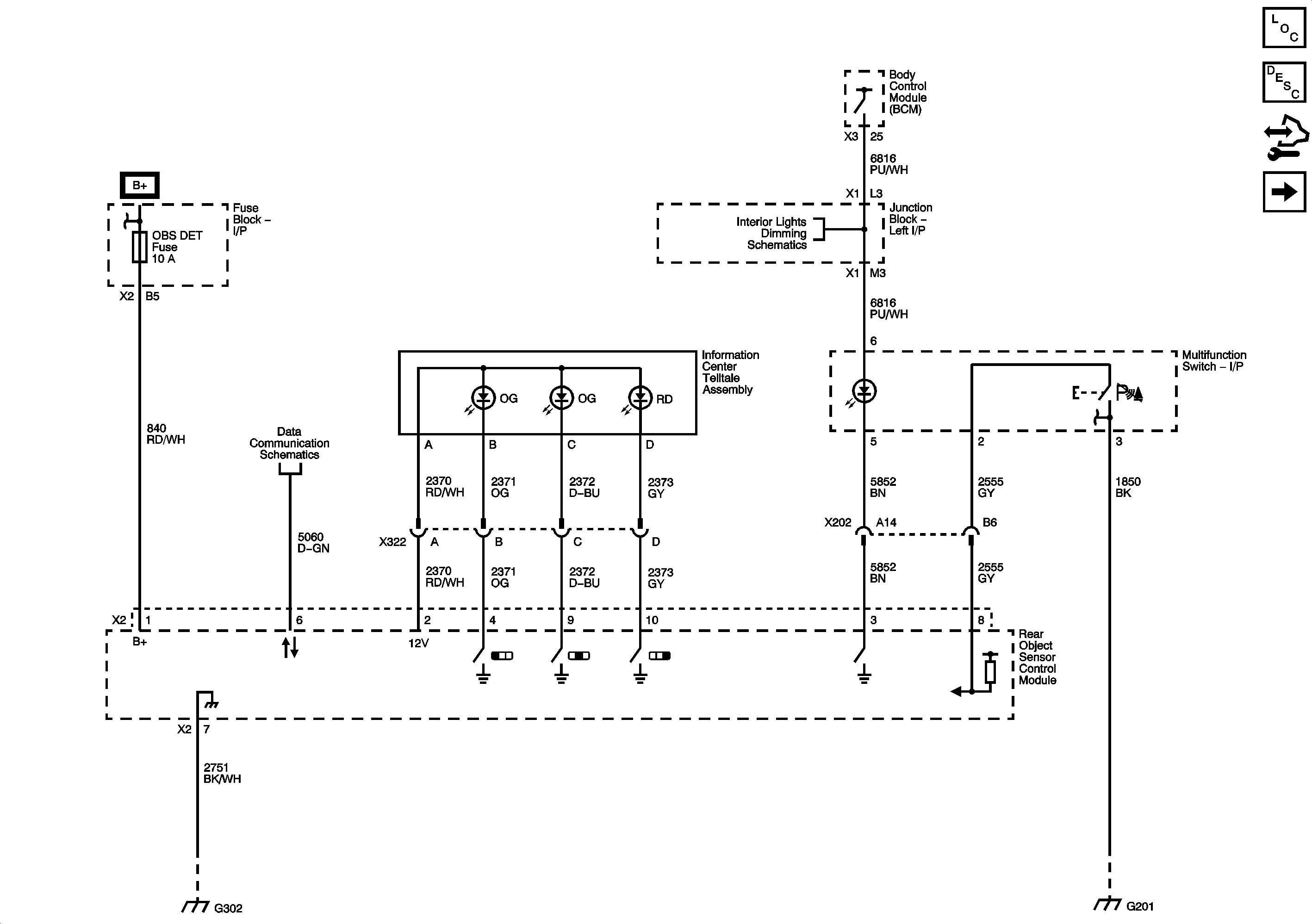
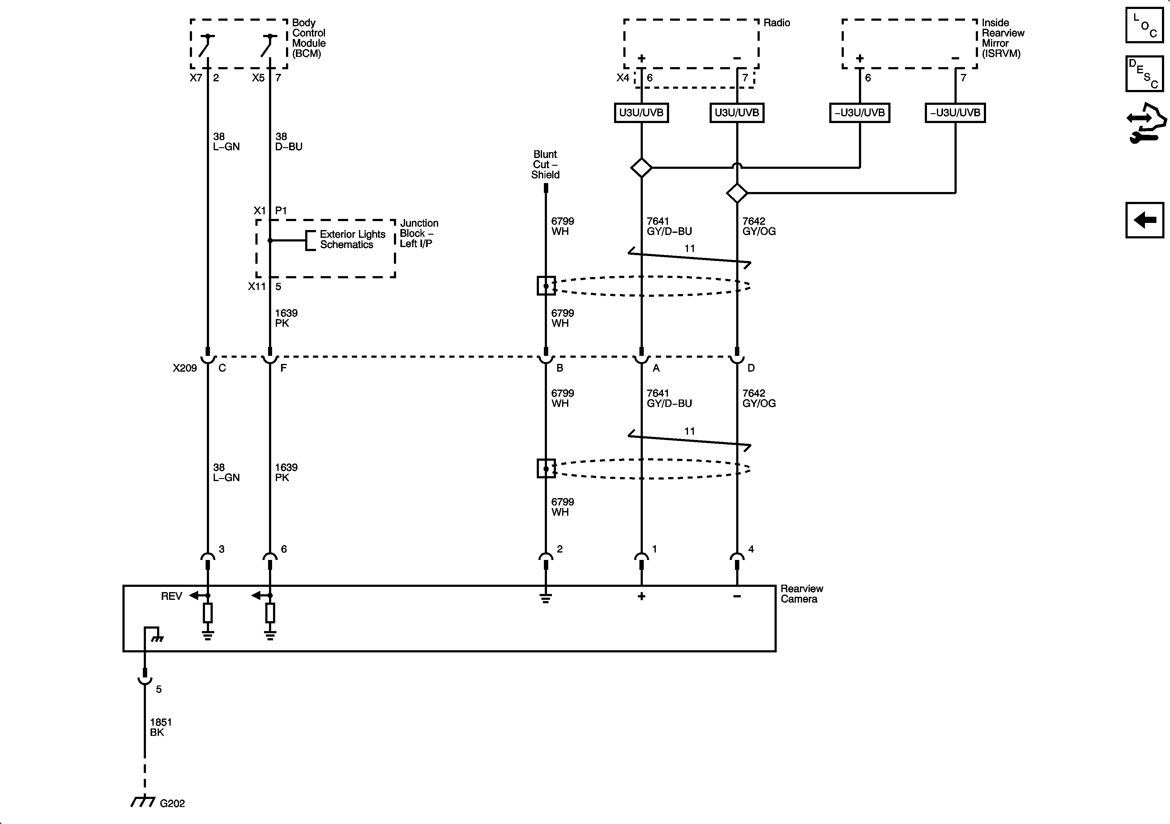
🢒 Object Detection Schematics
Figure
1:
Rear Object Sensing (UD7)
Figure
2:
Rear Object Sensors (UD7)
Figure
3:
Rearview Camera (SVA)