GM Service Manual Online
For 1990-2009 cars only
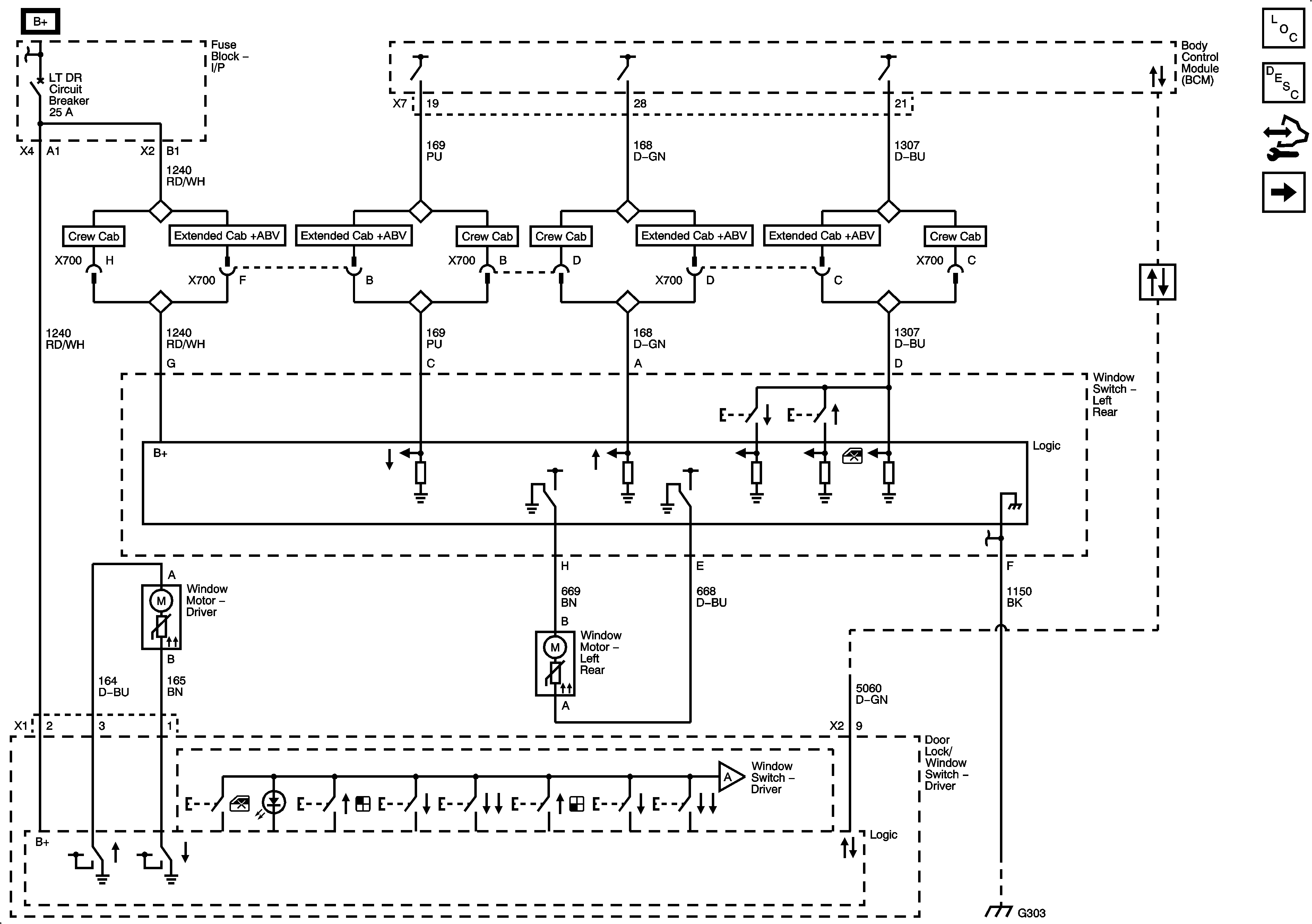
Figure 1:

Left Doors (AN3/DL3)


Object Number: 2064506  Size: FS
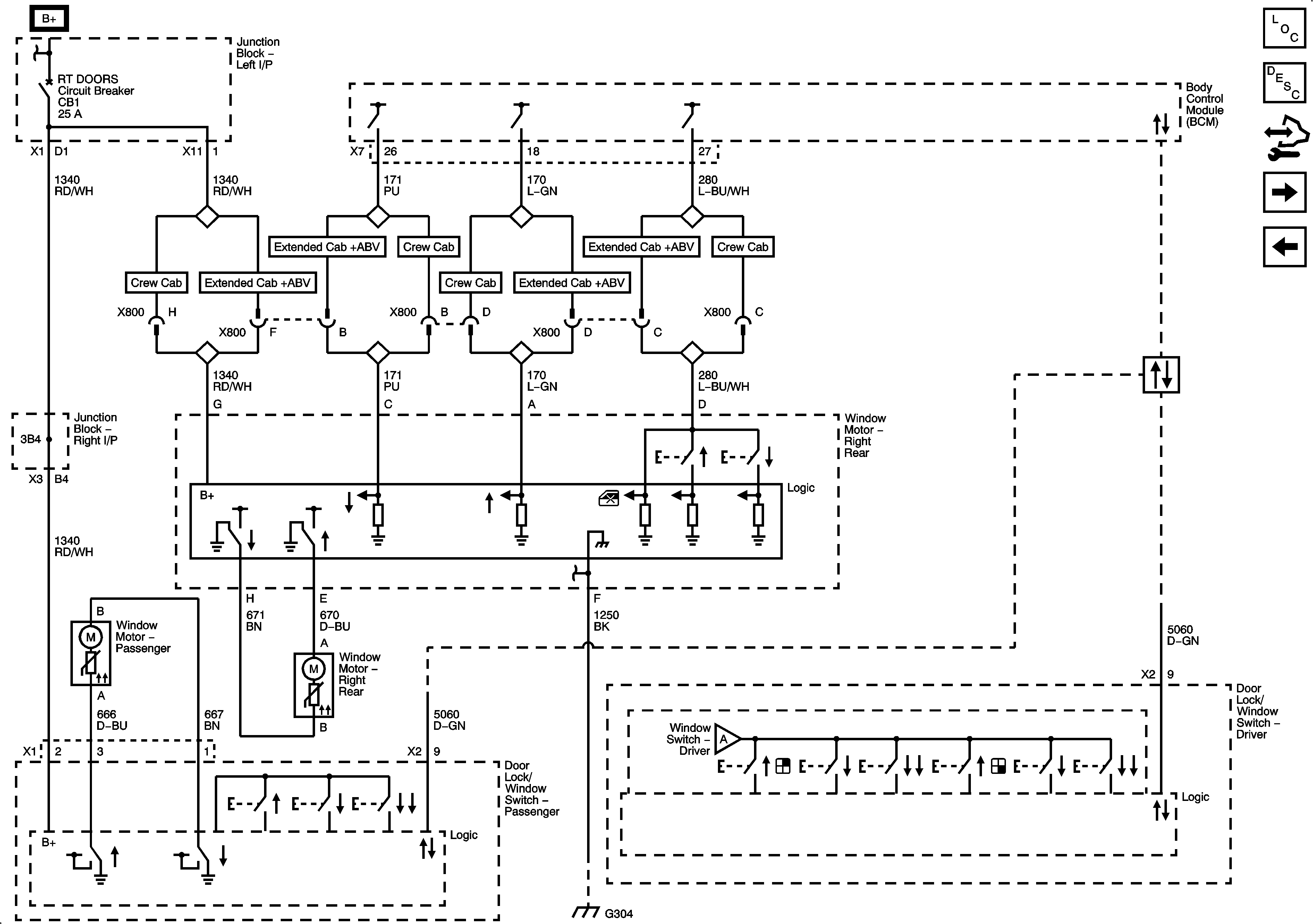
Figure 2:

Right Doors (AN3/DL3)


Object Number: 2064508  Size: FS
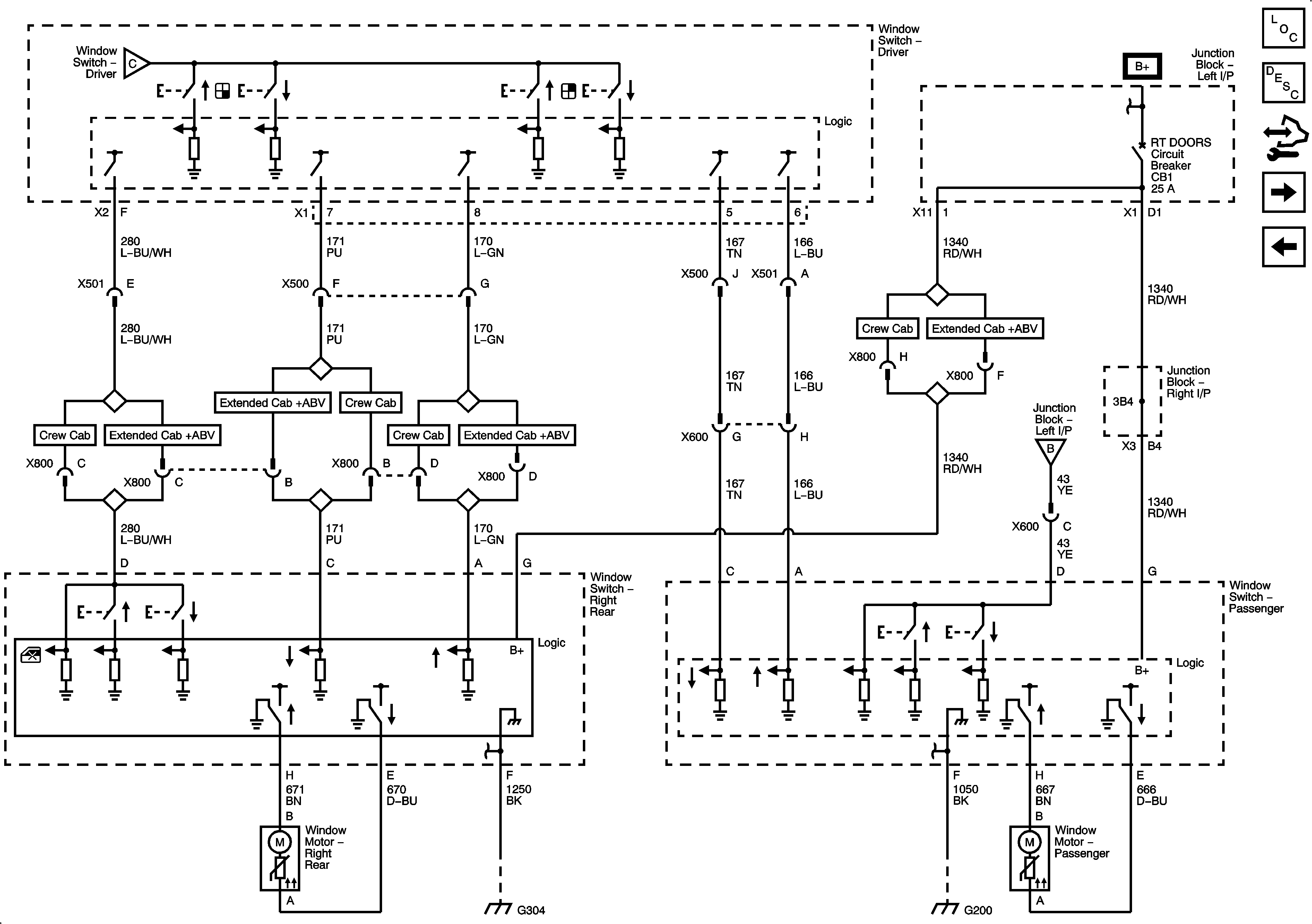
Figure 3:

Left Doors (except AN3/DL3)


Object Number: 2064510  Size: FS
Figure 4:

Right Doors (except AN3/DL3)


Object Number: 2064512  Size: FS
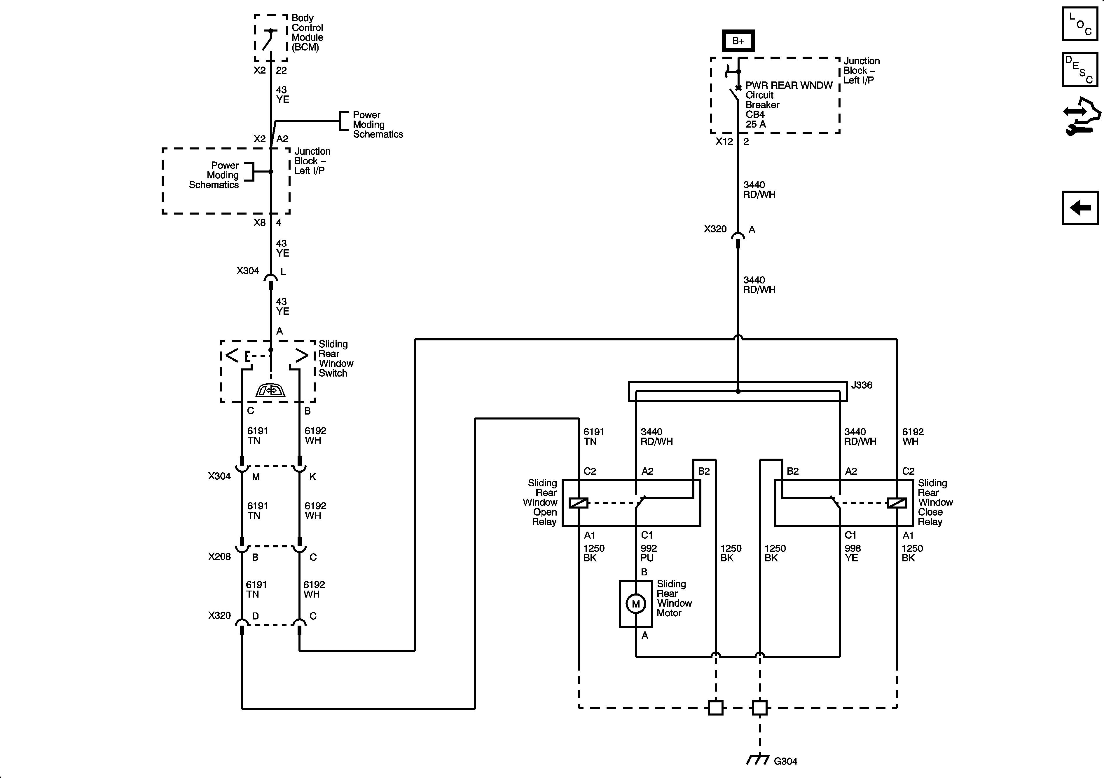
Figure 5:

Sliding Rear Window (A48)


Object Number: 2064516  Size: FS