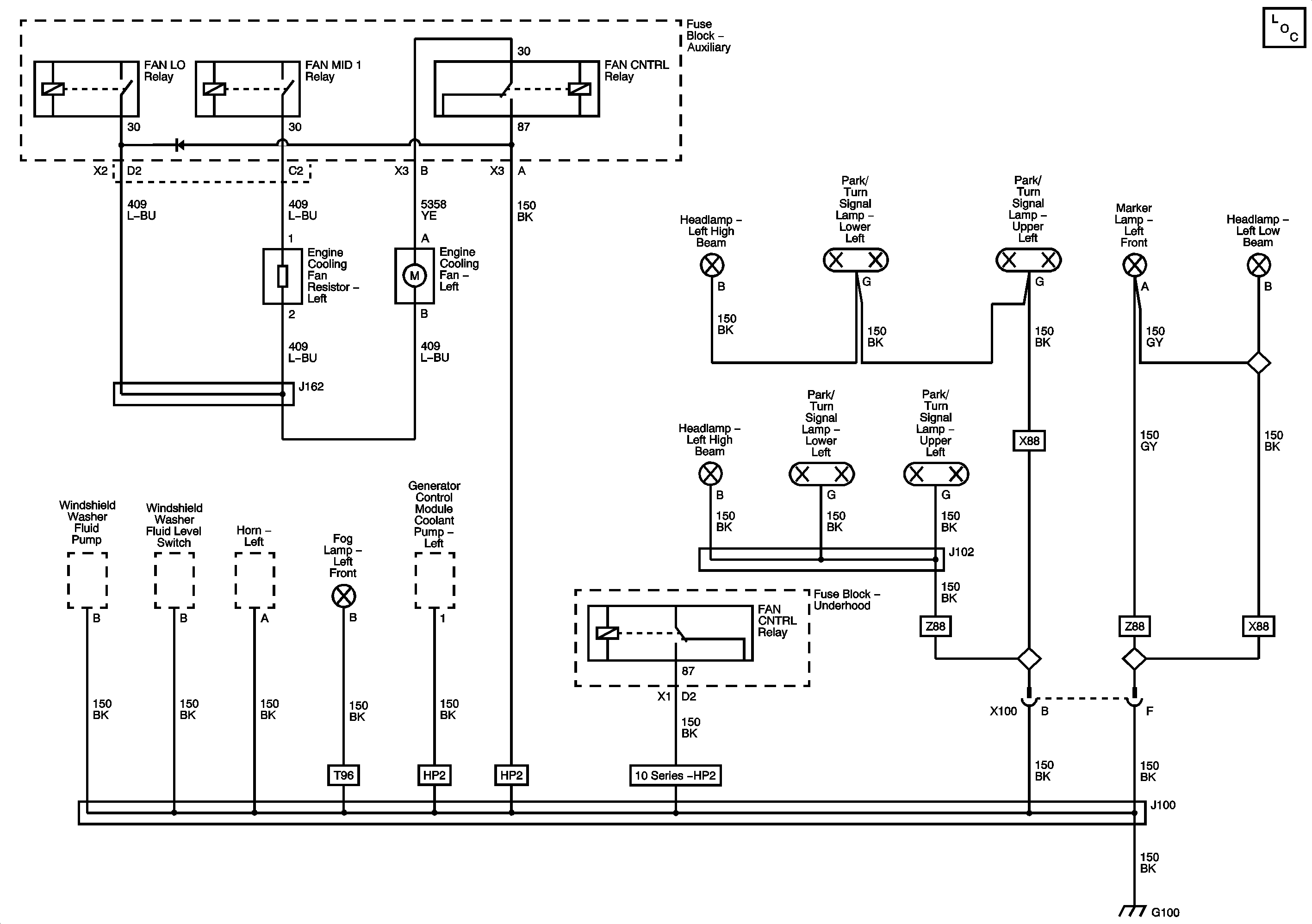
| Figure 1: |
G100
|
| Figure 2: |
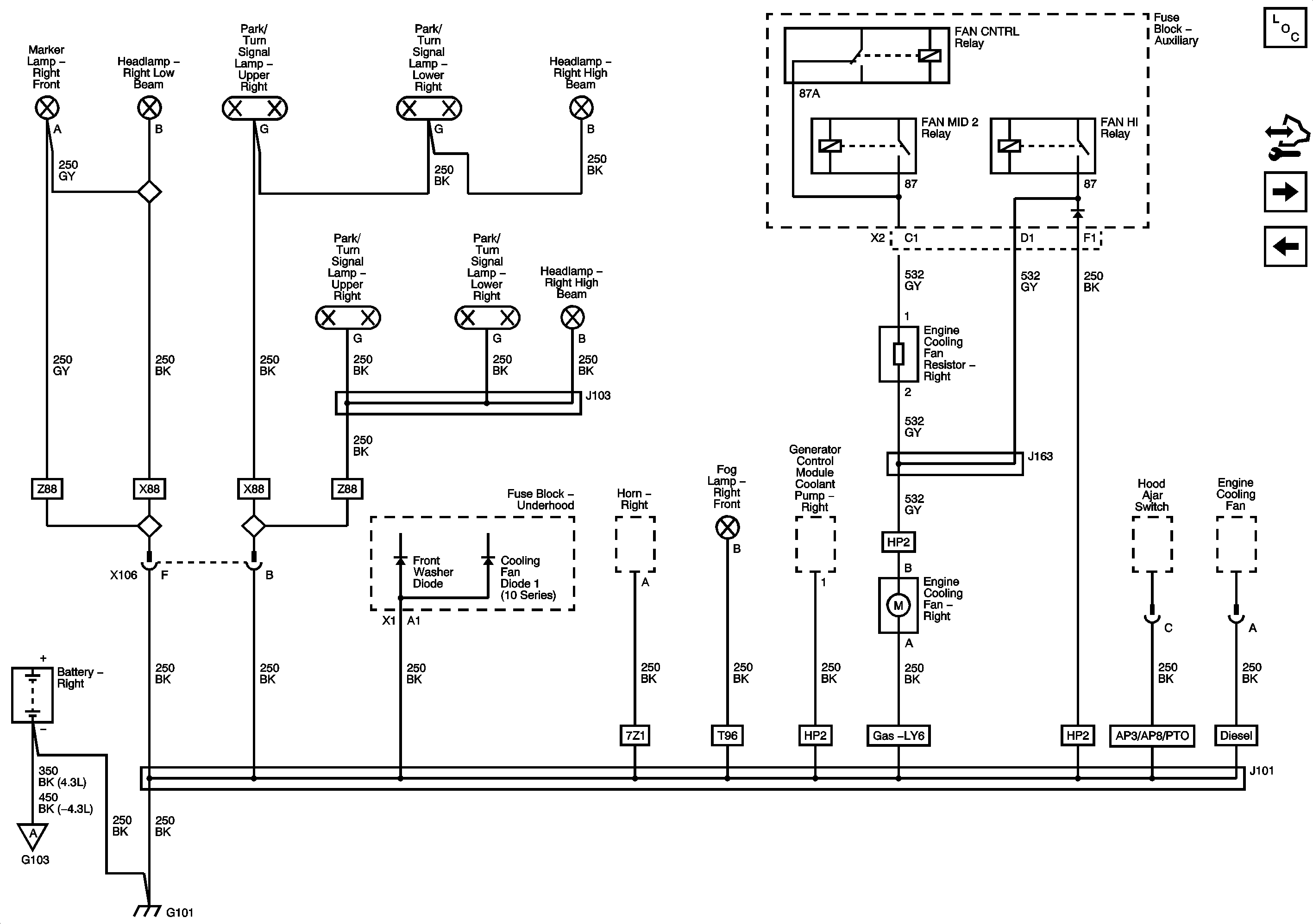
G101
|
| Figure 3: |
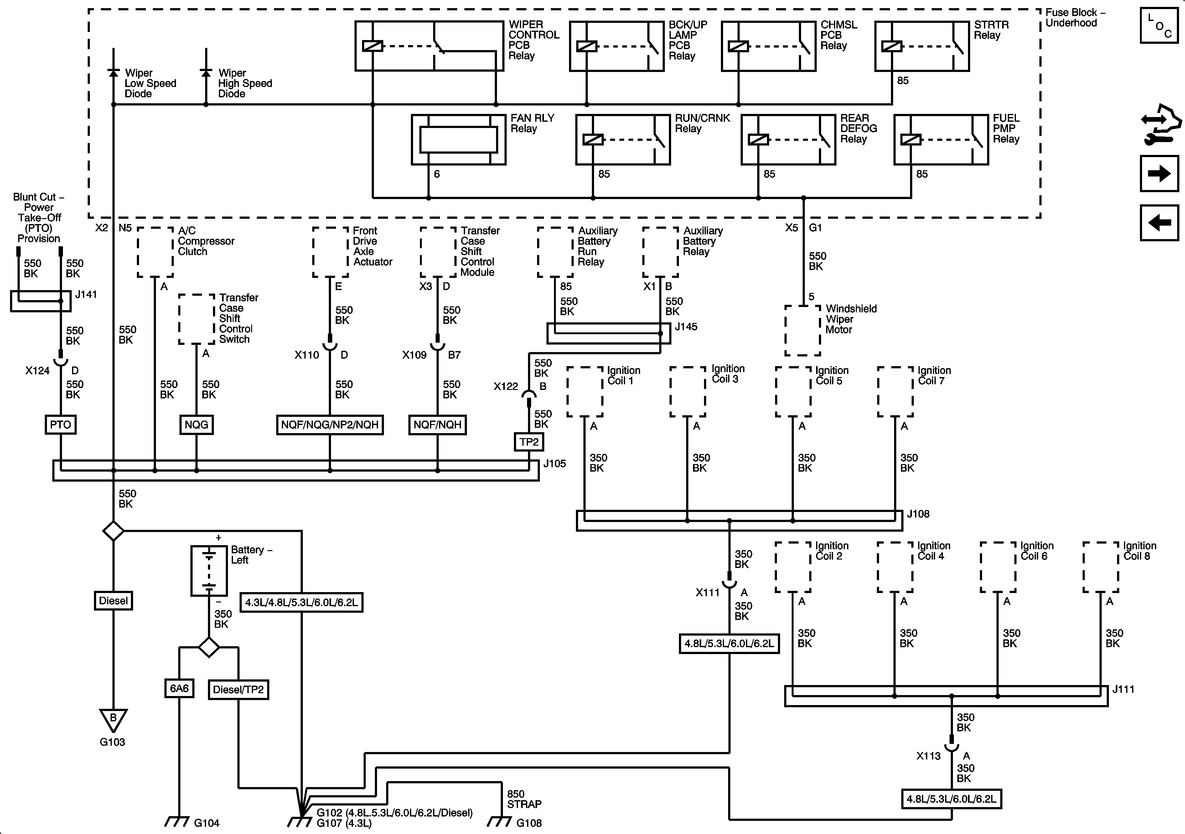
G102, G107 (4.3L), G104 and G108
|
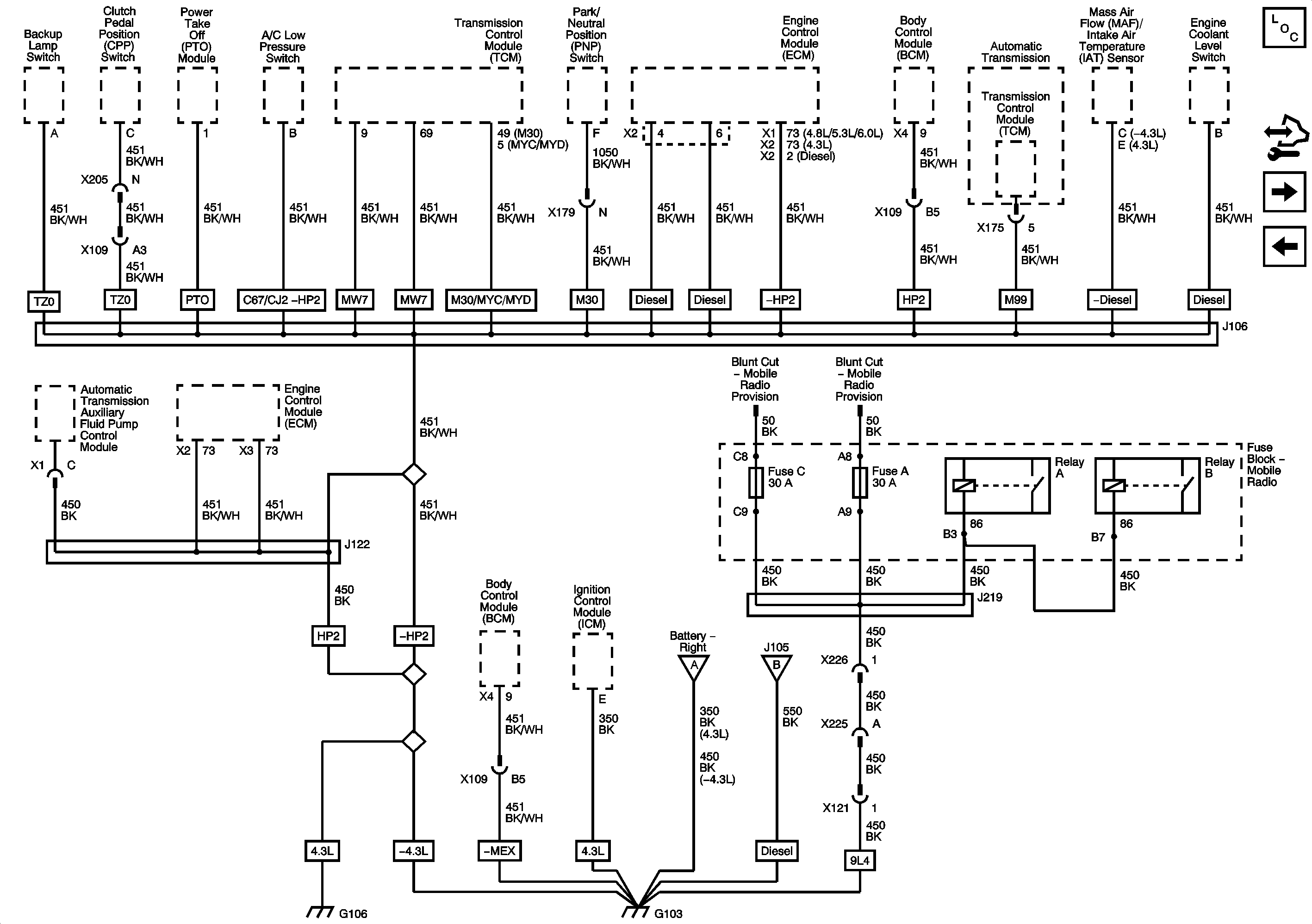
| Figure 4: |
G106 (4.3L) and G103
|
| Figure 5: |
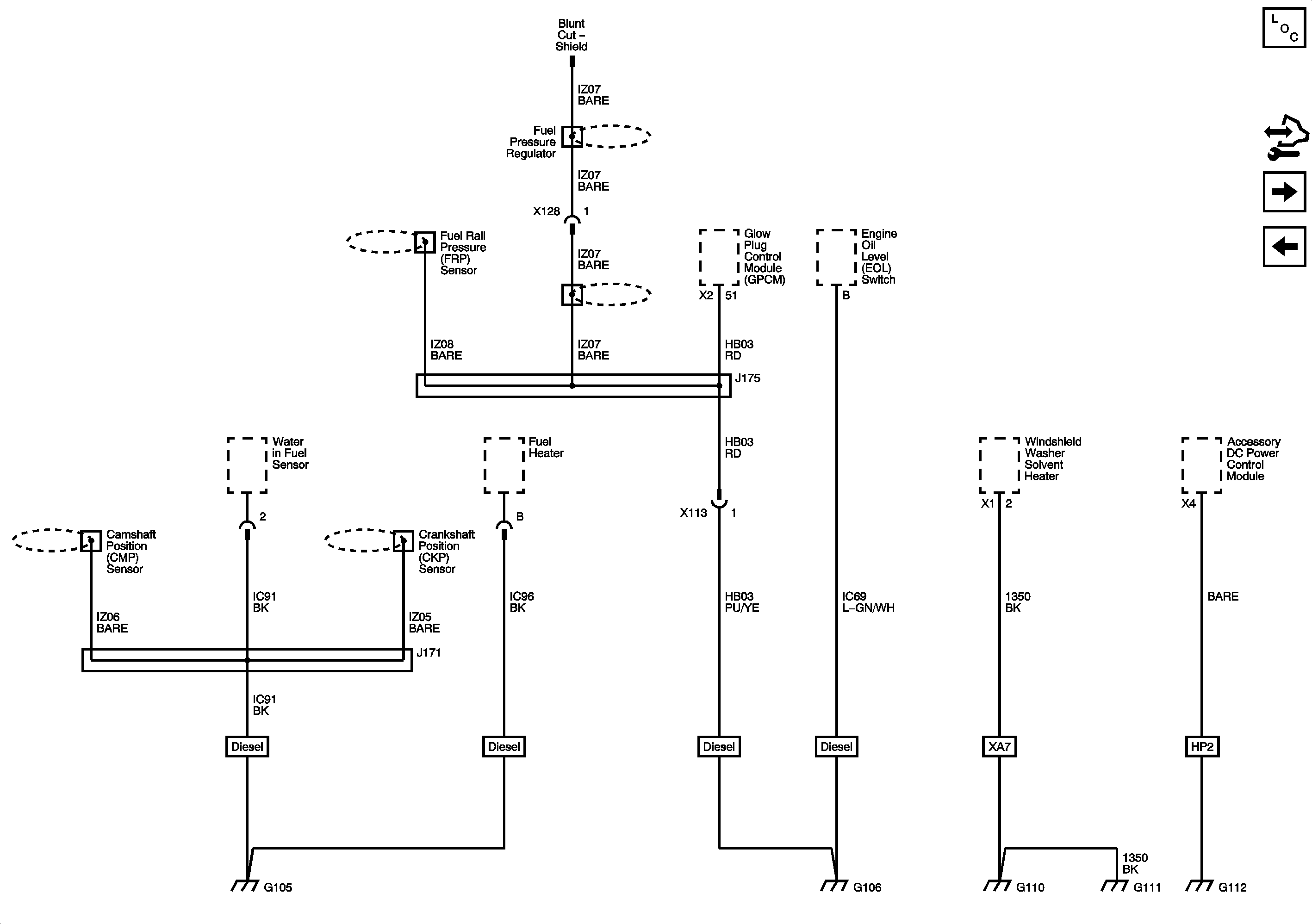
G106 (Diesel), G105, G110, G111 and G112
|
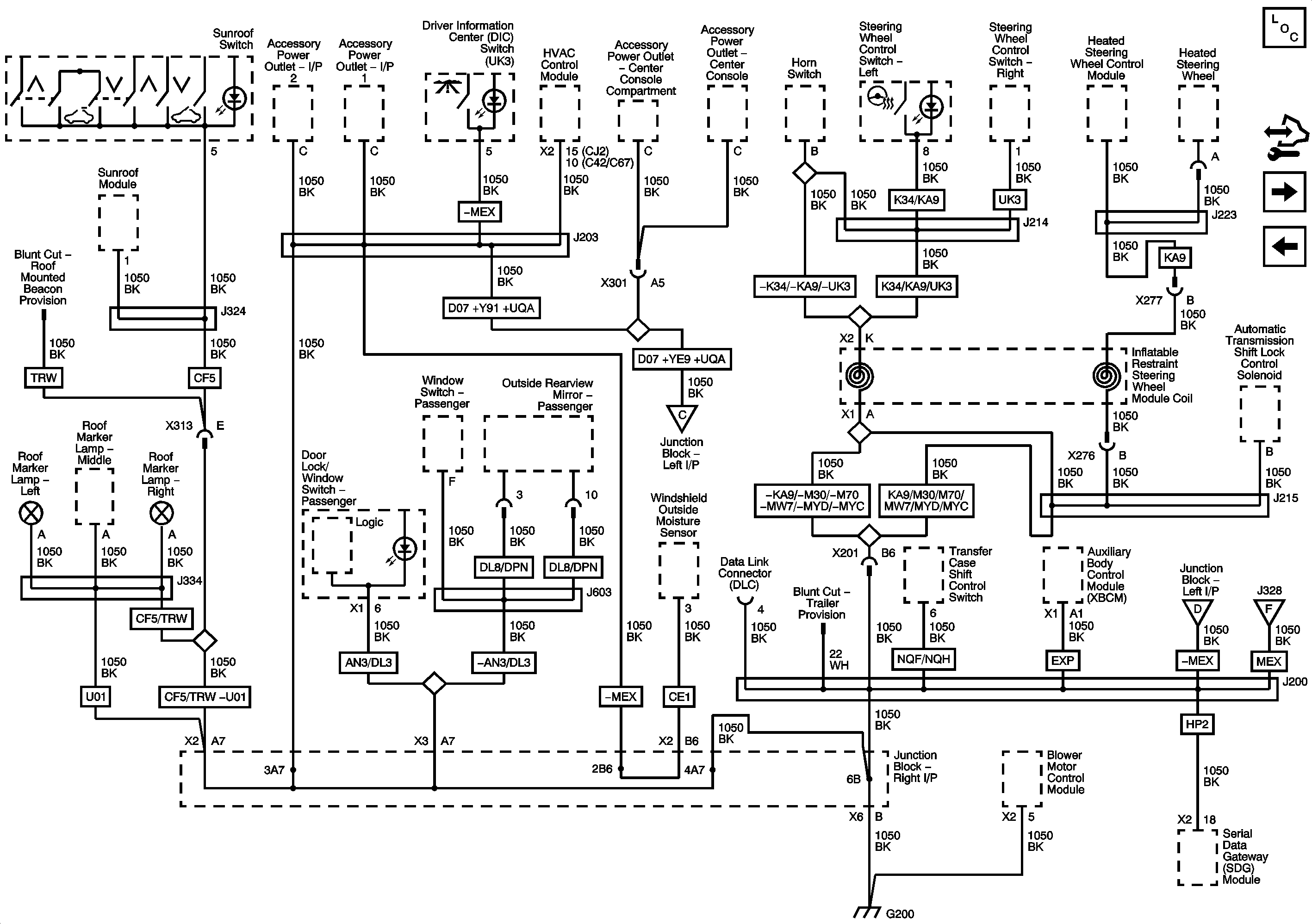
| Figure 6: |
G200 1 of 2
|
| Figure 7: |
G200 2 of 2
|
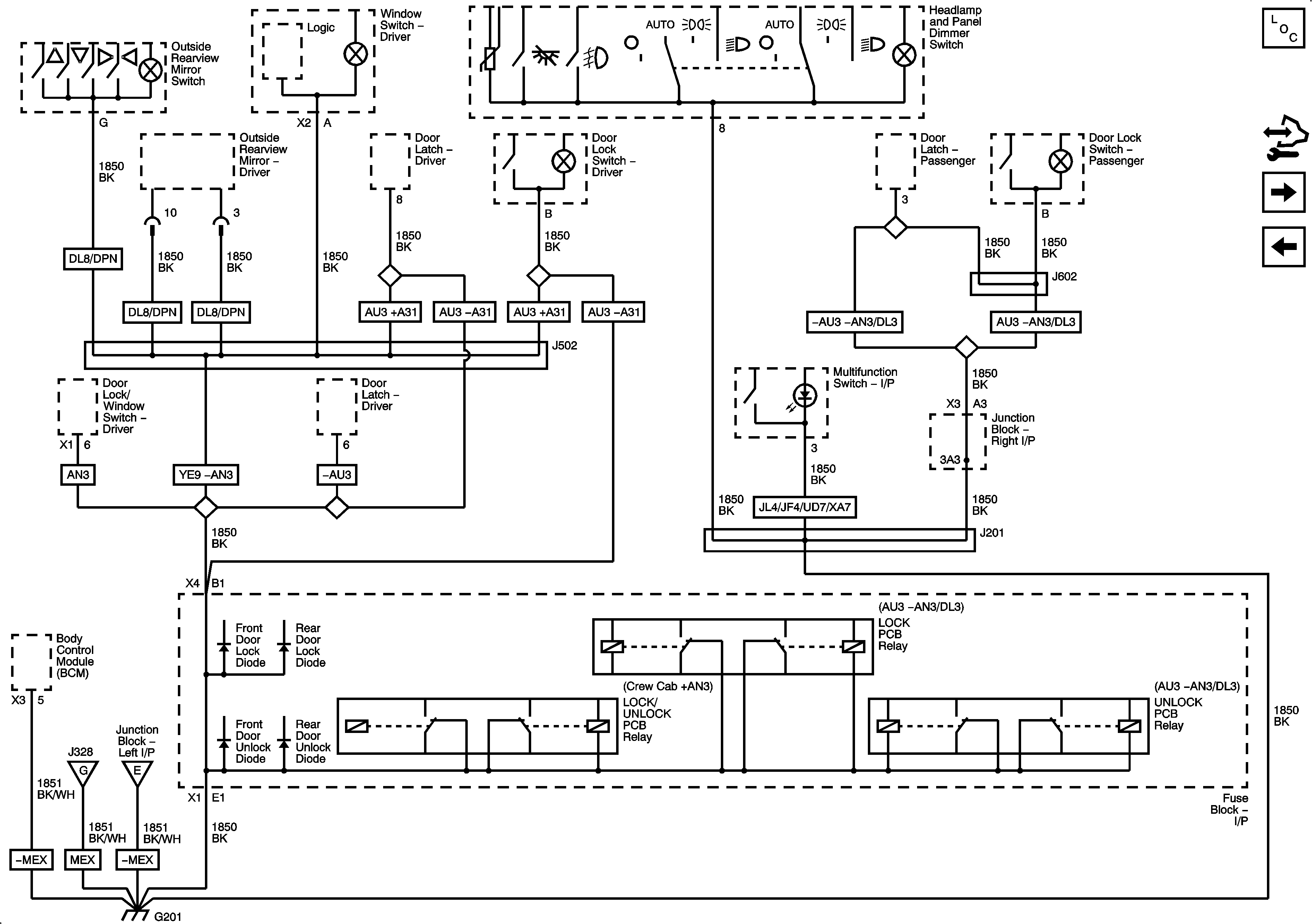
| Figure 8: |
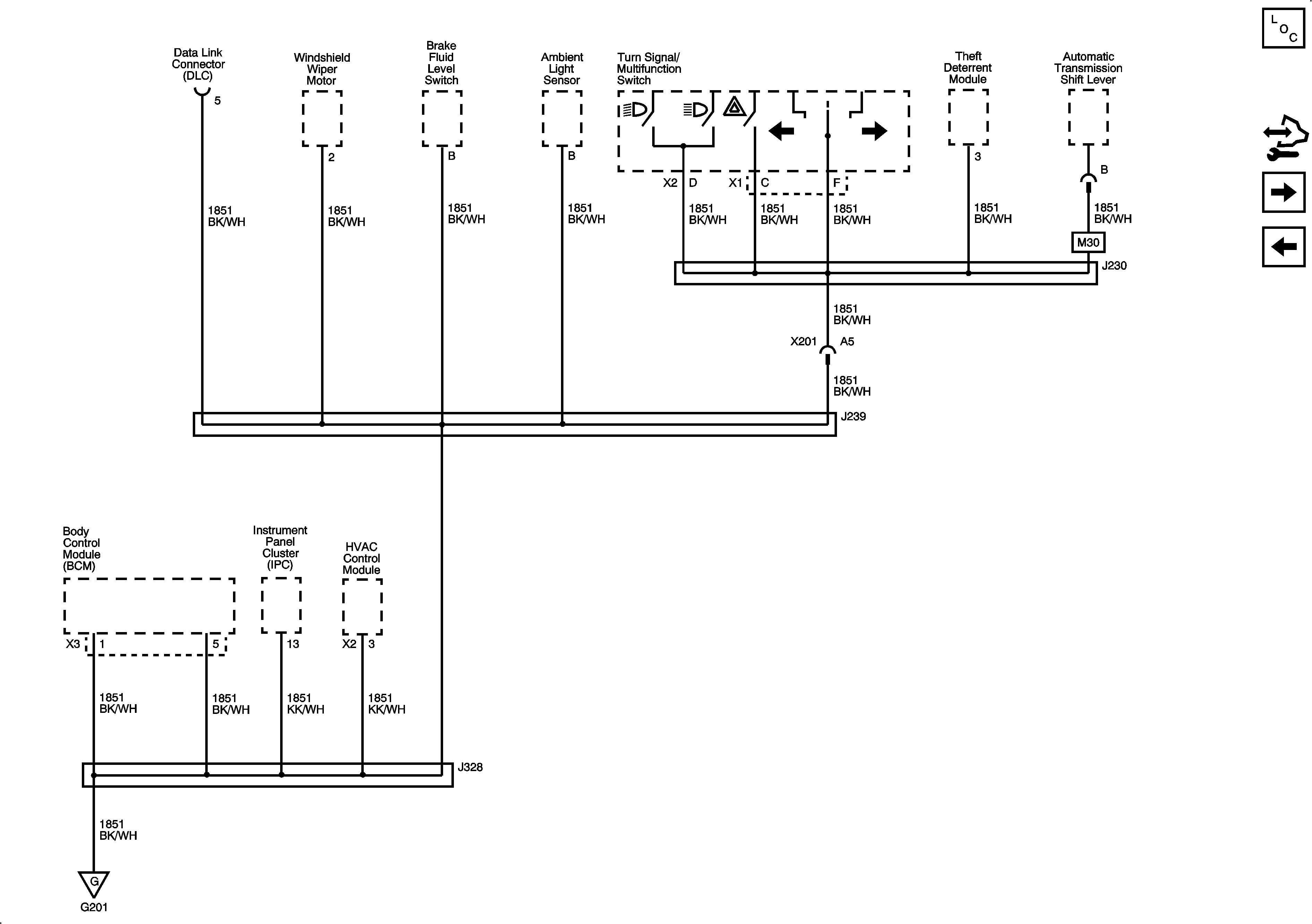
G201 1 of 3
|
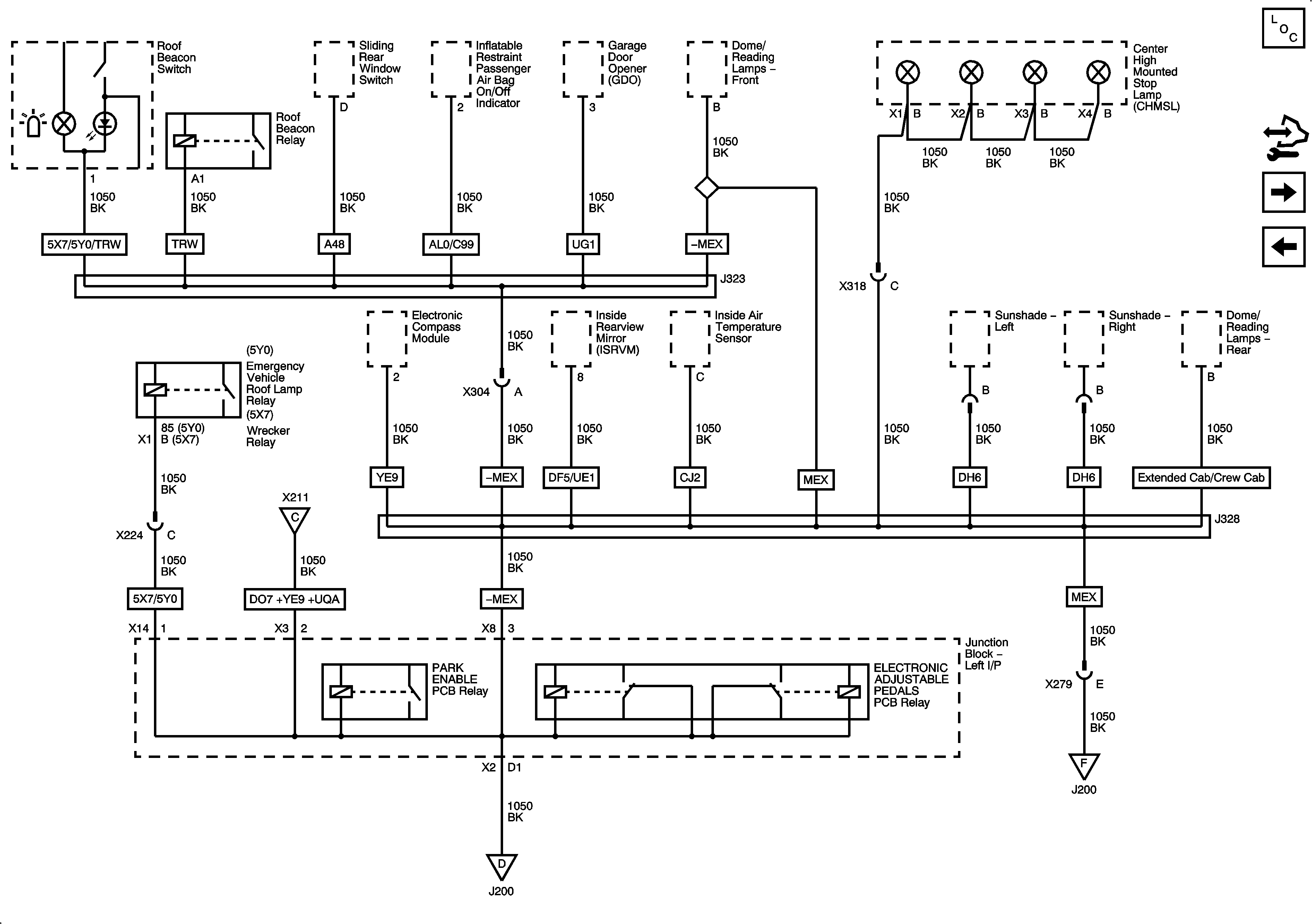
| Figure 9: |
G201 2 of 3 (except MEX)
|
| Figure 10: |
G201 3 of 3 (MEX)
|
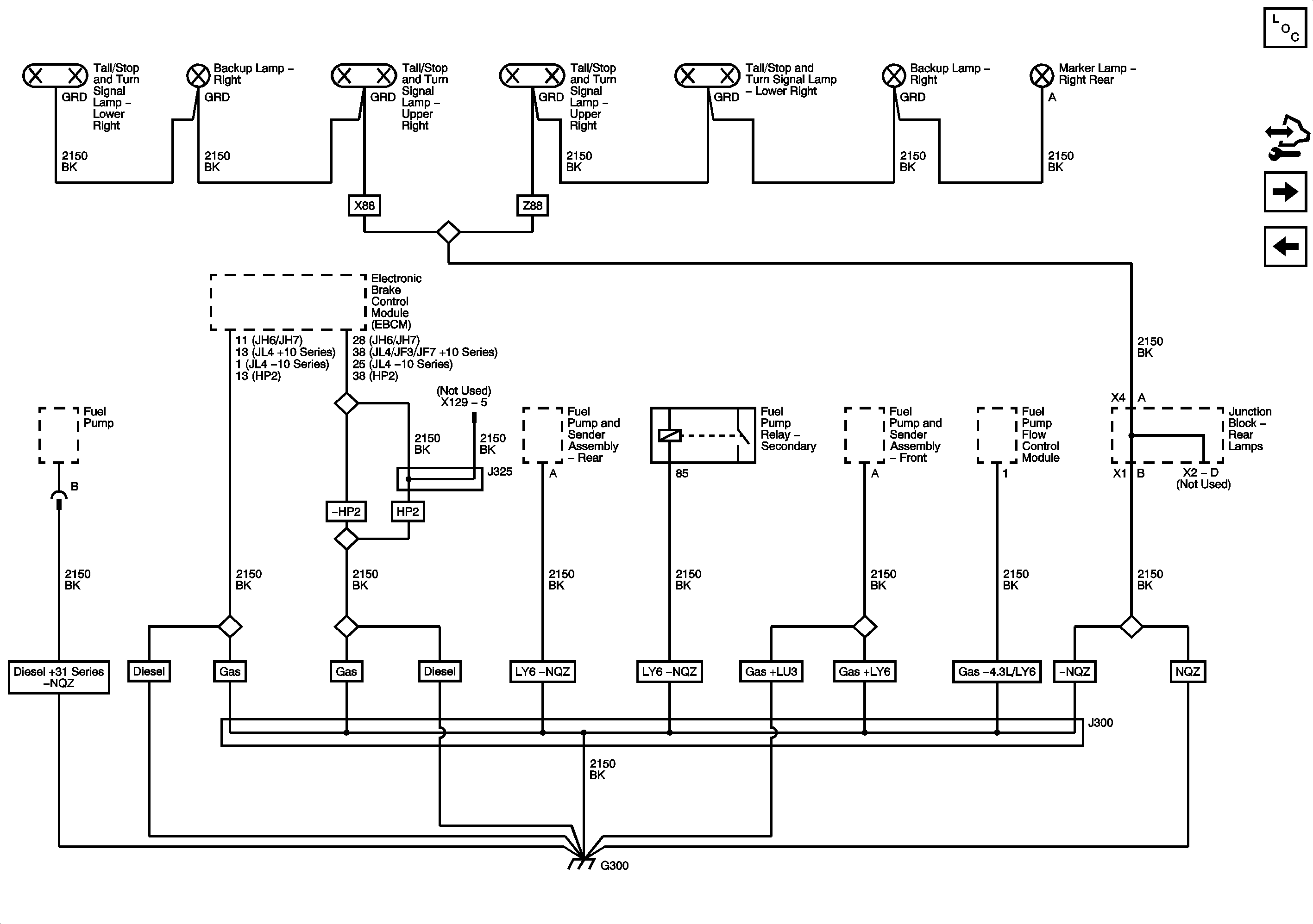
| Figure 11: |
G300
|
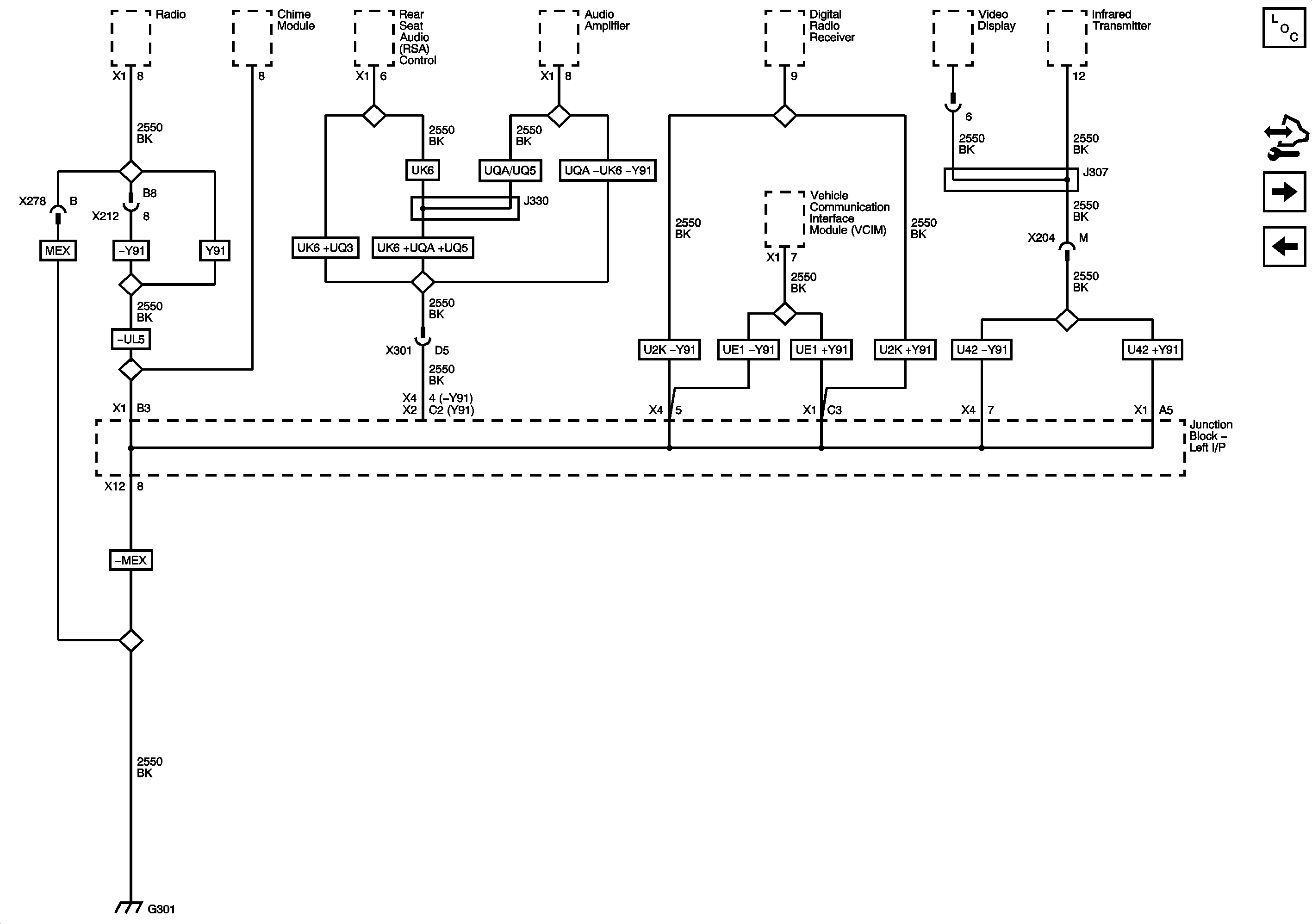
| Figure 12: |
G301
|
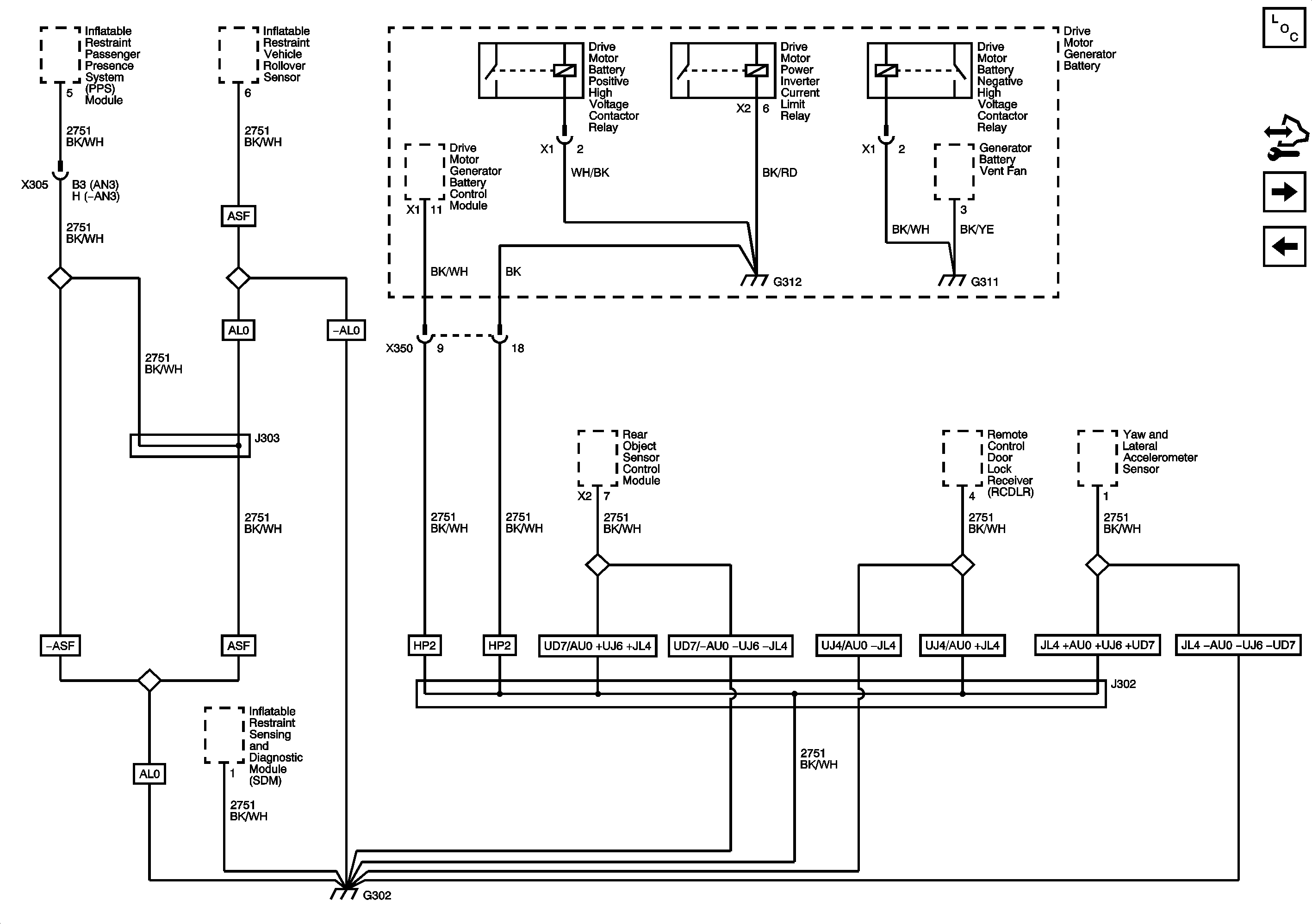
| Figure 13: |
G302
|
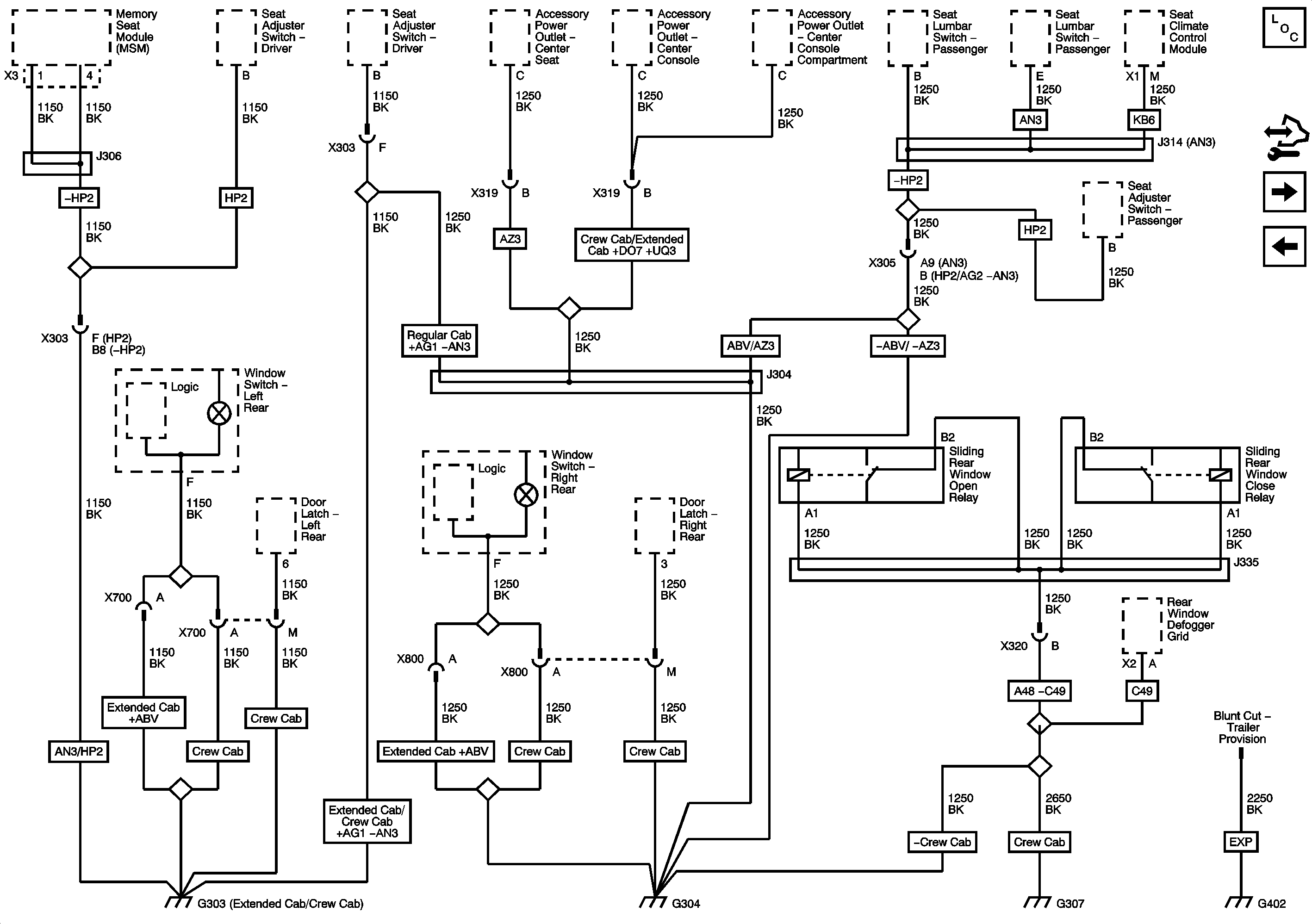
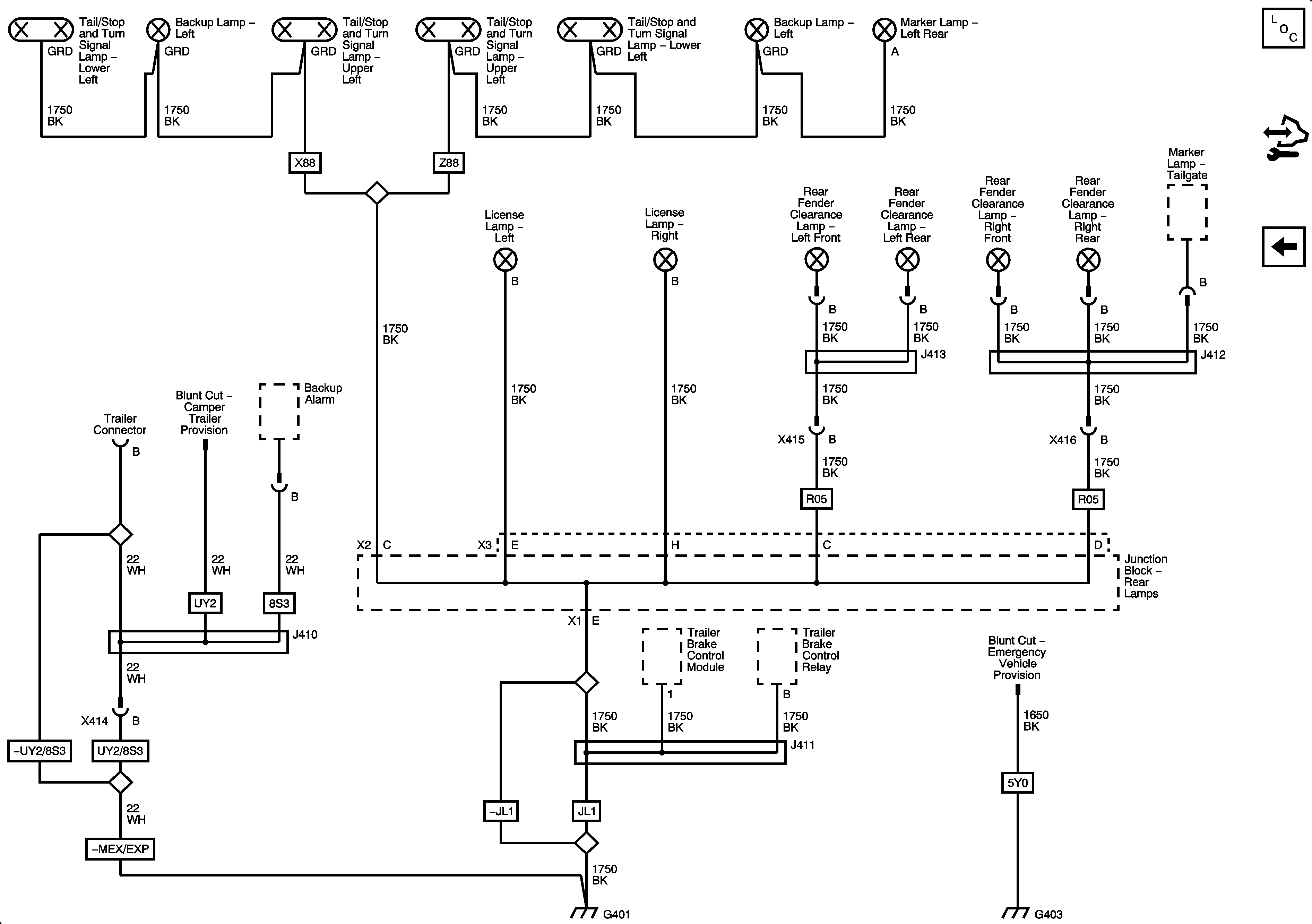
| Figure 14: |
G303, G304, G305 and G307
|
| Figure 15: |
G401 and G403
|