Removal Procedure
Caution: Broken or deteriorated mounts can cause misalignment and destruction of certain drive train components. When a single mount breaks, the remaining mounts are subjected to abnormally high stresses.
- Raise and suitably support the vehicle. Refer to
Lifting and Jacking the Vehicle.
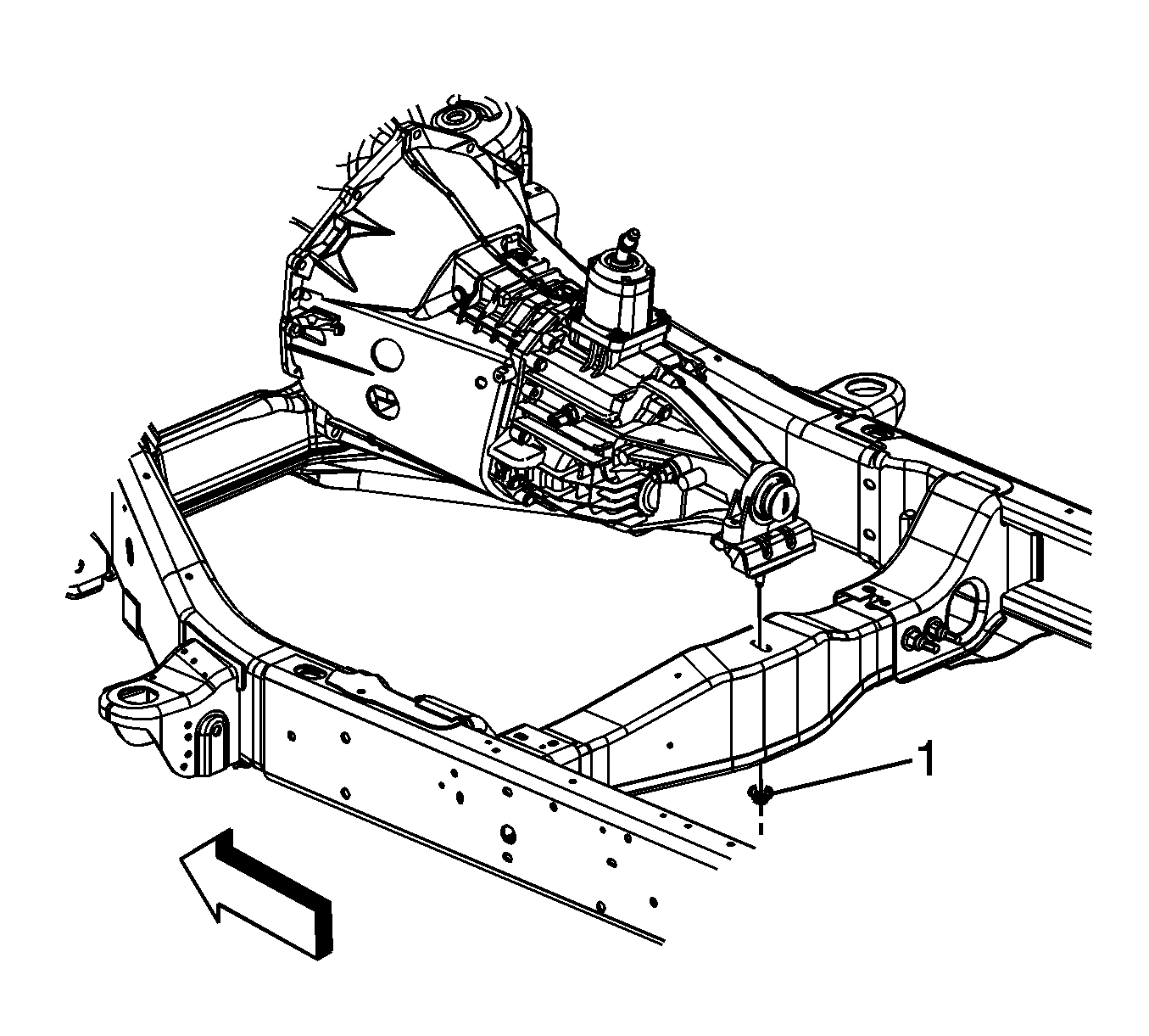
- Remove the transmission mount to crossmember nut (1).
- Remove the transmission mount to transmission bolts.
- Raise the transmission just enough in order to permit removal of the mount using a suitable transmission jack.
- Remove the transmission mount.
Installation Procedure
Caution: Refer to Fastener Caution in the Preface section.
- Position the transmission mount.
- Install the transmission mount to transmission bolts.
Tighten
Tighten the bolts to 50 N·m (37 lb ft).
- Lower the transmission and remove the transmission jack.
- Install the transmission mount to crossmember nut (1).
Tighten
Tighten the nut to 40 N·m (30 lb ft).
- Lower the vehicle.