GM Service Manual Online
For 1990-2009 cars only
Figure 1:

Case Half Components


Object Number: 1817189  Size: MF
(1)Transfer Case Front Output Shaft Seal
(2)Transfer Case Vent
(3)Transfer Case Input Shaft Seal
(4)Transfer Case Input Shaft Bearing Outer Retaining Ring
(5)Transfer Case Stud
(6)Transfer Case Selector Switch - O-Ring - Seal
(7)Transfer Case Shift Control Switch Assembly
(8)Transfer Case Front Half
(9)Transfer Case Half Locating Pin
(9)Transfer Case Half Locating Pin
(10)Transfer Case Input Shaft Bearing Assembly
(11)Transfer Case Input Shaft Inner Retaining Ring
(12)Transfer Case High/Low Internal Gear
(13)Transfer Case High/Low Internal Gear Retaining Ring
(14)Transfer Case Rear Output Shaft Rear Bearing Outer Retaining Ring
(15)Vehicle Speed Sensor Assembly
(16)Vehicle Speed Sensor - O-Ring - Seal
(17)Transfer Case Rear Half
(18)Transfer Case Access Hole Plug
(19)Transfer Case - Harness - Bracket
(20)Transfer Case Half Bolt/Screw (Qty: 17)
(21)Transfer Case Rear Output Shaft Bushing
(22)Transfer Case Rear Output Shaft Seal
(23)Transfer Case Oil Fill Plug
(24)Transfer Case Oil Drain Plug
(25)Transfer Case Front Output Shaft Rear Bearing Assembly
(26)Transfer Case Shift Detent Plunger Plug
(27)Transfer Case Shift Detent Plunger Plug - O-Ring - Seal
(28)Transfer Case Shift Detent Spring
(29)Transfer Case Shift Detent Plunger
(30)Transfer Case Shift Detent Lever Bearing Assembly
(31)Transfer Case Shift Lever Seal
(32)Transfer Case Shift Lever
(33)Transfer Case Control Lever Bolt/Screw
(34)Transfer Case Shift Lever - Rubber - Seal
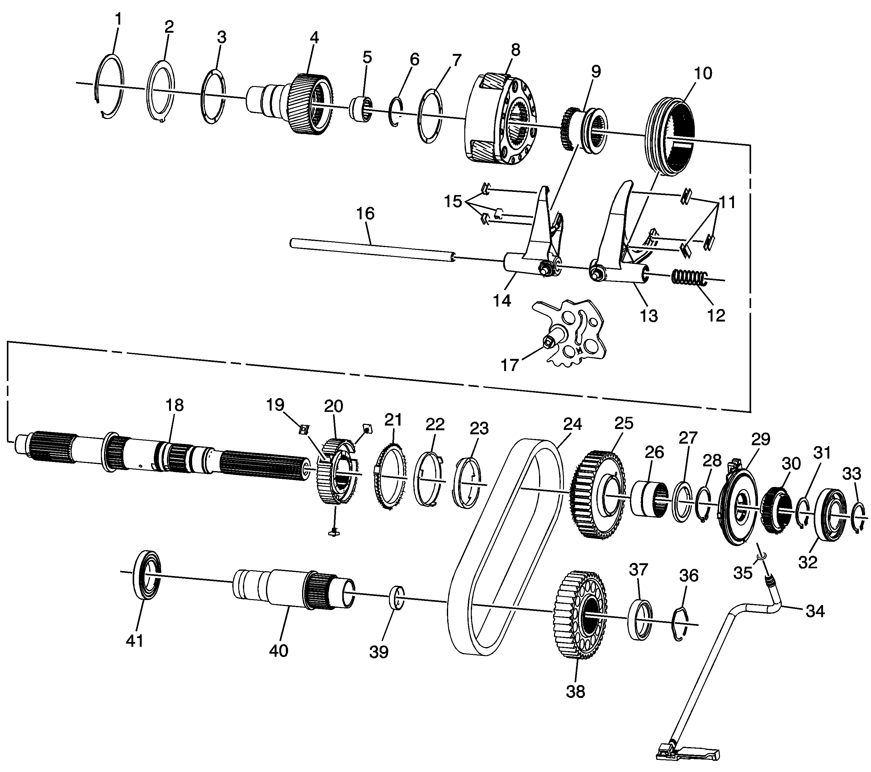
Figure 2:

Internal Components


Object Number: 1817192  Size: LF
(1)Transfer Case High/Low Planetary Carrier Retaining Ring
(2)Transfer Case High/Low Locking Plate
(3)Transfer Case Planetary Carrier Sun Gear Thrust Washer
(4)Transfer Case Input Shaft
(5)Transfer Case Input Shaft Pilot Bearing Assembly
(6)Transfer Case Input Shaft Pilot Bearing Retaining Ring - HD and SHD Only
(7)Transfer Case Planetary Carrier Sun Gear Thrust Washer
(8)Transfer Case High/Low Planetary Carrier Assembly
(9)Transfer Case High/Low Clutch
(10)Transfer Case Two/Four Wheel Drive Synchronizer Sleeve
(11)Transfer Case Two/Four Wheel Drive Shift Fork Inserts
(12)Transfer Case Shift Fork Spring
(13)Transfer Case Two/Four Wheel Drive Shift Fork Assembly
(14)Transfer Case High/Low Shift Fork
(15)Transfer Case High/Low Shift Fork Inserts
(16)Transfer Case Control Actuator Shaft
(17)Transfer Case Shift Detent Lever Assembly
(18)Transfer Case Rear Output Shaft
(19)Transfer Case Two/Four Wheel Drive Synchronizer Inserts
(20)Transfer Case Two/Four Wheel Drive Synchronizer Hub
(21)Transfer Case Two/Four Wheel Drive Synchronizer Assembly
(22)Transfer Case Two/Four Wheel Drive Synchronizer Blocking Ring - Outer
(23)Transfer Case Two/Four Wheel Drive Synchronizer Blocking Ring - Inner
(24)Transfer Case Front Output Shaft Drive Chain Assembly
(25)Transfer Case Front Output Shaft Drive Sprocket
(26)Transfer Case Front Output Shaft Drive Sprocket Bearing Assembly
(27)Transfer Case Front Output Shaft Drive Sprocket Spacer - Rear
(28)Transfer Case Front Output Shaft Drive Sprocket Retaining Ring
(29)Transfer Case Oil Pump Assembly
(30)Transfer Case Rear Output Shaft Speed Reluctor Wheel
(31)Transfer Case Rear Output Shaft Rear Bearing Retaining Ring
(32)Transfer Case Rear Output Shaft Rear Bearing Assembly
(33)Transfer Case Rear Output Shaft Rear Bearing Retaining Ring
(34)Transfer Case Oil Pump Suction Pipe
(35)Transfer Case Oil Pump Suction Pipe Seal
(36)Transfer Case Front Output Shaft Driven Sprocket Spacer Spring
(37)Transfer Case Front Output Shaft Driven Sprocket Spacer
(38)Transfer Case Front Output Shaft Driven Sprocket
(39)Transfer Case Front Output Shaft Hole Plug
(40)Transfer Case Front Output Shaft
(41)Transfer Case Front Output Shaft Front Bearing Assembly