GM Service Manual Online
For 1990-2009 cars only
Makes
🢒
Chevrolet
🢒
2009
🢒
Silverado - 2WD
🢒
Power and Signal Distribution
🢒
Wiring Systems and Power Management
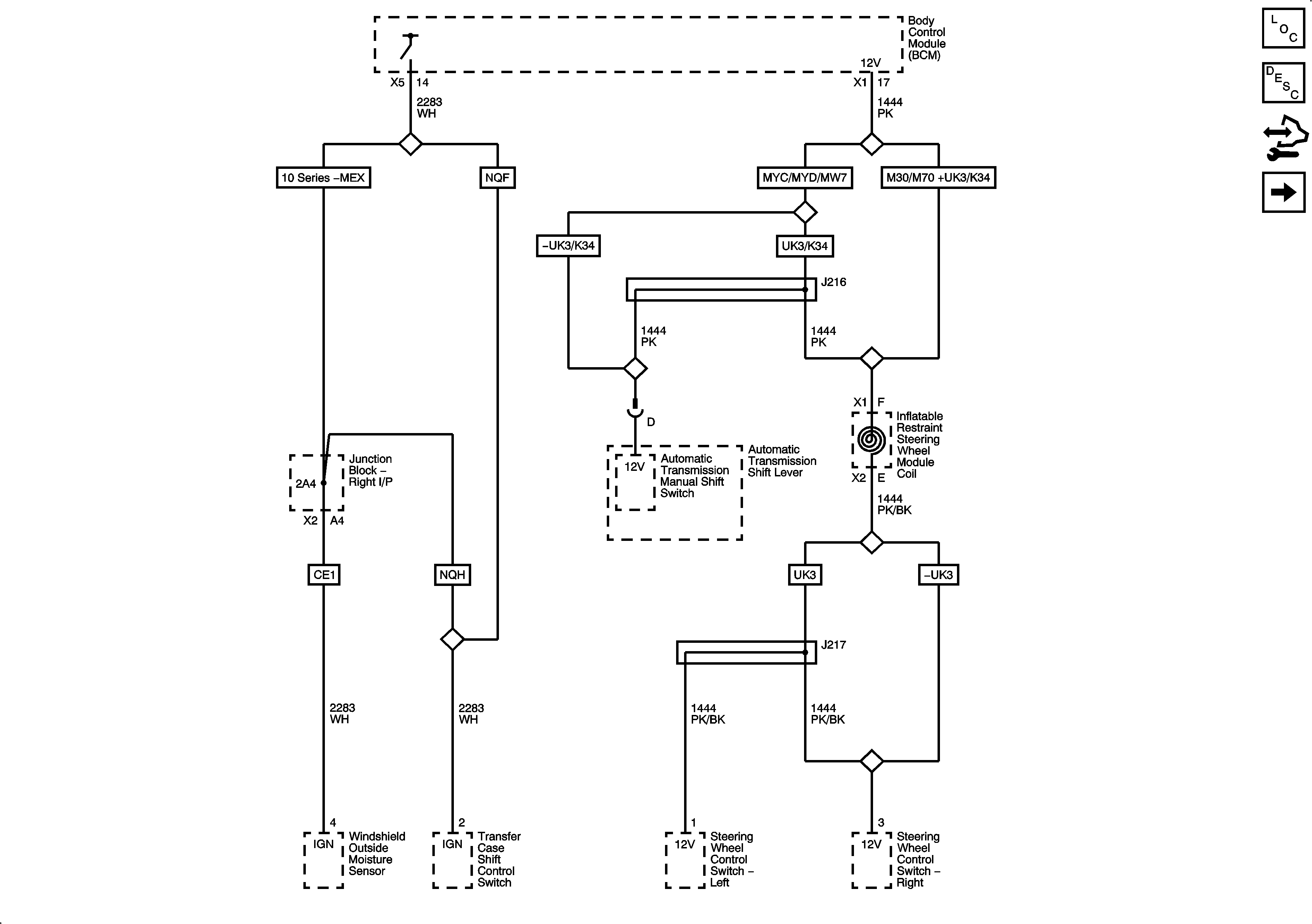
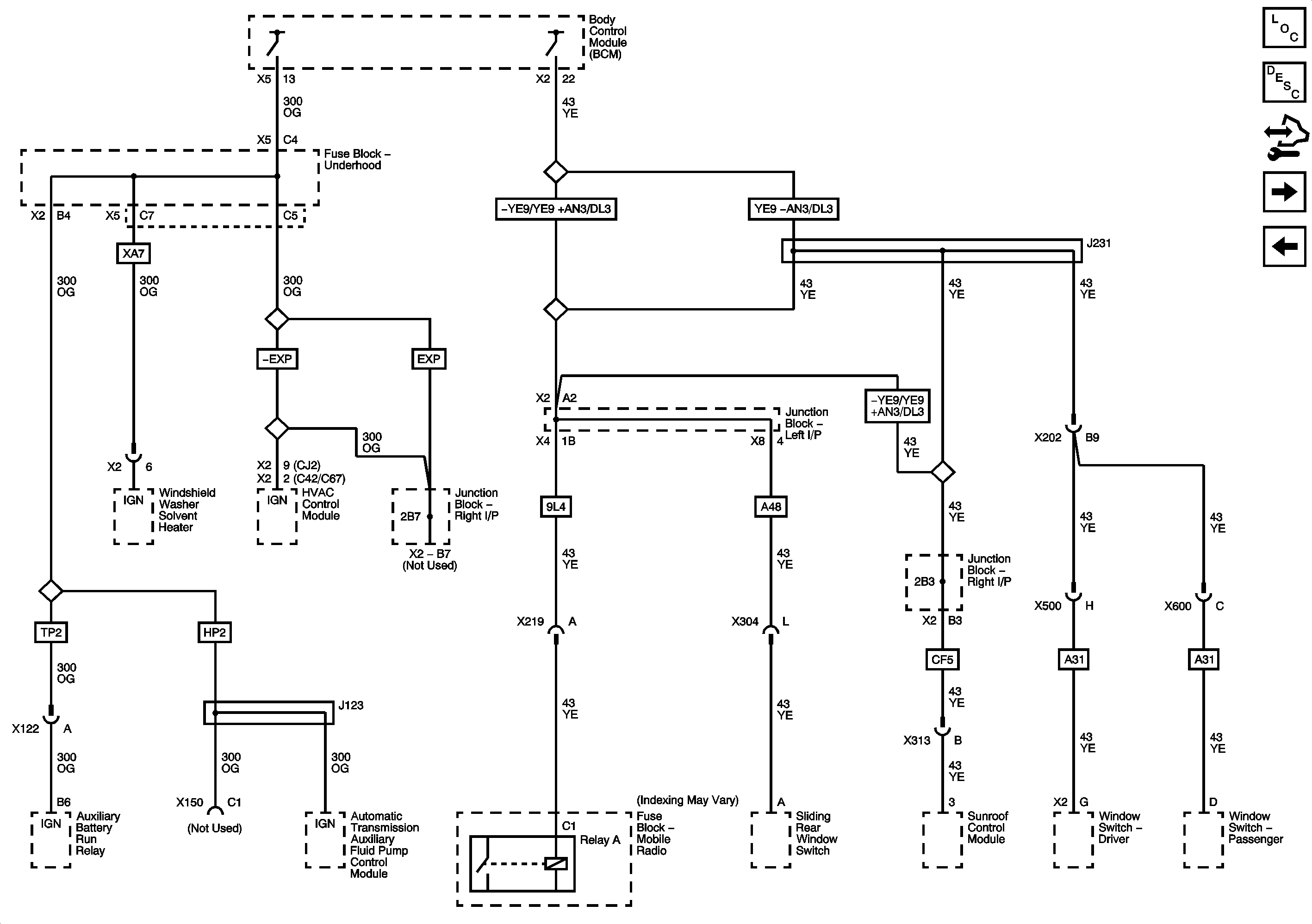
🢒 Power Moding Schematics
Figure
1:
Ignition I Voltage and 12-Volt Reference
Figure
2:
Ignition II/III Voltage
Figure
3:
Ignition III Voltage and Accessory Voltage