GM Service Manual Online
For 1990-2009 cars only
Makes
🢒
Chevrolet
🢒
2009
🢒
Silverado - 2WD
🢒
Power and Signal Distribution
🢒
Wiring Systems and Power Management
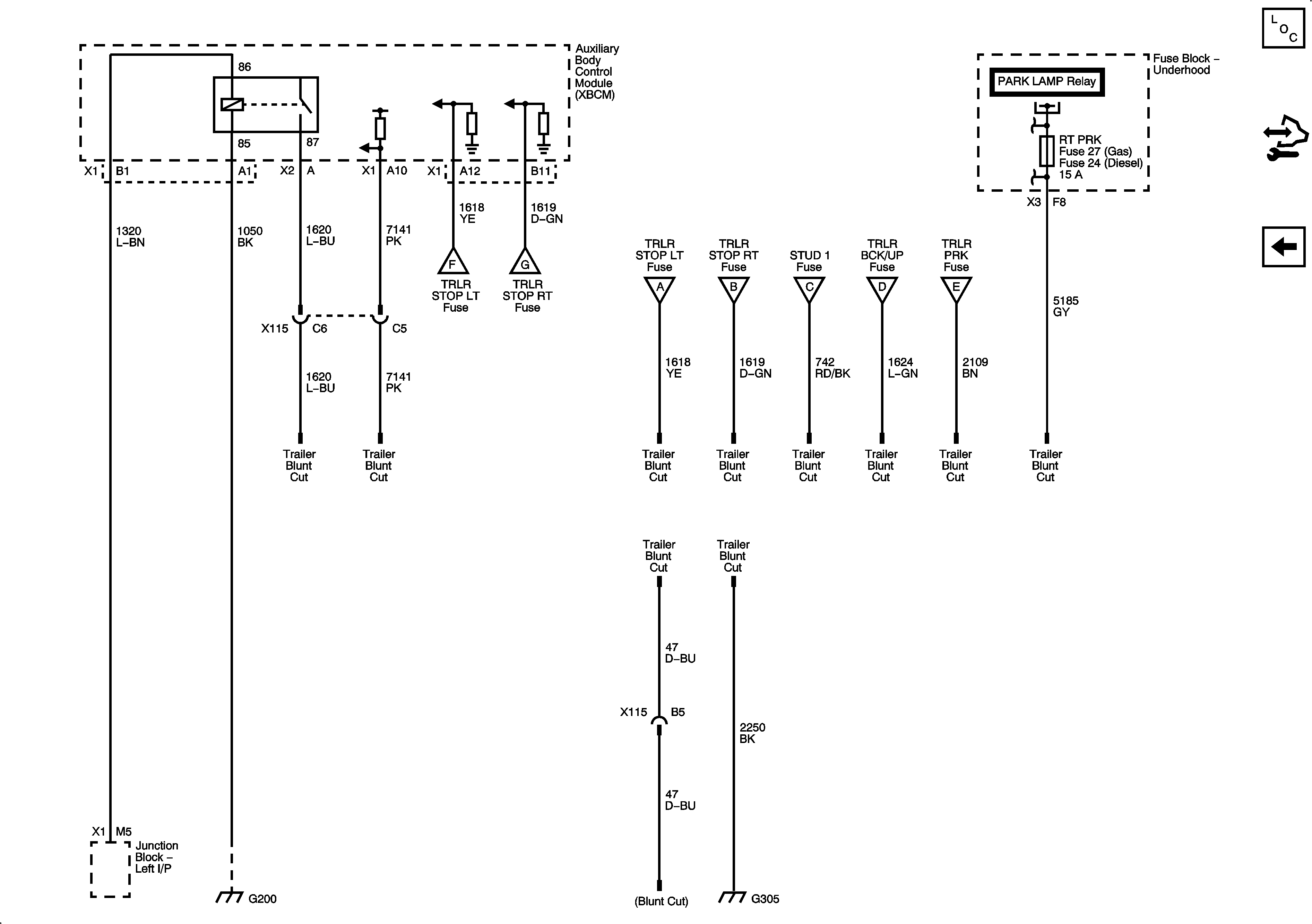
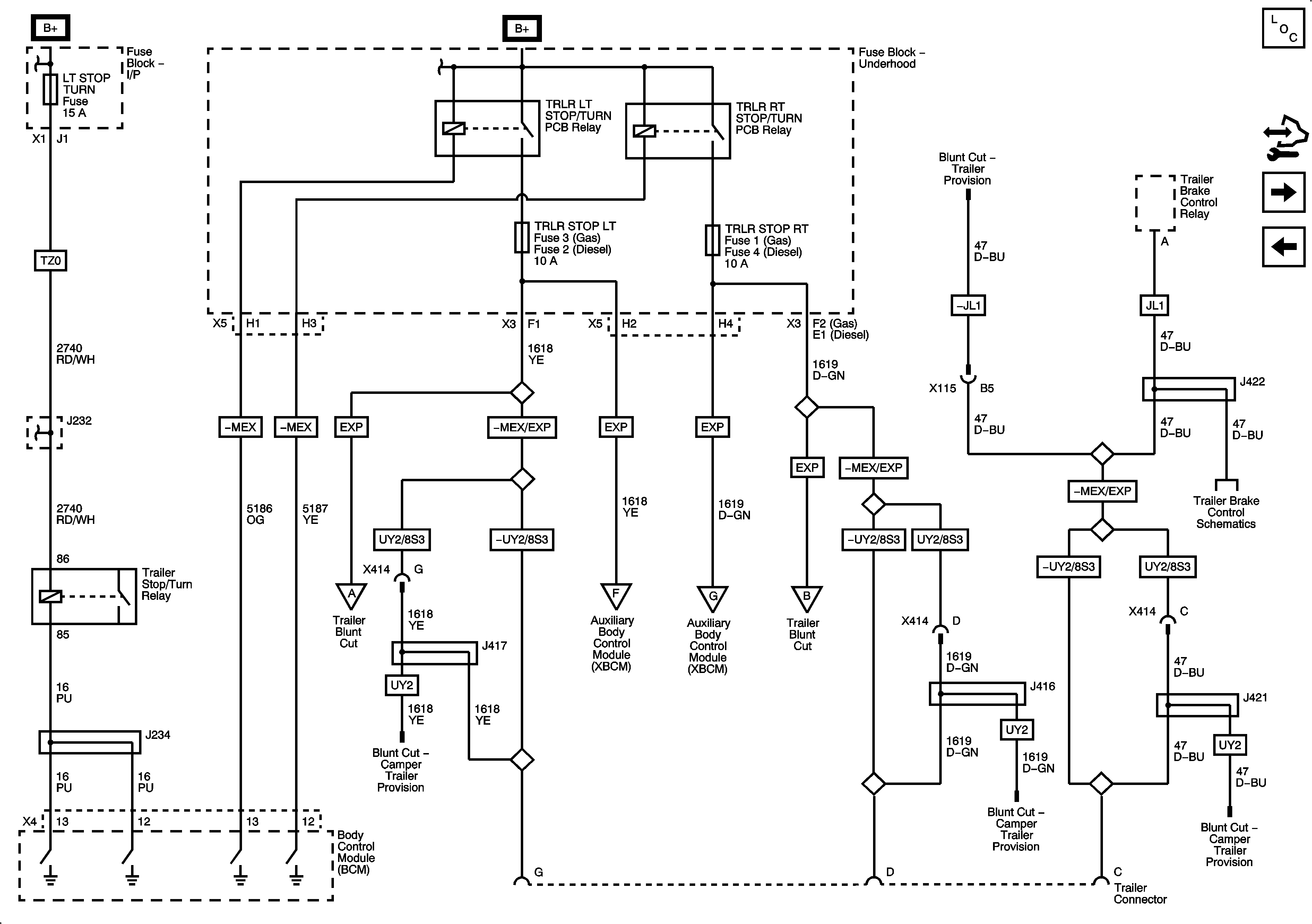
🢒 Trailer Connector/Provision Schematics
Figure
1:
Trailer Connector 1 of 2
Figure
2:
Trailer Connector 2 of 2
Figure
3:
EXP