GM Service Manual Online
For 1990-2009 cars only
Figure 1:

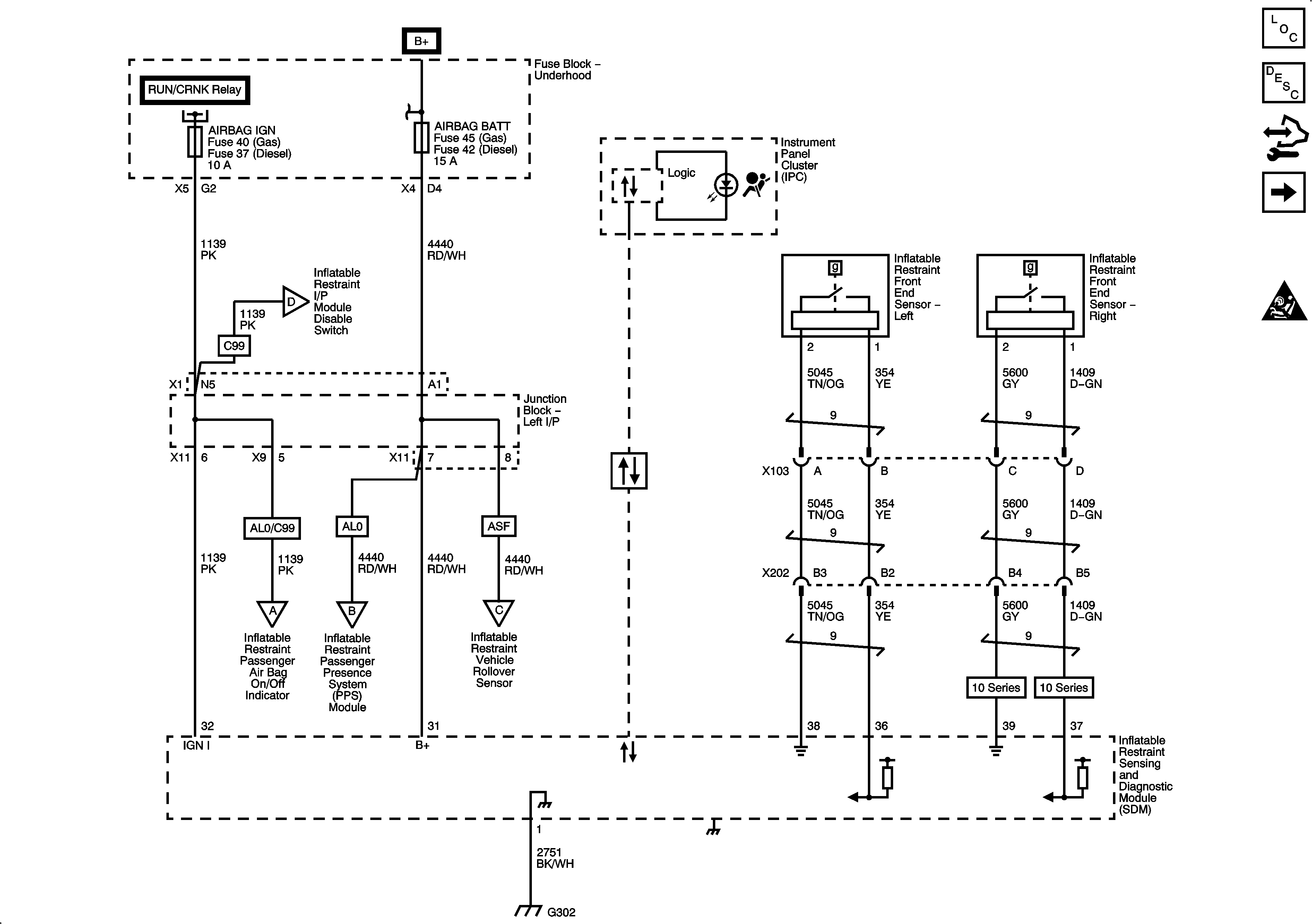
Module Power, Ground, Serial Data and Front Sensors


Object Number: 2065198  Size: FS
Figure 2:

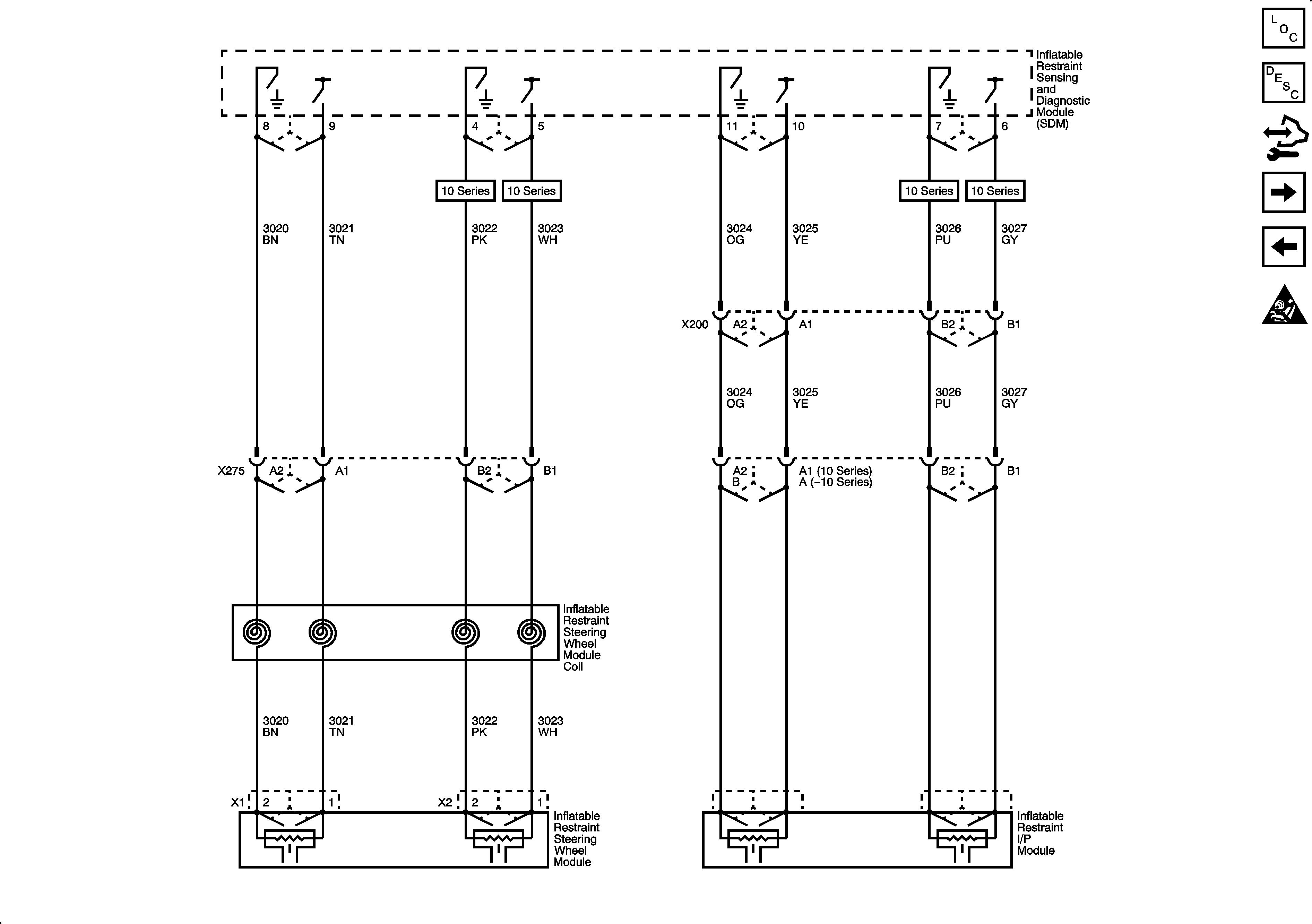
Steering Wheel and I/P Module


Object Number: 2065203  Size: FS
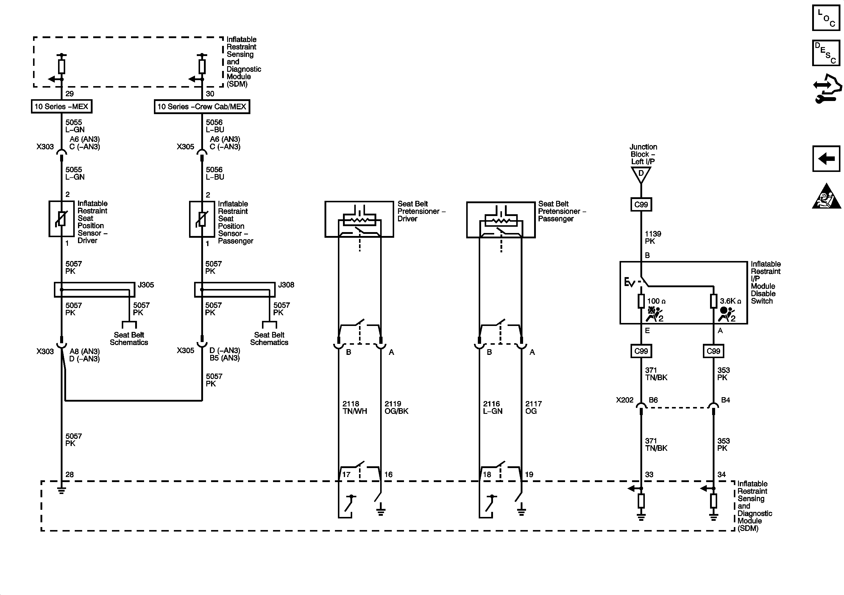
Figure 3:

Side Impact Modules and Sensors (ASF)


Object Number: 2065205  Size: FS
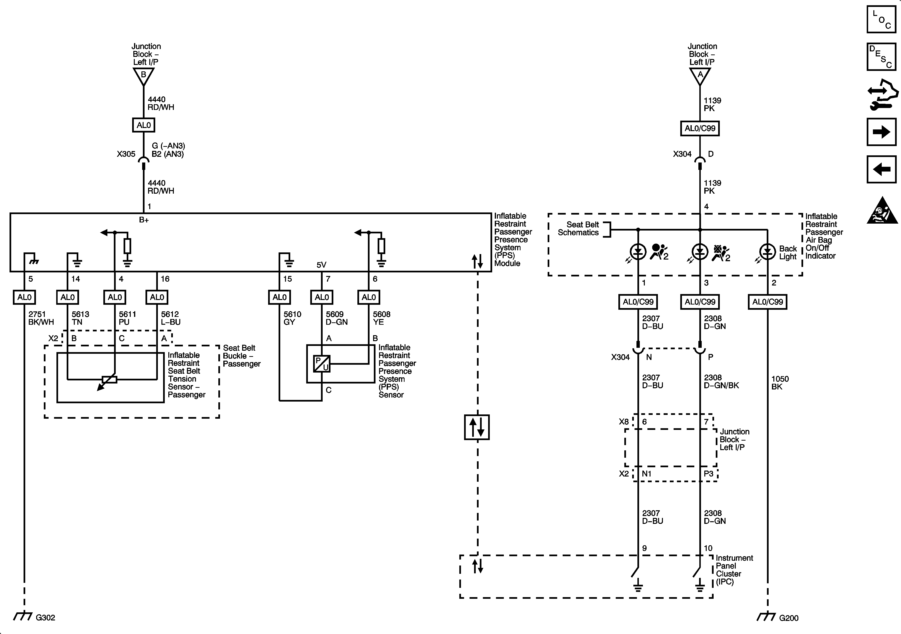
Figure 4:

Passenger Presence System 1 of 2


Object Number: 2065208  Size: FS
Figure 5:

Passenger Presence System 2 of 2


Object Number: 2065210  Size: FS