| • | Place a clean rag over the bore on order to collect the excess fuel. |
| • | Bump the engine over in order to flush any debris out of the regulator bore. |
Important: If the pressure regulator is being re-used, check the O-rings for damage. If the O-rings are damaged, install NEW O-rings.
Important: If the regulator is installed at an angle the O-rings may be damaged, resulting in possible fuel leakage.
Notice: Refer to Fastener Notice in the Preface section.
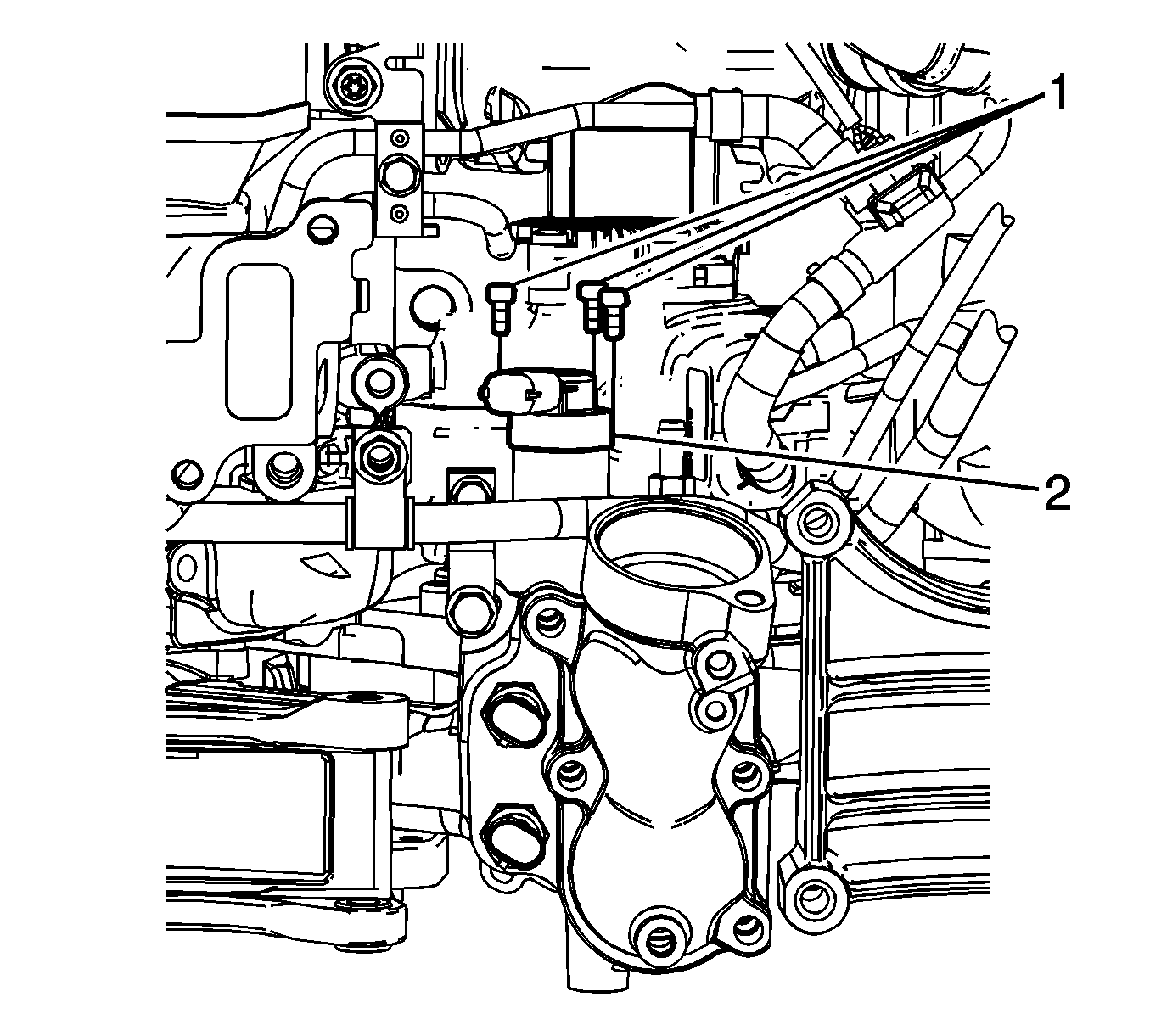
Tighten
| • | Tighten the screws a first pass to 4 N·m (35 lb in). |
| • | Tighten the screws a final pass to 7 N·m (62 lb in). |