GM Service Manual Online
For 1990-2009 cars only
Makes
🢒
Chevrolet
🢒
2007
🢒
Silverado - 4WD
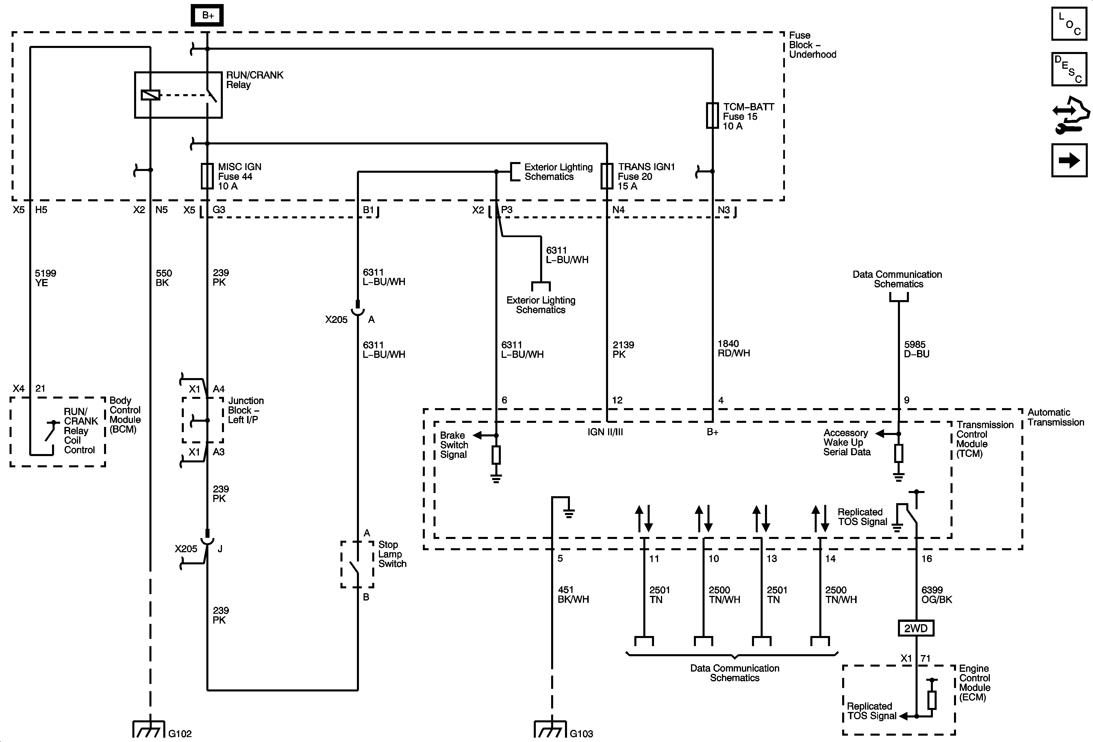
🢒 Module Power, Ground, Serial Data and Stop Lamp Signal
Module Power, Ground, Serial Data and Stop Lamp Signal
Module Power, Ground, Serial Data and Stop Lamp Signal
Master Electrical Component List
Electronic Component Description
Control Module References
Pressure Controls - 1 of 2 and Shift Controls
RUN/CRANK BUS - AIRBAG IGN, MISC IGN and SEO/ALC Fuses
Stop Lamp Controls and CHMSL
RUN/CRANK BUS - ECM-IGN and TRANS IGN 1 Fuses
ECM-BATT, HDLP WASH, HVAC BATT, IPC, LTR, S/ROOF and TCM-BATT Fuses
Stop Lamp Controls and CHMSL
Accessory Wakeup Serial Data
G102, G107 (4.3L), G104, G108
G106 (4.3L) and G103
High Speed Bus - 1 of 3