GM Service Manual Online
For 1990-2009 cars only
Makes
🢒
Chevrolet
🢒
2007
🢒
Silverado - 4WD
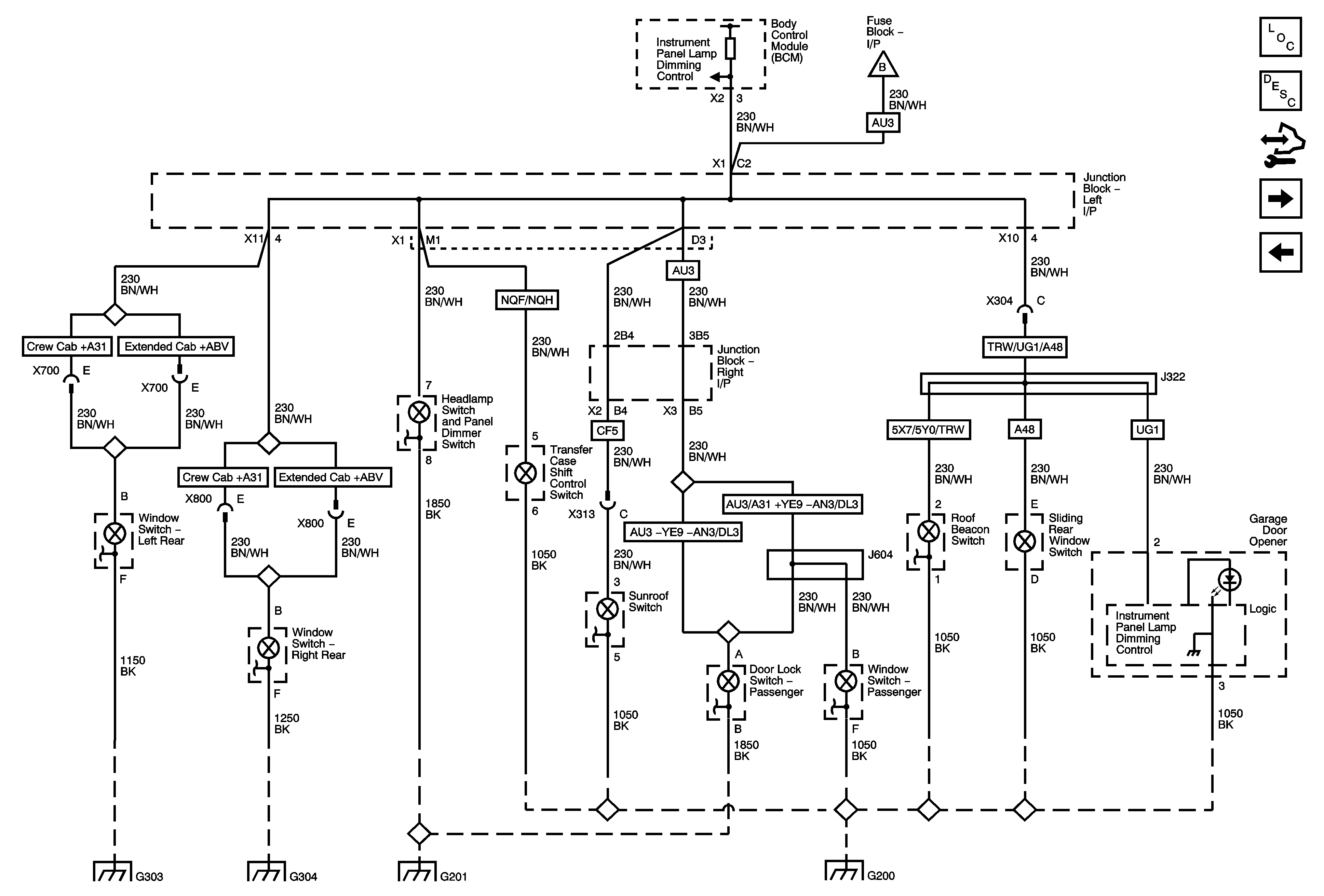
🢒 I/P Bulb Dimming 1 of 2
I/P Bulb Dimming 1 of 2
I/P Bulb Dimming 1 of 2
Master Electrical Component List
Interior Lighting Systems Description and Operation
Control Module References
I/P Bulb Dimming 2 of 2
LED Dimming 3 of 3
I/P Bulb Dimming 2 of 2
G303, G304, G305 and G307
G303, G304, G305 and G307
G201 1 of 2
G200 1 of 2