GM Service Manual Online
For 1990-2009 cars only
Makes
🢒
Chevrolet
🢒
2008
🢒
Silverado - 4WD
🢒
Diagnostic Navigation
🢒
Vehicle Diagnostic Information
🢒 Moveable Window Schematics
Figure
1:
Left Doors (AN3/DL3)
Master Electrical Component List
Power Windows Description and Operation
Control Module References
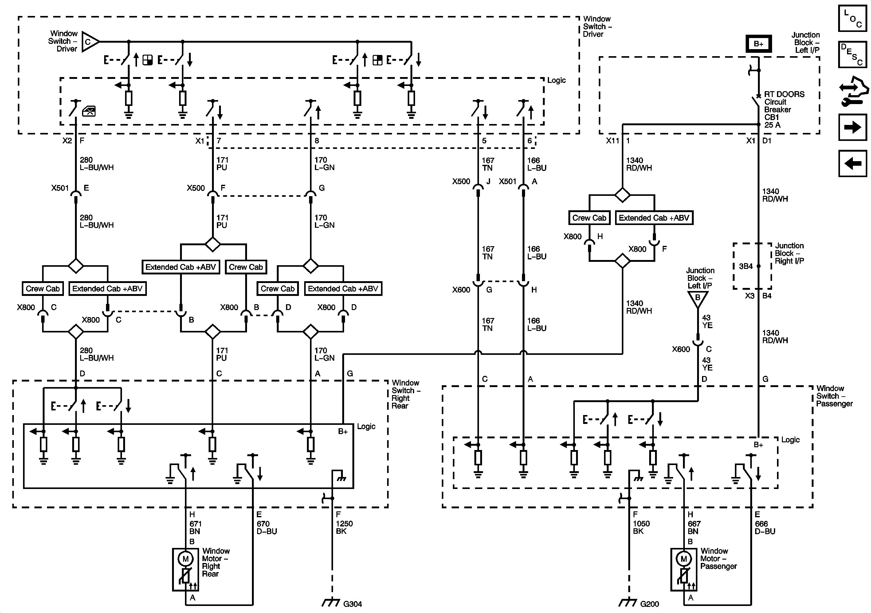
Right Doors (AN3/DL3)
Figure
2:
Right Doors (AN3/DL3)
Master Electrical Component List
Power Windows Description and Operation
Control Module References
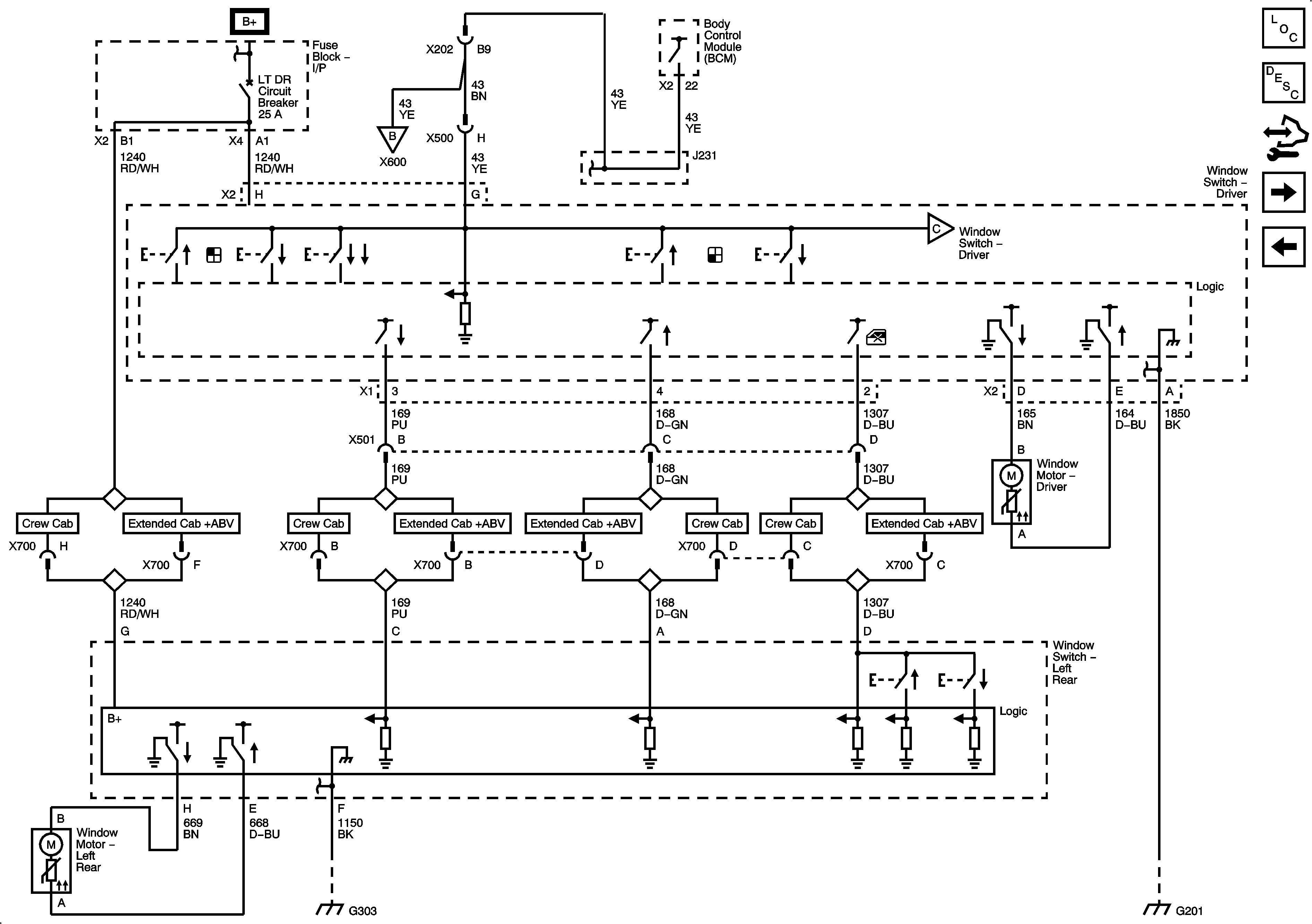
Left Doors (except AN3/DL3)
Left Doors (AN3/DL3)
Figure
3:
Left Doors (except AN3/DL3)
Master Electrical Component List
Power Windows Description and Operation
Control Module References
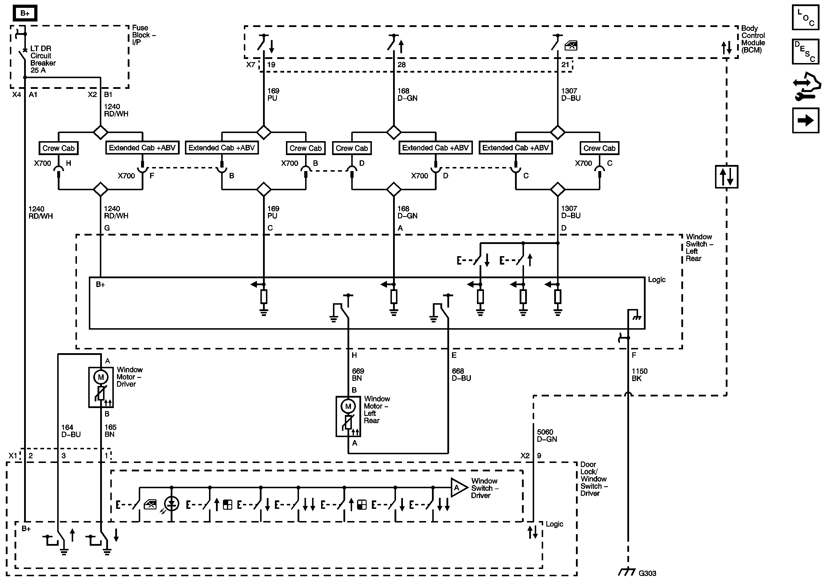
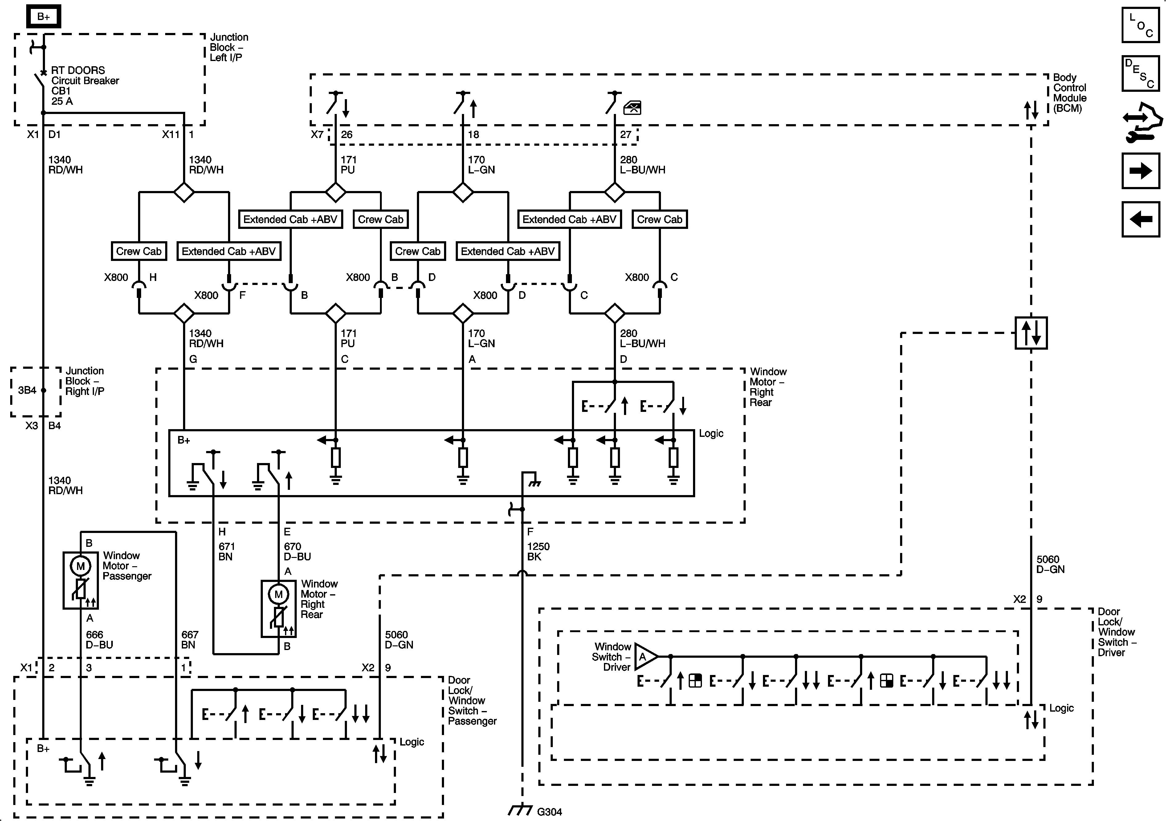
Right Doors (except AN3/DL3)
Right Doors (AN3/DL3)
Figure
4:
Right Doors (except AN3/DL3)
Master Electrical Component List
Power Windows Description and Operation
Control Module References
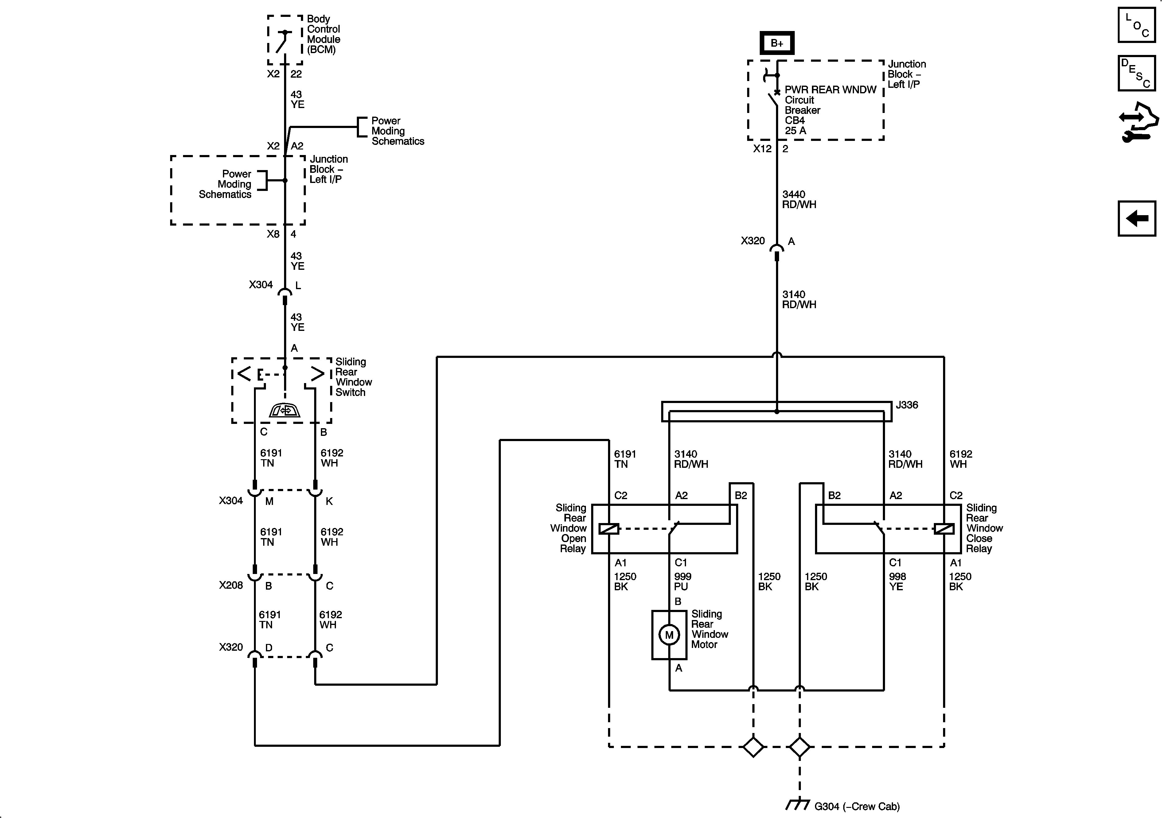
Sliding Rear Window (A48)
Left Doors (except AN3/DL3)
Figure
5:
Sliding Rear Window (A48)
Master Electrical Component List
Power Windows Description and Operation
Control Module References
Right Doors (except AN3/DL3)