GM Service Manual Online
For 1990-2009 cars only
Makes
🢒
Chevrolet
🢒
2008
🢒
Silverado - 4WD
🢒
Body Systems
🢒
Lighting
🢒 Headlights/Daytime Running Lights (DRL) Schematics
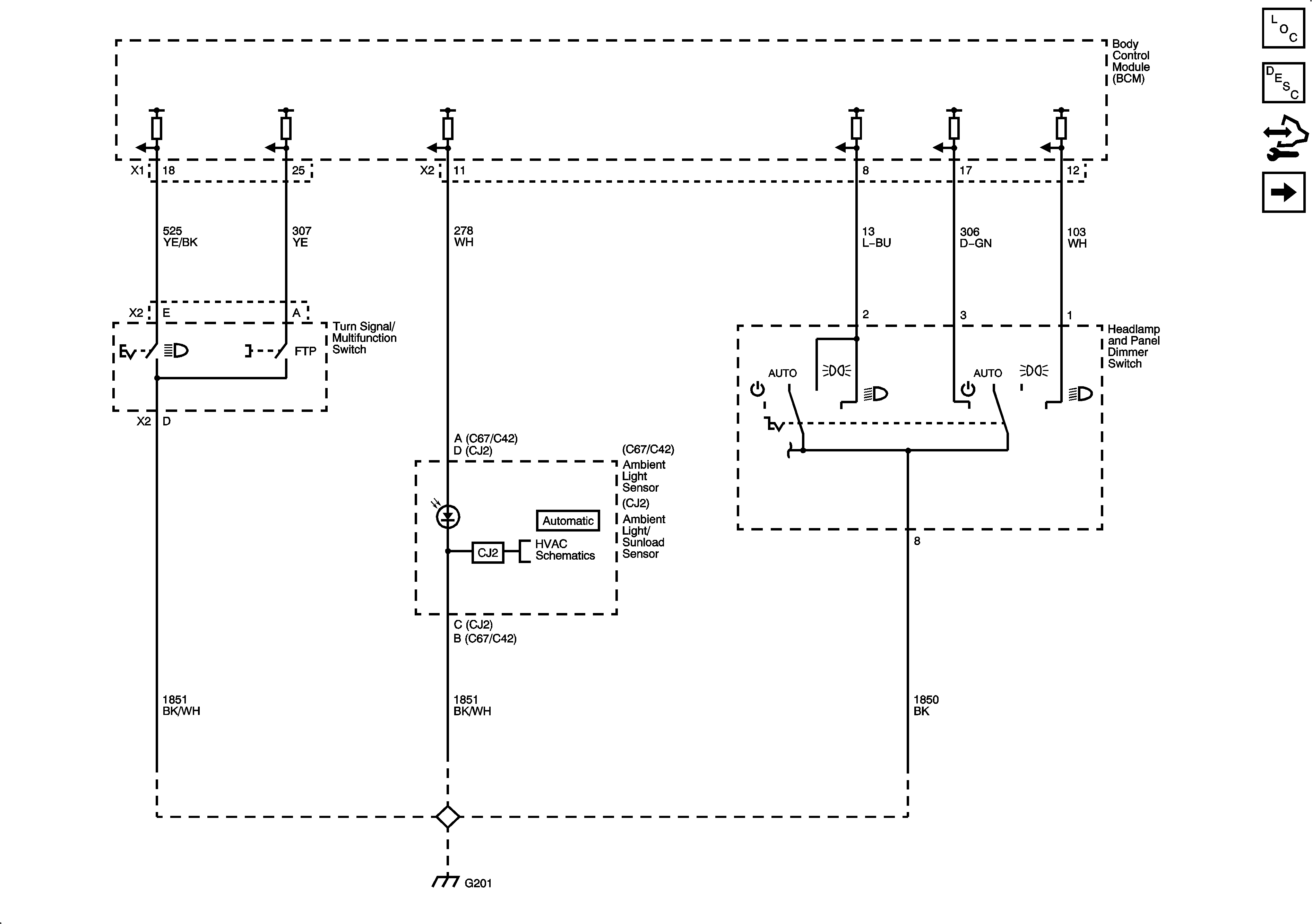
Figure
1:
Headlight and Daytime Running Light Controls
Master Electrical Component List
Exterior Lighting Systems Description and Operation
Control Module References
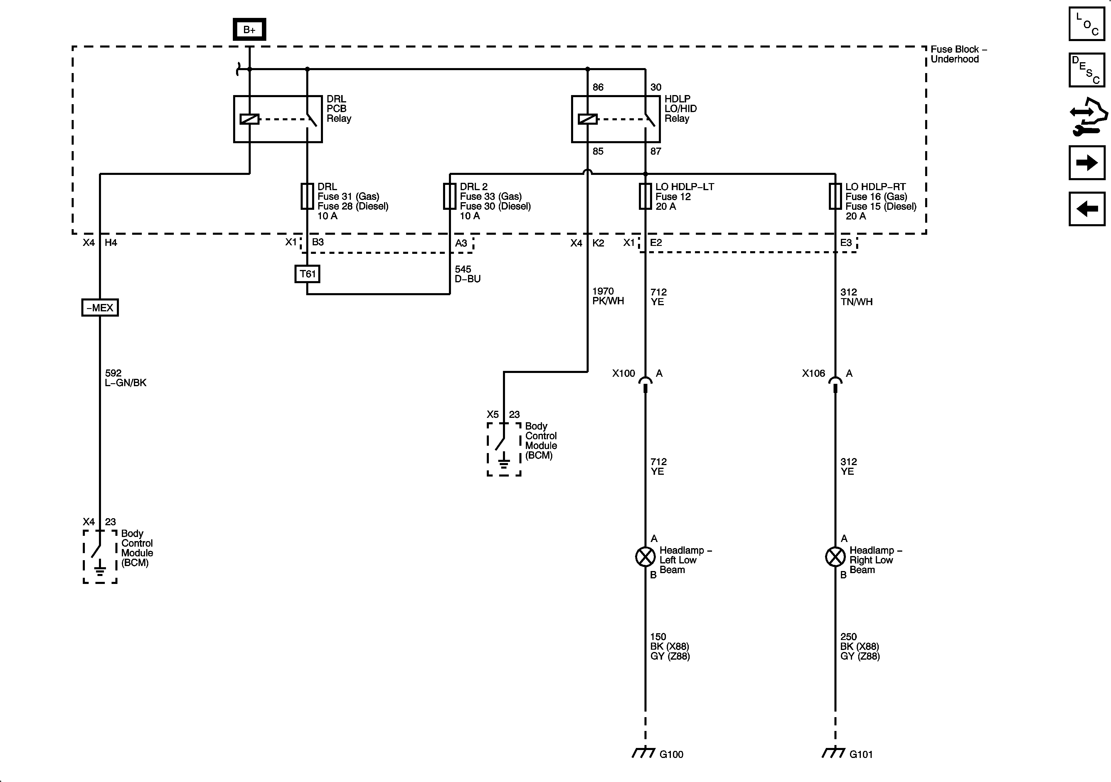
Low Beam and Daytime Running Lights
Figure
2:
Low Beam and Daytime Running Lights
Master Electrical Component List
Exterior Lighting Systems Description and Operation
Control Module References
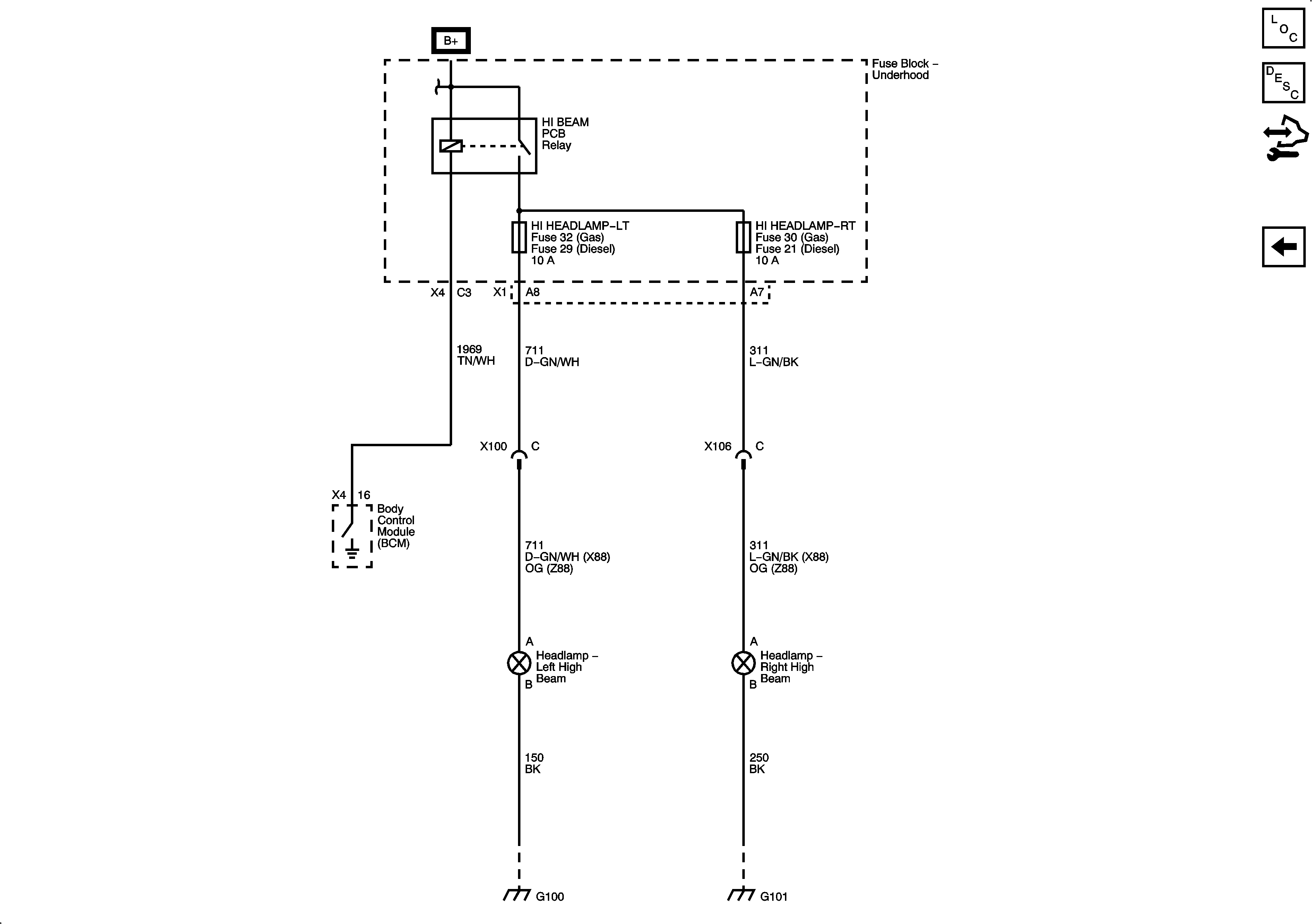
High Beams
Headlight and Daytime Running Light Controls
Figure
3:
High Beams
Master Electrical Component List
Exterior Lighting Systems Description and Operation
Control Module References
Low Beam and Daytime Running Lights