GM Service Manual Online
For 1990-2009 cars only
Makes
🢒
Chevrolet
🢒
2008
🢒
Silverado - 4WD
🢒
Power and Signal Distribution
🢒
Data Communications
🢒 Object Detection Schematics
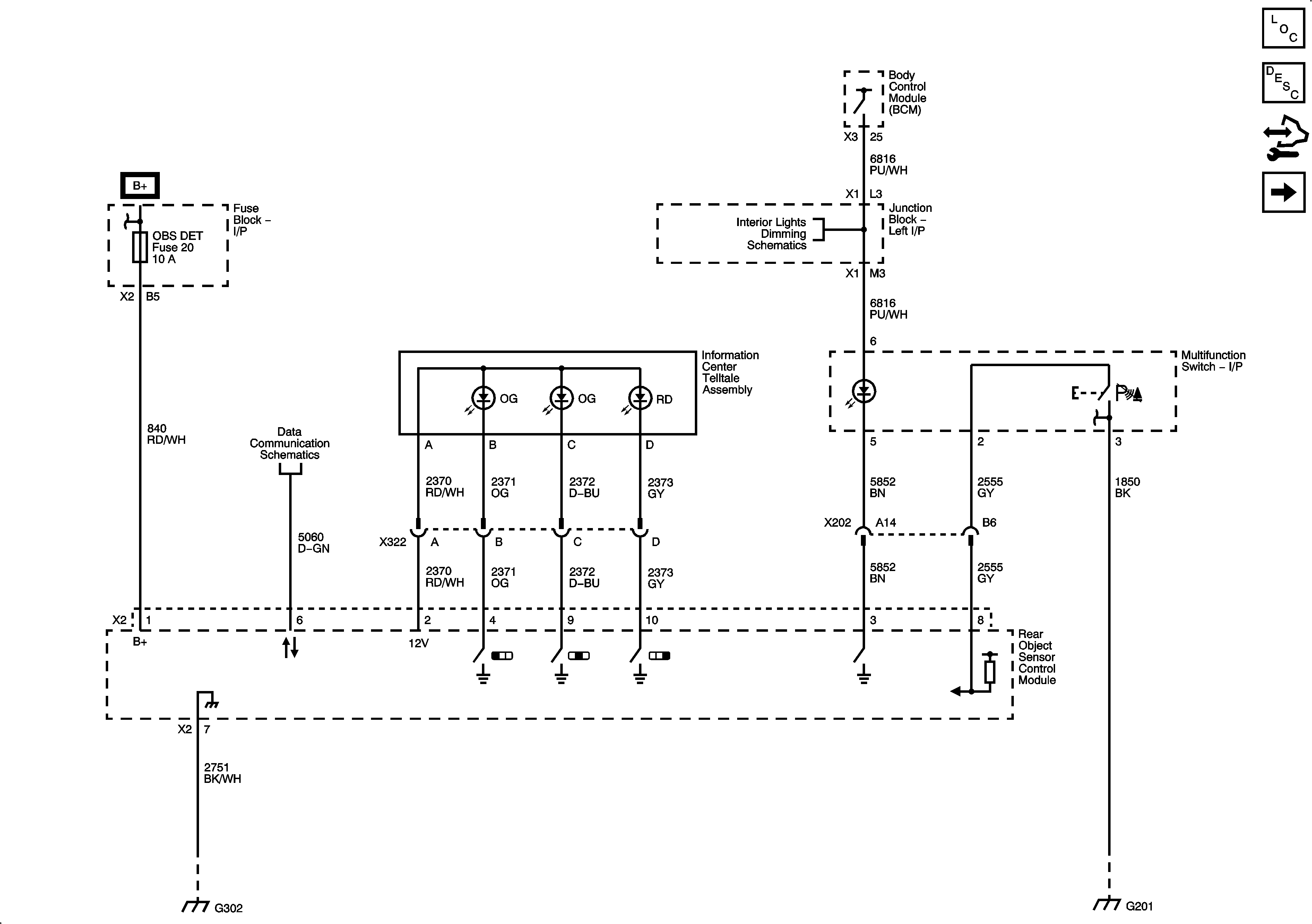
Figure
1:
Rear Object Sensing
Master Electrical Component List
Object Detection Description and Operation
Control Module References
Rear Object Sensors
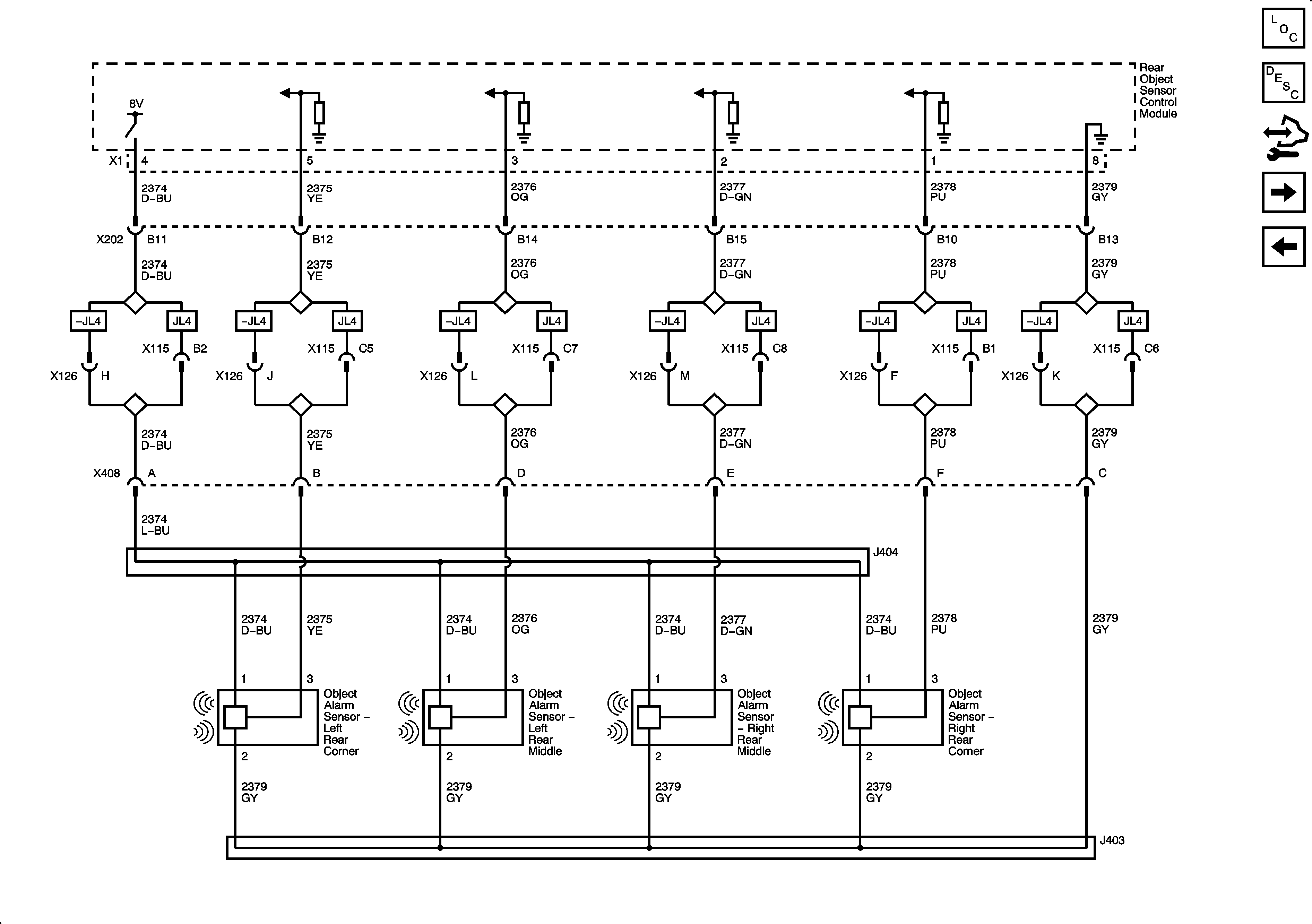
Figure
2:
Rear Object Sensors
Master Electrical Component List
Object Detection Description and Operation
Control Module References
Rear Object Sensing